Студопедия

Главная страница Случайная страница

КАТЕГОРИИ:

АвтомобилиАстрономияБиологияГеографияДом и садДругие языкиДругоеИнформатикаИсторияКультураЛитератураЛогикаМатематикаМедицинаМеталлургияМеханикаОбразованиеОхрана трудаПедагогикаПолитикаПравоПсихологияРелигияРиторикаСоциологияСпортСтроительствоТехнологияТуризмФизикаФилософияФинансыХимияЧерчениеЭкологияЭкономикаЭлектроника






Автоматические выключатели. Расцепители автоматического выключателя.






Автоматический выключатель (механический), «автомат» — это механический коммутационный аппарат, способный включать, проводить и отключать токи при нормальном состоянии цепи, а также включать, проводить в течение заданного времени и автоматически отключать токи в указанном аномальном состоянии цепи, таких, как токи короткого замыкания

Автоматические выключатели предназначены для многоразовой защиты электрических установок от перегрузок и коротких замыканий. Некоторые модели обеспечивают защиту от других аномальных состояний, например, от недопустимого снижения напряжения. Главным отличием от плавкого предохранителя является возможность многократного использования.

Каждый автоматический выключатель оснащают одним или несколькими расцепителями, которые предназначены для осуществления:

  • автоматического размыкания главных контактов в случае появления сверхтока в главной цепи автоматического выключателя;
  • автоматического размыкания автоматического выключателя при снижении напряжения или изменении других характеристик подключенных к нему электрических цепей и электрооборудования;
  • дистанционного отключения автоматического выключателя и др. Расцепитель автоматического выключателя.

Билет 14

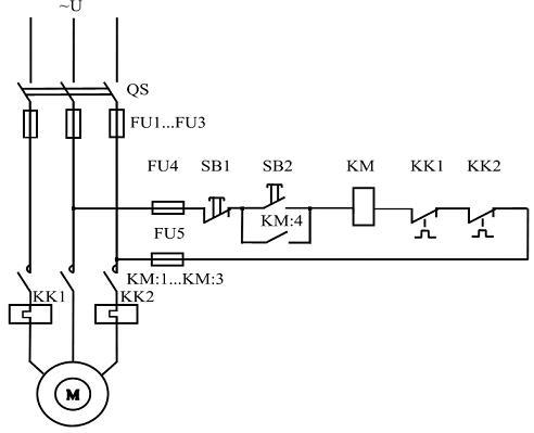
Типовые схемы управления электродвигателями

Рис. 1.5. Схема управления нереверсивного электродвигателя

Рис. 1.6. Схема управления реверсивным электродвигателем


Поделиться с друзьями:

mylektsii.su - Мои Лекции - 2015-2026 год. (1.445 сек.)Все материалы представленные на сайте исключительно с целью ознакомления читателями и не преследуют коммерческих целей или нарушение авторских прав Пожаловаться на материал