Студопедия

Главная страница Случайная страница

КАТЕГОРИИ:

АвтомобилиАстрономияБиологияГеографияДом и садДругие языкиДругоеИнформатикаИсторияКультураЛитератураЛогикаМатематикаМедицинаМеталлургияМеханикаОбразованиеОхрана трудаПедагогикаПолитикаПравоПсихологияРелигияРиторикаСоциологияСпортСтроительствоТехнологияТуризмФизикаФилософияФинансыХимияЧерчениеЭкологияЭкономикаЭлектроника






Основы электроники






Краткий конспект

по «Основам электроники»

СОДЕРЖАНИЕ

1. Основы электроники. Виды электронной эмиссии.................. 3

 

2. Электроннолучевая трубка......................................................... 4

 

3. Тема «Полупроводниковые приборы»..................................... 5

 

4. Тема «Фотоэлектронные приборы»......................................... 13

 

5. Тема «Электронные выпрямители»......................................... 15

 

6. Тема «Электронные генераторы»............................................ 18

 

7. Тема «Интегральные схемы микроэлектроники».................. 19

 


ОСНОВЫ ЭЛЕКТРОНИКИ

Электроника – это наука, которая изучает явления, связанные с прохождением электрического тока в вакууме, твердых телах и газах. Изучает устройство и применение приборов, работа которых основана на указанных ранее явлениях.

Различают:

1. Электровакуумные приборы (электронные лампы) – это приборы, работа которых основана на движении электронов в вакууме.

2. Газоразрядные приборы – это приборы работа, которых основана на движении электронов и ионов в пространстве, заполненном газам.

3. Полупроводниковые прибо ры – это приборы, работа которых основана на перемещении электронов и дырок в твердом теле.

 

1. Виды электронной эмиссии

 

Электронной эмиссией называется явление выхода электронов из металла, обусловленное их хаотическим движением. В зависимости от вида сообщаемой из вне дополнительной энергии электрону, различают следующие виды эмиссии:

1. Термоэлектронная эмиссия – это эмиссия электронов из металла при его нагревании. Используется при работе термокатодов.

2. Фотоэлектронная эмиссия – это эмиссия электронов из металла под действием световой энергии. Это явление иначе называется внешним фотоэффектом и используется при работе фотоэлектронных приборов.

3. Вторичная электронная эмиссия – это эмиссия электронов из металла при бомбардировке металла быстро летящими электронами. Вторичная электронная эмиссия используется для внутреннего усиления тока.

Металлическая пластина (электрод), являющаяся источником электронов, называется катодом, к нему подводится отрицательное напряжение (анодное).

Анод – это электрод, который собирает электроны, испускаемые катодом, к нему подводится положительное напряжение (анодное).

 

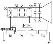
2. Электроннолучевая трубка

 

Электроннолучевая трубка – это устройство, которое электрическую энергию преобразует в световую.

Применение:

1. Для наблюдений за быстро протекающими электронными процессами в осциллографах.

2. Для регистрации сигналов, - такие трубки называют индикаторами.

3. Для получения изображения на экране в ТV и ПК (телевизионные трубки – кинескопы).

Устройство:

Состоит из следующих основных частей:

1. Стеклянного баллона, в котором создан высокий вакуум.

2. Электронного прожектора (пушки), который предназначен для получения электронного потока и формирования электронного луча. Электронный прожектор состоит из: подогреного катода, который испускает электроны в результате термоэлектронной эмиссии, к нему подводится небольшое отрицательное напряжение; модулятора: к нему подводится небольшое отрицательное напряжение (он регулирует яркость изображения на экране); двух анодов А 1 и А 2. А 1 – фокусирующий анод, к нему подается положительное напряжение до 800 В. А 2 – ускоряющий анод, к нему подводится напряжение до 6 кВ и выше. Аноды собирают электроны в луч и направляют его на экран и сообщают электронам большую скорость.

3. Отклоняющей системы, которая предназначена для перемещения луча по экрану. Состоит из двух пар пластин: горизонтально отклоняющих и вертикально отклоняющих. Если управление лучом осуществляется с помощью электрического поля, то такие трубки называются с электростатическим управлением и они применяются в осциллографах. Если управление лучом осуществляется с помощью магнитного поля, то такие трубки носят название с магнитным управлением. У них отклоняющая система состоит из двух пар катушек, и они применяются в телевизорах.

4. Экрана, который покрыт специальным веществом (люминофором) – это вещество, которое светится при бомбардировке его быстролетящими электронами.

 

ТЕМА: «Полупроводниковые приборы»

3. Виды примесей и проводимостей

в полупроводнике

 

Полупроводники – это материалы, которые по свойствам электропроводности занимают промежуточное положение между проводниками и диэлектриками. Характерной особенностью полупроводников является сильная зависимость их проводимости от температуры и химических примесей. Основные представители полупроводников: германий (Ge), кремний (Si), которые на внешнем энергетическом уровне имеют 4 валентных электрона.

Рассмотрим химически чистые полупроводники, которые называются собственными. При температурах близких к абсолютному нулю Т = О× К (t = - 273°С), недостающие 4-е электрона каждый атом кремния, берет от 4-ех соседних атомов, одновременно отдавая им свои, т.е. при образовании кристаллической решетки валентные электроны вступают в ковалентные связи.

Ковалентная связь – это химическая связь, обуславливаемая образованием общей пары электронов на одной орбите. Собственный полупроводник при низких температурах не подводит ток, т.к. нет свободных носителей заряда, его сопротивление наибольшее. При повышении температуры ковалентные связи разрушаются и появляются свободные электроны и дырки. Дырка – это вакантное место, оставляемое после ухода электрона. Считают, что дырка заряжена положительно и имеет массу электрона. При столкновении электрона и дырки ковалентная связь восстанавливается, и такое явление называют рекомбинацией. Проводимость, обусловленная направленным движением электронов, называется электронной или n-типа. Проводимость, обуславливаемая направленным перемещением дырок, называется дырочной или р-типа. Собственная проводимость полупроводника при повышении температуры (Т > ОК) равна нулю, т.к. концентрация электронов и дырок одинакова. В технике применяют примесные полупроводники. Для того чтобы получить примесный полупроводник n -типа к кремнию нужно добавить элементы из V группы таблицы Менделеева (сурьму, мышьяк). Эти элементы называются донорами. Чтобы получить полупроводник р -типа добавляют элементы из III группы (индий) – называют акцептером. В примесном полупроводнике различают основные носители (т.е. которые определяют тип проводимости) и неосновные носители.

Величина проводимости примесного полупроводника при постоянной температуре зависит от концентрации вводимой примеси.

4. Электронно–дырочный (р- n ) переход

 

Рассмотрим контакт двух примесных полупроводников р и n -типа. В результате диффузии основных носителей дырки перемещаются из полупроводника р -типа в n -тип, а электроны из n -типа в р -тип. При этом в области контакта полупроводников возникает контактная разность потенциалов, которая создает электрическое поле потенциального барьера. И силы этого поля препятствуют диффузии основных носителей. Когда силы, вызывающие диффузию, уравновешиваются силами поля потенциального барьера, переход основных носителей прекратится. В области контакта р–n перехода возникает слой связанных электронов, обусловленный рекомбинацией основных носителей. Этот слой обладает свойством диэлектрика. Иногда его называют запирающим. Электронно-дырочным переходом называют область, которая отделяет примесный полупроводник n-типа от примесного полупроводника р-типа, образовавшаяся при контакте двух полупроводников р и n -типа в результате диффузии и рекомбинации основных носителей.

Свойства р- n перехода:

Подключим к р-n переходу источник в прямом направлении, т.е. к полупроводнику р -типа подключаем положительный зажим источника, а к n -типа – отрицательный. Такое включение р-n перехода называют прямым. При этом основные носители смещаются к р-n переходу, его толщина и сопротивление уменьшается и через р-n переход проходит прямой ток, обусловленный движением основных носителей. При включении р-n перехода в обратном направлении, основные носители смещаются к краям пластин, толщина и сопротивление р-n перехода увеличиваются и через р-n переход проходит обратный ток, обусловленный движением неосновных носителей, который практически равен нулю. Р-n переход обладает свойством односторонней проводимости: проводит ток только в прямом направлении, или вентильными свойствами.

При больших обратных напряжениях происходит резкое увеличение обратного тока. Такое явление называют пробоем

р-n перехода.

Различают:

Ø обратимый пробой, к нему относится лавинный и туннельный пробой;

Ø необратимый пробой (тепловой).

 

5. Полупроводниковый диод

 

Это прибор, который имеет две области (р и n), один р-n переход. Обладает вентильными свойствами. Применяется в выпрямителях переменного тока. По устройству полупроводников диоды бывают точечные и плоскостные. Основными параметрами полупроводникового диода являются:

Uобр – напряжение, которое выдерживает диод в непроводящий период без пробоя, В.

Iдоп – допустимый ток, на который рассчитан данный диод, А.

 

6. Биполярный транзистор

Биполярный транзистор – это полупроводниковый триод, имеет три области, два р-n перехода, обладает усилительными свойствами и предназначен для усиления и генерации электрических сигналов. Различают транзисторы типа р-n-р и n-р-n устройство. Крайняя область, к которой подключают прямое напряжение и которая испускает основные носители зарядов, называется эмиттером (Э). Другая крайняя область, к которой подключают обратное напряжение, которая собирает основные носители зарядов называется коллектором (К). Средняя область называется базой (Б).

Толщина базы очень малая, несколько микрон. Концентрация основных носителей в базе 100-1000 меньше, чем в коллекторе и эмиттере.

Р-n переход между эмиттером и базой называется эмиттерным и он имеет малое сопротивление, т.к. находится под прямым напряжением. Р-n переход между К и Б называется коллекторным и обладает большим сопротивлением, т.к. находится под обратным напряжением. Принцип действия. Если к эмиттеру подключить прямое напряжение Uэ, то основные носители (дырки) перемещаются через эмиттер, создавая ток эмиттера Iэ, легко преодолевают малое сопротивление эмиттерного р-n перехода и попадают в базу. Через базу они перемещаются под действием сил диффузии и подходят к коллекторному р-n переходу. Часть дырок рекомбинирует в базе с электронами, недостаток которых пополняется от источника, создавая ток базы Iб. Оставшиеся дырки под действием обратного напряжения Uк преодолевают большое сопротивление коллекторного р-n перехода и попадают в коллектор, создавая в нем ток коллектора Iк. Следовательно:

Iэ = Iб + Iкосновное уравнение токов транзисторов. Ток базы мал, т.е. Iб ®0, тогда Iэ» Iк. Т.к. Iэ» Iк, а сопротивление р-n различные, то для создания тока в цепи коллектора необходимо, чтобы напряжение в цепи коллектора было больше напряжения в цепи эмиттера. Значит, мощность, развиваемая в цепи коллектора Рк = Uк × Iк, больше мощности в цепи эмиттера Рэ = Uэ × Iэ, т.е. Рк > Рэ.

Вывод: транзистор обладает усилительными свойствами, т.к. имеет два р-n перехода с различными сопротивлениями.

7. Электронные усилители

Электронные усилители – это устройства, которые предназначены для усиления мощности слабых электрических сигналов, за счет энергии источника, который питает усилитель.


Поделиться с друзьями:

mylektsii.su - Мои Лекции - 2015-2026 год. (1.434 сек.)Все материалы представленные на сайте исключительно с целью ознакомления читателями и не преследуют коммерческих целей или нарушение авторских прав Пожаловаться на материал