Студопедия

Главная страница Случайная страница

КАТЕГОРИИ:

АвтомобилиАстрономияБиологияГеографияДом и садДругие языкиДругоеИнформатикаИсторияКультураЛитератураЛогикаМатематикаМедицинаМеталлургияМеханикаОбразованиеОхрана трудаПедагогикаПолитикаПравоПсихологияРелигияРиторикаСоциологияСпортСтроительствоТехнологияТуризмФизикаФилософияФинансыХимияЧерчениеЭкологияЭкономикаЭлектроника






Нанесение размерных линий и размеров






Выбираю " Аннотации" → " Размеры" → " Управление размерными стилями", устанавливаю размерный стиль в соответствии с ГОСТ 2.307-68.

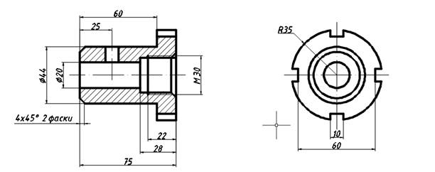
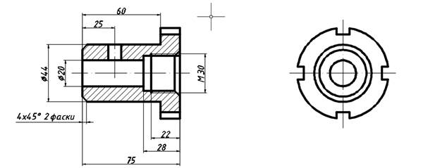
Устанавливаю слой " Размеры", приступаю к нанесению размерных линий на разрез главного вида: " Аннотации" → " Размеры" → " Линейный размер", " Аннотации" → " Размеры" → " Базовый размер", прописываю префиксы и суффиксы где необходимо.

Наношу размеры на виде слева: " Аннотации" → " Размеры" → " Линейный размер", " Аннотации" → " Размеры" → " Радиус".

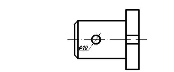
Аналогично проставляю диаметр отверстия на виде сверху: " Аннотации" → " Размеры" → " Диаметр".

Заключение

В данной работе я изучил виды изделий и конструкторских документов, научился правильно читать чертежи общего вида, правильно выполнять рабочие чертежи деталей по чертежу общего вида а также обучился основным навыкам работы в графических редакторах для выполнения чертежей на примере программы AutoCAD 2015. Такая подготовка дала мне знания и выработала умения и навыки выполнения чертежей.


Поделиться с друзьями:

mylektsii.su - Мои Лекции - 2015-2026 год. (0.645 сек.)Все материалы представленные на сайте исключительно с целью ознакомления читателями и не преследуют коммерческих целей или нарушение авторских прав Пожаловаться на материал