Студопедия

Главная страница Случайная страница

КАТЕГОРИИ:

АвтомобилиАстрономияБиологияГеографияДом и садДругие языкиДругоеИнформатикаИсторияКультураЛитератураЛогикаМатематикаМедицинаМеталлургияМеханикаОбразованиеОхрана трудаПедагогикаПолитикаПравоПсихологияРелигияРиторикаСоциологияСпортСтроительствоТехнологияТуризмФизикаФилософияФинансыХимияЧерчениеЭкологияЭкономикаЭлектроника






Следящий гидропривод






Назначение, принцип действия, схема и область применения следящего гидропривода в системах автоматического управления. Чувствительность, точность и устойчивость гидроусилителей.

Методические указания.

В машинах и станках с программным управлением, а также в промышленных роботах широко применяют следящие приводы. Это устройство – гидравлические усилители мощности, преобразующие входное механическое или электрическое воздействие в соответствующее перемещение выходного звена с усилием или моментом, достаточным для преодоления нагрузок на рабочих органах. Гидравлический следящий привод позволяет получить весьма высокий коэффициент усиления по мощности, достигающий десятков и даже сотен тысяч.

 


КОНТРОЛЬНЫЕ ЗАДАНИЯ

В зависимости от специальности студента-заочника учебным планом заочного отделения предусматривается разное количество контрольных работ, в каждую из которых входит определенное количество задач.

Номера контрольных задач студент-заочник выбирает по третьей букве своей фамилии (табл.1), а числовые значения – по второй букве своей фамилии (табл.4).

Число и тематика задач в контрольных работах по необходимости могут быть изменены в соответствии с требованиями специальности, учитывая объем курса и установленный кафедрой порядок обучения настоящего курса.

В условиях контрольных работ не всегда указывают все цифровые значения параметров, необходимых для решения задач (например, может быть не указана плотность, коэффициент вязкости или другой параметр). Тогда недостающие параметры выбираются из таблиц, помещенных в приложении. В исключительных случаях можно пользоваться также данными других справочников, в каждом случае указывая в своей контрольной работе название справочника, номер таблицы или графика.

ЗАДАЧИ

Задача 1. Автоклав объемом 25, 0 л наполнен жидкостью и закрыт герметически. Коэффициент температурного расширения жидкости a, ее модуль упругости Е. Определить повышение давления в автоклаве при увеличении температуры жидкости на величину Т. Объемной деформацией автоклава пренебречь.

Таблица 1

Третья буква фамилии При выполнении одной контрольной работы При выполнении двух контрольных работ При выполнении трех контрольных работ
в первой во второй в первой во второй в третьей
а, б, в г, д, е ж, з, и й, к, л, м, н, о п, р, с т, у, ф х, ц, ч ш, щ, ъ, ы, ь э, ю, я 1, 4, 10, 19, 22 2, 5, 11, 20, 23 3, 6, 12, 21, 24 1, 5, 11, 20, 23 2, 6, 12, 21, 24 3, 4, 10, 19, 22 1, 6, 12, 21, 24 2, 4, 11, 20, 22 3, 5, 10, 19, 23 1, 6, 10, 20, 22 1, 6, 10, 16 2, 5, 11, 17 3, 4, 12, 18 2, 6, 11, 16 3, 5, 12, 17 1, 4, 10, 18 3, 6, 12, 16 1, 5, 10, 17 2, 4, 11, 18 2, 4, 10, 18 19, 22, 25 20, 23, 26 21, 24, 27 19, 23, 28 20, 24, 25 21, 22, 26 19, 24, 27 20, 22, 28 21, 23, 26 20, 24, 25 1, 6, 7 2, 5, 8 3, 4, 9 3, 5, 8 2, 6, 9 1, 4, 9 1, 5, 8 2, 4, 7 3, 6, 7 2, 5, 9 11, 13, 16 12, 14, 17 10, 15, 18 11, 15, 17 12, 15, 16 10, 13, 18 11, 14, 17 12, 13, 16 10, 14, 16 11, 14, 18 19, 22, 25 20, 23, 26 21, 24. 27 19, 23, 28 20, 24, 25 21, 22, 26 19, 24, 27 20, 22, 28 21, 23, 26 20, 24, 25

 

 


 

Задача 2 (рис.6). Определить скорость равномерного скольжения прямоугольной пластины (a ´ b ´ c) по наклонной плоскости под углом a = 12°, если между пластиной и плоскостью находится слой масла толщиной d. Температура масла 30°С, плотность материала пластины r.

Задача 3 (рис.7). Зазор между валом и втулкой заполнен маслом, толщина слоя которого равна d. Диаметр вала D, длина втулки L. Вал вращается равномерно под воздействием вращающего момента М. Определить частоту вращения вала, если температура масла равна 40 °С.

Задача 4 (рис.8). Закрытый резервуар заполнен дизельным топливом, температура которого 20°С. В вертикальной стенке резервуара имеется прямоугольное отверстие (D ´ b), закрытое полуцилиндрической крышкой. Она может повернуться вокруг горизонтальной оси А. Мановакуумметр МV показывает манометрическое давление р м или вакуум р в. Глубина топлива над крышкой равна Н. Определить усилие F, которое необходимо приложить к нижней части крышки, чтобы она не открывалась. Силой тяжести крышки пренебречь. На схеме показать векторы действующих сил.

Задача 5 (рис.9). Вертикальная цилиндрическая цистерна с полусферической крышкой до самого верха заполнена жидкостью, плотность которой r. Диаметр цистерны D, высота ее цилиндрической части Н. Манометр М показывает

 

 


манометрическое давление р м. Определить силу, растягивающую болты А, и горизонтальную силу, разрывающую цистерну по сечению 11. Силой тяжести крышки пренебречь. Векторы сил показать на схеме.

Задача 6 (рис.10). Круглое отверстие между двумя резервуарами закрыто конической крышкой с размерами D и L. Закрытый резервуар заполнен водой, а открытый – жидкостью Ж. К закрытому резервуару сверху присоединен мановакуумметр МV, показывающий манометрическое давление р м или вакуум р в. Температура жидкостей 20°С, глубины h и H. Определить силу, срезывающую болты А, и горизонтальную силу, действующую на крышку. Силой тяжести крышки пренебречь. Векторы сил показать на схеме.

Задача 7 (рис.11). Цилиндрическая цистерна наполнена бензином, температура которого 20°С. Диаметр цистерны D, длина L. Глубина бензина в горловине h = 20 см, ее диаметр d = 30 см. Определить силы давления на плоские торцевые стенки А и В цистерны в двух случаях: 1) когда цистерна не движется; 2) при движении цистерны горизонтально с положительным ускорением а.

Задача 8 (рис.12). Открытый цилиндрический резервуар заполнен жидкостью Ж до высоты 0, 8 H. Диаметр резервуара D, температура жидкости 20°С. Определить: 1) объем жидкости, сливающейся из резервуара при его вращении с частотой n вокруг его вертикальной оси; 2) силу давления на дно резервуара и горизонтальную силу, разрывающую резервуар по сечению 11 при его вращении.

Задача 9 (рис.13). Цилиндрический сосуд диаметром D и высотой Н полностью заполнен водой, температура которой 20°С. Диаметр отверстия сверху равен d. Определить: 1) с какой предельной частотой можно вращать сосуд около его вертикальной оси, чтобы в сосуде осталось 75% первоначального объема воды; 2) силу давления на дно сосуда и горизонтальную силу, разрывающую сосуд по сечению 11 при его вращении с определенной частотой.

Задача 10 (рис.14). По сифонному трубопроводу длиной l жидкость Ж при температуре 20°С сбрасывается из отстойника А в отводящий канал Б. Какой должен быть диаметр d трубопровода (его эквивалентная шероховатость Dэ), чтобы обеспечить сбрасывание жидкости в количестве Q при напоре H? Трубопровод снабжен приемным клапаном с сеткой (zк), а плавные повороты имеют углы 45° и радиус округления R = 2 r. Построить пьезометрическую и напорную линии. Данные в соответствии с вариантом задания выбрать из табл.4.

 

 


Задача 11 (рис.15). Центробежный насос, перекачивающий жидкость Ж при температуре 20°С, развивает подачу Q. Определить допустимую высоту всасывания h в, если длина всасывающего трубопровода l, диаметр d, эквивалентная шероховатость Dэ, коэффициент сопротивления обратного клапана zк, а показание вакуумметра не превышало бы р 1.

Построить пьезометрическую и напорную линии. Данные в соответствии с вариантом задания выбрать из табл.4.

Задача 12 (рис.16). В баке А жидкость подогревается до температуры 50°С и самотеком по трубопроводу длиной l 1 попадает в производственный цех. Напор в баке А равен Н. Каким должен быть диаметр трубопровода, чтобы обеспечивалась подача жидкости в количестве Q при манометрическом давлении в конце трубопровода не ниже р м? Построить пьезометрическую и напорную линии. Данные для решения задачи в соответствии с вариантом задания выбрать из табл.4.

Задача 13 (рис.17). Из большого закрытого резервуара А, в котором поддерживается постоянный уровень жидкости, а давление на поверхности жидкости равно р 1, по трубопроводу, состоящему из двух последовательно соединенных труб, жидкость Ж при температуре 20°С течет в открытый резервуар Б. Разность уровней жидкости в резервуарах равна Н. Длина труб l 1 и l 2, диаметры d 1 и d 2, а эквивалентная шероховатость Dэ.

Определить расход Q жидкости, протекающей по трубопроводу. В расчетах принять, что местные потери напора составляют 20% от потерь по длине. Данные для решения задачи в соответствии с вариантом задания выбрать из табл.4.

Задача 14 (рис.18). Из большого закрытого резервуара А, в котором поддерживается постоянный уровень жидкости, а давление на поверхности ее равно p 1, по трубопроводу, состоящему из двух параллельно соединенных труб одинаковой длины l 1 но разных диаметров d 1 и d 2 (эквивалентная шероховатость Dэ), жидкость Ж при температуре 50°С течет в открытый резервуар Б. Разность уровней жидкости в резервуарах равна Н.

Определить расход Q жидкости, протекающей в резервуар Б. В расчетах принять, что местные потери напора составляют 20% от потерь по длине. Данные для решения задачи в соответствии с вариантом задания выбрать из табл.4.

Задача 15 (рис.19). Из большого резервуара А, в котором поддерживается постоянный уровень жидкости, по трубопроводу, состоящему из трех труб, длина которых l 1 и l 2, диаметры d 1 и d 2, а эквивалентная шероховатость Dэ, жидкость Ж

 

 


при температуре 20°С течет в открытый резервуар Б. Разность уровней жидкости в резервуарах равна Н.

Определить расход Q жидкости, протекающей в резервуар Б. В расчетах принять, что местные потери напора составляют 20% от потери по длине. Данные для решения задачи в соответствии с вариантом задания выбрать из табл.4.

Задача 16 (рис.20). В бак, разделенный перегородкой на два отсека, подается жидкость Ж в количестве Q. Температура жидкости 20°С. В перегородке бака имеется цилиндрический насадок, диаметр которого d, а длина l = 3 d. Жидкость из второго отсека через отверстие диаметром d 1 поступает наружу, в атмосферу. Определить высоты Н 1 и Н 2 уровней жидкости. Данные для решения задачи в соответствии с вариантом задания выбрать из табл.4.

Задача 17 (рис.21). В бак, разделенный перегородками на три отсека, подается жидкость Ж в количестве Q. Температура жидкости 20°С. В первой перегородке бака имеется коноидальный насадок, диаметр которого равен d, а длина l = 3 d; во второй перегородке бака – цилиндрический насадок с таким же диаметром d и длиной l = 3 d. Жидкость из третьего отсека через отверстие диаметром d 1 поступает наружу, в атмосферу. Определить Н 1, Н 2 и Н 3 уровней жидкости.

Задача 18 (рис.22). В бак, разделенный на две секции перегородкой, в которой установлен цилиндрический насадок диаметром d и длиной l = 4 d, поступает жидкость Ж в количестве Q при температуре 20°С. Из каждой секции жидкость самотеком через данные отверстия диаметром d вытекает в атмосферу.

Определить распределение расходов, вытекающих через левый отсек Q 1 и правый отсек Q 2, если течение является установившимся.

Задача 19 (рис.23). Шток силового гидроцилиндра Ц нагружен силой F и под действием давления р перемещается слева направо, совершая рабочий ход s за время t. Рабочая жидкость при этом из штоковой полости цилиндра сливается через дроссель ДР. Диаметры поршня и штока соответственно равны D п и D ш.

Определить необходимое давление р рабочей жидкости в левой части цилиндра и потребную подачу Q. Потери давления в дросселе D р д = 250 КПа. К.п.д. гидроцилиндра: объемный , механический .

Задача 20 (рис. 24). Рабочая жидкость – масло Ж, температура которого 50°С, из насоса подводится к гидроцилиндру Ц через дроссель ДР. Поршень цилиндра со штоком перемещается против нагрузки F со скоростью . Вытесняе-

 

 


мая поршнем жидкость со штоковой полости попадает в бак Б через сливную линию, длина которой равна l с, а диаметр равен d с.

Определить внешнюю силу F, преодолеваемую штоком при его движении. Давление на входе в дроссель определяется показанием манометра М, а противодавление в штоковой полости цилиндра – потерями давления в сливной линии Коэффициент расхода дросселя принять равным m = 0, 64, а диаметр отверстия дросселя d д. Диаметр поршня D п, а диаметр штока D ш. К.п. д. гидроцилиндра: объемный , механический .

Задача 21 (рис.25). Вал гидродвигателя Д, рабочий объем которого V 0, нагружен крутящим моментом М к. К двигателю подводится поток рабочей жидкости – масло Ж, температура которого 60°С, с расходом Q. К.п.д. гидродвигателя: объемный , гидромеханический .

Определить частоту вращения вала гидродвигателя и показание манометра М, установленного непосредственно перед двигателем, если потери давления в обратном клапане К об составляет D р кл = 15, 0 КПа. Длина сливной линии равна l c, а диаметр d с. Эквивалентная шероховатость Dэ = 0, 05 мм.

Задача 22 (рис.26). Центробежный насос, характеристика которого задана (табл.2), подает воду на геометрическую высоту H г. Температура подаваемой воды T = 20°C. Трубы всасывания и нагнетания соответственно имеют диаметр d в и d н, а длину l в и l н. Эквивалентная шероховатость Dэ = 0, 06 мм. Избыточное давление в нагнетательном резервуаре в процессе работы насоса остается постоянным и равно р 0.

При построении характеристики насосной установки из местных гидравлических сопротивлений учесть плавные повороты труб с радиусами R = 2 d, сопротивление задвижки с коэффициентом местного сопротивления zз и вход в резервуар.

Найти рабочую точку при работе насоса на сеть. Определить, как изменяются напор и мощность насоса при уменьшении задвижкой подачи воды на 20%.

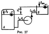
Задача 23 (рис.27). Центробежный насос, характеристика которого задана в условии (табл.3), работает в системе, перекачивая воду, температура которой T = 40°С,

 

 


из закрытого резервуара А в открытый резервуар Б. Стальные трубы всасывания и нагнетания соответственно имеют диаметр d в и d н, длину l в и l н, а их эквивалентная шероховатость Dэ = 0, 1 мм. Перепад горизонтов в резервуарах равен H г, а избыточное давление в резервуаре А равно р 0.

Найти рабочую точку при работе насоса в установке (определить напор, подачу и мощность на валу насоса).

При построении характеристики насосной установки местные гидравлические сопротивления учесть в крутых поворотах и при входе нагнетательного трубопровода в резервуар.

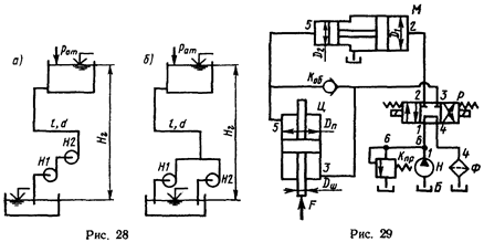
Задача 24. Два последовательно (рис.28, а) или параллельно (рис.28, б) соединенных центробежных насоса установлены близко один от другого, работают на один длинный трубопровод длиной l и диаметром d. Геометрический напор установки H г в процессе работы остается неизменным.

Найти рабочую точку при работе насосов на трубопровод. Определить мощность каждого из насосов, если они перекачивают воду, температура которой 20°С. Эквивалентная шероховатость трубопроводов Dэ = 0, 50 мм. Так как насосы находятся близко один от другого, а трубопровод длинный, сопротивлением всасывающих и соединяющих насосы трубопроводов можно пренебречь.

Характеристики указанных в таблице вариантов насосов приведены в приложении.

Таблица 2

Q, л/с 0, 0 0, 30 0, 50 0, 70 0, 90 1, 10 1, 30 1, 50 1, 70 1, 90
H, м 12, 0 11, 7 11, 5 11, 2 10, 8 10, 2 9, 30 8, 10 6, 00 1, 80
h, % 0, 0 34, 0 50, 0 60, 0 65, 0 69, 0 70, 0 68, 0 62, 0 51, 0

 

Задача 25 (рис.29). В установке гидравлического пресса насос Н засасывает рабочую жидкость – масло Ж, температура которого 55°С, из бака Б и через трехпозиционный распределить Р нагнетает ее в пресс. При прессовании по трубопроводу 2 жидкость подается в правую сторону мультипликатора М. При возвращении подвижного инструмента пресса в исходное верхнее положение жидкость подается по трубопроводу 3 в рабочий гидроцилиндр Ц. При движении поршня гидроцилиндра вверх через трубопровод 5 мультипликатор М заправляется. Объемные потери жидкости при этом компенсируются насосом через обратный клапан К об.

Определить полезную мощность силового гидроцилиндра Ц при его рабочем ходе (при движении поршня вниз), если создаваемое насосом давление р н, а подача Q н. Диаметр поршня D п, штока D ш. К.п.д. гидроцилиндра: механический , объемный . Диаметр поршня подвижного элемента мультипликатора: большого D 1, малого D 2. К.п.д. мультипликатора (механический и объемный) можно принять равным единице. Размеры трубопроводов следующие: длина участков l, диаметры d 1 = d 2 и d 3 = d 4. Эквивалентная шероховатость гидролиний Dэ.

 

 


Таблица 3

Q, л/с 0, 0 1, 0 2, 0 3, 0 4, 0 5, 0 6, 0 7, 0 8, 0
H, м 13, 0 14, 0 14, 3 14, 0 13, 1 11, 8 10, 0 5, 5 4, 0
h, % 0, 0 27, 0 40, 0 50, 0 58, 0 62, 0 60, 0 51, 0 35, 0

 

Задача 26 (рис.30). Насос Н гидросистемы продольной подачи рабочего стола металлорежущего станка нагнетает рабочую жидкость – масло Ж, температура которой Т °С, через распределитель Р в силовой гидроцилиндр Ц, шток которого нагружен силой F. Диаметр поршня гидроцилиндра D п, штока D ш. К.п.д. гидроцилиндра: механический , объемный . Длина участков трубопровода l. Диаметры напорных и сливных гидролиний одинаковы и равны d. Эквивалентную шероховатость гидролиний принять Dэ = 0, 06 мм. Местные сопротивления в гидросистеме принять лишь в распределителе Р.

Определить скорость перемещения рабочего стола вправо (I позиция распределителя Р), если характеристика насоса с переливным клапаном Q н = f (р н) задана:

Q м, л/с 0, 00 1, 50 1, 65

p м, МПа 4, 00 3, 00 0, 00

Задача 27 (рис.31). В гидроприводе вращательного движения рабочая жидкость – масло Ж, температура которого Т °С, из бака Б нагнетается регулируемым насосом Н через распределитель Р в гидромотор. Рабочий объем гидромотора V 0, а частота вращения n. К.п.д. гидромотора: объемный , гидромеханический . Развиваемый гидромотором крутящий момент М к.

Номинальные потери в распределителе при номинальном расходе Q ном составляют D p ном = 250 КПа. Длина каждого из участков стальных гидролиний равна l, диаметры всех линий равны d. Эквивалентная шероховатость Dэ = 0, 075 мм. Местные сопротивления в гидросистеме, кроме распределителя, принять в плавных поворотах гидролиний и в штуцерных их присоединениях. Коэффициент сопротивления одного штуцера принять равным zш = 0, 60.

Определить необходимую подачу насоса и к.п.д. гидропривода, если к.п.д. насоса равен hн.

Задача 28 (рис.32). Насос Н нагнетает рабочую жидкость – масло Ж, температура которой Т = 55 °С, через распределитель Р в гидродвигатель Д, вал

 

 


 

Таблица 4 Вторая буква фамилии э, ю, я 1, 75 32, 5 Турбин­ ное   0, 9 Инду­стриаль­ное 30 8, 50 1, 9 – 4, 26 0, 96 1, 63 0, 93
ш, щ, ъ, ы, ь 2, 06 39, 5 Инду­стриаль­ное 30 0, 5 Транс­форма­торное 1, 65 1, 4 13, 2 – 1, 00 1, 80 0, 65
х, ц, ч 4, 08 21, 0 Веретен­ное АУ   0, 6 АМГ-10     6, 10 2, 1 0, 00 – 1, 20 2, 30 0, 85
т, у, ф 24, 6 5, 5 Касто­ровое   1, 2 Инду­стриаль­ное 20 15, 5 2, 8 – 8, 45 0, 82 1, 45 1, 50
п, р, с 1, 72 32, 0 Инду­стриаль­ное 20 0, 9 Веретен­ное АУ   3, 30 1, 7 7, 66 – 0, 68 1, 10 1, 15
м, н, о 1, 48 19, 9 АМГ-10     0, 4 Инду­стриаль­ное 12 2, 65 1, 1 – 3, 42 1, 10 1, 75 0, 95
й, к, л 2, 08 45, 0 Транс­форма­торное 0, 5 Турбин­ ное   4, 50 1, 5 4, 68 – 0, 90 1, 67 0, 52
ж, з, и 1, 67 38, 5 Инду­стриаль­ное 50 1, 1 Инду­стриаль­ное 30 9, 20 2, 2 – 2, 85 0, 86 1, 42 0, 76
г, д, е 1, 95 11, 0 Турбин­ ное   0, 7 Касто­ ровое   1, 35 0, 8 0, 00 – 1, 40 2, 65 1, 65
а, б, в 1, 58 40, 5 Инду­стриаль­ное 12 0, 4 Инду­стриаль­ное 50 3, 3 11, 4 – 0, 94 1, 70 0, 96
Величина и ее единица a, 10-6 1/°С Е, 109 Па T, °C Масло     а, мм b, мм c, мм d, мм r, кг/м3 Масло     M, Н× м d, мм D, мм L, мм p м, КПа p в, КПа D, м b, м H, м
№ задачи        

 


 

Продолжение табл. 4 Вторая буква фамилии э, ю, я 1, 90 3, 80 14, 2 Глицерин   1, 50 1, 75 16, 2 – 1, 72 3, 20 5, 20 Керосин Т-1   1, 30 1, 64 1, 43  
ш, щ, ъ, ы, ь 2, 20 4, 50 16, 2 Нефть легкая 1, 10 1, 40 – 25, 6 1, 20 2, 40 3, 26 Вода     1, 70 1, 60 1, 85  
х, ц, ч 1, 60 3, 20 0, 00 Керосин Т-2 1, 82 2, 25 37, 5 – 1, 46 2, 64 6, 70 Нефть тяжелая   1, 10 1, 45 1, 72  
т, у, ф 2, 10 4, 30 21, 4 Нефть тяжелая 1, 69 1, 90 – 37, 7 1, 52 2, 84 7, 75 Глицерин     1, 26 1, 80 1, 41  
п, р, с 2, 60 4, 80 26, 7 Дизельное топливо 1, 40 1, 60 0, 00 – 1, 68 3, 06 9, 81 Дизельное топливо   1, 30 2, 35 1, 75  
м, н, о 1, 80 3, 40 0, 00 Бензин   2, 15 2, 75 – 28, 9 1, 74 3, 26 4, 37 Вода     1, 00 2, 00 1, 69  
й, к, л 2, 00 3, 70 19, 1 Глицерин   2, 10 2, 60 27, 9 – 1, 82 3, 48 5, 86 Бензин     1, 20 2, 80 2, 10  
ж, з, и 2, 80 5, 30 0, 00 Дизельное топливо 1, 48 1, 70 0, 00 – 1, 90 3, 68 6, 25 Трансфор­маторное масло 1, 40 2, 45 2, 00  
г, д, е 1, 70 3, 00 18, 6 Керосин Т-1 1, 96 2, 35 – 24, 1 2, 10 3, 80 8, 43 Нефть легкая   1, 28 1, 55 1, 32  
а, б, в 2, 40 4, 10 32, 3 Бензин   2, 40 3, 20 0, 00 – 2, 24 4, 08 7, 20 Глицерин     1, 16 1, 60 1, 38  
Величина и ее единица D, м H, м p м, КПа r, кг/м3 Ж   D, мм L, мм h, м H, м p м, КПа p в, КПа D, м L, м а, м/с2 Ж     D, м H, м n, 1/с D, см H, см d, см
№ задачи          

 


 

Продолжение табл. 4 Вторая буква фамилии э, ю, я Дизельное топливо 2, 7 4, 50 14, 7 0, 070 67, 0 17, 0 7, 9 Вода   4, 50 9, 9 7, 5 28, 0 0, 045 Керосин Т-1 2, 8 35, 0 35, 0
ш, щ, ъ, ы, ь Керосин Т-2 2, 1 5, 00 14, 8 0, 045 79, 0 29, 0 7, 7 Бензин   4, 70 9, 7 7, 3 29, 6 0, 120 Вода   3, 5 30, 0 30, 0
х, ц, ч Керосин Т-1 1, 9 4, 80 14, 1 0, 120 75, 6 25, 6 7, 4 Дизельное топливо 4, 90 9, 6 6, 8 31, 0 0, 065 Керосин Т-1 3, 2 25, 0 25, 0
т, у, ф Вода   3, 4 4, 60 13, 7 0, 070 73, 0 23, 0 6, 5 Керосин Т-1 5, 30 9, 2 7, 1 38, 0 0, 045 Вода   2, 9 20, 0 15, 0
п, р, с Нефть легкая 3, 1 4, 20 13, 3 0, 060 69, 0 19, 0 6, 6 Вода   5, 60 8, 9 7, 4 41, 0 0, 035 Керосин Т-1 3, 4 15, 0 10, 0
м, н, о Бензин   2, 6 3, 80 12, 6 0, 050 66, 2 16, 2 6, 8 Дизельное топливо 5, 80 8, 7 7, 7 37, 2 0, 060 Вода   3, 1 10, 0 13, 0
й, к, л Дизельное топливо 2, 3 5, 10 14, 0 0, 030 63, 0 13, 0 7, 2 Керосин Т-1 6, 20 9, 0 8, 1 35, 0 0, 050 Керосин Т-2 2, 7 15, 0 15, 0
ж, з, и Керосин Т-2 1, 7 4, 70 13, 2 0, 120 68, 0 18, 0 7, 0 Вода   6, 80 9, 3 8, 3 32, 6 0, 030 Вода   2, 4 20, 0 18, 0
г, д, е Керосин Т-1 1, 4 4, 30 12, 8 0, 070 72, 0 22, 0 6, 4 Дизельное топливо 6, 40 9, 7 6, 1 27, 0 0, 060 Керосин Т-1 2, 2 25, 0 25, 0
а, б, в Вода   1, 2 4, 00 12, 0 0, 060 78, 2 28, 2 6, 0 Керосин Т-2 6, 00 10, 0 6, 0 24, 2 0, 070 Вода   1, 9 30, 0 20, 0
Величина и ее единица Ж   Q, л/с H, м l, м D э, мм d, мм p 1, КПа p м, КПа zк Ж   H, м l 1, м l 2, м d 1, мм d 2, мм p 1, КПа D э, мм Ж   Q, л/с d, мм d 1, мм F, КН s, мм t, с D п, мм D ш, мм
№ задачи 10, 11, 13, 14, 16, 17,  

 


 

Продолжение табл. 4 Вторая буква фамилии э, ю, я Транс­форма­торное 7, 00 2, 00 1, 60 15, 0 0, 82 Транс­форма­торное 50, 0 10, 0 0, 83 2, 20 5, 50 10, 0 30, 0 0, 0 0, 75
ш, щ, ъ, ы, ь Турбин­ ное   6, 50 2, 10 1, 70 11, 5 0, 84 Турбин­ ное   40, 0 10, 0 0, 82 2, 40 5, 00 5, 00 29, 0 5, 0 0, 65
х, ц, ч Инду­стриаль­ное 50 6, 00 2, 20 1, 80 8, 50 0, 86 Инду­стриаль­ное 50 35, 0 15, 0 0, 81 2, 50 4, 50 4, 50 25, 0 10, 00 0, 70
т, у, ф Инду­стриаль­ное 30 5, 50 2, 30 1, 90 6, 30 0, 88 Инду­стриаль­ное 30 30, 0 20, 0 0, 80 2, 70 4, 00 5, 00 22, 0 20, 0 0, 60
п, р, с Инду­стриаль­ное 20 5, 00 2, 40 2, 00 4, 50 0, 90 Инду­стриаль­ное 20 28, 0 25, 0 0, 90 2, 80 3, 50 6, 50 20, 0 25, 0 0, 55
м, н, о Инду­стриаль­ное 12 4, 50 2, 90 1, 90 4, 70 0, 91 Инду­стриаль­ное 12 26, 0 30, 0 0, 89 2, 90 3, 00 6, 00 17, 0 30, 0 0, 50
й, к, л Веретен­ное АУ   4, 00 2, 80 1, 80 4, 90 0, 92 Веретен­ное АУ   24, 0 35, 0 0, 88 3, 10 2, 50 5, 50 15, 0 35, 0 0, 45
ж, з, и АМГ-10     3, 50 2, 70 1, 70 5, 50 0, 93 АМГ-10     22, 0 40, 0 0, 87 3, 30 2, 00 5, 00 18, 0 40, 0 0, 40
г, д, е Транс­форма­торное 3, 00 2, 60 1, 60 7, 00 0, 94 Турбин­ ное   20, 0 45, 0 0, 86 3, 20 1, 50 4, 00 9, 50 50, 0 0, 35
а, б, в Касто­ровое   2, 00 2, 50 1, 50 7, 00 0, 95 Транс­форма­торное 18, 0 50, 0 0, 85 3, 00 0, 0 4, 50 10, 0 25, 0 0, 30
Величина и ее единица Ж     u п, см/с l, м d c, мм p м, МПа d д, мм D п, мм D ш, мм hм Ж     Q, л/мин V 0, см3 M к, Н× м hгм l с, м d с, мм H г, м l в, м l н, м d в, мм d н, мм p 0, КПа z з
№ задачи      

 


 

Продолжение табл. 4 Вторая буква фамилии э, ю, я 12, 00 20, 0 13, 0 50, 0 Параллель­но 48, 0 Транс­форма­торное 1, 60 2, 20 2, 00 0, 013
ш, щ, ъ, ы, ь –1, 50 –25, 0 15, 0 45, 0 Параллель­но 25, 5 Веретен­ное АУ   63, 0 1, 00 2, 80 1, 75 0, 080
х, ц, ч 12, 50 60, 0 17, 0 40, 0 Последова­тельно 39, 0 Веретен­ное АУ   50, 0 1, 60 1, 80 2, 20 0, 10
т, у, ф 13, 00 50, 0 19, 0 35, 0 Последова­тельно 67, 0 Инду­стриаль­ное 20 3, 20 10, 0 2, 00 1, 80 0, 040
п, р, с 0, 0 15, 0 20, 0 30, 0 Параллель­но 20, 0 Турбин­ ное   5, 00 16, 0 1, 90 2, 00 0, 050
м, н, о 6, 00 0, 0 18, 0 25, 0 Параллель­но 50, 0 Инду­стриаль­ное 30 8, 00 16, 0 3, 00 1, 50 0, 040
й, к, л –2, 00 10, 0 16, 0 30, 0 Последова­тельно 42, 0 Инду­стриаль­ное 12 12, 5 12, 5 2, 50 1, 40 0, 05
ж, з, и 5, 00 10, 0 14, 0 35, 0 Последова­тельно 65, 0 Инду­стриаль­ное 50 16, 0 6, 3 2, 40 1, 60 0, 075
г, д, е 14, 00 80, 0 12, 0 40, 0 Параллель­но 10, 0 АМГ-10     25, 0 4, 0 2, 40 1, 80 0, 070
а, б, в 0, 0 0, 0 10, 0 45, 0 Параллель­но 12, 0 АМГ-10     32, 0 2, 50 2, 50 2, 00 0, 060
Величина и ее единица H г, м p 0, КПа l в, м l н, м d в, мм d н, мм № Н1 № Н2 Способ соединения H г, м l, м d, мм Ж     Q н, л/мин P н, МПа D п, мм D ш, мм D 1, мм D 2, мм l 1 = l 2, м l 3 = l 4, м d 1 = d 2, мм d 3 = d 4, мм D э, мм
№ задачи      

 


 

Продолжение табл. 4 Вторая буква фамилии э, ю, я АМГ-10     70, 0 1, 60 1, 40 2, 30 Транс­форма­торное 10, 0 1, 60 0, 60 Веретен­ное АУ   6, 3 4, 00
ш, щ, ъ, ы, ь Транс­форма­торное 60, 0 1, 70 1, 20 2, 40 Веретен­ное АУ   15, 0 2, 0 12, 5 1, 70 0, 85 Транс­форма­торное 6, 3 5, 70
х, ц, ч Инду­стриаль­ное 50 50, 0 1, 80 1, 30 2, 40 АМГ-10     20, 0 2, 0 12, 5 1, 80 0, 85 Турбин­ ное   6, 3 8, 00
т, у, ф Инду­стриаль­ное 12 35, 0 1, 90 1, 10 2, 35 Транс­форма­торное 25, 0 3, 00 16, 0 1, 90 0, 80 Инду­стриаль­ное 50 6, 3 11, 4
п, р, с Инду­стриаль­ное 30 25, 0 2, 0 1, 2 2, 30 Инду­стриаль­ное 50 30, 0 4, 00 2, 0 0, 73 Инду­стриаль­ное 30 30, 0 2, 50 9, 10
м, н, о Инду­стриаль­ное 20 20, 0 1, 90 1, 10 2, 25 Инду­стриаль­ное 12 40, 0 5, 00 1, 90 0, 76 Инду­стриаль­ное 20 20, 0 2, 50 6, 90
й, к, л Турбин­ ное   14, 0 1, 80 1, 35 2, 20 Инду­стриаль­ное 30 50, 0 6, 00 1, 80 0, 74 Инду­стриаль­ное 12 15, 0 2, 50 4, 70
ж, з, и Веретен­ное АУ   10, 0 1, 70 1, 30 2, 15 Инду­стриаль­ное 20 60, 0 7, 00 1, 70 0, 70 Веретен­ное АУ   8, 00 2, 50 3, 25
г, д, е Веретен­ное АУ   8, 00 1, 60 1, 25 2, 10 Турбин­ ное   80, 0 8, 00 1, 60 0, 84 АМГ-10     12, 0 12, 3 2, 50 2, 25
а, б, в Транс­форма­торное 5, 00 1, 50 1, 20 2, 00 Веретен­ное АУ   10, 0 1, 50 0, 65 Транс­форма­торное 20, 0 2, 50 6, 60
Величина и ее единица Ж     F, КН D п, мм D ш, мм T, °C l 1, м l 2 = l 3, м l 4, м d, мм Ж     M к, Н× м V 0, см3 n, c-1 Q ном, л/мин l, м d, мм hн Ж     M к, Н× м V 0, см3 Q ном, л/мин p ном, МПа S д, мм2 d, мм
№ задачи      

 


которого нагружен крутящим моментом М к. Рабочий объем гидромотора равен V 0. К.п.д. гидромотора: объемный , гидромеханический .

Номинальное давление работающего в гидроприводе насоса р ном, номинальный расход Q ном, а объемный его
к. п. д. равен . Потери давления в распределителе D р р = 20, 0 КПа. Остальные местные потери давления в системе составляют 30% потерь давления на трение по длине.

Площадь проходного сечения параллельно насосу установленного дросселя ДР равна S д, а его коэффициент расхода mд = 0, 60. Длину каждого пронумерованного участка гидролинии принять равной l = 150 d, где d – внутренний диаметр гидролинии. Эквивалентная шероховатость Dэ = 0, 050 мм,

Решая задачу графоаналитическим способом, определить развиваемое насосом давление р н и частоту вращения вала гидромотора n м, считая, что предохранительный клапан не открывается.


Поделиться с друзьями:

mylektsii.su - Мои Лекции - 2015-2026 год. (0.448 сек.)Все материалы представленные на сайте исключительно с целью ознакомления читателями и не преследуют коммерческих целей или нарушение авторских прав Пожаловаться на материал