Студопедия

Главная страница Случайная страница

КАТЕГОРИИ:

АвтомобилиАстрономияБиологияГеографияДом и садДругие языкиДругоеИнформатикаИсторияКультураЛитератураЛогикаМатематикаМедицинаМеталлургияМеханикаОбразованиеОхрана трудаПедагогикаПолитикаПравоПсихологияРелигияРиторикаСоциологияСпортСтроительствоТехнологияТуризмФизикаФилософияФинансыХимияЧерчениеЭкологияЭкономикаЭлектроника






Обмотки.






Обмотка силового трансформатора

Силовой трансформатор с масляным охлаждением

Сухой силовой трансформатор

Регулятор напряжения силового трансформатора

Вводы силового трансформатора

Обмотки силовых трансформаторов различаются по следующим признакам:

  • Тип;
  • Количество витков;
  • Поперечное сечение и марка провода;
  • Направлением намотки;
  • Изоляционными расстояниями;
  • Толщиной витковой изоляции.

Чем больше напряжение силового трансформатора, тем больше количество витков. С увеличением мощности возрастают сечения проводов и размеры обмоток.

Для уменьшения потерь электроэнергии, выделяющихся в силовом трансформаторе в виде тепла, должны быть выбраны достаточно малыми активные сопротивления обмоток, т. е. возможно большие сечения витков обмоток, возможно меньшие длины витков и возможно меньшие электрические удельные сопротивления проводов и обмоток. Поэтому провода обмоток изготавливают из меди, обладающей наименьшим удельным электрическим сопротивлением, и в редких случаях из алюминия, удельное сопротивление которого примерно на 70% больше.

Для обмоток мощных силовых трансформаторов, как правило, применяют провод прямоугольного поперечного сечения с бумажной изоляцией. При больших токах применяются подразделенный провод, состоящий из нескольких параллельно расположенных ветвей, и транспонированный провод, т.е. многожильный провод с перекладкой отдельных жил.

Различают следующие типы обмоток силовых трансформаторов: однослойные, двухслойные и многослойные. Тип обмотки зависит от габарита силового трансформатора.

Однослойные – обмотки, намотанные в один слой. Двухслойные цилиндрические - две обмотки, разделенные между собой каналом и соединенные переходом. Однослойную и двухслойную обмотки обычно применяют в качестве обмотки низшего напряжения в силовых трансформаторах I и II габаритов, используя при этом провод круглого сечения.

Многослойная цилиндрическая обмотка – остовом для обмотки служит цилиндр, наматывается проводом круглого сечения. Используется в качестве обмотки высшего напряжения в силовых трансформаторах I и II габаритов.

Непрерывная катушечная обмотка – состоит из плоских спиральных катушек, переход из катушки в катушку осуществляется без разрыва с помощью особых технологических приемов по перекладке проводов в каждой четной по счету катушке. Применяются в силовых трансформаторах класса напряжения 110кВ в качестве обмоток высшего, среднего и низшего напряжения, а также в силовых трансформаторах класса 220кВ в качестве обмоток среднего и высшего напряжения.

Переплетенная обмотка – обмотка, в которой витки переплетаются. Требует использование обмоточных проводов высокого качества поверхности или усиления витковой изоляции. Применяется в силовых трансформаторах 500кВ и выше.

Винтовая обмотка – витки следуют друг за другом по винтовой линии и каждый из них составлен из нескольких концентрически расположенных параллельных проводов. Такие обмотки имеют сравнительно небольшое количество витков, их изготавливают на большие токи и применяют главным образом в силовых трансформаторах III-VIII габаритов.

Трансформаторы напряжения

 

Трансформатор напряжения предназначен для понижения высокого напряжения до стандартного значения 100 или 100/v3 В и для отделения цепей измерения и релейной защиты от первичных цепей высокого напряжения. Схема включения однофазного трансформатора напряжения показана на рис.; первичная обмотка включена на напряжение сети U1, а к вторичной обмотке (напряжение U2) присоединены параллельно катушки измерительных приборов и реле. Для безопасности обслуживания один выход вторичной обмотки заземлен. Трансформатор напряжения в отличие от трансформатора тока работает в режиме, близком к холостому ходу, так как сопротивление параллельных катушек приборов и реле большое, а ток, потребляемый ими, невелик.

Принцип действия[править | править вики-текст]

Измерительный трансформатор напряжения по принципу выполнения мало отличается от силового понижающего трансформатора. Он состоит из стального сердечника, набранного из пластин листовой электротехнической стали, первичной обмотки и одной или двух вторичных обмоток. В результате изготовления должен быть достигнут необходимый класс точности: по амплитуде и углу. Трехфазные трансформаторы напряжения с выведенными нулевыми выводами выполняются на пятистержневом магнитопроводе, чтобы при коротком замыкании на стороне высокого напряжения суммарный магнитный поток замыкался по стали сердечника (при замыкании по воздуху возникает большой ток, приводящий к перегреву трансформатора). Трёхфазные трансформаторы с трёхстрежневым магнитороводом исходя из вышеуказанных причин не имеют внешних нулевых выводов и не применяются для регистрации «замыканий на землю». Чем меньше нагружена вторичная обмотка трансформатора напряжения (т.е. чем ближе режим к режиму холостого хода либо, другими словами, чем больше сопротивление цепи вторичной обмотки), тем фактический коэффициент трансформации Кт ближе к номинальному значению. Это особенно важно при подключении ко вторичной цепи измерительных приборов, так как коэффициент трансформации влияет на точность измерений. В зависимости от нагрузки один и тот же трансформатор напряжения может работать в разных классах точности: 0, 5; 1; 3.

Виды трансформаторов напряжения[править | править вики-текст]

· Заземляемый трансформатор напряжения — однофазный трансформатор напряжения, один конец первичной обмотки которого должен быть наглухо заземлён, или трёхфазный трансформатор напряжения, нейтраль первичной обмотки которого должна быть наглухо заземлена (трансформатор с ослабленной изоляцией одного из выводов - однофазный ТН типа ЗНОМ или трёхфазные ТН типа НТМИ и НАМИ).

· Незаземляемый трансформатор напряжения — трансформатор напряжения, у которого все части первичной обмотки, включая зажимы, изолированы от земли до уровня, соответствующего классу напряжения.

· Каскадный трансформатор напряжения — трансформатор напряжения, первичная обмотка которого разделена на несколько последовательно соединённых секций, передача мощности от которых к вторичным обмоткам осуществляется при помощи связующих и выравнивающих обмоток.

· Ёмкостный трансформатор напряжения — трансформатор напряжения, содержащий ёмкостный делитель.

· Двухобмоточный трансформатор — трансформатор напряжения, имеющий одну вторичную обмотку напряжения.

· Трёхобмоточный трансформатор напряжения — трансформатор напряжения, имеющий две вторичные обмотки: основную и дополнительную.

Применение[править | править вики-текст]

При наличии нескольких вторичных обмоток в трехфазной системе основные соединяются " в звезду", образуя выходы фазных напряжений a, b, c и общую нулевую точку о, которая обязательно должна заземляться для предотвращения последствий пробоя изоляции со стороны первичной обмотки (на практике чаще всего заземляется фаза " b" обмотки НН трансформатора напряжения). Дополнительные обмотки обычно соединяются по схеме " разомкнутый треугольник" с целью контроля напряжения нулевой последовательности. В нормальном режиме это напряжение находится в пределах 1 - 3 В за счет погрешности обмоток, резко возрастая при аварийных ситуациях в цепях высокого напряжения, что дает возможность простого подключения быстродействующих устройств релейной защиты и автоматики (для цепей с изолированной нейтралью - обычно на сигнал). Для регистрации земли в сети необходимо заземление нулевого вывода обмотки ВН трансформатора напряжения (для прохождения гармоник нулевой последовательности).

трансформаторы тока

 

Трансформатор тока предназначен для уменьшения первичного тока до значений, наиболее удобных для измерительных приборов и реле, а также для отделения цепей измерения и защиты от первичных цепей высокого напряжения.

Классификация трансформаторов тока[править | править вики-текст]

Трансформаторы тока классифицируются по различным признакам:

1. По назначению:

· измерительные;

· защитные;

· промежуточные (для включения измерительных приборов в токовые цепи релейной защиты, для выравнивания токов в схемах дифференциальных защит и т. д.);

· лабораторные (высокой точности, а также со многими коэффициентами трансформации).

2. По роду установки:

· для наружной установки (в открытых распределительных устройствах);

· для внутренней установки;

· встроенные в электрические аппараты и машины: выключатели, трансформаторы, генераторы и т. д.;

· накладные — надевающиеся сверху на проходной изолятор (например, на высоковольтный ввод силового трансформатора);

· переносные (для контрольных измерений и лабораторных испытаний).

3. По конструкции первичной обмотки:

· многовитковые (катушечные, с петлевой обмоткой и с т. н. «восьмёрочной обмоткой»);

· одновитковые (стержневые);

· шинные.

4. По способу установки:

· проходные;

· опорные.

5. По выполнению изоляции:

· с сухой изоляцией (фарфор, бакелит, литая эпоксидная изоляция и т. д.);

· с бумажно-масляной изоляцией и с конденсаторной бумажно-масляной изоляцией;

· газонаполненные (элегаз);

· с заливкой компаундом.

6. По числу ступеней трансформации:

· одноступенчатые;

· двухступенчатые (каскадные).

7. По рабочему напряжению:

· на номинальное напряжение свыше 1000 В;

· на номинальное напряжение до 1000 В.

8. Специальные трансформаторы тока:

· нулевой последовательности;

· пояс Роговского.

Трансформаторы токашироко используются для измерения электрического тока и в устройствах релейной защиты электроэнергетических систем, в связи с чем на них накладываются высокие требования по точности. Трансформаторы тока обеспечивают безопасность измерений, изолируя измерительные цепи от первичной цепи с высоким напряжением, часто составляющим сотни киловольт. К трансформаторам тока предъявляются высокие требования по точности. Как правило, трансформатор тока выполняют с двумя и более группами вторичных обмоток: одна используется для подключения устройств защиты, другая, более точная — для подключения средств учёта и измерения (например, электрических счётчиков).

 


В релейной защите очень важен такой элемент, как трансформатор тока. Он работает как датчик и распределяет по цепям защиты ток из сети. Через трансформатор идут данныек измерительным частям релейной защиты.

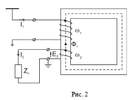
К силовой цепи последовательно присоединяется первичная обмотка трансформатора. На сопротивление же нагрузки ZH (последовательно включённые приборы и реле) замыкается вторичная обмотка.

Передаваемый по обмотке ток I 1, формирует магнитный поток Ф 1=I 1. В результате этого во вторичной обмотке создаётся так называемая электродвижущая сила Е 2 (ЭДС Е 2). По обмотке в это время идёт ток I 2. В заводских источниках трансформаторы тока определяют по номинальному коэффициенту трансформации. Без учёта потерь, n в = n т.

На самом деле ток I 2 различается со значением по расчёту. Некоторое количество тока I 1 уходит чтобы сформировать намагничивающий поток.

Если вторичную обмотку вдруг разомкнуть, случится резкое возрастание в магнитопроводе магнитного потока. Произойдёт расплавление магнитопровода. Кроме того, высокое напряжение станет и на разомкнутой второй обмотке, его значение будет достигать десятков киловольт.

Для второй обмотки необходимо заземление. Если вдруг будет пробита изоляция, то случится короткое замыкание. В этой ситуации трансформатор, вышедший из строя, будет отключен защитной аппаратурой. Поэтому, в целях техники безопасности, вторичная обмотка заземляется.

В работе трансформаторов причиной сбоя может стать ток намагничивания.

 

Очень большие погрешности способствуют некорректным реакциям релейной защиты. Ток намагничивания по этой причине стараются сделать намного меньше.

 


Поделиться с друзьями:

mylektsii.su - Мои Лекции - 2015-2026 год. (3.279 сек.)Все материалы представленные на сайте исключительно с целью ознакомления читателями и не преследуют коммерческих целей или нарушение авторских прав Пожаловаться на материал