Студопедия

Главная страница Случайная страница

КАТЕГОРИИ:

АвтомобилиАстрономияБиологияГеографияДом и садДругие языкиДругоеИнформатикаИсторияКультураЛитератураЛогикаМатематикаМедицинаМеталлургияМеханикаОбразованиеОхрана трудаПедагогикаПолитикаПравоПсихологияРелигияРиторикаСоциологияСпортСтроительствоТехнологияТуризмФизикаФилософияФинансыХимияЧерчениеЭкологияЭкономикаЭлектроника






Виды систем охлаждения и принцип их работы






Тема 2.4.Система охлаждения.

Вопросы: Назначение системы охлаждения. Способы охлаждения. Охлажда­ющие жидкости и требования к ним. Перегрев и переохлаждение дви­гателя. Тепловой режим двигателя и контроль за температурой охлаж­дающей жидкости. Способы поддержания постоянного теплового ре­жима двигателей.

Устройство и работа приборов системы охлаждения двигателя. На­значение, устройство, расположение и работа приборов систем охлаж­дения изучаемых двигателей.

Характерные неисправности системы охлаждения, их признаки, причины и способы устранения.

 

 

Метод занятия: рассказ, беседа.

 

Время: 1 час

ХОД ЗАНЯТИЯ

 

1ВВОДНАЯ ЧАСТЬ

-проверяю наличие личного состава

-довожу тему и учебные вопросы

 

2. ОСНОВНАЯ ЧАСТЬ.

 

СИСТЕМЫ ОХЛАЖДЕНИЯ

Виды систем охлаждения и принцип их работы

На современных двигателях внутреннего сгорания приме­няют жидкостное или воздушное охлаждение. На отечествен­ных автомобильных двигателях, используемых на военной ав­томобильной технике, широкое распространение получили жидкостные системы с принудительной циркуляцией охлаж­дающей жидкости. В качестве охлаждающей жидкости при­меняется вода или её этиленгликолевые смеси - антифризы и тосолы.

Принципиальные схемы жидкостных систем охлаждения двигателей показаны на рис.5.1. В зависимости от теплового состояния двигателя циркуляция жидкости в системе проис­ходит по большому или малому кругу (рис.5.1, а) и обеспечивается насосом 8, который приводится в действие шкивом 18, соединённым клиноремённой передачей со шкивом коленча­того вала. При нормальном тепловом режиме работы двига­теля охлаждающая жидкость циркулирует по большому кру­гу. При этом клапан термостата 10 открыт и жидкость через патрубок 11 подаётся к верхнему бачку 13 радиатора 16, отку­да по трубкам сердцевины радиатора она поступает в нижний его бачок 20 (направление движения жидкости показано стрелками). Жидкость, проходящая через радиатор, охлаждается воздухом, подаваемым под напором вентилятором 19, и пото­ком воздуха, возникающего при движении автомобиля и регу­лируемым при помощи жалюзи 17. Охлажденная жидкость через нижний патрубок 22 радиатора подается снова к насосу 8 и далее в рубашку охлаждения 7 блока и головки цилиндров. При пуске и работе непрогретого двигателя, когда температу­ра охлаждающей жидкости ниже 72°С, её циркуляция проис­ходит по малому кругу. В этом случае жидкость не поступает в радиатор, так как клапан термостата 10 закрыт, а проходит по рубашке 7 блока и головкам цилиндров и через перепуск­ной канал 9, омывая термостат 10, снова поступает к насосу, обеспечивая тем самым быстрый прогрев холодного двигате­ля. По мере повышения температуры охлаждающей жидкости клапан термостата открывается, и она начинает циркулиро­вать по большому кругу.

На двигателе ЗИЛ-131 (рис, 5.1, б) жидкость через приливы 23 корпуса насоса подается в раструбы рубашки охлаждения левого и правого рядов цилиндров и далее через полость 26 впус­кного трубопровода и термостат 10 поступает в радиатор 16, а затем к насосу. Одновременно из полости трубопровода по гиб­кому шлангу 24 жидкость также поступает в рубашку охлажде­ния компрессора, а по шлангу 25 возвращается в насос. Для нормальной работы двигателя температура охлаждающей жид­кости при входе в водяную рубашку должна быть в пределах 75-80°С, а при выходе из нее 85-95°С.


Для повышения температуры кипения воды в современных двигателях применяют закрытую систему охлаждения, которая может сообщаться с атмосферой при помощи пароотводной трубки 15 только через паровоздушный клапан, расположен­ный в пробке 14 радиатора или в пробке 27 расширительного бачка 28, имеющего сливной кран 21

 

Рис. 5.1.Схемы жидкостных систем охлаждения двигателей: а-ЗМЗ-24-01; б-ЗИЛ-131

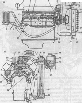
Температуру охлаждающей жидкости контролируют с помо­щью дистанционных магнитоэлектрических термометров, состо­ящих из указателей 5 (рис. 5.1, а) и встроенных в систему охлаж­дения датчиков 6. О перегреве жидкости в системе охлаждения сигнализирует контрольная лампочка на щитке приборов (ЗИЛ-131) соединенная с термодатчиком 12, ввернутым в верхний ба­чок радиатора. Более наглядно схема системы охлаждения дви­гателя ЗИЛ-131 показана на рис. 5.2.

На двигателе автомобиля КАМАЗ-4310 система охлаждения жидкостная, закрытого типа с принудительной циркуляцией охлаждающей жидкости. Основными элементами системы яв­ляются те же узлы, что и на ЗИЛ-131 и, кроме того, на двигате­лях КАМАЗ-740 установлена гидромуфта привода вентилято­ра с её выключателем. Но и многие одноименные узлы и меха­низмы систем охлаждения двигателей ЗИЛ-131 и КАМАЗ-740 значительно отличаются по конструкции

Во время работы двигателя КАМ АЗ-740 циркуляция охлаж­дающей жидкости в системе создается центробежным насосом. Жидкость нагнетается в водяную полость левого ряда цилинд­ров, а через трубу 12 (рис. 5.3) - в водяную полость правого ряда цилиндров. Омывая наружные поверхности гильз цилин­дров, охлаждающая жидкость через отверстия в верхних при-валочных плоскостях блока цилиндров поступает в водяные полости головок цилиндров. Из головок цилиндров горячая жидкость по водосборным трубам 4 и 6 поступает в коробку 16 термостатов, из которой в зависимости от температуры направляется в радиатор или на вход водяного насоса. Темпе­ратура охлаждающей жидкости в системе 80-98°С. Тепловой режим двигателя регулируется автоматически термостатами и выключателем гидромуфты привода вентилятора, которые уп­равляют направлением потока жидкости и работой вентилято­ра в зависимости от температуры охлаждающей жидкости в двигателе

 

Рис. 5.2.Схема системы охлаждения двигателя ЗИЛ-131:

1-радиатор; 2-водяной насос; 3-компрессор; 4-шланг (байпас); 5-термо-стат; 6-кран отопителя; 7-подводящая трубка; 8-отводящая трубка; 9-радиатор отопителя; 10-датчик указателя температуры воды в сис­теме охлаждения; 11-дозирующая вставка в заднем водоотводящем ка­нале впускной трубы; 12-сливной кран рубашки блока цилиндров; 13-слив-ной кран патрубка радиатора; 14-рукоятка привода сливного крана

 

 

Рис. 5.3. Схема системы охлаждения двигателя КАМАЗ-740:

1-перепускная трубка от двигателя к расширительному бачку; 2-соедини-тельная трубка от компрессора к бачку; 3-компрессор; 4-водосборная пра­вая трубка; 5-водяная соединительная труба; 6-водосборная левая труба; 7-перепускная труба термостатов; 8-водяной насос; 9-колено отводящего патрубка водяного трубопровода; 10-вентилятор; 11-сливной кран систе­мы охлаждения; 12-подводящая труба правого полублока; 13-патрубок подводящей трубы; 14-головка цилиндров; 15-выключатель гидромуфты привода вентилятора; 16-коробка термостатов; 17-патрубок отвода воды из бачка в водяной насос; 18-патрубок отбора воды в отопитель; 19-кран контроля уровня охлаждающей жидкости; 20-воздухоотводящая труба от радиатора; 21-расширительный бачок; 22-паровоздушная пробка; 23-тер-мостаты


Поделиться с друзьями:

mylektsii.su - Мои Лекции - 2015-2026 год. (1.795 сек.)Все материалы представленные на сайте исключительно с целью ознакомления читателями и не преследуют коммерческих целей или нарушение авторских прав Пожаловаться на материал