Студопедия

Главная страница Случайная страница

КАТЕГОРИИ:

АвтомобилиАстрономияБиологияГеографияДом и садДругие языкиДругоеИнформатикаИсторияКультураЛитератураЛогикаМатематикаМедицинаМеталлургияМеханикаОбразованиеОхрана трудаПедагогикаПолитикаПравоПсихологияРелигияРиторикаСоциологияСпортСтроительствоТехнологияТуризмФизикаФилософияФинансыХимияЧерчениеЭкологияЭкономикаЭлектроника






Генераторные установки






Тема 3.3.Генератор и реле-регулятор.

Вопросы: Назначение, принцип действия и устройство генератора. Привод генератора. Выпрямители, их назначение, установка и действие в цепи генератора.

Неисправности генератора, их причины, способы обнаружения и устранения.

Назначение, общее устройство и принцип действия реле-регулято­ра. Реле-регуляторы, применяемые на изучаемых автомобилях, особен­ности их устройства и работы.

Возможные неисправности реле-регулятора, их причины, способы выявления и устранения

 

Метод занятия: рассказ, беседа.

 

Время: 2 часа

ХОД ЗАНЯТИЯ

 

1ВВОДНАЯ ЧАСТЬ

-проверяю наличие личного состава

-довожу тему и учебные вопросы

 

2. ОСНОВНАЯ ЧАСТЬ.

Генераторные установки

Условия работы и классификация генераторных установок. Генераторная установка (генератор с реле-регулятором) явля­ется основным источником электрической энергии на автомо­биле. Она предназначена для питания приемников (потребите­лей) и заряда аккумуляторной батареи. Генератор преобразует механическую энергию двигателя внутреннего сгорания в элек­трическую. Реле-регулятор автоматически управляет работой генератора.

Генератор механически связан с коленчатым валом двигате­ля. Это, в основном, определяет те специфические условия, в которых работает генераторная установка: переменная часто­та вращения ротора, пропорциональная частоте вращения ко­ленчатого вала двигателя; широкий диапазон изменения нагруз­ки (в пять-шесть раз), пропорциональный мощности включен­ных приемников; большой диапазон изменения температуры (от минус 40 до плюс 80°С); запыленность и влажность воздуха; возможность полного погружения в воду при преодолении вод­ной преграды.

Назначение и условия работы определяют следующие тре­бования к генераторным установкам:

- обеспечить положительный баланс электрической энергии в бортовой сети, т.е. вырабатывать ее столько, сколько необхо­димо приемникам и аккумуляторной батарее;

- масса и габариты генераторной установки должны быть
минимальными;

- напряжение питания должно быть постоянным во всем ди­апазоне рабочих режимов частоты вращения и нагрузки;

- ресурс работы должен быть равен или больше ресурса ра­боты двигателя.

Генераторы классифицируют по напряжению, роду тока, возбуждению, наличию щеток, степени защиты от внешних воздействий, способу подавления радиопомех.

Номинальные напряжения генераторов и генераторных ус­тановок могут быть 7, 12 и 28В. Имеются генераторные уста­новки с двумя различными уровнями напряжения, предназна­ченные для питания различных приемников. Независимо от уровня напряжения генераторы могут быть постоянного и пе­ременного тока. К генераторам постоянного тока относятся такие, у которых переменный ток преобразуется в постоянный щеточно-коллекторным узлом. Все остальные генераторы от­носятся условно к генераторам переменного тока, в том числе и генераторы, у которых вырабатываемый ими ток полностью выпрямляется встроенными в корпус генератора специальны­ми устройствами-выпрямителями.

Возбуждение генераторов может осуществляться от элект­ромагнитов и постоянных магнитов.

Генераторы с постоянными магнитами имеют целый ряд преимуществ по сравнению с генераторами, имеющими элект­ромагнитное возбуждение. Основные из них: более высокая надежность в работе и простота конструкции. Однако наряду с указанными преимуществами генераторы переменного тока с возбуждением от постоянных магнитов имеют и недостатки, которые ограничивают их широкое применение. Это трудно­сти регулирования напряжения и низкий предел мощности.

Генераторы с электромагнитным возбуждением классифи­цируются в зависимости от схемы включения обмотки возбуж­дения. Если обмотка возбуждения включена последовательно с якорем, генератор называется генератором с последователь­ным возбуждением, а если параллельно-с параллельным воз­буждением. Генераторы со смешанным возбуждением имеют параллельную и последовательную обмотки.

Если обмотка возбуждения питается от постороннего источ­ника постоянного тока, такой генератор называется генерато­ром с независимым возбуждением. Если же обмотка возбужде­ния питается от зажимов якоря, такой генератор называется генератором с самовозбуждением

Генераторы могут быть с щетками и без щеток. Щетки при­меняются для обеспечения электрического контакта между под­вижными и неподвижными деталями. Поскольку в этом узле имеет место трение скольжения, щетки истираются, имеют ог­раниченный ресурс и низкую надежность. Поэтому разработа­ны конструкции безщеточных генераторов, лишенных указан­ных недостатков.

Государственным стандартом предусмотрено шесть степе­ней защиты электротехнических изделий от случайного сопри­косновения человека с токоведущими и движущимися частями, а также от проникновения посторонних твердых тел внутрь корпуса. Кроме того, предусматривается восемь степеней за­щиты от проникновения воды внутрь корпуса.

По способу подавления радиопомех генераторы могут быть: неэкранированные, с частичной экранировкой и экранирован­ные.

Технические характеристики генераторов оцениваются сле­дующими основными параметрами:

-номинальной или максимальной силой тока;

-мощностью и удельной мощностью;

-напряжением;

-частотой вращения в режиме холостого хода, при которой генератор развивает номинальное напряжение (начало отдачи);

-максимальной частотой вращения, при которой генератор развивает номинальную мощность (полной отдачей);

-коэффициентом полезного действия.

Устройство генераторов постоянного тока. На автомоби­лях ЗИЛ-131 первых выпусков устанавливался генератор Г51 (рис. 11.6) постоянного тока, четырехполюсный, защищенного исполнения, экранированный, параллельного возбуждения, с внутренним обдувом от вентилятора, выполненного совмест­но со шкивом 11. Работает совместно с контактным реле-регу­лятором РР51.

В крышках 4 и 12 находятся два подшипника 2 и 10 с резино­выми уплотнителями, в которых вращается якорь 8. На крыш­ке со стороны коллектора расположены четыре щеткодержате­ля реактивного типа. Номинальное напряжение генератора 12 В, мощность 450 Вт.

Генератор допускает погружение в воду, но работать в воде не должен из-за сильного износа щеток.

Минусовые щетки установлены в неизолированных щетко­держателях и соединены с корпусом генератора. Плюсовые щетки установлены в изолированных щеткодержателях и присоединены к выводу Я. Два конца двух пар катушек обмотки возбуждения генератора присоединены к выводам Ш1 и Ш2, а другие два конца этих катушек соединены с корпусом. Выводы Ш1 и Ш2 и вывод Я находятся внутри специальной экраниру­ющей коробки, прикрепленной к корпусу генератора. Враще­ние генератора правое, если смотреть со стороны привода Генератор двумя лапами прикреплен к кронштейнам, в свою очередь закрепленным на основании компрессора. На заднем кронштейне предусмотрены овальные отверстия, позволяющие сдвигать его, чтобы выбирать зазор между кронштейнами и лапами. Третья лапа предназначена для крепления генератора к натяжной планке, с помощью которой регулируют натяжение приводного ремня.

Наблюдать за работой генератора можно по показанию амперметра, установленного на щитке приборов. При враще­нии двигателя со средней частотой вращения генератор дол­жен давать зарядный ток, величина которого падает по мере заряда аккумуляторной батареи. При исправной и полностью заряженной аккумуляторной батарее и отключенных потреби­телях отсутствие зарядного тока не свидетельствует о неисп­равности генератора.

 

 

 

Рис.11.6.Генератор Г-51:

1-крышка подшипника; 2-подшипник со стороны коллектора; 3-коллектор; 4-крышка генератора со стороны коллектора; 5-экранированный вывод параллельной обмотки (Ш); 6-вывод обмотки якоря (Я); 7-корпус генерато­ра; 8-якорь; 9-обмотка возбуждения; 10 подшипник со стороны привода; 11 -шкив с вентилятором; 12-крышка со стороны привода; 13-пружина щет­кодержателя; 14-щеткодержатель; 15-щетка; 16-защитная лента; 17-винт защитной ленты

 

В настоящее время наибольшее применение находят генера­торы постоянного тока Г74; Г6, 5; СГ10-1С (стартер-генератор), которые не имеют принципиальных отличий от выше рассмот­ренной электрической машины, но являются более мощными и используются чаще на гусеничных машинах и большегрузных автомобилях или специальных колесных шасси.

Устройство генераторов переменного тока. На военной ав­томобильной технике последних поколений устанавливаются генераторы переменного тока. Мощность и срок службы таких генераторов значительно увеличены. На режиме холостого хода двигателя они развивают до 40% номинальной мощности.


; 2 з

Рис. 11.7 Генератор Г-250 а-устройство; б-электрическая     схема

 

 

Генераторная установка переменного тока состоит из гене­ратора с электромагнитным возбуждением, выпрямителя и реле-регулятора или регулятора напряжения.

 

 

Генераторы (рис.11.7) типа Г-250 устанавливаются на автомобилях семейства КАМАЗ. Они имеют одинаковую конструктивную схему и представляют собой трехфазную синхронную электри­ческую машину, состоящую из статора, ротора, передней и зад­ней крышек, вентилятора и приводного шкива.

Статор 4 (рис. 11.7, а) собран из отдельных пластин электро­технической стали, изолированных друг от друга лаком для уменьшения вихревых токов. На внутренней поверхности ста­тора имеется 18 равномерно расположенных по окружности пазов, в которые уложены отдельные катушки трехфазной об­мотки. В каждой фазе имеется шесть катушек, соединенных последовательно, базовые обмотки статора соединены звездой, т.е. начало обмоток соединено вместе, а их концы присоедине­ны к трем зажимам выпрямительного блока.

Ротор 6 состоит из двух клювообразных стальных наконечни­ков и катушки возбуждения, помещенной на стальной втулке, ко­торые жестко закреплены на его валу 5. Концы обмотки возбуж­дения припаяны к контактным кольцам 7, напрессованным на изо­ляционную втулку вала ротора. Вал вращается в шариковых под­шипниках, помещенных в передней 3 и задней 8 крышках.

Внутри задней крышки 8 расположен полупроводниковый выпрямитель и щеткодержатель 9 с щетками и пружинами. На переднем конце вала закреплен приводной шкив 1 и вентиля­тор 2 для обдува и охлаждения генератора.

При включенном зажигании ток от аккумуляторной бата­реи через щетки и кольца поступает в обмотку возбуждения ротора и создает магнитное поле. При вращении ротора под катушками статора попеременно проходят его полюса, индук­тируя в обмотках статора переменную по величине и направле­нию э.д.с. Переменный ток, полученный в генераторе, подво­дится к выпрямителю, при помощи которого он преобразуется в постоянный, и направляется к потребителям и на подзарядку аккумуляторной батареи.

Генераторы переменного тока обладают свойством самоог­раничения максимальной силы тока при увеличении числа под­ключенных потребителей и возрастании частоты вращения ро­тора. Это обстоятельство обусловлено следующими причина­ми. При возрастании числа потребителей увеличивается ток обмотки статора, что приводит к усилению магнитного поля статора. Магнитное поле статора направлено против магнит­ного поля ротора, поэтому суммарный магнитный поток умень­шается. Благодаря этому в катушках статора наводится мень­шая э.д.с. и максимальная сила тока, создаваемая генератором, ограничивается При возрастании частоты вращения ротора увеличивается частота переменного тока в обмотке статора. В результате это­го возникает индуктивное сопротивление обмотки статора, что также приводит к ограничению максимальной силы тока, от­даваемой генератором.

На военной автомобильной технике широкое распростране­ние получили генераторы с кремниевыми полупроводниковы­ми выпрямителями, которые обладают высокой теплостойкос­тью, долговечностью и приемлемыми габаритами.

Кремниевый выпрямитель (рис. 11.7, 6) состоит из блока 15 кремниевых диодов (трех прямой проводимости и трех обрат­ной), включенных по трехфазной мостовой схеме в общую элек­трическую схему трехфазного генератора переменного тока. Каждая фаза обмотки статора соединена с двумя диодами раз­ной полярности. Диоды соединены с контактными пластинами 13 и 16 и с зажимами 14, к которым подключаются фазы обмот­ки 12 статора. Контактные пластины 13 и 16 вместе с секциями блока 15 диодов смонтированы на пластмассовой колодке, ко­торая болтами 11 и 17 крепится к крышке 10 генератора.

Устройство и действие реле-регуляторов. Поддержание по­стоянного напряжения в сети электрооборудования, а также защита генератора от перегрузок (ограничение максимальной силы тока) и обратных токов осуществляется автоматически. Для этих целей генераторные установки снабжаются специаль­ными автоматическими устройствами: регуляторами напряже­ния, ограничителями тока и автоматами обратного тока. Необ­ходимость в том или ином регуляторе зависит от типа и конст­рукции генератора.

Контактный реле -регулятор РР51 работает совместно с ге­нератором Г51 и состоит из четырех электромагнитных прибо­ров (рис. 11.8), смонтированных на общей панели и заключен­ных в общий кожух: реле обратного тока, замыкающего и раз­мыкающего цепь между генератором и аккумуляторной батаре­ей; двух регуляторов напряжения, поддерживающих в опреде­ленных пределах напряжение генератора при изменении часто­ты вращения и нагрузки (каждый из регуляторов напряжения обслуживает одну из двух обмоток возбуждения генератора); ограничителя тока, предохраняющего генератор от перегрузок.

Реле-регулятор имеет пять зажимов для подключения его к генератору и к схеме электрооборудования: Я-якорь, два за­жима Ш-шунт, Б-батарея и С-стартер (цепь блокировки стар­тера). Электрическая схема совместной работы генератора Г51 и реле-регулятора РР51 показана на рис. 11.9.

С увеличением мощности генератора растет и ток его воз­буждения, цепь которого должна разрываться контактами реле-регулятора. Возникающее при этом искрение вызывает подго­рание и износ контактов, что приводит к уменьшению напря­жения и мощности генератора. В целях уменьшения последствий этого явления на современных автомобилях применяются кон­тактно-транзисторные и бесконтактные транзисторные реле-регуляторы, работающие с генераторами переменного тока.

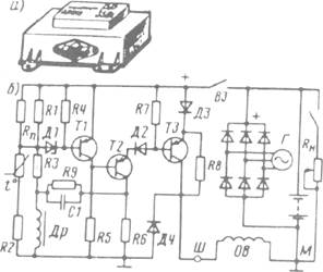
На многих образцах военной автомобильной техники уста­навливается бесконтактный транзисторный реле-регулятор РР- 350 (рис. 11.10), который выполнен на трех германиевых транзисторах и работает совместно с генератором Г-250-И1, рассчитанном на номинальное напряжение 12В.

Рис, 11.8. Реле-регулятор РР-51:

1-реле обратного тока; 2-ограничитель тока; 3-регулятор напряжения; 4-крышка; 5-резиновый шнур; 6-зажим С (стартер); 7-основание; 8-экраниро-ванные зажимы Ш, и Ш2 (обмотки возбуждения); 9-экранированный зажим Я (якорь); 10-экранированный зажим Б (батарея); 11-провод «массы»; 12-регулировочная пружина; 13-сердечник; 14-якорь ограничителя тока с под­вижным контактом; 15-стойка с неподвижным контактом; 16-обмотка огра­ничителя тока; 17-резиновый амортизатор

При напряжении генератора меньше 13, 9-14, 6 В стабилитрон Д, закрыт, в результате чего транзистор Т, тоже закрыт. При этом через открытые транзисторы Т2 и Т3 проходит ток базы транзистора Т3 и ток обмотки возбуждения генератора, кото­рый не ограничивается, а следовательно, не ограничивается и напряжение генератора

 

 

Рис. 11.9. Электрическая схема реле-регулятора РР-51 и генератора Г-51:

1-реле обратного тока; 2-ограничитель тока; 3-первый регулятор напряже­ния; 4-второй регулятор напряжения; 5-сопротивления; 6-обмотка возбуж­дения генератора; 7-генератор; а-параллельная обмотка; б-ускоряющая обмотка; в-последовательная обмотка; г-компенсирующая обмотка

С увеличением частоты вращения ротора генератора, когда напряжение генератора достигает 13, 9-14, 6 В, стабилитрон Д] пробивается, транзистор Т, открывается, а транзисторы Т2 и Т3 закрываются. В этом случае ток в обмотку возбуждения гене­ратора поступает только через добавочный резистор R8, и, ес­тественно, уменьшается напряжение генератора до момента закрытия стабилитрона Д,. С закрытием стабилитрона ток в обмотку возбуждения поступает через открытый транзистор Т3.

Напряжение генератора начнет возрастать до следующего открытия стабилитрона Д,


Таким образом напряжение генератора поддерживается стабильным независимо от частоты вращения коленчатого вала двигателя (ротора генератора).

 

 

Рис. 11.10. Схема бесконтактного транзисторного реле-регулятора РР-350

а) общий вид б) электрическая схема

Остальные элементы схемы выполняют вспомогательные функции, необходимые для более четкой и надежной работы прибора.

Принцип действия остальных бесконтактных транзисторных реле-регуляторов аналогичен описанному. Например, реле-ре­гулятор РР-356 рассчитан на работу с генератором номиналь­ным напряжением 24 В и имеет два стабилитрона и два более мощных транзистора.

В последние годы получили широкое распространение гене­раторы с встроенными транзисторными регуляторами напря­жения на интегральных схемах (Я П2А, Я 120, 11.3702) кото­рые имеют значительно меньшие габариты и вес (38x58x12 мм, масса 50 г). Эти регуляторы монтируют на задней крышке гене­ратора.

Принцип работы этих регуляторов аналогичен работе регу­лятора РР-350 А. При напряжении на клеммах генератора мень­ше предельного транзистор, включенный последовательно с обмоткой возбуждения генератора, открыт и пропускает ток возбуждения. Если напряжение превышает предельное значе-

ние, то транзистор закрывается и резко изменяется сила тока в обмотке возбуждения генератора. Этот процесс происходит с большой частотой и практически напряжение генератора оста­ется постоянным.

Интегральный регулятор напряжения-изделие неразборное и неремонтируемое. Напряжение регулятора регулируют на заводе-изготовителе.

Регулятор такого типа 11.3702, работающий совместно с ге­нератором Г 288Е, установлен на автомобиле КАМАЗ-4310, поэтому при его эксплуатации запрещается:

- работа генераторной установки с отключенной аккумуля­торной батареей (отключенной «массе»);

- пуск двигателя при отключенном плюсовом проводе генератора;

- проверка исправности генераторной установки на «искру» замыканием любых зажимов генератора и щеткодержателя;

- соединение зажима «Ш» с зажимами «+» и «В» генератора (это ведет к мгновенному отказу в работе генератора);

- проверка исправности схемы электрооборудования с номинальным напряжением 12 В от источника тока с напряжени­ем выше 16 В, а для схем с напряжением 24 В выше 36 В.

Совместная работа генераторной установки и аккумулятор­ной батареи. Генераторная установка и батарея включены па­раллельно (рис. 11, И) и дополняют друг друга, обеспечивая приемники электрической энергией. При неработающем гене­раторе 6 или когда его напряжение меньше э.д.с. батареи 2 все приемники 5 питаются только от батареи 2, ток которой регис­трируется амперметром 4. Ток стартера 3 амперметр не регист­рирует так же, как и не регистрирует ток генератора, идущий на приемники.

Когда напряжение генератора превысит э.д.с. батареи, проис­ходит перераспределение электрической энергии, отдаваемой ге­нератором, он начинает питать приемники и заряжать батарею.

(11.1)

IГ=I П + IЗ

 

где I П -ток приемников, А;

IЗ- зарядный ток, А.

Это соотношение зависит от режима работы генераторной установки и может быть определено по ее внешней характерис­тике.

Наиболее характерными режимами работы источников элек­троэнергии являются следующие.

 

Рис. 11.11. Электрическая принципиальная схема системы электроснабжения

Режим, при котором мощность включенных приемников превышает мощность генераторной установки. На данном ре­жиме оба источника работают на нагрузку, так как их напря­жения одинаковы:

I П = IГ + IБ

 

 

где: 16 - ток аккумуляторной батареи.

В этом случае генератор загружается на полную мощность, а недостаток мощности компенсирует батарея. Происходит это следующим образом. С увеличением нагрузки увеличивается падение напряжения внутри генератора, а напряжение на его выходе уменьшается и становится меньше напряжения батареи. После этого ток батареи возрастает, увеличится падение напря­жения внутри батареи, а на выходе ее напряжение уменьшится и произойдет выравнивание напряжения батареи и генератора.

Режим, при котором мощность генератора больше мощнос­ти включенных приемников. Избыток мощности генераторной установки реализуется на заряд батареи.

Режим, при котором мощность генератора равна мощности включенных приемников. На этом режиме ток батареи равен нулю. Все приемники питаются от генератора.


Поделиться с друзьями:

mylektsii.su - Мои Лекции - 2015-2026 год. (1.288 сек.)Все материалы представленные на сайте исключительно с целью ознакомления читателями и не преследуют коммерческих целей или нарушение авторских прав Пожаловаться на материал