Студопедия

Главная страница Случайная страница

КАТЕГОРИИ:

АвтомобилиАстрономияБиологияГеографияДом и садДругие языкиДругоеИнформатикаИсторияКультураЛитератураЛогикаМатематикаМедицинаМеталлургияМеханикаОбразованиеОхрана трудаПедагогикаПолитикаПравоПсихологияРелигияРиторикаСоциологияСпортСтроительствоТехнологияТуризмФизикаФилософияФинансыХимияЧерчениеЭкологияЭкономикаЭлектроника






Усилитель постоянного тока






Усилители постоянного тока (УПТ) ………………………………………

……………………(т. е. в полосе рабочих частот от f min = 0 до f max = 1–5 Гц). ………………………………………………………………………………………………………………………………………………………………………………………………………………………………………………………………………………………………………………………………………………………………………………………………………………………………………………………………………………………………………………………………………………………………………………………………………………………………………………………………………………………………………………………………………………………………………………………………………………………………………………………………………………………………………………………………….. U ВЫХ = Е К – IК↑ ∙ R Д↓ ≈ const).

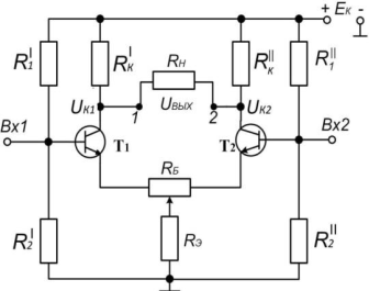
……………………………………………………………………………………. дифференциальная схема УПТ. ………………………………………………………...

…………………. рис.6………………………………………………………

………………………………………………………………………………………………………………………………………………………………………………………………………………….. U K1 и U K2 транзисторов 1 и 2, а значит, U ВЫХ = 0.

Рис 6.. Усилитель постоянного тока параллельного баланса

………………………………………………………………………………………………………………………………………………………………………………………………………………………………………………………………………………………………………………………………………………………………………….......................................................................................................................а дрейф нуля→ 0.

 

Дифференциальные УПТ…………………………………………………….....

………………………………………………………………….: суммирования, инвертирования дифференцирования, интегрирования, логарифмирования.

В этом случае они называются операционные и должны иметь:

  ………………………………………………;

  ………………………………………………;

  ………………………………………………;

  ………………………………………………;

  ………………………………………………;

  ………………………………………………;

  ………………………………………………..

Простейшая схема такого дифференциального усилителя (слева), а его условное обозначение на схемах (справа).

 

…………………………….Uвых ……………………….. U вх1 и противофазен U вх2. Поэтому, Вх1 называется неинвертирующим и обозначается +, а Вх2 – инвертирующим и обозначается –.

…………………………………………………………………………………………………………………………………………………………………………………. Схема и работа:

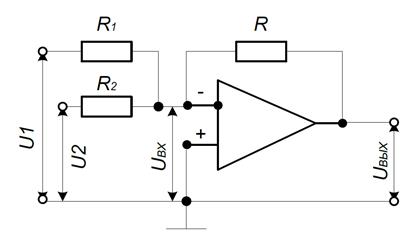
- масштабного алгебраического сумматора:

 

Рис. 7. Алгебраический сумматор.

По закону Кирхгофа:

I R = I R1 + I R2 (I ус = 0, т. к. R ус = ∞). (U вых. – U вх.) / R = (U вх. – U 1) / R 1 + (U вх. – U 2) / R 2.

Пренебрегая U вх. получим U вых. = (R 1 / R) · U 1+ (R 2 / R) · U 2. R 1 / R – масштабный (весовой коэффициент, рейтинг суммирования U 1).

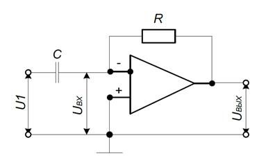
- дифференциатора:

Рис.8. Дифференциатор

 

(U вых.U вх.) / R = d (U вх. · U 1) / dt. Т. е., U вых. = RC · (dU 1 / dt).

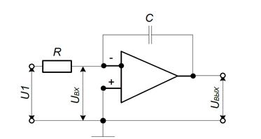
- интегратора:

C · (d (U вых.U вх.) / dt) = (U вх.U 1) / R. Т. е. U вых. = 1 / RC 0tU 1dt.

 

 


Поделиться с друзьями:

mylektsii.su - Мои Лекции - 2015-2026 год. (2.492 сек.)Все материалы представленные на сайте исключительно с целью ознакомления читателями и не преследуют коммерческих целей или нарушение авторских прав Пожаловаться на материал