Студопедия

Главная страница Случайная страница

КАТЕГОРИИ:

АвтомобилиАстрономияБиологияГеографияДом и садДругие языкиДругоеИнформатикаИсторияКультураЛитератураЛогикаМатематикаМедицинаМеталлургияМеханикаОбразованиеОхрана трудаПедагогикаПолитикаПравоПсихологияРелигияРиторикаСоциологияСпортСтроительствоТехнологияТуризмФизикаФилософияФинансыХимияЧерчениеЭкологияЭкономикаЭлектроника






Схемы вспомогательных цепей присоединения линии 220 В






Цель работы

Цель работы – получение навыка чтения схем вспомогательных электрических цепей электроустановок.

 

Общие сведения о схемах

 

Типы и назначение электрических схем

 

В рамках данной работы рассматриваются схемы только одного вида - электрические схемы. Приведенные примеры заимствованы из [1]. Основные правила выполнения схем изложены в ГОСТ –2.702-75 и других стандартах системы ЕСКД. Кроме того, существуют ведомственные документы, определяющие условные обозначения для более узких областей применения [4, 9]. В зарубежном электрооборудовании достаточно часто применяются условные графические обозначения стандартов международной электротехнической комиссии (МЭК) или DIN (Германия). Последние стандарты достаточно близки к нашим ГОСТам [11].

Схемы применяют при изучении принципа действия механизмов, машин, приборов, аппаратов и систем при их наладке и ремонте. На этапе эксплуатации схемы предназначаются для выявления неисправностей и использования при техническом обслуживании.

Правила выполнения схемы зависят от ее типа. Различают схемы: структурные, функциональные, принципиальные (полные), соединения (монтажные), подключения, общие и расположения. На принципиальных схемах элементы и устройства изображают совмещенным или разнесенным способом. Наиболее распространены схемы, выполненные разнесенным способом. В этом случае составные части элементов и устройств изображают на схеме в разных местах таким образом, чтобы отдельные цепи устройства были изображены наиболее наглядно. Все элементы должны иметь позиционные обозначения, проставляемые рядом с условными графическими обозначениями. При необходимости на принципиальной схеме наносят принятые обозначения цепей и их отдельных участков. На схемах соединений и подключения должны быть обозначены все зажимы, провода, жгуты и кабели. Внешнее подключение устройства можно показать отдельно схемой подключения либо на схеме соединений.

Специалистам, работающим в энергетике, требуется также умение читать чертежи, выполненные по системе проектной документации для строительства. Особенно в части условных графических и буквенных обозначений [10, 12]. Поэтому в данной работе приведена ознакомительная информация по строительной документации в части электротехнических установок.

 

Схемы вспомогательных цепей присоединения линии 220 В

 

На рис.1 показано присоединение линии 220 В. Приведены принципиальные схемы силовой цепи и вспомогательных цепей. Схема силовой цепи выполнена в однолинейном исполнении и содержит трехполюсный выключатель Q и трансформатор тока ТА в фазе А. Вторичная цепь трансформатора тока содержит амперметр PA и одной точкой подключена к заземлению.

Принципиальные схемы цепей управления выключателем Q выполнены разнесенным способом. В соответствии с функциональным назначением над линиями (либо справа от линий) электрических связей указаны марки цепей. Номера выводов устройств указаны под линиями либо слева.

В исходном состоянии выключатель Q отключен, его вспомогательные контакты будут в положении, указанном на схеме, при этом будет гореть сигнальная лампа с зеленой линзой HLG. При переводе переключателя SA в позицию «В» замыкается цепь включающего электромагнита YAC и включается выключатель Q. Вспомогательные контакты переключатся, при этом сигнальная лампа HLG погаснет и загорится лампа HLR с красной линзой. Переключатель SA после прекращения воздействия на него возвратится в позицию «H».

Для отключения выключателя Q переключатель SA переводят в позицию «О», при этом замыкается цепь отключающего электромагнита YAT, он воздействует на привод выключателя, выключатель Q отключается. Его вспомогательные контакты переключатся в исходное состояние, гаснет сигнальная лампа HLR и загорается лампа HLG. Одновременно подготавливается цепь электромагнита включения YAC. Заметим, что цепи сигнализации получают питание от сигнальных шинок +EH, -EH через предохранители FU3, FU4, а цепи управления приводом выключателя от шинок управления +EC, -EC через предохранители FU1, FU2. Это обычная практика выполнения таких цепей.

 

 

Рис. 1. Принципиальные схемы присоединение линии 220 В.

а - силовые цепи, б - цепи управления и сигнализации, в - вторичные цепи трансформатора тока

 

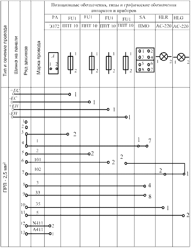
Схемы соединений в части панели управления выключателем Q в трех вариантах исполнения показаны на рис.2 … рис.4. Часть элементов в них графически изображены так же, как и на принципиальной схеме (предохранители, сигнальные лампы), а переключатель и амперметр по-другому, отражая примерно форму и расположение выводов. На схеме рис.2. показаны все провода и их раскладка. На схеме приведен ряд зажимов X, при этом для зажимов показано только подключение элементов, панели управления. При большом количестве элементов и множестве проводов такое выполнение схемы нецелесообразно из-за сложности вычерчивания и трудности черчения.

 

Рис.2. Схема соединений панели управления с раскладкой проводов

 

Зачастую на схеме соединений провода обычно не показывают, а у выводов все элементов проставляют адресную маркировку, отображающую место подключения вторых концов проводов, отходящих от этих элементов. Таким образом выполнена схема на рис. 3. У первого вывода переключателя SA проставлена маркировка X: 4, которая указывает, что второй конец отходящего от него провода подключен к зажиму 4 ряда зажимов X. В то же время у зажима X: 4 проставлена маркировка SA: 1, указывающая, что первый конец провода подключен к зажиму 1 переключателя SA.

 

 

 

Рис.3. Схема соединений панели управления с адресацией цепей

 

Схему соединений можно выполнить в виде таблицы, как это сделано на рис.4. На ней в заголовках столбцов показаны графические обозначения элементов с указанием их выводов, а под ними сверху вниз – выводы в порядке возрастания их номеров. Горизонтальные линии, расположены одна под другой, изображают провода, а их концы – места подключения. Например, в третьем столбце слева показаны зажимы 1-13 ряда зажимов, в пятом в его головке – графическое обозначение амперметра, а внизу один под другим – выводы 2 и 1. Горизонтальные линии (вторая и первая снизу) изображают провода, соединяющие выводы 2 и 1 амперметра с зажимами 12 и 13 ряда зажимов. Однако такие табличные схемы применяют редко.

 

 

Рис.4. Схема соединений в виде таблицы для панели управления

 

Чаще всего в чертежах изделий с применением монтажа, особенно внутриблочного, используют таблицы соединений, в которых указывают в одной из граф номер проводника (в данном случае обозначение цепи), в других графах – откуда проводник идет и куда поступает. Форму таблицы соединений выбирает разработчик схемы. Фрагмент данного способа указания соединений приведен в таблице 1.

 

 

Таблица 1

Фрагмент таблицы соединений панели управления выключателем

 

№ п/п Марка и сечение провода Обозначение цепи Откуда идет Куда поступает Примечания
  ПРЛ 2.5 мм2 - + EC FU1: 1  
  ПРЛ 2.5 мм2 - - EC FU2: 1  
  ПРЛ 2.5 мм2 - + EH FU3: 1  
  ПРЛ 2.5 мм2 - - EH FU4: 1  
  ПРЛ 2.5 мм2   FU1: 2 Х: 3, Х: 4  
  ПРЛ 2.5 мм2   Х: 4 SA: 1, SA: 7  
  ПРЛ 2.5 мм2   FU2: 2 X: 5  

 

На схеме подключения изображают все выходные зажимы изделия и подключаемые к ним внешние провода, жгуты и кабели, отходящие к другим изделиям. При выполнении схем подключения выходные зажимы показывают внутри контура, отображающего упрощенно внешние очертания изделия, примерно так, как они расположены в изделии, или ограничиваются изображением рядов зажимов с отходящими от них внешними проводами, жгутами и кабелями.

На рис.5 показана схема подключения панели управления выключателем Q в виде ряда зажимов с отходящим от него кабелем к щитку выключателя.

 


Поделиться с друзьями:

mylektsii.su - Мои Лекции - 2015-2026 год. (2.134 сек.)Все материалы представленные на сайте исключительно с целью ознакомления читателями и не преследуют коммерческих целей или нарушение авторских прав Пожаловаться на материал