Студопедия

Главная страница Случайная страница

КАТЕГОРИИ:

АвтомобилиАстрономияБиологияГеографияДом и садДругие языкиДругоеИнформатикаИсторияКультураЛитератураЛогикаМатематикаМедицинаМеталлургияМеханикаОбразованиеОхрана трудаПедагогикаПолитикаПравоПсихологияРелигияРиторикаСоциологияСпортСтроительствоТехнологияТуризмФизикаФилософияФинансыХимияЧерчениеЭкологияЭкономикаЭлектроника






Способы повторного цементирования






Под способами повторного цементирования понимают исправительные способы, применение которых вызвано необходимостью проведения ремонтных работ в результате обнаружения течи, нарушения герметичности колонны, или поступления пластовых вод в скважину через отверстия перфорации вместе с пластовым флюидом.

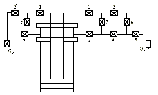
Эти способы сводятся к транспортированию цементного раствора к месту потери герметичности. Наиболее широко используется в этом случае метод цементирования под давлением. В некоторых случаях цементный раствор продавливают по трубам малого диаметра. Трубы поднимает, промывает буровым раствором, и после затвердевания цементного раствора цементирование считается оконченным. Цементный камень, полученный таким способом, называется цементным мостом. Для установки цементных мостов при РИР широко используется способ Байдакова Н. К. Сущность этого способа заключается в следующем. Цементный раствор закачивают по трубам через задвижки 1 и 2, 1 и 2 при открытых задвижках 3, 4 и 5 (рис. 17.1). Задвижки 6 и 7, 71 и 31 закрыты. Прокачиваемый в скважину цементный раствор вытесняет находящуюся там жидкость, которая выходит из скважины через задвижки 3, 4 и 5. Для предотвращения подъема цементного раствора в пространство меду трубами в момент, когда цементный раствор, не доходя до башмака спущенных в скважину труб, закрывают задвижки 4 и 5. После этого продавливают раствор в пласт через нарушения колонны. При обратной промывке остатки цементного раствора вымывает буровым раствором или водой, которые закачивают в скважину через задвижки 6, 4, 3, 31. Причем задвижки 2, 21 закрыты. Жидкость выходит из скважины через спущенные трубы и сбрасывается через задвижки 7 и 71.

Рис. 17.1.


Поделиться с друзьями:

mylektsii.su - Мои Лекции - 2015-2026 год. (1.591 сек.)Все материалы представленные на сайте исключительно с целью ознакомления читателями и не преследуют коммерческих целей или нарушение авторских прав Пожаловаться на материал