Студопедия

Главная страница Случайная страница

КАТЕГОРИИ:

АвтомобилиАстрономияБиологияГеографияДом и садДругие языкиДругоеИнформатикаИсторияКультураЛитератураЛогикаМатематикаМедицинаМеталлургияМеханикаОбразованиеОхрана трудаПедагогикаПолитикаПравоПсихологияРелигияРиторикаСоциологияСпортСтроительствоТехнологияТуризмФизикаФилософияФинансыХимияЧерчениеЭкологияЭкономикаЭлектроника






Емкостной фильтр






Емкостной сглаживающий фильтр представляет собой конденсатор, включенный параллельно нагрузке. Как же происходит сглаживание этих самых пульсаций? Давайте взглянем на форму выходного напряжения, скажем, однополупериодного выпрямителя, показанную ниже на рисунке.

На рисунке 1 Uср - это среднее значение выпрямленного напряжения. Если проще, то это напряжение, которое покажет обычный вольтметр, называемый вольтметр среднеквадратических значений, или любой авометр (тестер). Как видим, это напряжение меньше амплитудного значения, но самое главное - пульсации.

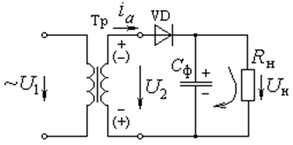
А теперь установим параллельно нагрузке выпрямителя конденсатор, как показано ниже на рисунке:

Рис. 2 - Пример выпрямителя с простейшим сглаживающим фильтром

Что же получилось? Если подключить осциллограф - это такой прибор, позволяющий наблюдать форму сигналов параллельно нагрузке то увидим следующую картину:

Рис. 3 - Форма выходного напряжения выпрямителя со сглаживающим фильтром

Вот эта красная линия называется пилой или пилообразным напряжением. Теперь разберем все это. Итак, на выходе выпрямителя образуется пульсирующее напряжение. Допустим конденсатор разряжен. При подаче напряжения на него он начинает заряжаться - короткий отрезок пилы на рисунке. Достигнув максимального значения, амплитуда выходного напряжения выпрямителя начинает уменьшаться до нуля. Соответственно, заряженный до максимального значения конденсатор начинает разряжаться через нагрузку - длинный отрезок пилы. При следующем нарастании амплитуды процесс повторяется. Естественно, что размах амплитуды пилы, а это тоже пульсации, напрямую зависит от емкости конденсатора и от величины сопротивления нагрузки, конечно. Чем больше емкость, тем меньше пульсации, чем меньше сопротивление нагрузки, тем больше пульсации. Если нагрузку, то и пульсаций не будет.

Итак, подведем итоги. Установив конденсатор в схему выпрямителя, мы добились сглаживания пульсаций выходного напряжения, к тому же, посмотрите на рисунок, увеличилось среднее значение выпрямленного напряжения.

Процесс фильтрации можно объяснить и в другом аспекте. Считается, что выходное напряжение выпрямителя содержит постоянную и переменную составляющую. Поскольку емкостное сопротивление конденсатора X = 1 / ω C, где ω = 2π f, то нетрудно заметить, что при увеличении емкости сопротивление уменьшается. Аналогично и для частоты. Но для постоянного тока частота равна 0, значит емкостное сопротивление будет стремиться к бесконечности. Таким образом, переменная составляющая проходит через конденсатор и замыкается на общий провод не попадая в нагрузку, тогда как постоянная составляющая полностью выделяется в нагрузке.

Чаще всего емкостной и индуктивный фильтр комбинируют и получают так называемый LC-фильтр.


Поделиться с друзьями:

mylektsii.su - Мои Лекции - 2015-2026 год. (0.694 сек.)Все материалы представленные на сайте исключительно с целью ознакомления читателями и не преследуют коммерческих целей или нарушение авторских прав Пожаловаться на материал