Студопедия

Главная страница Случайная страница

КАТЕГОРИИ:

АвтомобилиАстрономияБиологияГеографияДом и садДругие языкиДругоеИнформатикаИсторияКультураЛитератураЛогикаМатематикаМедицинаМеталлургияМеханикаОбразованиеОхрана трудаПедагогикаПолитикаПравоПсихологияРелигияРиторикаСоциологияСпортСтроительствоТехнологияТуризмФизикаФилософияФинансыХимияЧерчениеЭкологияЭкономикаЭлектроника






Числовые значения и обозначение на чертежах допусков формы и расположения поверхностей






 

Для каждого вида допуска формы и расположения поверхностей и элементов установлено 16 степеней точности. Числовые значения допусков от одной степени к другой возрастают в 1, 6 раза.

Допуски формы и расположения указываются индивидуально на чертеже детали в тех случаях, когда они должны быть меньше допусков размера для соответствующей поверхности по функциональным или технологическим причинам.

Вид допуска формы и расположения обозначается знаками (графическими символами), указанными в таблице 4.1.

На чертеже детали знак, числовое значение допуска и, при необходимости, буквенное обозначение базы или поверхности, с которой связан допуск расположения, вписывают в рамку. Рамку соединяют с элементом, к которому относится допуск тонкой сплошной линией. Если допуск относится к оси или плоскости симметрии соединительная линия должна быть продолжением размерной линии; если допуск относится к общей оси, соединительную линию проводят к ней.

Перед числовым значением допуска указывается: символ Ø, если поле допуска задано его диаметром; символ R, если поле допуска задано радиусом; символ Т, если поле допуска симметричности, пересечения осей, формы заданной поверхности, а также позиционное поле допуска задано в диаметральном выражении; символ Т /2 – если они заданы в радиусном выражении; символ Ø или R, если поле допуска сферическое. Если допуск относится к участку поверхности заданной длины (площади), то ее значение указывают рядом со значением допуска через наклонную линию.

 

 

Таблица 4.1 – Условные обозначения допусков формы и расположения

 

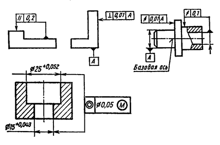
Схемы указания допусков формы и расположения показаны на рисунке 4.12.

 

Рисунок 4.12 – Схемы указания допуска формы и расположения поверхностей

 

Базу, по отношению к которой нормируется допуск расположения, обозначают зачерненным треугольником (рисунок 4.13).

Если допуск формы или расположения зависимый, то дополнительно вводится обозначение М (рисунок 4.13), которое помещают:

- после числового значения допуска, если он связан с действительными размерами поверхности;

- после буквенного обозначения базы, а также и без ее обозначения в третьей части рамки, если допуск связан с действительными размерами базы;

- в обоих указанных местах, если допуск связан с их действительными размерами.

 

Рисунок 4.13 – Обозначение баз (а – в) и зависимого допуска (г)  
г)
в)
б)
а)

 

Допуски формы и расположения поверхностей и элементов, не указанные индивидуально, относятся к общим допускам формы и расположения, которые указываются на чертеже общей записью. Значения общих допусков и форма записи регламентируются ГОСТ 30893.2 –2002 «Основные нормы взаимозаменяемости. Общие допуски. Допуски формы и расположения поверхностей, не указанные индивидуально».

Предусмотрено три класса точности: Н, К, L (по мере увеличения допуска), величина допуска в них зависит от интервала номинальных длин, на которых нормируется допуск.

Форма записи общих допусков формы и расположения:

" Общие допуски формы и расположения – ГОСТ 30893.2 – К " или

" ГОСТ 30893.2 – К ".

В случае ссылки на общие допуски размеров, формы и расположения запись выполняется в виде:

" Общие допуски ГОСТ 30893.2 – " или " ГОСТ 30893.2 – ".


Поделиться с друзьями:

mylektsii.su - Мои Лекции - 2015-2026 год. (0.681 сек.)Все материалы представленные на сайте исключительно с целью ознакомления читателями и не преследуют коммерческих целей или нарушение авторских прав Пожаловаться на материал