Студопедия

Главная страница Случайная страница

КАТЕГОРИИ:

АвтомобилиАстрономияБиологияГеографияДом и садДругие языкиДругоеИнформатикаИсторияКультураЛитератураЛогикаМатематикаМедицинаМеталлургияМеханикаОбразованиеОхрана трудаПедагогикаПолитикаПравоПсихологияРелигияРиторикаСоциологияСпортСтроительствоТехнологияТуризмФизикаФилософияФинансыХимияЧерчениеЭкологияЭкономикаЭлектроника






Введение






МИНИСТЕРСТВО ОБРАЗОВАНИЯ И НАУКИ РОССИЙСКОЙ ФЕДЕРАЦИИ

НОЯБРЬСКИЙ ИНСТИТУТ НЕФТИ И ГАЗА

(ФИЛИАЛ) ФЕДЕРАЛЬНОГО ГОСУДАРСТВЕННОГО БЮДЖЕТНОГО ОБРАЗОВАТЕЛЬНОГО УЧРЕЖДЕНИЯ ВЫСШЕГО ПРОФЕССИОНАЛЬНОГО ОБРАЗОВАНИЯ

«ТЮМЕНСКИЙ ГОСУДАРСТВЕННЫЙ НЕФТЕГАЗОВЫЙ УНИВЕРСИТЕТ»

(Филиал ТюмГНГУ в г. Ноябрьске)

Кафедра «Автоматизации и управления»

 

 

ОТЧЕТ ПО УЧЕБНОЙ ПРАКТИКЕ

НА ТЕМУ: «Магистральный нефтепровод»

Составил:

студент группыАТПбзс12

Батаев П.А.

 

Проверил:

Преподаватель

 

Ноябрьск 2014

Содержание

Изм.
Лист
№ докум.
Подпись
Дата
Лист
 
ТюмГНГУ. 220700.62. АТПбзс-12-1  
Разраб.
Батаев П.А.
Провер.
 
Реценз.
 
Н. Контр.
 
Утверд.
 
Магистральный нефтепровод
Лит.
Листов
 
Филиал ТюмГНГУ в г.Ноябрьске

 


ВВЕДЕНИЕ  
1 Вводная часть  
1.1 Структура управления ОАО " Сибнефтепровод"  
1.2 Назначение ОАО «Сибнефтепровод»  
2.ТЕХНИЧЕСКАЯ ЧАСТЬ 2.1 Техническое обслуживание линейной части МН  
2.2 Нефтеперекачивающие станции НПС  
2.3Головная нефтеперекачивающая станция.  
2.4 Промежуточные НПС  
2.5 Наладка оборудования линейной части 3 Охрана труда, техника безопасности систем пожара и электробезопасности на предприятии, вид опасности. 3.1 Виды опасности на предприятии  
3.2 Меры безопасности при эксплуатации и обслуживании оборудования  
3.3 Средства автоматического контроля  
ЗАКЛЮЧЕНИЕ СПИСОК ИСПОЛЬЗУЕМОЙ ЛИТЕРАТУРЫ  
     
       


 

 

ВВЕДЕНИЕ

 

Целью производственной практики является закрепление полученных теоретических знаний, и приобретение практического навыка.

Проходя практику в ОАО «Сибнефтепровод» мне была предоставлена информация, об обязанностях инженера по АСУТП. Обеспечивать правильную организацию и безопасное проведение работ, соблюдение инструкций по охране труда, по безопасной эксплуатации и техническому обслуживанию оборудования, инструкции по безопасному проведению работ и соблюдением систем пожара и электробезопасности на предприятии. Проводить в установленные сроки инструктажи с соответствующим оформлением документов. Доводить до сведения рабочих содержания приказов и распоряжений. Ознакомление с основными задачами и функциями информационного вычислительного центра; ознакомление с программным обеспечением предприятия;

Получение практических навыков реальной работы в данном отделе, закрепление и применение знаний, полученных в ходе обучения.

 

 

1 Вводная часть

1.1 Структура управления ОАО " Сибнефтепровод"

Ноябрьское управление магистральных нефтепроводов (НУМН) является филиалом ОАО «Сибнефтепровод», являющееся дочерним предприятием «АК» Транснефть». Управление занимается приемом и перекачкой нефти, а также техническим обслуживанием и ремонтом объектов магистральных нефтепроводов. Процесс перекачки нефти является непрерывным. В состав управления входят следующие объекты: Нефтеперекачивающая станция (НПС) «Холмогоры», НПС «Пур Пе», ЛЭС «Ханымей», центральная ремонтная служба (ЦРС), цех технологического транспорта и спецтехники (ЦТТ и СТ), участок погрузочно-разгрузочных работ (УПРР), база производственного обслуживания (БПО) куда входят участок ремонта, наладки, эксплуатации энергетического оборудования (УРНЭО), участок ремонта, техобслуживания телемеханики (УРТОТМ), участок по ремонту и обслуживанию средств автоматики и контрольно-измерительных приборов (УРТОСА), участок ремонта и наладки механо-технологического оборудования (УРНМТО), участок хозяйственного обслуживания, метрологическая и дефектоскопическая лаборатории.

 

1.2 Назначение ОАО «Сибнефтепровод»

Основные виды деятельности Компании:

- оказание услуг в области транспортировки нефти, и продуктов их переработки по системе магистральных трубопроводов

- транспортировка по магистральным трубопроводам нефти и продуктов их переработки

- эксплуатация магистрального трубопроводного транспорта

- хранение нефти, и продуктов их потребления

- реализация нефтепродуктов их потребления

Цели Компании в области безопасности труда и охраны здоровья определяются Политикой Компании в области охраны труда.

Задачами Компании являются:

- координация и управление процессом транспортировки нефти, и продуктов их переработки потребителям, включая транспортировку за пределы таможенной территории Российской Федерации;

- координация деятельности по комплексному развитию сети магистральных трубопроводов, перевалочных нефтебаз, железнодорожных эстакад и других объектов системы магистральных нефтепроводов;

- обеспечение соблюдения требований промышленной и экологической безопасности в целях надежной работы системы магистральных нефтепроводов;

- организация охраны труда на предприятиях системы магистральных нефтепроводов;

Трубопровод, предназначенный для перекачки нефтей, называется нефтепроводом.

По назначению нефтепроводы делятся на три группы:

внутренние,

местные

магистральные.

Внутренние нефтепроводы находятся внутри чего-либо: промыслов (внутрипромысловые), нефтебаз (внутрибазовые), нефтеперерабатывающих заводов (внутризаводские). Протяженность их невелика. Местные нефтепроводы соединяют различные элементы транспортной цепочки: нефтепромысел и головную станцию магистрального нефтепровода, нефтепромысел и пункт налива железнодорожных цистерн, либо судов. Протяженность местных нефтепроводов больше, чем внутренних и достигает нескольких десятков и даже сотен километров. К магистральным нефтепроводам (МНП) относятся трубопроводы протяженностью свыше 50 км и диаметром от 219 до 1220 мм включительно, предназначенные для транспортировки товарной нефти из районов добычи до мест потребления или перевалки на другой вид транспорта.

В зависимости от диаметра магистральные нефтепроводы подразделяются на четыре класса:

I класс - при условном диаметре от 1000 до 1200 мм включительно;

II класс - от 500 до 1000 мм включительно;

III класс - от 300 до 500 мм включительно;

IV класс - менее 300 мм.

Кроме того, нефтепроводы делят на категории, которые учитываются при расчете толщины стенки, выборе испытательного давления, а также при определении доли монтажных сварных соединений. подлежащих контролю физическими методами.

Обычно нефтепроводы диаметром менее 700 мм относятся к IV категории, а диаметром 700 мм и более - к III-ей. Однако отдельные участки нефтепровода, проложенные в особых условиях, могут иметь и более высокую категорию (I. II, В). Так, переходы нефтепро- водов через водные преграды имеют категории В и I, переходы через болота различных типов - В, II и III, переходы под автомобильными и железными дорогами - I и III и т.д. Поэтому толщина стенки магистральных нефтепроводов неодинакова по длине.

Основные объекты и сооружения магистрального нефтепровода.

Магистральный нефтепровод в общем случае, состоит из следующих комплексов сооружений:

- подводящие трубопроводы;

- головная и промежуточные нефтеперекачивающие станции (НПС);

- конечный пункт;

- линейные сооружения.

Подводящие трубопроводы связывают источники нефти с головными сооружениями МНП.

Конечным пунктом магистрального нефтепровода обычно является нефтеперерабатывающий завод или крупная перевалочная нефтебаза.

К линейным сооружениям магистрального нефтепровода относятся: 1) собственно трубопровод (или линейная часть); 2) линейные задвижки; 3) средства защиты трубопровода от коррозии (станции катодной и протекторной защиты, дренажные установки); 4) переходы через естественные и искусственные препятствия (реки, дороги и т.п.); 5) линии связи; 6) линии электропередачи; 7) дома обходчиков; 8) вертолетные площадки; 9) грунтовые дороги, прокладываемые вдоль трассы трубопровода.

Собственно трубопровод - основная составляющая магистрального нефтепровода - представляет собой трубы, сваренные в `нитку', оснащенные камерами приема и пуска скребков, разделителей, диагностических приборов, а также трубопроводы-отводы.

 

2.ТЕХНИЧЕСКАЯ ЧАСТЬ

 

2.1 Техническое обслуживание линейной части МН включает:

- патрулирование трассы нефтепровода – визуальные наблюдения с целью своевременного обнаружения опасных ситуаций, угрожающих целостности и безопасности МН и безопасности окружающей среды;

- регулярные осмотры и обследования всех сооружений с применением технических средств с целью определения их технического состояния.

Техническое обслуживание линейной части МН должно проводиться ЛЭС и специализированными организациями, имеющими лицензию на проведение соответствующих работ.

 

2.2 Нефтеперекачивающие станции НПС

 

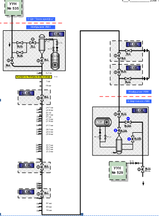
Для создания и поддержания в трубопроводе напора, достаточного для обеспечения транспортировки нефти, необходимы нефтеперекачивающие станции. Основное назначение каждой нефтеперекачивающей станции состоит в том, чтобы забрать нефть из сечения трубопровода с низким напором, с помощью насосов увеличить этот напор и затем ввести нефть в сечение трубопровода с высоким напором. Основными элементами НПС являются насосные агрегаты, резервуары, системы подводящих и распределительных трубопроводов, узлы учета, устройства приема и пуска очистных устройств и поточных средств диагностики, а также системы смазки, вентиляции, отопления, энергоснабжения, водоснабжения, автоматики, телемеханики и т.п. показана на рис 1.

 

Рис 2.1

Нефтеперекачивающие (насосные) станции подразделяются на головные (ГНПС) и промежуточные (ПНПС). Головная нефтеперекачивающая предназначается для приема нефти с установок её подготовки на промысле или из других источников и последующей закачки нефти в магистральный нефтепровод. Промежуточные станции обеспечивают поддержание в трубопроводе напора, достаточного для дальнейшей перекачки.

Объекты, входящие в состав ГНПС и ПНПС, можно условно подразделить на две группы: первую - объекты основного (технологического) назначения и вторую - объекты вспомогательного и подсобно-хозяйственного назначения. К объектам первой группы относятся: резервуарный парк; подпорная насосная; узел учёта нефти с фильтрами; магистральная насосная; узел урегулирования давления и узлы с предохранительными устройствами; камеры пуска и приёма очистных устройств; технологические трубопроводы с запорной арматурой.

К объектам второй группы относятся: понижающая электроподстанция с распределительными устройствами; комплекс сооружений, обеспечивающих водоснабжение станции; комплекс сооружений по отводу промышленных и бытовых стоков; котельная с тепловыми сетями; инженерно-лабораторный корпус; пожарное депо; узел связи; механические мастерские; мастерские ремонта и накладки контрольно-измерительных приборов (КИП); гараж; складские помещения; административно-хозяйственный блок и т.д.

 

2.3 Головная нефтеперекачивающая станция

 

Комплекс сооружений, расположенный в начале магистрального нефтепровода или его отдельного эксплуатационного участка и предназначенный для накопления и перекачки по трубопроводу нефти и нефтепродуктов.

В состав головной нефтеперекачивающей станции входят: насосные станции (основная и подпорная), резервуарный парк, сеть технологических трубопроводов, электроподстанция, котельная, объекты водоснабжения и канализации, подсобные и административные здания, культурно-бытовые объекты и др. Насосные станции оборудуют центробежными насосами с подачей до 12500 м3/ч. Количество насосов на основной станции 3-4, один из них -- резервный. Соединение насосов, как правило, последовательное. В качестве привода преимущественно применяются электродвигатели мощностью до 8000 кВт. Насосы подпорной станции создают дополнительное давление на входе основных насосов, необходимое для их бескавитационной работы. Резервуарный парк головной нефтеперекачивающей станции включает металлические и железобетонные резервуары с единичным объёмом 50 000 м3. Вместимость парка зависит от объёма перекачки, а при последовательном её характере от числа циклов.

Технологические трубопроводы головной нефтеперекачивающей станции оборудуются переключающими, предохранительными и регулирующими устройствами, обеспечивающими приём нефти и нефтепродуктов, очистку их от механических примесей, замер и учёт их количества, защиту трубопроводов и резервуарного парка от повышения давления, регулирование давления на выходе станции, периодический запуск специальных устройств для очистки внутренней полости трубопровода. Схема технологических трубопроводов обеспечивает работу насосов в любых сочетаниях, а также возможность прямой, обратной и внутристанционной перекачки.

Головная нефтеперекачивающая станция при последовательной перекачке нефтепродуктов оборудуется специальной лабораторией по контролю качества нефтепродуктов и приборами для быстрого и точного определения концентрации одного нефтепродукта в другом. Головная нефтеперекачивающая станция трубопровода, по которому перекачивают подогретые нефти, снабжается подогревательными устройствами (печами, теплообменниками). При сооружении магистральных трубопроводов применяются блочно-комплектные насосные станции, включающие набор отдельных блоков технологического, энергетического и вспомогательно-функционального назначения, а также общее укрытие для магистральных насосных агрегатов с узлами обвязки их трубопроводами и другими коммуникациями. Технологическое оборудование, аппаратура, контрольно-измерительные приборы размещаются в блок-боксах, монтажных блоках и блок-контейнерах, которые изготовляют и собирают в заводских условиях, а затем в готовом виде транспортируют к месту строительства.

На головных нефтеперекачивающих станциях осуществляются следующие технологические операции: приём и учёт нефти; краткосрочное хранение нефти в резервуарах; внутристанционные перекачки нефти (из резервуара в резервуар); закачка нефти в магистральный трубопровод; пуск в трубопровод очистных и диагностических устройств. На ГНПС может производиться подкачка нефти из других источников поступления, например, из других нефтепроводов или попутных нефтепромыслов.

 

 

Рис. 2.2 Технологическая схема ГНПС: 1.подпорная насосная, 2.площадка фильтров и счетчиков, 3. Основная насосная, 4. Площадка регуляторов, 5. Площадка пуска скребков, 6. Резервуарный парк.

 

2.4 Промежуточные НПС

 

Служат для восполнения энергии, затраченной потоком на преодоление сил трения, с целью обеспечения дальнейшей перекачка нефти. Промежуточные НПС размешают по трассе трубопровода согласно гидравлическому расчету (через каждые 50...200 км).

На промежуточных нефтеперекачивающих станциях происходит повышение напора транспортируемой нефти с целью обеспечения её дальнейшей перекачки. При работе ПНПС “из насоса в насос” (т.е режиме, при котором конец предыдущего участка нефтепровода подключен непосредственно к линии всасывания насосов следующей НПС) промежуточные НПС не имеют резервуарных парков; в других случаях, когда перекачка ведется через резервуары или с подключенными резервуарами такие парки на ПНПС имеются. На ПНПС устанавливаются также системы сглаживания волн давления и защиты от гидравлических ударов.

Принципиальная технологическая схема промежуточной НПС приведена на рис. 2.3

Рис 2.3 Технологическая схема НПС

 

Она включает магистральную насосную 1. площадку регуляторов давления, площадку пуска и приема скребков 3, а также площадку с фильтрами-грязеуловителями 4. Нефть, поступающая из магистрального трубопровода, сначала проходит через фильтры грязеуловители, затем приобретает в насосах энергию, необходимую для дальнейшей перекачки, и после регулирования давления на площадке 2 закачивается в следующий участок магистрального нефтепровода.

Кроме технологических сооружении на головной и промежуточных НПС имеются механическая мастерская, понизительная электроподстанция, котельная, объекты водоснабжения н водоотведения, подсобные и административные помещения и т.д.

Рис. 2.4 Технологическая схема ПНПС: 1. Основная насосная, 2. Помещение с регулирующими клапанами, 3. Устройство приема и пуска скребка, 4. Площадка с фильтрами-грязеуловителями.

 

Как правило, магистральные нефтепроводы разбивают на так называемые эксплуатационные участки с протяженностью 400 - 600 км, состоящие из 3 - 5 участков, разделенных ПНПС, работающих в режиме “из насоса в насос”, и, следовательно, гидравлически связанных друг с другом. В то же время эксплуатационные участки соединяются друг с другом через резервуарные парки, так что в течение некоторого времени каждый эксплуатационный участок может вести перекачку независимо от соседних участков, используя для этого запас нефти своих резервуаров. Для снижения затрат на сооружение НПС используется метод блочно-комплектного или блочно-модульного их исполнения. Главное преимущество этого метода достигается тем, что на территории станций практически отсутствуют сооружения из кирпича, бетона или железобетона. Все оборудование станции, включая автоматику, входит в состав функциональных блоков, монтируется и испытывается на заводе, затем в транспортабельном виде доставляется на строительную площадку. При этом блочно-модульные НПС могут быть открытого типа, т.е насосные агрегаты вместе со всеми системами могут размещаться под навесом на открытом воздухе. От воздействия погодных условий насосные агрегаты защищаются индивидуальными металлическими кожухами с автономными системами вентиляции и подогрева. Такие станции работают при температуре окружающего воздуха от -40 до +50 С. При капитальном ремонте предусматривается замена всего блок-бокса в сборе.

 

2.5 Наладка оборудования линейной части магистрального нефтепровода

 

Наладка автоматических систем на технологический режим является завершающим и самым ответственным этапом всего комплекса наладочных работ. Включение системы производится вначале по отдельным каналам технологического контроля и измерения, каналам дистанционного управления, после чего включается вся система. Очередность наладки приборов и средств автоматизации определяется графиком, согласованным с технологической службой предприятия и утвержденной главным инженером.

Прежде чем начать наладочные работы в системах и устройствах измерения давления, необходимо проверить правильность их монтажа. При этом особое внимание надо обращать на следующее:

· Обеспечение защиты чувствительного элемента измерительного прибора от воздействия высокой температуры рабочей среды, больших пульсаций давления и т.д.;

· Предотвращение возникновения в соединительных линиях газовых мешков при измерении давления жидкости;

· Наличие в случае необходимости устройств ля сбора и выпуска воздуха в верхних точках при измерении давления жидкости;

· Принятие мер ля предотвращения замерзания жидкости в импульсных трубках наружных установок.

· После проверки правильности монтажа систем измерения давления и устранения возможных дефектов приступают к их наладке. Перед подачей давления на прибор необходимо тщательно продуть импульсные линии.

Давление на измерительный прибор подается при работающем технологическом оборудовании и наличии давления измеряемой среды. Запорный вентиль нужно открывать плавно, причем, если запорная арматура установлена у отборного устройства и у манометра, сначала открывают вентиль у отборного устройства. При открывании трехходового крана перед прибором следуют остерегаться удара измеряемой среды через продувочное отверстие, особенно при продувке.

После пробного включения прибора на проверить установку его стрелки на нуль, для чего отсоединяют прибор от измеряемой среды. Если по истечении 2 минут стрелка не установиться на нуль, то ее устанавливают в это положение с помощью корректора нуля прибора. Затем прибор подсоединят к среде, давление которой измеряется.

Наладка датчика прохождения скребка ДПС-5В и манометра МП-3 не требуется, так как они поступают с завода-изготовителя в рабочем виде и внутренняя полость залита герметикам с целью герметизации и вскрытию не подлежит.


Поделиться с друзьями:

mylektsii.su - Мои Лекции - 2015-2026 год. (0.581 сек.)Все материалы представленные на сайте исключительно с целью ознакомления читателями и не преследуют коммерческих целей или нарушение авторских прав Пожаловаться на материал