Студопедия

Главная страница Случайная страница

КАТЕГОРИИ:

АвтомобилиАстрономияБиологияГеографияДом и садДругие языкиДругоеИнформатикаИсторияКультураЛитератураЛогикаМатематикаМедицинаМеталлургияМеханикаОбразованиеОхрана трудаПедагогикаПолитикаПравоПсихологияРелигияРиторикаСоциологияСпортСтроительствоТехнологияТуризмФизикаФилософияФинансыХимияЧерчениеЭкологияЭкономикаЭлектроника






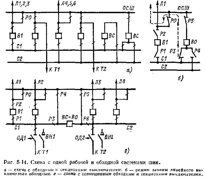
Г) Схемы с одной рабочей и обходной системами шин






При большом количестве присоединений на повышенном напря­жении возможно применение схем с одиночной секционированной системой шин (рис.. 5-8). Эта схема обладает рядом существенных недостатков, в том числе необходимостью отключения линий или источников питания на все время ремонта выключателя в их цепи. При напряжении 35 кВ отключение линии будет непродолжитель­ным, так как длительность ремонта выключателей невелика. В этот период используется резерв по сети, чтобы обеспечить питание потре­бителей. При напряжениях 110 кВ и выше длительность ремонта выключателей, особенно воздушных, возрастает и становится недо­пустимым отключать цепь на все время ремонта, поэтому схема по рис. 5-8 применяется обычно для РУ 35 кВ.

Одним изважных требований к схемам на стороне высшего напряжения является создание условий для ревизий и опробований выключателей без перерыва работы. Этим требованиям отвечает схема с обходной системой шин (рис. 5-14). В нормальном режиме обходная система шин OCIII находится без напряжения, разъединители РО, соединяющие линии и трансформаторы с ОСШ отключе­ны. В схеме предусматривается обходной выключатель ВО, который может быть присоединен к любой секции с помощью развилки из двух разъединителей. Секции в этом случае расположены параллельно друг другу. Выключатель ВО может заменить любой другой выклю­чатель, для чего надо произвести следующие операции: включить обходной выключатель ВО для проверки исправности ОСШ, отключить

ВО, включить РО, включить ВО, отключить выключатель 1 отключить разъединители Р1 и Р2.


Поделиться с друзьями:

mylektsii.su - Мои Лекции - 2015-2026 год. (0.998 сек.)Все материалы представленные на сайте исключительно с целью ознакомления читателями и не преследуют коммерческих целей или нарушение авторских прав Пожаловаться на материал