Студопедия

Главная страница Случайная страница

КАТЕГОРИИ:

АвтомобилиАстрономияБиологияГеографияДом и садДругие языкиДругоеИнформатикаИсторияКультураЛитератураЛогикаМатематикаМедицинаМеталлургияМеханикаОбразованиеОхрана трудаПедагогикаПолитикаПравоПсихологияРелигияРиторикаСоциологияСпортСтроительствоТехнологияТуризмФизикаФилософияФинансыХимияЧерчениеЭкологияЭкономикаЭлектроника






Расчетно-графическая работа №3






«Переходные процессы в линейных электрических цепях»

 

Задание

По исходным данным, приведенным в таблице 1, необходимо:

- определить мгновенное значение искомого переходного тока или напряжения классическим методом;

- определить мгновенное значение искомого переходного тока или напряжения операторным методом;

- построить график изменения искомого тока или напряжения во времени.

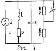
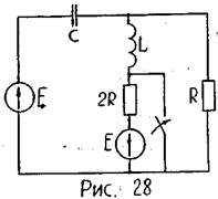
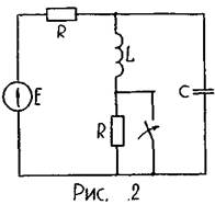
Примечание: номер схемы на рис. 1 - 28 соответствует номеру варианта.

 

Таблица 1.

№ варианта Е, В I, А L, Гн С, Ф R, Ом Искомая величина
      5*10-1 3*10-5   iL
    - 5*10-3 2*10-5   uC
  -   5*10-3 4*10-5   iR
  -   5*10-3 5*10-5   iC
    - 10-2 3*10-5   iL
    - 10-2 2*10-5   uC
    - 10-2 10-5   iR
    - 10-2 4*10-5   iC
    - 15*10-3 5*10-5   iL
    - 15*10-3 4*10-5   uC
    - 15*10-3 3*10-5   uL
    - 15*10-3 2*10-5   iR
    - 20*10-3 10-5   uC
    - 20*10-3 5*10-5   iL
    - 20*10-3 6*10-5   iR
    - 20*10-3 4*10-5   uL
  -   5*10-3 3*10-5   uC
  -   5*l0-3 7*10-5   iL
  -   5*10-3 6*10-5   iR
  -   5*10-3 5*10-5   uL
    - 10-2 4*10-5   iL
    - 10-2 3*10-5   uC
    - 10-2 2*10-5   iR
    - 10-2 10-5   uL
    - 2*10-2 5*10-5   iL
    - 3*10-2 6*10-5   uL
    - 4*10-2 5*10-5   uC
    - 5*10-2 4*10-5   iC


 

 

 

 

 

 

 

 


Поделиться с друзьями:

mylektsii.su - Мои Лекции - 2015-2026 год. (1.679 сек.)Все материалы представленные на сайте исключительно с целью ознакомления читателями и не преследуют коммерческих целей или нарушение авторских прав Пожаловаться на материал