Студопедия

Главная страница Случайная страница

КАТЕГОРИИ:

АвтомобилиАстрономияБиологияГеографияДом и садДругие языкиДругоеИнформатикаИсторияКультураЛитератураЛогикаМатематикаМедицинаМеталлургияМеханикаОбразованиеОхрана трудаПедагогикаПолитикаПравоПсихологияРелигияРиторикаСоциологияСпортСтроительствоТехнологияТуризмФизикаФилософияФинансыХимияЧерчениеЭкологияЭкономикаЭлектроника






Принцип действия трансформатора основан на.






Правильный ответ: законе электромагнитной индукции

256) Если – число витков первичной обмотки, а – число витков вторичной обмотки, то однофазный трансформатор является понижающим, когда…

Правильный ответ:

257) Если w 1 – число витков первичной обмотки, а w 2 – число витков вторичной обмотки, то однофазный трансформатор является повышающим, когда…

Правильный ответ: w 1 < w 2

258) Если число витков первичной обмотки w 1 = 1000, а число витков вторичной обмотки w 2 = 200, то коэффициент трансформации составит …

Правильный ответ: 5

259) Действующее значение ЭДС первичной и вторичной обмоток однофазного трансформатора определяют выражения…

Правильный ответ: Е 1 = 4, 44 w 1 m Е 2 = 4, 44 w 2 m ¨

260) Коэффициент трансформации трансформатора с наибольшей точностью определяется в режиме…

261) Правильный ответ: холостого хода

262) В опыте холостого хода трансформатора показание ваттметра равно…

Правильный ответ: потерям в магнитопроводе

263) Если внешняя характеристика трансформатора при активной нагрузке представлена кривой «а», то кривая «б» соответствует нагрузке…

264) Правильный ответ: емкостной

Условному графическому обозначению трехфазного трансформатора с магнитопроводом при соединении обмоток звезда - звезда с выведенной нейтральной точкой соответствует рисунок...

Правильный ответ: 1)

266) Трехфазному мостовому выпрямителю соответствует схема…

Правильный ответ: 3

267) Прибору мэлектродинамической системы соответствует обозначение…

Правильный ответ: 4

268) На рисунке приведено условное обозначение…

Правильный ответ: диодного тиристора

269) У биполярных транзисторов средний слой называют…

Правильный ответ: базой

270) На рисунке приведена схема включения полевого транзистора с общим…

Правильный ответ: истоком

271) На рисунке приведена схема …

Правильный ответ: инвертирующего усилителя

272) На графике f2 определяет для усилителя…

Правильный ответ: верхнюю граничную частоту усиления

273) Приведеная временная диаграмма напряжения на выходе выпрямителя соответствует…

Правильный ответ: однофазной выпрямительной схеме с выводом средней точки вторичной обмотки трансформатора

 

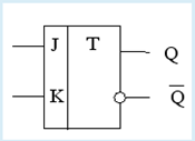
274) Приведенное условное обозначение соответствует…

Правильный ответ: J – K триггеру

275) Приведены временные диаграммы напряжения на входе (а) и выходе устройства (б). Данное устройство…

 

Правильный ответ: сглаживающий фильтр

 

276) Как изменится мощность, потребляемая из сети при замыкании рубильника р (рис.32)?

Правильный ответ: Увеличится

277) Определить величину тока в цепи катушки, подключенной к сети переменного тока, напряжением 127 В, если сопротивление ее постоянному току 0, 5 Ом, f = 50 Гц, cos φ кат = 0, 7.

Правильный ответ: 178 А

278) Какая векторная диаграмма соответствует соединению потребителей треугольником при симметричной нагрузке?

Правильный ответ: 2

279) Испытания трансформатора показали следующие результаты:

Опыт холостого хода U1=250 В; I1=0, 05 A; Р1= 3 Вт; U2= 25 В
Опыт короткого замыкания U1=25 В; I1=1 A; Р1= 24 Вт; I2= 10 A

Коэффициент трансформации равен

Правильный ответ: 10

280) Тиристор показан на рисунке…

Правильный ответ: 4

281) Однополупериодной схеме выпрямления соответствует временная диаграмма напряжения…

Правильный ответ: 2

282) Приведенному логическому элементу «И» соответствует таблица истинности…

Правильный ответ: а

283) В полевом транзисторе управляющий электрод называется …

Правильный ответ: затвором

284) Приведенной таблице истинности соответствует схема…

Правильный ответ: 4

 


Поделиться с друзьями:

mylektsii.su - Мои Лекции - 2015-2026 год. (3.437 сек.)Все материалы представленные на сайте исключительно с целью ознакомления читателями и не преследуют коммерческих целей или нарушение авторских прав Пожаловаться на материал