Студопедия

Главная страница Случайная страница

КАТЕГОРИИ:

АвтомобилиАстрономияБиологияГеографияДом и садДругие языкиДругоеИнформатикаИсторияКультураЛитератураЛогикаМатематикаМедицинаМеталлургияМеханикаОбразованиеОхрана трудаПедагогикаПолитикаПравоПсихологияРелигияРиторикаСоциологияСпортСтроительствоТехнологияТуризмФизикаФилософияФинансыХимияЧерчениеЭкологияЭкономикаЭлектроника






Мероприятия по контролю за разработкой газоконденсатных залежей






На текущем этапе разработки при бурении новых скважин необходимо провести исследования на стационарных и нестационарных режимах фильтрации для определения зависимости дебита газа от депрессии на пласт и давления на устье, коэффициентов фильтрационного сопротивления «А» и «В», проницаемости, уточнить продуктивные и емкостные характеристики рассматриваемой залежи.

На новом и ранее пробуренном фонде для надежного обоснования показателей разработки месторождения, необходимо провести следующие исследования:

– изучить продуктивную характеристику эксплуатационных скважин, характер отработки призабойной зоны;

– определить максимально допустимую депрессию по данным специальных исследований эксплуатационных скважин;

– провести исследования по определению фактических значений коэффициентов сопротивления забойного оборудования, лифтовых колонн и прискважинных сооружений;

– провести физико-химические исследования по определению состава газа и конденсата; выхода конденсата при различных давлениях и температурах сепарации газа при данном пластовом давлении; составить изотермы конденсации для сырого и стабильного конденсата; потенциального содержания конденсата;

– оценить условия гидратообразования на различных режимах.

Кроме того, необходимо определить количество выносимых жидких и твердых частиц примесей с забоя скважин на различных режимах работы скважин и условия разрушения призабойной зоны, а также коэффициент гидравлического сопротивления забойного оборудования, лифтовых колонн и прискважинных сооружений.

Перечисленные задачи для газодобывающих скважин решаются с помощью комплекса ГИС и ГДИС, который проводится как в остановленной, так и в работающей скважине на нескольких режимах работы.

Качественные результаты исследований газодобывающих скважин могут быть получены только в тех скважинах, где башмак насосно-компрессорных труб располагается на 10-15 см выше интервала перфорации. Исследования в работающей скважине выполняются не менее чем на 3-х стационарных режимах фильтрации. Регистрация кривых РК в интервале «устье скважины-кровля продуктивной толщи» осуществляется с целью обнаружения скоплений газа за колонной.

Комплекс исследования газодобывающих скважин включает в себя (М 1: 200): дебитометрию, термометрию, манометрию, радиоактивный каротаж, гамма-каротаж, нейтронный-гамма-каротаж (НГК). Для этого применяются: гидродинамические расходомеры (РГД-4; РГД-5 и др.), термометр ТДА, индикатор притока СТД, влагомер ВГД-2, плотностномер ГГП, резистивимер РИС-36, 42, магнитный локатор муфт. Помимо этого, должны быть проведены специальные исследования по определению условий образования гидратов в скважинах и в выкидных линиях для того, чтобы в дальнейшем при эксплуатации месторождения дать рекомендации по соблюдению безгидратного режима.

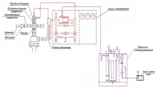
Газоконденсатные исследования в эксплуатационных скважинах наряду с использованием стационарных сепарационных установок, рекомендуется проводить с использованием «Комплекса промыслового измерительного КПИ-1» (сертификат соответствия № РОСС RU НХ 28.В00099) без выпуска газа в атмосферу.

Комплекс предназначен:

– для отбора части многофазного потока добывающих скважин;

– для измерения дебита добывающих скважин по нефти (конденсату) и газу;

– для определения обводненности продукции добывающих скважин;

– для определения соотношения газ - жидкость (газовый или газоконденсатный фактор, газосодержание) в продукции добывающих скважин.

– для отбора проб продукции скважины и их последующих лабораторных исследований.

КПИ-1 является мобильным устройством для исследования добывающих нефтяных, газоконденсатных скважин, состоящим из трех составных частей: пробоотборник, блок управления, сепарационная емкость.

Для комплекса КПИ-1 рабочей средой является смесь нефти, воды и газа со следующими параметрами:

– рабочее давление, МПа…………………………………………………..……до 70;

– температура, °С………………………………………… от минус 20 до плюс 100;

– кинематическая вязкость жидкости, м2/с………..…………… от 1× 10-6 до 120× 10-6;

– плотность жидкости, кг/м3……………………………………………от 600 до 1200;

– содержание воды, % ………………………………………………….……… до 100;

– наличие растворов NaCl или CaCl2 с объёмным содержанием СО2, %, не более...1;

Комплекс КПИ-1 обеспечивает измерение дебита нефтяных и газоконденсатных скважин при следующих технологических характеристиках:

– давление сепарации, МПа…………………………………………..… от 0, 1 до 5, 0;

– температура сепарации, °С……………………………… от минус 10 до плюс 30;

– структура потока скважины………………………………………….....… любая.

Достоинства комплекса:

– экологичность (без выпуска газа на ГФУ);

– мобильность (состоит из 3-х блоков весом менее 50 кг, что позволяет доставить любым транспортом, быстрый монтаж и демонтаж – не более часа);

– высокая технологичность (исследования без нарушения эксплуатационного режима, широкий диапазон по соотношению «жидкость-газ»);

– экономичность (уменьшение потерь при добыче УВ).

Устройство и принцип работы комплекса КПИ-1 представлен на рис. 11.2.1.

Общая схема мониторинга разработки месторождения с выходом на корректировку геолого-гидродинамической модели представлена на рисунке 11.2.2.

Состав промыслово-геофизического контроля за разработкой представлен
на рисунке 11.2.3.

 

Рисунок 11.2.1 Устройство и принцип действия КПИ-1

Рисунок 11.2.2 Информационное наполнение динамической системы «залежь
углеводородов – действующие скважины»

Рисунок 11.2.3 Состав промыслово-геофизического контроля за разработкой

 


Поделиться с друзьями:

mylektsii.su - Мои Лекции - 2015-2026 год. (2.426 сек.)Все материалы представленные на сайте исключительно с целью ознакомления читателями и не преследуют коммерческих целей или нарушение авторских прав Пожаловаться на материал