Студопедия

Главная страница Случайная страница

КАТЕГОРИИ:

АвтомобилиАстрономияБиологияГеографияДом и садДругие языкиДругоеИнформатикаИсторияКультураЛитератураЛогикаМатематикаМедицинаМеталлургияМеханикаОбразованиеОхрана трудаПедагогикаПолитикаПравоПсихологияРелигияРиторикаСоциологияСпортСтроительствоТехнологияТуризмФизикаФилософияФинансыХимияЧерчениеЭкологияЭкономикаЭлектроника






Рентгеновская техника






Экранно-пленочные рентгенодиагностические системы относят к разряду классических. В их состав входят рентгеновские трубки (рис.), излучающие рентгеновские лучи определенной интенсивности с фокусирующими приспособлениями. и приемники излучения, в которых формируется рентгеновское изображение на рентгеновской пленке и экране.

Схема генератора рентгеновских лучей

Разогретый катод (К) служит источником электронного потока, который разгоняется в сильном электрическом поле, приложенном между катодом и анодом (А) в вакуумной трубке. Электроны, долетевшие до анода. тормозятся им, в результате чего возникает высокочастотное э/м излучение, называемое тормозным и имеющее непрерывный спектр до некоторой предельной частоты.

Для рентгенотехники используются длины воли от 10-5 до 10-1 нм, анодные напряжения порядка 25...150 кВ с энергией γ -квантов от 20 до 150 кэВ.

Корпус (баллон) рентгеновской трубки изготовлен из термостойкого стекла. Иногда средняя часть трубки выполняется с применением металлов. что позволяет избежать электролиза стекла и частично снимать проблему теплоотвода. Чтобы улучшить теплоотвод, среднюю часть делают с расширением или используют схемы принудительного охлаждения с масляным теплоносителем. В качестве источников электронов обычно используется вольфрамовый катод с рабочей температурой около 20000С. Для фокусировки электронного пучка катод помещается в никелевую капсулу. Угол скоса анода выбирается около 17 град по отношению к оси трубки. В качестве материала анода обычно используют вольфрам и молибден, иногда с различными добавками. Для увеличения срока службы и улучшения теплоотвода в некоторых конструкциях трубок используют аноды специальной формы, слойные, вращающиеся аноды и т.д.

Простейшим приемником в рентгенодиагностике является рентгеновская пленка прямого изображения (взаимодействие квантов рентгеновских лучей с зернами бренного серебра).

Для устранения недостатка сниженной контрастной чувствительности и пространственной разрешающей способности (в связи с вредным влиянием ренгеновских лучей яркость не превышает 10-2 кд/м2 - канделы) используют электронно-оптические усилители рентгеновского изображения (УРИ), способные усиливать яркость изображения за счет ускорения электронов с помощью внешнего электрического поля.

Структурная схема усилителя яркости рентгеновского излучения: РИ - рентгеновский излучатель; О - объект; Э - экран; ФК - фотокатод; ФПл - фокусирующие пластины; ВхЭ - выходной экран; Об – объектив

Рентгеновское излучение, прошедшее через об., попадает через стекло вакуумной колбы на экран, преобразующий его в свет. Вплотную к экрану расположен слой фотокатода, из которого под действием света выбиваются электроны. Ускоренные электрическим полем электроны с помощью фокусирующих пластин направляются на выходной экран из катода люминофора, где превращаются в свет, во много раз усиленный по яркости. УРИ позволяют не только усиливать яркость, но и снижать дозы излучения.

С появлением цифровых ЗУ и устройств ввода изображений в ПЭВМ началась разработка цифровых приемников рентген. изображений, совмещенных с УРИ - матричные приемники, сочетающие технологию цезий-йодного экрана с матрицей кремниевых фотодиодов (минимальные потери фотонов).

Другая разновидность плоских приемников - матрицы тонкопленочных полевых транзисторов, покрытых аморфным селеном (высокое качество изображения, отсутствует многоступенчатый процесс преобразования - рентгеновские кванты преобразуются в потенциальный рельеф зарядов, они -в видеосигнал).

В УРИ на рентгеновских электрооптических преобразователях (РЭОП) пять этапов преобразования: 1) рентгеновские кванты экраном преобразуются в световые фотоны; 2) фотоны фотокатодом - в электроны; 3) электроны - в фотоны на выходном экране РЭОП; 4) фотоны - в электроны в ПЗС-матрице; 5) электроны считываются из пикселов ПЗС-матрииы в виде видеосигнала.

Использование цифровых приемников позволяет снизить лучевую нагрузку на пациента (время включения рентгеновского луча в таких системах определяется временем захвата кадра изображения цифровыми элементами памяти, что делает эти аппараты практически безопасными), осуществлять математическую обработку, дистанционную передачу снимков, создавать цифровой архив. Экономичность (отсутствие фотолабораторий и дорогих фотопленок и химреактивов).

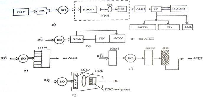
В настоящее время в медицинской практике используется несколько типов конструкций цифровых рентгенодиагност. аппаратов (ЦРА), различающихся, прежде всего, типом детектора. Общие элементы в этих аппаратах - рентген. питающее устройство (РПУ) (с СЧ или ВЧ высоковольтным генератором), рентген. излучатель (РИ) (трубка) и система цифровой обработки электр. сигнала.

Варианты схем ЦРА: ТП- телевизионный прибор; ЗУ- запоминающее устройство; МТВ- телевизионный монитор; Пт- принтер; ЦДс- цифровой дисплей; ЗЛФ- запоминающий люминофор; ЛУ- лазерное устройство; ФЭУ- фотоэлектрический умножитель; ПТМ- полномасштабная твердотельная матрица; Клл1 и Клл2- входной и выходной коллиматоры; ЛП- линейка-преобразователь; ВЛЭ- входной люминесцентный экран; СОб- светосильный объектив

А - в РЭОП, расположенным за пациентом скрытое изображение визуализируется и через объектив проецируется на входное окно телевизионного прибора. Потом аналоговый сигнал оцифровывается в АЦП и фиксируется в виде цифрового изображения в запоминающем устройстве. Из памяти изображение путем обратного ЦАП выводится на экран МТВ, с помощью ЭВМ обрабатывается и на длительное хранение. У таких систем большая чувствительность (почти все кванты рентген. излучения проходящие через окно РЭОП преобразуются в эл. сигнал). Но при большом поле зрения (например легкие) производство аппаратов связано с определенными технологическими трудностями - увеличение стоимости аппарата. Например, флюорограф ФСЦ-У-01 - обследование легких с РЭОП диаметром 12 дюймов. Исследование проводится в импульсном режиме при 4 положениях РЭОП относительно пациента (электромех. система) за 5 с., а затем цифровой снимок образуется в результате " сшивки 4 фрагментов" (385*385мм, 1024*1024, 70мкР).

Б детектором рентген. излучения является запоминающий люминофор, фиксирующий скрытое рентген. излучение. Детектор с ЗЛФ выполняется в виде плоского экрана (центральный пучок) или наносится на цилиндр (веерный пучок излучения). После рентген. воздействия люминофор хранит скрытое изображение в течение 6ч. Считывание производится тонким лучом инфракрасного лазерного устройства. Под воздействием лазера накопленная в люминофоре энергия освобождается в виде вспышек света (интенсивность пропорциональна числу рентгеновских фотонов, поглощенных запоминающим слоем). Вспышки света улавливаются фотоэлектрическим умножителем и преобразуются в электрический сигнал, далее на АЦП и т.д.. который, пройдя АЦП. После окончания считывания оставшееся изображение стирается путем облучения поверхности люминофора интенсивным видимым светом (далее можно использовать снова). Преимущества метода люминесцентной цифровой радиографии (ЛЦР) - больший динамический диапазон, снижение дозы, не надо использовать фотоматериалы с содержанием серебра (ЛЦР- многоразовое), возможность управления параметрами изображения при помощи ПК. Важнейший элемент- экран, содержащий люминофор (кристаллофосфор), обладающий способностью к фотолюминесценции (ФСЛ). К ним предъявляются жесткие требования: высокий энергетический выход ФСЛ, далеко расположенные друг от друга полосы излучения и стимуляции (для разделения и выбора ФЭУ и светофильтров), быстрое затухание от лазера (обеспечение скорости считывания и предотвращение наложения сигналов от разных участков), длительное сохранение запасенной энергии, линейная зависимость (интенсивность ФСЛ от дозы излучения), эффективное поглощение рентген. излучения.

Люминесцентные преобразователи (преобразуют рентген. излучение в видимый свет):

ü с длительным послесвечением (ZnS(Cu) и ZnS(Cu, Co)) - большой рабочий цикл (стирание, охлаждение, зарядка экрана, экспонирование, анализ)-10-15 минут, наносится на Al подложку (слой толщиной 0, 3-0‚8 мм), разрешающая способность 3-6 пар линий на мм;

ü электролюминесцентные экраны ZnCd(Cu, Co) дают видимое изображение при одновременном воздействии рентгеновского излучения и электрического поля. Время сохранения изображения 5-10 мин. Изображение строится путем снятия электрического поля. Яркость 10-15 кд/м2, почти не передают полутонов.

ü термолюминесцентные преобразователи (ТЛП) - с одновременным нагревом для анализа (CaSO4 (Mn) CaSO4 (Sm самарий)) - нечувствительны к видимому свету, изображение сохраняется до 15-20 сут. Качество зависит от однородности теплового поля и скорости нагрева.3-4 пары линий на мм, контрастная чувствительность 3-4% при дозе до 100Р.

ü со вспышечным люминофором аналогичны ТЛП, только для стимуляции свечения требуют ИК-излучения, гигроскопичны (поглощают водяные пары из воздуха) и чувствительны к видимому свету

ü полупроводниковые электролюминесцентные преобразователи - комбинация фоторезистивного преобразователя с электролюминесцентным экраном. Преобразуют потенциальный рельеф в оптическое изображение. Способны усиливать контраст рентген. изображения.

ü рентгеновидиконы- передающие телевизионные трубки с чувсивительным фотопроводящим слоем. Диаметр трубок 90-150 мм, разрешающая способность 8-25 пар линий на мм, чувствительность около 2-3%, динамический диапазон 5-20. По разрешающей способности и контрастной чувствительности рентгеновидиконы существенно превосходят РЭОП, но уступают по площади рабочего поля, быстродействию и динамическому диапазону.

ü газоразрядно-люминесцентные преобразователи (ГЛП) - две стеклянные плоскопараллельные пластины, заключенные в диэлектрическую рамку, с расположенными на них электродами. Разделены газоразрядным промежутком 5-7мм с инертным газом (ксенон). На одну из пластин нанесен слой люминофора. Другая пластина прозрачна для видимого света. На внешней поверхности непрозрачного электрода нанесен по периметру резистивный слой (понижает напряженность электрического слоя по краям преобразователя). В результате ионизации газа рентген. излучением образуется скрытое электронно-ионное изображение, которое преобразуется в УФ с помощью газового разряда и видимое с помощью люминофора. Большая площадь, однородность изображения высокий коэффициент усиления (до 108).

Конструкция ГЛП: 1 - прозрачный электрод (проводящий слой SnO2); 2 - стеклянная пластина; 3 - стеклянная рамка; 4 - газоразрядный объем; 5 - слой люминофора; 6 - непрозрачный электрод (Al); 7 - резистивный слой

В Прямое детектирование с использованием полномасштабной твердотельной матрицы (ПТМ). связанной с АЦП и далее с ПЭВМ. Наиболее эффективна, отсутствуют «лишние» промежуточные. элементы, поглощающие и рассеивающие кванты рентгеновского сигнала. ПТМ представляет собой двумерную поверхность прямоугольной формы, разбитую на элементарные ячейки, каждая из который имеет свой геометрический адрес (строка, столбец). От размера ячейки (пикселя) зависит разрешающая способность цифрового снимка. Количество квантов, поглощенных ячейками матрицы, определяет яркостные параметры изображения. ПТМ (400*400мм) на основе аморфного селена (Se) - " Philips", " Canon", " General Electric", " Trixell", " Siemens", " Starling". Очень дорогие (250-450 тыс. долл.).

Все это привело к использованию ЦРА сканирующего типа, имеющего преобразователь в виде линейки (газоразрядный или полупроводниковый). Газоразрядный: многопроволочная камера, заполненная смесьо газов (ксенон и СО2). Проволочки (электроды) камеры находятся под высоким электр. потенциалом. Рентген. излучение приводит к ионизации газовой среды (столкновение и поглощение рентгеновских фотонов атомами ксенона). В результате возникает лавинная ионизация газа и электр. сигнал увеличивается до 3000 раз. Такое усиление позволяет считывать рентген. кванты поштучно - доза уменьшается в 30-50 раз (по сравнению с пленочными флюорографами). В п/п варианте преобразователь собран из кремниевых фотодиодов и сцинтилляторов. Фотодиоды поглощают фотоны видимого света, излучаемые сцинтилляторами под действием рентгеновских лучей. Электрический сигнал с выхода фотодиодов усиливается и подвергается электронной обработке.

Г В ЦРА, оснащенном линейкой-преобразователем, полное изображение внутренних органов получат путем сканирования исследуемой области узким веерным рентгеновским пучком при синхронном движении излучателя и линейки-преобразователя относительно неподвижного объекта съемки. Веерный пучок формируется двумя коллиматорами, имеющими окно в форме щели. После электронной обработки электрического сигнала по всем строкам в линейке-преобразователе (ЛП) формируется кадр, «сотканный» из отдельных строк. Примеры: «Сибирь-Н» (газоразрядная линейка, Орел), «ПроСкан-2000»(п/п линейка, МО) АПЦФ-01 «Карс-Скан»(п/п линейка, Москва). Недостаток: рентген. трубка подвергается повышенной эксплуатации(срок службы)+ длительная эксплуатация (легкие)- нерезкость изображения.

Д ЦРА с с оптоэлектронным преобразователем, содержащим входной люминесцентный экран (ВЛЭ), светосильный объектив (СОб) и ПЗС-матрицу.

Схема аппарата АРЦ-01-ОКО: Дф- диафрагма; СК- стол-каталка; ИК- ионизационная камера; Р- растр; Э- экран; Мт- матрица; Пр- приемник; ПУ- пульт управления; Ш- штатив; РПУ- рентгеновское питающее устройство; ПРПУ- пульт РПУ; КС- компьютерная стойка; АРМ- автоматизированное рабочее место; МТВ- монитор телевизионный для процедурной

Рентгенография проводится при положении пациента стоя, сидя или лежа на каталке. Свыше 100 стандартных проекций органов (от пальцев рук и ног до позвоночника).

РПУ: анодное напряжение рентген. трубки - 40-145 кВ, сила тока дискретно от 0, 2 до 640 мА-с. В РИ (рентген. излучатель) двухфокусная рентген. трубка с размером фокусных пятен 0, 6 и 1, 2 мм, снабженная регулируемой диафрагмой, в которую встроен диск с фильтрами. Время экспозиций до нескольких мкс. Нет динамической нерезкости. Скрытое рентген. изображение визуализируется цифровой рентгенографической камерой. От Об изображение передается на ПЗС-матрицу, где оно преобразуется в видеосигнал. Растр снижает шумы. Видеосигнал в камере оцифровывается и поступает на АРМ лаборанта (АРМ 1) - оценка качества снимка и его запись. АРМ2 врача-рентгенолога - анализ, интерпретация, заключение, печать. АРМ3 - регистратура.

Конструктивно аппарат: выполнен в виде 7 узлов: штатива с излучателем и цифровым приемником, каталки, рентген. питающего устройства. трех АРМ и компьютерной стойки.

Конструкция ЦРА АРЦ-01-ОКО: 1- вертикальная стойка; 2- кронштейн; 3- цифровая камера; 4- рентген. излучатель с диафрагмой; 5, 6 - ручной и ножной пульты управления; 7- ось крепления

Фокусное расстояние штатива (расстояние между фокусом рентгеновской трубки и рентгеновским экраном камеры) - 120 см. Ручной и ножной пульт управления перемещают кронштейн вверх и вниз и поворачивают его вокруг горизонтальной оси на 180 град. Аппарат позволяет делать снимки и в косых проекциях (узел поворота камеры в диапазоне 45 град вокруг оси крепления 7). Компьютерная стойка выполняет функции системного сервера, цифрового архива и коммутатора функциональных узлов аппарата.

Сравните ТХ ЦРА (анодной напряжение, ток, рабочее поле, время получения снимка, обработки изображения, контрастная чувствительность, разрешение(линий/мм), доза, тип приемника.)

Вывод: в рентген аппаратах необходима оптимизация соотношения между качеством изображения, дозой излучения, временем получения снимка, величиной рабочего поля, потребляемой мощностью. габаритами и ценой.



Поделиться с друзьями:

mylektsii.su - Мои Лекции - 2015-2026 год. (0.487 сек.)Все материалы представленные на сайте исключительно с целью ознакомления читателями и не преследуют коммерческих целей или нарушение авторских прав Пожаловаться на материал