Студопедия

Главная страница Случайная страница

КАТЕГОРИИ:

АвтомобилиАстрономияБиологияГеографияДом и садДругие языкиДругоеИнформатикаИсторияКультураЛитератураЛогикаМатематикаМедицинаМеталлургияМеханикаОбразованиеОхрана трудаПедагогикаПолитикаПравоПсихологияРелигияРиторикаСоциологияСпортСтроительствоТехнологияТуризмФизикаФилософияФинансыХимияЧерчениеЭкологияЭкономикаЭлектроника






К ИХ ВЫПОЛНЕНИЮ. Задание 1. Запустить лабораторный комплексLabworks и среду МS10 (щёлкнув мышью на команде Эксперимент меню комплексаLabworks)






Задание 1. Запустить лабораторный комплекс Labworks и среду МS10 (щёлкнув мышью на команде Эксперимент меню комплекса Labworks). Открыть файл 34.6.ms10, размещённый в папке Circuit Design Suite 10.0 среды МS10, или собрать на рабочем поле среды MS10 схему для испытания синхронного двоичного счётчика (рис. 34.6) и установить в диалоговых окнах компонентов их параметры или режимы работы. Скопировать схему (рис. 34.6) на страницу отчёта.

В библиотеке программной среды МS10 имеются 4-, 8- и 12-разрядные счётчики различных типов. Среди них: счётчики асинхронные (SN7493, SN74393), синхронные (74NC161, SN74163), реверсивные (SN74191), двоично-десят­и­ч­ные (SN7493, SN74160) и др.

В схему (рис. 34.6) включен синхронный двоичный 4-разрядный счётчик 74НС161, к входу которого подключен источник тактовых импульсов Е1, а к выходам QA, QB, QC и QD - шестнадцатеричный 7-сег­ментный индикатор DCD_HEX и дешифратор DC 4х10. Выход дешифратора соединён с входами логического анализатора XLA1.

 
 

К входам А, В, С и D счётчика СТ подключен источник постоянного на­пряжения VCC, переключатели 1, …, 4 для формирования входных двоичных кодов и ключ Space для изменения режима работы счётчика. В синхронном счётчике заданные с помощью ключей уровни сигналов подаются на входы всех триггеров, как и тактовые импульсы, которые подаются на счётные входы всех разрядов счётчика.

При замкнутом ключе Space число поданных от генератора Е1 на вход счётчика импуль­сов высвечивается на индикаторе DCD_HEX в десятичном коде, от 0 до 15, после чего счётчик обнуляется и вновь начинается счёт. При этом на одном из выходов дешифратора DC формируется сигнал низкого уровня (логический 0), номер которого соответствует коду входного числа: от 0000 до 1001 (910).

При разомкнутом ключе Space сформированное с помощью переключателей на входе счётчика 4-раз­рядное двоичное число высвечивается на индикаторе в десятичном коде, а на экране анализатора на одном из выходов, соответствующем входному коду счётчика, формируется логический 0.

Задание 2. Замкнуть ключ Space, запустить программу моделирова­ния суммирующего счётчика и наблюдать за показаниями индикатора. Убе­диться, что на экране анализатора XLA1 логические нули перестают формироваться после прихода 11-го тактового импульса и появляются вновь только с приходом 17-го импульса (рис. 34.7, а).

Разомкнуть ключ Space. Установить в диалоговом окне анализатора XLA1 напряжение V = 5 B, частоту таймера fa = 2 кГц, число импульсов, приходящихся на одно деление, Clocks/div = 60. (При таком режиме лучи медленно перемещаются на экране анализатора). С помощью активных кла­виш 1, 2, 3 и 4 клавиатуры сформировать произвольные (или по указанию преподавателя) двоичные входные числа (коды), например 1001, 0011, 0000, 1110 и подавать их на входы D, С, В и А счётчика. Убедиться, что

 
 

при подаче числа 11102 (1410) ни на одном выходе дешифратора 4х10 не сформировался низкий уровень сигнала (рис. 34.7, б).

Скопировать на страницу отчёта результаты моделирования синхронного суммирующего счётчика (см. рис. 34.7).

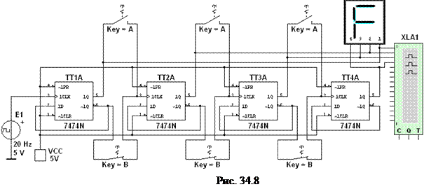
Задание 3. Открыть файл 34.8.ms10, размещённый в папке Circuit Design Suitе 10.0 среды МS10, или собрать на рабочем поле среды MS10 схему для испытания реверсивного двоичного счётчика (рис. 34.8) и установить в диалоговых окнах компонентов их параметры или режимы работы. Скопировать схему (рис. 34.8) на страницу отчёта.


В схеме реверсивного двоичного счетчика (рис. 34.6) с помощью групп ключей А и В осуществляетсяза­мы­кание или размыкание выходов высокого или низкого уро­вня предыдущего триггера с входами или триггера следующего разряда, причём при замкнутых ключах А и разомкнутых В (режим суммирования) с каждым тактовым импульсом увеличивается результат счёта, а при замкнутых ключах В и разомкнутых А (режим вычитания) - результат счёта уменьшается.

 
 

Установить в диалоговом окне анализатора XLA1 напряжение V = = 5 B, частоту таймера fa = 2 кГц, число импульсов, приходящихся на одно деление, Clocks/div = 60. Разомкнуть ключи В и замкнуть ключиА. З апустить программу модели­рования счётчика. При высвечивании числа 15 на 7-сегментном индикаторе щёлкнуть мышью на кнопке Stop (остановки моделирования) и скопировать окно анализатора с результатами моделирования на страницу отчёта (см. верхнюю часть рис. 34.9).

Разомкнуть ключи А и замкнуть ключи В. Щёлкнуть мышью на кно­пке Stop (продолжить моделирование), остановить моделирование при высвечивании числа 0 на индикаторе и скопировать окно анализатора с результатами моделирования в отчет (см. нижнюю часть рис. 34.9).

Задание 4. Открыть файл 34.10.ms10, размещённый в папке Circuit Design Suite 10.0 среды МS10, или собрать на рабочем поле среды MS10 схему для испытания десятичного счётчика (рис. 34.10) и установить в диалоговых окнах компонентов их параметры или режимы работы. Скопировать схему (рис. 34.10) на страницу отчёта.

Результаты моделирования 4-разрядного двоичного счетчика (см. рис. 34.8 и рис. 34.9) показали, что с его помощью можно сосчитать до 15. Следовательно, для создания счётчика натуральных десятичных чисел в двоичном коде для одной декады нужно в схему двоичного 4-разрядного счётчика ввести обратные связи с логическими элементами, посредством которых сигнал с какого-то старшего разряда поступает в младшие и т. п., обеспечивая в целом выработку счётчиком двоичного эквивалента счётной декады.

В функциональной схеме десятичного счётчика (34.10), собранной на триггерах JK -типа, на каждый одиннадцатый тактовый импульс результат счёта сбрасывается в нуль и далее результат счёта увеличивается. Возврат счётчика при поступлении одиннадцатого тактового импульса в начальное состояние обеспечивается дополнительной комбинационной схемой с встроенными логическими элементами И (AND), ИЛИ (OR) и НЕ (NOT).


Счётчик работает так же, как синхронный двоичный счётчик до поступления седьмого импульса, а далее, благодаря обратной связи, нарушается изменение естественной последовательности двоичных чисел на входах и выходах триггеров при подсчёте тактовых импульсов.

Запустить программу модели­рования десятичного счётчика и скопировать окно анализатора с результатами моделирования на страницу отчёта.

СОДЕРЖАНИЕ ОТЧЁТА

1. Наименование и цель работы.

2. Перечень приборов, использованных в экспериментах, с их крат­кими характеристиками.

3. Изображения электрических схем для испытания суммирующего, реверсивного и десятичного счётчиков.

4. Копии временных диаграмм, отображающие работу исследуемых счётчиков.

5. Выводы по работе.


Поделиться с друзьями:

mylektsii.su - Мои Лекции - 2015-2026 год. (1.125 сек.)Все материалы представленные на сайте исключительно с целью ознакомления читателями и не преследуют коммерческих целей или нарушение авторских прав Пожаловаться на материал