Студопедия

Главная страница Случайная страница

КАТЕГОРИИ:

АвтомобилиАстрономияБиологияГеографияДом и садДругие языкиДругоеИнформатикаИсторияКультураЛитератураЛогикаМатематикаМедицинаМеталлургияМеханикаОбразованиеОхрана трудаПедагогикаПолитикаПравоПсихологияРелигияРиторикаСоциологияСпортСтроительствоТехнологияТуризмФизикаФилософияФинансыХимияЧерчениеЭкологияЭкономикаЭлектроника






Экспериментальная часть. Для определения удельного заряда электрона используется экспериментальная установка, показанная на рис.1






Для определения удельного заряда электрона используется экспериментальная установка, показанная на рис.1. В нее входят: пара катушек Гельмгольца 1, специальная электронно-лучевая трубка 3, источник питания 2 электронно-лучевой трубки с регулируемыми напряжениями 0 – 600 В и 0 – 50 В, источник для питания катушек 4 с регулируемым напряжением 0 – 18 В, мультиметры 5, соединительные провода.

 

Рис.1. Внешний вид экспериментальной установки.

1 – катушки Гельмгольца; 2 – источник питания электронно-лучевой трубки; 3 – электонно-лучевая трубка; 4 – источник питания катушек Гельмгольца; 5 – мультиметры.

Специальная электронно-лучевая трубка (рис.1, поз.3) заполнена аргоном при низком давлении ~ 10-1 Па, схема ее устройства показана на рис.2. Катод электронной пушки 2 вследствие термоэлектронной эмиссии испускает электроны, которые ускоряются в ней разностью потенциалов U. При прохождении пучка электронов в аргоне создается видимое свечение фиолетового цвета, что позволяет в затемненном помещении визуализировать траекторию движения электронов.

 

Рис. 2. Схема устройства электронно-лучевой трубки (вид сверху).

1 – колба; 2 – электронная «пушка»; 3 – шкала; 4 – катушки Гельмгольца.

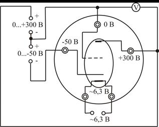
В отсутствие магнитного поля электронная пушка 2 формирует пучок электронов, который распространяется прямолинейно. При наличии магнитного поля, создаваемого катушками Гельмгольца, траектории движения электронов представляют собой окружности. Внутри трубки располагается измерительная шкала 3, напоминающая лесенку. Поперечные перекладины шкалы покрыты флуоресцентным веществом. Если пучок электронов попадает на одну из перекладин, то на ней высвечивается зеленоватая точка, что позволяет измерить диаметр окружности, по которой движутся электроны. Согласно рис.2, он будет равен 40, 60, 80, 100 мм. Электрическая схема подключения электронно-лучевой трубки к источникам питания показана на рис.3.

 

Рис.3. Схема подключения электронно-лучевой трубки к источникам питания.

Катушки Гельмгольца (кольца Гельмгольца), создающие магнитное поле внутри электронно-лучевой трубки, представляют собой две одинаковые катушки. Они расположены в параллельных плоскостях так, что их центры находятся на общей оси (рис.4). Катушки соединены последовательно и подключены к источнику питания (рис.1, поз.4).

 

Рис.4. Кольца Гельмгольца.

Назначение катушек Гельмгольца, несмотря на простоту конструкции, – создание с одной стороны высокооднородного магнитного поля в пределах большого объема пространства, а с другой стороны – обеспечение свободного доступа к этому пространству. Наибольший относительный объем высокооднородного поля получается, если расстояние между срединными плоскостями катушек l равно их среднему радиусу R. Тогда компоненты создаваемого магнитного поля в системе координат (x, y), показанной на рис.4, будут определяться следующими приближенными формулами:

(4)

где – магнитная постоянная, N – число витков в каждой катушке, I – сила тока в витке. Смысл остальных параметров определяется рис.4. Анализ этих формул, приведённый в Приложении 1, показывает, что в условиях нашего эксперимента магнитное поле можно считать однородным и пользоваться для его расчета приближенной формулой:

. (5)

Оценить степень однородности магнитного поля, создаваемого кольцами Гельмгольца, Вы можете самостоятельно, выполнив расчетное задание.

Измерение напряжений, подаваемых на электронно-лучевую трубку, и силы тока, протекающего в катушках Гельмгольца, проводится с помощью двух мультиметров. Внешний вид передней панели мультиметра приведен на рис.5. Переключателем 2 рода работ выбирается тип и пределы измерений – шкалы 3 для измерения напряжения и шкалы 4 для измерения силы тока. Результаты измерений показываются на дисплее 5.

 

Рис.5. Передняя панель мультиметра.

1 – кнопка включения; 2 – переключатель рода работ; 3 – шкала пределов измерения
напряжения; 4 – шкала пределов измерения силы тока; 5 – дисплей.


Поделиться с друзьями:

mylektsii.su - Мои Лекции - 2015-2026 год. (0.957 сек.)Все материалы представленные на сайте исключительно с целью ознакомления читателями и не преследуют коммерческих целей или нарушение авторских прав Пожаловаться на материал