Студопедия

Главная страница Случайная страница

КАТЕГОРИИ:

АвтомобилиАстрономияБиологияГеографияДом и садДругие языкиДругоеИнформатикаИсторияКультураЛитератураЛогикаМатематикаМедицинаМеталлургияМеханикаОбразованиеОхрана трудаПедагогикаПолитикаПравоПсихологияРелигияРиторикаСоциологияСпортСтроительствоТехнологияТуризмФизикаФилософияФинансыХимияЧерчениеЭкологияЭкономикаЭлектроника






Экспериментальная часть. Для изучения дифракции электронов и определения межплоскостных расстояний используется экспериментальная установка






Для изучения дифракции электронов и определения межплоскостных расстояний используется экспериментальная установка, внешний вид которой представлен на рис.4. В ее состав входят специальная электронно-лучевая трубка, источник высокого напряжения 0 – 10 кВ, универсальный источник питания, соединительные провода, штангенциркуль.

 

Рис.4. Экспериментальная установка для изучения дифракции электронов:
1 – электронно-лучевая трубка; 2 – источник высокого напряжения;
3 – универсальный источник питания.

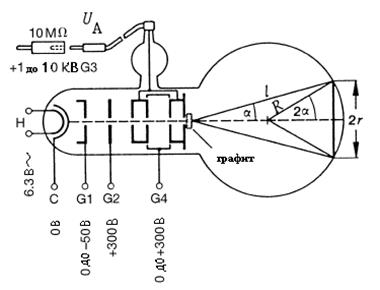
Устройство специальной электронно-лучевой трубки и её схема подключения представлены на рис.5 и рис.6. В вакуумной сферической стеклянной колбе находится электронная пушка, позволяющая формировать сфокусированный электронный пучок из электронов, испущенных катодом в результате термоэлектронной эмиссии. Электроны этого пучка обладают одинаковой кинетической энергией, определяемой ускоряющей разностью потенциалов U а, которая приложена между катодом и анодом. Ускоренные электрическим полем электроны дифрагируют на тонком поликристаллическом слое графита и формируют кольцеобразную дифракционную картину, которая визуализируется с помощью флуоресцентного слоя, нанесенного на внутреннюю поверхность стеклянной колбы.

Рис.5. Устройство специальной электронно-лучевой трубки.

 

 

Рис.6. Схема подключения электронно-лучевой трубки.

Возникновение дифракционной картины при рассеянии электронов на поликристаллах графита подтверждает наличие у них волновых свойств. Диаметр дифракционного кольца зависит от ускоряющего напряжения, определяющего длину волны электронов. Учитывая, что угол скольжения при дифракции электронов в два раза меньше угла их отклонения от направления первоначального распространения, величину можно определить на основе геометрического построения, показанного на рис.7:

, (10)

где D = 127 мм – внутренний диаметр стеклянной колбы, 2 r – диаметр кольца, которое образуется на флуоресцирующем экране трубки.

 

Рис.7. Схема формирования дифракционной картины.


Поделиться с друзьями:

mylektsii.su - Мои Лекции - 2015-2026 год. (1.766 сек.)Все материалы представленные на сайте исключительно с целью ознакомления читателями и не преследуют коммерческих целей или нарушение авторских прав Пожаловаться на материал