Студопедия

Главная страница Случайная страница

КАТЕГОРИИ:

АвтомобилиАстрономияБиологияГеографияДом и садДругие языкиДругоеИнформатикаИсторияКультураЛитератураЛогикаМатематикаМедицинаМеталлургияМеханикаОбразованиеОхрана трудаПедагогикаПолитикаПравоПсихологияРелигияРиторикаСоциологияСпортСтроительствоТехнологияТуризмФизикаФилософияФинансыХимияЧерчениеЭкологияЭкономикаЭлектроника






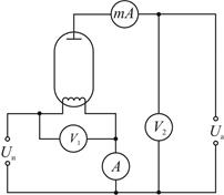
Методика выполнения работы. На рис.5 представлена электрическая схема экспериментальной установки.






На рис.5 представлена электрическая схема экспериментальной установки.

 

 
 

Рис. 5. Электрическая схема установки

 

Конструктивно установка выполнена в виде единого блока, внешний вид которого приведен на рис.6.

 

Рис 6. Передняя панель установки

На панели расположены: электронная лампа, вольтметры и амперметры анодной и катодной цепей, тумблер «сеть», ручки регулировки источников анодного и катодного напряже­ний. Источники напряжения размещены внутри блока вместе с соединительными проводами.

Внимательно ознакомьтесь с установкой. Перед включением рекомен­дуется установить ручки регулировки анодного и катодного напряжений в нулевое поло­жение, повернув их против часовой стрелки.

Включив установку, снимите и нанесите на миллиметровой бумаге несколько (не менее трех) вольтамперных характе­ристик диода Ia (Ua)при различных токах накала I н.

Для каждой из характеристик определите значения , и , а затем и сопротивление катода по соотношению (2).

По уравнению (3) рассчитайте температуру катода для каждого тока накала.

По­стройте на миллиметровой бумаге гра­фик зависимости от и по угловому коэф­фициенту определите работу выхода А = e j в эВ.

Оцените погрешность полученной величины работы выхода.

Данные для расчета: R 0 = 0, 25 Ом, 1 эВ = 1, 6× 10-19 Дж

Контрольные вопросы

1. Что называется теромэлектронной эмиссией?

2. Какова физическая природа работы выхода электрона?

3. Что такое распределение Ферми-Дирака?

4. Что такое энергия Ферми?

5. С какой целью на вольфрамовые катоды электронных ламп наносится тонкослойное покрытие?

6. Сформулируйте закон «трех вторых».

7. Что такое ток насыщения? Запишите формулу Ричардсона-Дэшмана.

 

Литература

1. Калашников С.Г. " Электричество". - М.: ФИЗМАТЛИТ, 2003, §§ 156-158

2. Сивухин Д. В. Общий курс физики. Электричество. - М.: ФИЗМАТЛИТ, 2002,

§ 101


Поделиться с друзьями:

mylektsii.su - Мои Лекции - 2015-2026 год. (2.232 сек.)Все материалы представленные на сайте исключительно с целью ознакомления читателями и не преследуют коммерческих целей или нарушение авторских прав Пожаловаться на материал