Студопедия

Главная страница Случайная страница

КАТЕГОРИИ:

АвтомобилиАстрономияБиологияГеографияДом и садДругие языкиДругоеИнформатикаИсторияКультураЛитератураЛогикаМатематикаМедицинаМеталлургияМеханикаОбразованиеОхрана трудаПедагогикаПолитикаПравоПсихологияРелигияРиторикаСоциологияСпортСтроительствоТехнологияТуризмФизикаФилософияФинансыХимияЧерчениеЭкологияЭкономикаЭлектроника






Методические указания. По технологии конструкционных материалов

ДОМАШНЕЕ ЗАДАНИЕ

по технологии конструкционных материалов

" Проектирование поковки вала и процесса ее копки па молоте"

 

По чертежу детали - вала редуктора, выбранному из табл. 1 в соответствии с вариантом задания (личным номером студента):

1) спроектировать молотовую поковку;

2) выбрать исходную заготовку для ковки;

3) разработать технологический процесс изготовления поковки.

 

Работа должна содержать:

- описание всех этапов проектирования поковки, исходной заготовки и процесса, ковки с необходимыми расчетами и вспомогательными эскизами;

- чертеж (эскиз) спроектированной поковки;

- упрощенную технологическую карту ковки с эскизами основных пере­ходов.

 

Таблица 1 – Исходные данные для проектирования поковки

 

№ варианта Марка стали
  40/40 58/60 50/60 40/50 45Х
  50/45 70/60 58/90 50/50 35ХМ
  55/50 88/100 75/100 55/25 40ХФ
  60/50 90/70 70/100 60/45 40ХГТ
  70/60 100/150 90/140 70/55 35ХГС
  75/60 80/100 110/150 75/70 45ХН
  85/70 90/120 115/160 85/70 40ХНМ
  80/30 110/150 125/170 80/70 30ХН3
  95/70 105/150 125/100 95/80 40ХН2М
  100/80 120/180 130/180 100/80 38ХНЗМ

МЕТОДИЧЕСКИЕ УКАЗАНИЯ

по выполнению задания

 

1. Проектирование поковки заключается в назначении припусков на меха­ническую обработку и напусков, упрощающих процесс ковки. Рекомендуется следующая последовательность конструирования поковки;

а) назначают конструктивные напуски, т.е. упраздняют мелкие конструк­тивные элементы (фаски, канавки, впадины зубьев и т.п.) и вычерчивают тонки­ми линиями упрощенный контур вала, состоящий из 4-х цилиндрических уча­стков (ступеней), причем нулевой индекс присваивают участку с наибольшим диаметром (рис.1);

б) назначают в соответствии с ГОСТ 7829-70 основные и дополнитель­ные припуски на механическую обработку:

- вначале назначают основные припуски на все боковые поверх­ности в зависимости от общей длины вала и диаметра каждой ступени (табл. 2);

- затем определяют дополнительные припуски на все боковые по­верхности вала, кроме нулевого участка (табл. 3)

 

 

 

Рисунок 1 – Схема назначения припусков на размеры поковок валов с уступами


Таблица 2 – Величина основного припуска d на боковую поверхность ва­лов

 

Номинальный диаметр , мм Припуск d с допуском в мм при длине вала , мм
до 250 свыше 250 до 500 свыше 500 до 800
до 50 5 ± 2 6 ± 2 7 ± 2
свыше 50 до 70 6 ± 2 7 ± 2 8 ± 3
свыше 70 до 90 7 ± 2 8 ± 3 9 ± 3
свыше 90 до 120 8 ± 3 9 ± 3 10 ± 3
свыше 120 до 160 10 ± 3 11 ± 3

 

 

Таблица 3 – Величина дополнительного припуска S на боковую поверх­ность валов

 

Разность диаметров, , мм Дополнительный припуск S, мм
до 40  
свыше 40 до 80 Т
свыше 80 до 100  

 

- далее находят основной участок, т.е. участок с набольшим продольным сечением (); если нулевой участок окажется не основным, то на его боко­вую поверхность переносят дополнительный припуск с поверхности участка, принятого за основной;

- вычисляют диаметры всех ступеней поковки с учетом основного и дополнительного припусков: ,

- назначают припуски на торцевые поверхности, равные или в соответствии со схемой на рис. 1 и рассчитывают длины всех ступеней поковки , например

- составляют вспомогательный эскиз разрабатываемой поковки и про­ставляют полученные размеры и , округленные с точностью до 1 мм.

 

в) переходят к назначению технологических напусков, учитывающих воз­можности процесса ковки и зависящих от применяемого оборудования - молота. Поэтому предварительно выбирают молот, для чего необходимо знать массу исходной заготовки для ковки и ее максимальное сечение :

- рассчитывают по массе детали () общему коэффициенту использования металла, учитывающему потери металла при ков­ке и последующей механической обработке ():

 

 

- из проката обычно на 10 - 15% больше наибольшего диаметра поков­ки:

 

 

Выбор молота (массы падающих частей и ширины бойка про­изводят по расчетным величинам и , руководствуясь данными табл. 4

 

Таблица 4 – Технические характеристики ковочных пневматических молотов

 

Масса падающих частей, , кг            
Ширина бойка , мм       ll0    
Предельная масса заготовки , кг 4...15 8...35 18...60 28...100 40...140 70...250
Наибольшее сечение заготовки , мм            

 

При назначении напусков рекомендуется проверить:

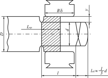
- выполняемость всех уступов (полуразность диаметров двух смежных уча­стков - параметр " у " на рис.2) начиная с наибольшего диаметра. Уступы вы­полняют, если их высоты не менее 4 или 5 мм соответственно для 2-х диапазонов диаметров меньшего из притыкаемых участков: до 100 мм и свыше 100 до 180 мм. В противном случае, обычно, уступ аннулируют назначением напуска на " низ­ший" участок;

- возможность изготовления концевых ступеней, исходя из того, что длина участка присекаемого для протяжки ступени, должна быть не менее . Дли­на присекаемого участка для ковки концевых ступеней вычисляется исходя из равенства объемов металла до и после деформирования с учетом длины обрубки (см. рис. 2):

, отсюда

 

Если , то ступень обычно аннулируют, назначая напуск на ее боковую поверхность.

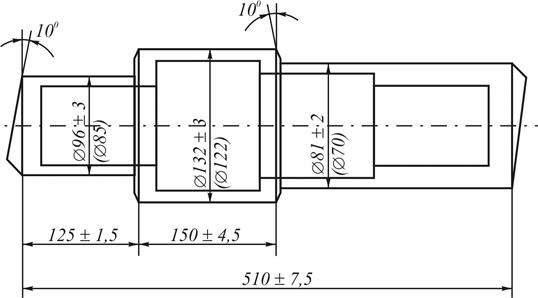
Составляют окончательный чертеж (эскиз) поковки (рис. 3). Поверхности уступов поковки выполняют под углом 10° к плоскости, перпендикулярной оси поковки.

 

 

= 4 при d до 100 мм

5 при d свыше 100 до 180 мм

 

 

 

Рисунок 2 – Схема ковки концевой ступени вала длиной путем протяжки присеченного участка

 

 

  Основная надпись ГОСТ 2.104-68

 

Рисунок 3 – Чертеж (эскиз) поковки вала

 

2. Выбор исходной заготовки, которой для поковок небольшой массы (несколько сотен килограмм) из конструкционных сталей служит горячекатаный прокат. Заключается в определения сечения (диаметра) и длины прутка.

Поскольку основной формообразующей операцией при ковке ступенчато­го вала является протяжка, размеры сечения заготовки определяют из условия обеспечения минимальной гарантированной величины укова у. Для пруткового проката . Тогда сечение заготовки: .

Для круглого сечения

ГОСТ предусматривает следующий ряд номинальных диаметров круглого проката:

мм

По сортименту ГОСТа подбирают заготовку расчетного диаметра (или ближайшего большего размера)

Длину исходной заготовки определяют, исходя из массы поковки с учетом потерь металла при ковке. Масса исходной заготовки

 

 

где – масса поковки; ее величину допускается рассчитывать без учета косины руба и скосов, как массу нескольких цилиндров:

 

 

– масса отходов на обрубку; отход на обрубку с одной стороны рас­считывается по формуле:

 

 

– потери на угар, составляющие при ковке 3-х ступенчатого вала около 4% от массы нагреваемого металла:

 

 

По известной величине массы заготовки и ее диаметру вычисляют длину исходного прутка:

 

, дм

 

3. Проектирование технологического процесса ковки включает:

- назначений вида и последовательности основных и вспомога­тельных операций (переходов) с указанием по разметке заготовки. Основной формообразующей операцией при ковке валов является протяжка. Операция протяжки одной ступени вала обычно включает следующие переходы: наметка протягиваемого участка на необходимой длине, пережим до требуемого диаметра ступени, протяжка намеченного участка. Расчет положения пережима ведут по формуле, использованной ранее для определения длины присекаемого участка при ковке концевой ступени (см. раздел 1);

- выбор температурного интервала ковки в зависимости от марки стали (табл. 5).

 

Таблица 5 – Температурные интервалы ковки углеродной и легированной стали

 

Марка стали Температура, 0С
начала ковки, конца ковки,
10, 15    
20, 25, 30, 35    
40, 45, 50    
15Х, 20Х, 30Х, 20ХФ, 40ХФ    
35Х, 40Х    
30ХМ, 35ХМ    
45Х, 50Х, 12Х2Н4А, 20ХГСА, 25ХГСА, 18ХНВА, 25ХГТ    
40ХН, 45ХН, 50ХН, 40ХГТ    
12XH3A, 20XH3A    
30ХН2МФА, 38ХН3МА, 40ХНМА, 30ХН3, 30ХГСА, 35ХГСА, 40ХН2М    

 

- назначение основного оборудования, а также кузнечного и кон­трольно-измерительного инструмента;

- расчет коэффициентов, характеризующих экономичность разрабатываемого процесса:

· Коэффициента выхода годного h:

 

 

· Коэффициент использования материала :

 

 

· Общего коэффициента использования материала :

 

 

Разработанный технологический процесс оформляют в виде технологи­ческой карты, которая наряду с чертежом поковки является вторым важней­шим производственным документом. Рекомендуется упрощенная форма карты технологического процесса ковки ступенчатого вала, приведенная в табл. 6.

 

Таблица 6 – Карта технологического процесса ковки

 

Эскиз поковки Эскиз заготовки
Материал Масса, кг Коэффициент Уковка Исход. заготовка Статьи расхода кг %
Наименов. марка Использ. материала Выхода годного Вид Профиль и размеры Масса, кг Поковка 18, 6 85, 7
Угар 0, 8 3, 7
Сталь 45Х ГОСТ 4543-71 18, 6 72% 85, 7% 1, 21 Прокат ГОСТ 2590-71 Круг Æ 110 1=268 мм 21, 7 Обрубки 2, 3 10, 6
     
Итого 21, 7 100
Наименование перехода Эскиз перехода Оборудование и инструменты
1 Нагреть до = 1200 0С ( =800 0С) Камерная печь; Пневматический молот =500 кг =150 мм; Бойки комбинированные; Клещи; Кронциркуль; Линейка.
2 Протянуть заготовку по всей длине на круг Æ 100мм
3 Подогреть до = 1300 0С То же, и пережимки
4 Наметить на длинне 88 мм и пережать под последующую протяжку ступени Æ 88мм
5 Протянуть концевую ступень Æ 88мм То же
                           

 

<== предыдущая лекция | следующая лекция ==>
Приложение з | Сделать выводы.
Поделиться с друзьями:

mylektsii.su - Мои Лекции - 2015-2026 год. (1.631 сек.)Все материалы представленные на сайте исключительно с целью ознакомления читателями и не преследуют коммерческих целей или нарушение авторских прав Пожаловаться на материал