Студопедия

Главная страница Случайная страница

КАТЕГОРИИ:

АвтомобилиАстрономияБиологияГеографияДом и садДругие языкиДругоеИнформатикаИсторияКультураЛитератураЛогикаМатематикаМедицинаМеталлургияМеханикаОбразованиеОхрана трудаПедагогикаПолитикаПравоПсихологияРелигияРиторикаСоциологияСпортСтроительствоТехнологияТуризмФизикаФилософияФинансыХимияЧерчениеЭкологияЭкономикаЭлектроника






Универсальный JK-триггер. Построение на его основе D-, T - триггеров.

Синхронный JK-триггер: функционирование и временные диаграммы работы

D-триггер: функционирование и временные диаграммы работы

Синхронный и асинхронный Т-триггер: функционирование и временные диаграммы работы

 

Синхронный JK-триггер имеет кроме установочных входов R и S, тактовый (управляющий) вход С. В отсутствии активного уровня сигнала “1” на тактовом входе RS – триггер работает в режиме запоминания предыдущей информации при любой комбинации сигналов на установочных входах S и R. Если на вход синхронизации С подается активный уровень сигнала триггер начинает работать как асинхронный RS – триггер.

На рисунке 1 приведено условное обозначение синхронного JK-триггера.

 

 

Рисунок 1 - Условное обозначение синхронного JK-триггера.

 

Наглядно работу синхронного JK-триггера отображают временные диаграммы на рисунке 2.

 

 

 

Рисунок 2 – Временные диаграммы работы синхронного JK-триггера.

 

JKC – триггер является универсальным, т.е. на его основе легко реализовать остальные типы тактируемых триггеров: D- триггеры и Т- триггеры.

Рассмотрим принципы их работы.

D-триггер имеет один информационный вход D (date-данные). Для преобразования схемы JK- триггера в схему D- триггера информационный сигнал D подаётся непосредственно на вход J и одновременно через инвертор на вход K.

На рисунке 3 приведено условное обозначение D-триггера.

 

Рисунок 3 - УГО D-триггера

 

 

Формульный способ представления работы D- триггера:

 

С=1 С=0 QN+1=QN

 

.

Функционирование D-триггера описывается временными диаграммами на рисунке 4.

 

 

 

Рисунок 4 - Временные диаграммы D-триггера

 

T- триггер (счётный триггер). Т-триггер имеет один вход (вспомогательные входы принудительной установки “0” и “1” не рассматриваются), куда подают тактирующие (счетные) импульсы. Т- триггеры по способу записи информации делятся на синхронные и асинхронные.

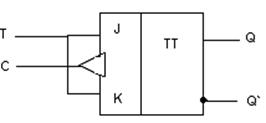
Если объединить входы J и K в один общий вход Т, то получим синхронный Т- триггер. На рисунке 5 приведено его УГО.

 

 

 

Рисунок 5 – УГО синхронного T-триггера

 

Формульный способ представления работы синхронного Т- триггера.

С=1 С=0 QN+1=QN

 

Функционирование триггера показано на временных диаграммах (рисунок 6)

 

Рисунок 6 - Временные диаграммы синхронного T- триггера

 

При использовании CJK- триггера в качестве асинхронного Т-триггера, входные импульсы J и K объединяются в один общий вход CJK- триггера. Входы J и K объединяются в один общий вход на который поступает сигнал логической 1, триггер переключается срезом входного импульса Т, поступающего на вход CJK- триггера. На рисунке 7 приведено его УГО.

 

 

Рисунок 7 – УГО асинхронного Т-триггера.

 

Формульный способ представления работы асинхронного Т- триггера.

С(T)=1 J=K=1 QN+1=

С(T)=0 QN+1=QN

 

 

Контрольные вопросы

 

  1. Назначение и принцип функционирование синхронного JK- триггера
  2. Построение на базе синхронного JK- триггера: T-триггера и D- триггера.
  3. Записать формульный способ работы синхронного JK- триггера
  4. Записать формульный способ работы синхронного Т- и D- триггера
  5. Построить временные диаграммы работы синхронного Т- и D- триггера, сигналы поступают произвольно

 

<== предыдущая лекция | следующая лекция ==>
Личностно-ориентированное обучение | И функции налогов
Поделиться с друзьями:

mylektsii.su - Мои Лекции - 2015-2026 год. (0.344 сек.)Все материалы представленные на сайте исключительно с целью ознакомления читателями и не преследуют коммерческих целей или нарушение авторских прав Пожаловаться на материал