Студопедия

Главная страница Случайная страница

КАТЕГОРИИ:

АвтомобилиАстрономияБиологияГеографияДом и садДругие языкиДругоеИнформатикаИсторияКультураЛитератураЛогикаМатематикаМедицинаМеталлургияМеханикаОбразованиеОхрана трудаПедагогикаПолитикаПравоПсихологияРелигияРиторикаСоциологияСпортСтроительствоТехнологияТуризмФизикаФилософияФинансыХимияЧерчениеЭкологияЭкономикаЭлектроника






Методика назначения посадок подшипников качения (метод прецедентов- аналогов).






Выбор точности изготовления вала осуществляется по табл.1.

Таблица 1.

Класс точности подшипника Квалитет
отверстия вала
0, 6 7(8)  
5, 4    
    4, 3

 

Для осуществления соединения с натягом (или переходных с преобладанием натяга):

- с валом используются валы с основными отклонениями:

js (легкое нагружение);

k (нормальное нагружение);

m, n (тяжелое нагружение).

- с отверстием:

K (легкое нагружение);

M (нормальное нагружение);

N (тяжелое нагружение).

P тяжелое нагружение).

Для осуществления соединений с зазором (или переходных посадок с преобладанием зазора):

- с валом: h, g, f (при высоких температурах, деформациях, скоростях);

- с отверстием: H, G, Js.

Для получения переходных посадок (при колебательном нагружении):

- с валом: js, h;

- с отверстием: Js, К, M.

 

Схема расположения полей допусков соединений с подшипниками качения.

Рис. 4.

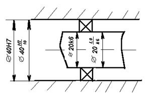
Обозначение на чертежах.

Так как кольца имеют предельные отклонения отличные от основного отверстия и основного вала на сборочных чертежах, то посадка обозначается одним, сопрягаемым с подшипником размером: например на посадку по внутреннему кольцу – Ø 20 k6; по наружному кольцу – Ø 40 H7.

По ГОСТ 3325-85 вводится обозначение подшипниковых посадок:

Ø 20 , где L0 – обозначает подшипник 0 класса;

Ø 40 , где l0 – обозначает подшипник 0 класса.

Рис.5.


Поделиться с друзьями:

mylektsii.su - Мои Лекции - 2015-2026 год. (1.152 сек.)Все материалы представленные на сайте исключительно с целью ознакомления читателями и не преследуют коммерческих целей или нарушение авторских прав Пожаловаться на материал