Студопедия

Главная страница Случайная страница

КАТЕГОРИИ:

АвтомобилиАстрономияБиологияГеографияДом и садДругие языкиДругоеИнформатикаИсторияКультураЛитератураЛогикаМатематикаМедицинаМеталлургияМеханикаОбразованиеОхрана трудаПедагогикаПолитикаПравоПсихологияРелигияРиторикаСоциологияСпортСтроительствоТехнологияТуризмФизикаФилософияФинансыХимияЧерчениеЭкологияЭкономикаЭлектроника






Критерии оценки результатов ответов на государственном экзамене

МИНИСТЕРСТВО ОБРАЗОВАНИЯ И НАУКИ РЕСПУБЛИКИ КАЗАХСТАН

 

КАЗАХСКИЙ АГРОТЕХНИЧЕСКИЙ УНИВЕРСИТЕТ имени С.Сейфуллина

 

Кафедра радиотехники, электроники и телекоммуникаций

Методические указания

по подготовке и проведению итоговой государственной аттестации по специальности 050719 «Радиотехника, электроника и телекоммуникации»

 

 

Астана 2011


 

Авторы: Мирманов А.Б., Наурыз К.Ж., Алтайбаева А.Б., Рябцунов С.Ю под редакцией Мирманова А.Б.

 

Методические указания содержат единые требования и рекомендации по подготовке к сдаче государственного экзамена.

Методические указания предназначены для прохождения аттестационных испытаний для бакалавров, обучающихся по программам высшего образования по специальности «Радиотехника, электроника и телекоммуникации»

Рассмотрено и одобрено на заседании кафедры «РЭТ»

протокол № ___ «»_____________ 20__ г.

 

Рассмотрено и рекомендовано к изданию на методической комиссии заседании энергетического факультета

протокол № ___ «»_____________ 20__ г.


ОГЛАВЛЕНИЕ

1 Область применения. 4

2 Нормативные ссылки. 4

3 Общие положения. 4

4 Содержание теоретических и практических знаний выпускника. 4

4.1 Общие требования. 4

4.1.1 Выпускник должен быть подготовлен к выполнению следующих видов профессиональной деятельности. 4

4.1.2 Выпускник должен быть подготовлен к решению следующих типов задач 5

4.1.3 Выпускник должен знать: 8

4.2 Перечень вопросов междисциплинарных государственных экзаменов. 9

4.2.1 По дисциплине «Электроника и схемотехника аналоговых устройств» 9

4.2.2 По дисциплине «Цифровые устройства и микропроцессоры». 13

4.2.3 По дисциплине «Технология беспроводной связи». 16

4.2.4 По дисциплине «Технология цифровой связи». 20

4.3 Элементы оценочного листа. 23

5 Критерии оценки результатов ответов на государственном экзамене. 24

6 Методические рекомендации по подготовке к государственному экзамену. 25

7 Список рекомендуемой литературы.. 26

 



1 Область применения

Методические указания устанавливают общие требования по подготовке и про­ведению государственных экзаменов по направлению 050719 «Радиотехника, электроника и телекоммуникации»

 

2 Нормативные ссылки

В настоящем документе использованы следующие стандарты:

- ГОСО РК 3.08.345-2006 Государственный общеобязательный стандарт образования Республики Казахстан утвержденный приказом Министерства образования и науки Республики Казахстан от 23 декабря 2005 г № 779

- Закон Республики Казахстан «О техническом регулировании» от 9 ноября 2004 г № 603 – ІІ ЗРК;

- Типовые правила деятельности организаций реализующих образовательные программы высшего профессионального образования, утвержденные постановлением Правительства Республики Казахстан от 2 марта 2005 г № 195;

 

3 Общие положения

3.1 Под итоговой государственной аттестацией по данным образовательным програм­мам понимают государственный экзамен по направлению бака­лавра или специальности и написание и защита дипломной работы.

3.2 Цель методических указаний - организация и управление самостоятель­ной подготовкой студента к междисциплинарному государственному экзамену для достижения уровня знаний, предусмотренных Государственным образова­тельным стандартом направления (специальности).

3.3 Задача - описание содержания теоретических и практических знаний вы­пускника; перечень вопросов, вынесенных на междисциплинарный экзамен; установка требований к ответу на экзамене, определяющих уровень подготов­ленности выпускника к профессиональной деятельности.

4 Содержание теоретических и практических знаний выпускника

 

4.1 Общие требования

4.1.1 Выпускник должен быть подготовлен к выполнению следующих видов профессиональной деятельности

- производственно-технологической,

- проектной,

- научно-исследовательской,

- организационно-управленческой,

Конкретные виды деятельности определяются содержанием образователь­ной программы, разрабатываемой вузом.

 

4.1.2 Выпускник должен быть подготовлен к решению следующих типов задач

а) производственно-технологическая деятельность:

- организация и эффективное осуществление контроля за качеством функ­ционирования систем коммутации и сетей связи, средств оптической связи, предприятий радиосвязи и телерадиовещания, систем подвижной радиосвязи;

- техническое обслуживание оборудования систем коммутации и сетей свя­зи, многоканальных систем и направляющих систем электросвязи, средств оп­тической связи, предприятий радиосвязи и телерадиовещания, систем и средств подвижной радиосвязи;

- эффективное использование ресурсов сетей связи, средств вычислительной техники для организации производственных процессов при проектировании, строительстве и технической эксплуатации объектов связи, многоканальных систем и направляющих систем электросвязи, систем радиосвязи и телерадио­вещания, объектов систем подвижной радиосвязи;

- автоматизированное управление сетями электросвязи, предприятиями ра­диосвязи и телерадиовещания, сетями подвижной радиосвязи;

- совершенствование, модернизация и улучшение технико-экономических показателей средств связи, строительство и монтаж многоканальных систем и направляющих систем электросвязи;

- проведение стандартных и сертификационных испытаний систем комму­тации, сетей связи и составляющих их элементов, многоканальных систем и направляющих систем электросвязи, средств оптической связи, систем радио­связи и телерадиовещания, систем и средств подвижной радиосвязи и состав­ляющих их элементов;

- осуществление метрологической поверки основных средств измерений па­раметров систем и сетей связи, многоканальных систем и направляющих сис­тем электросвязи, систем радиосвязи и телерадиовещания, систем и сетей под­вижной радиосвязи;

- организация мероприятий по охране труда, безопасности жизнедеятельно­сти и защите окружающей среды в процессе производственной деятельности предприятия;

б) проектная деятельность:

- разработка проектов коммутационных станций, узлов и сетей электросвя­зи; оптических линий связи для различных участков телекоммуникационных сетей; многоканальных систем с учетом направляющих систем электросвязи; стационарных систем и устройств радиосвязи и телерадиовещания; сетей, сис­тем и устройств подвижной радиосвязи;

- проектирование и модернизация отдельных устройств и блоков систем связи, проектирование и внедрение специальных технических и программно- математических средств защиты информации в телекоммуникационных системах;

- формулирование целей проекта, критериев и показателей достижения це­лей, декомпозиция целей, выявление приоритетных целей;

- разработка обобщенных вариантов решения проблемы, анализ этих вари­антов с учетом многокритериальности и неопределенности исходных данных, прогнозирование последствий, нахождение компромиссных решений в услови­ях многовариантности;

- планирование реализации проекта с учетом внедрения новых телекомму­никационных технологий;

- сравнительный технико-экономический анализ различных вариантов по­строения и практического применения средств связи;

- разработка проектов технических условий, стандартов, технических опи­саний применительно к системам электросвязи.

- проведение экспертной оценки технических предложений, технических за­даний и других документов, связанных с проектированием средств связи.

в) научно-исследовательская деятельность:

- применение методов анализа, синтеза и оптимизации структуры телеком­муникационных сетей; многоканальных систем и направляющих систем элек­тросвязи; систем оптической связи; систем радиосвязи и телерадиовещания; се­тей подвижной радиосвязи и составляющих их элементов;

- разработка и использование методов математического и физического мо­делирования в процессе исследования и оптимизации параметров отдельных элементов и систем связи в целом;

- разработка планов, программ и методик проведения измерений параметров телекоммуникационных сетей и составляющих их элементов; многоканальных систем и направляющих систем электросвязи; систем стационароной и мобиль­ной радиосвязи и телерадиовещания с широким использованием средств вы­числительной техники;

- анализ и прогнозирование трафика, показателей качества функционирова­ния и других параметров сетей электросвязи;

- анализ и прогнозирование развития, показателей качества функционирова­ния и ряда других параметров многоканальных систем и направляющих систем электросвязи, систем стационарной и мобильной радиосвязи и телерадиовеща­ния, проведение исследований с целью нахождения и выбора наиболее целесо­образных практических решений по защите информации в телекоммуникаци­онных системах;

- разработка документации, необходимой при проведении НИОКР в процес­се исследований и создания перспективных средств связи, организация и про­ведение патентных исследований и библиографического поиска в области теле­коммуникаций;

г) организационно-управленческая деятельность:

-организация работы коллектива исполнителей, принятие организационно- управленческих решений с учетом различных мнений;

- осуществление технического контроля и управления качеством функцио­нирования телекоммуникационных сетей, многоканальных систем и направ­ляющих систем электросвязи, предприятий радиосвязи и телерадиовещания;

- принятие многокритериальных решений (качество, надежность, стоимость, информационная защищенность, сроки исполнения) как при долгосрочном, так и при краткосрочном планировании развития телекоммуникационных сетей, многоканальных систем и направляющих систем электросвязи, систем стацио­нарной и мобильной радиосвязи и телерадиовещания;

- обеспечение организационных и инженерно-технических мер защиты ин­формации в телекоммуникационных системах;

- оценка производственных и непроизводственных затрат при планировании функционирования телекоммуникационных сетей, систем многоканальной электросвязи и направляющих систем электросвязи, предприятий радиосвязи и телерадиовещания; принятие обоснованных технико-экономических решений при планировании развития систем и сетей связи;

- проведение мероприятий, обеспечивающих рентабельную деятельность предприятий связи на рынке телекоммуникационных услуг;

- проведение необходимых мероприятий по подбору, расстановке, подго­товке и переподготовке кадров.

Для решения перечисленных профессиональных задач инженер:

- выполняет работы в области научно-технической деятельности по проек­тированию, информационному обслуживанию, организации производства, тру­да и управлению, метрологическому обеспечению, техническому контролю;

- способствует полезному использованию природных ресурсов, энергии и материалов;

- разрабатывает методические и нормативные материалы, техническую до­кументацию, а также предложения и мероприятия по осуществлению разрабо­танных проектов и программ;

- проводит технико-экономический анализ, комплексно обосновывает при­нимаемые и реализуемые решения, изыскивает возможности сокращения цикла выполнения работ, содействует подготовке процесса их выполнения, обеспече­нию необходимыми техническими данными, материалами, оборудованием;

- участвует в работах по осуществлению исследований, разработке проектов и программ, в проведении необходимых мероприятий, связанных с испытания­ми оборудования и внедрением его в эксплуатацию, а также выполнении работ по стандартизации технических средств, систем, процессов, оборудования и материалов, в рассмотрении различной технической документации и подготав­ливает необходимые обзоры, отзывы, заключения;

- изучает и анализирует необходимую информацию, технические данные, показатели и результаты работ, обобщает и систематизирует их, проводит не­обходимые расчеты, используя современные технические средства;

- составляет графики работ, заказы, заявки, инструкции, пояснительные за­писки, карты, схемы и другую техническую документацию, а также установ­ленную отчетность по утвержденным формам и в установленные сроки;

- оказывает методическую и практическую помощь при реализации проек­тов и программ, планов и договоров;

- осуществляет экспертизу технической документации, надзор и контроль за состоянием и эксплуатацией оборудования, выявляет резервы, устанавливает причины существующих недостатков и неисправностей в его работе, принима­ет меры по их устранению и повышению эффективности использования;

- следит за соблюдением установленных требований, действующих норм, правил и стандартов;

- организует работу по повышению научно-технических знаний работников;

- способствует развитию творческой инициативы, рационализации, изобре­тательства, внедрению достижений отечественной и зарубежной науки, техни­ки, использованию передового опыта, обеспечивающих эффективную работу учреждения, организации, предприятия.

4.1.3 Выпускник должен знать:

- принципы работы, технические характеристики, конструктивные особен­ности разрабатываемых и используемых технических средств, материалов и их свойства;

- методы исследования, правила и условия выполнения работ;

- методы проведения технических расчетов и определения экономической эффективности исследований и разработок;

- основные требования, предъявляемые к технической документации, мате­риалам, изделиям;

- постановления, распоряжения, приказы вышестоящих и других органов, методические, нормативные и руководящие материалы, касающиеся выполняе­мой работы;

- достижения науки и техники, передовой и зарубежный опыт в соответст­вующей выполняемой работе, области знаний;

- перспективы технического развития и особенности деятельности учрежде­ния, организации, предприятия;

- основы экономики, организации производства, труда и управления;

- основы трудового законодательства, правила и нормы охраны труда, тех­ники безопасности, производственной санитарии и противопожарной защиты.

4.2 Перечень вопросов междисциплинарных государственных экзаменов

4.2.1 По дисциплине «Электроника и схемотехника аналоговых устройств»

1. Полупроводниковый диод. Основные параметры и характеристики п/п диодов. Их разновидности. Области римененя.

 

2. Полупроводниковые тиристоры. Структура и условие включения динистора. Основные параметры и характеристики тиристора.

 

3. Туннельный эффект. Особенности структуры туннельного диода по сравнению с выпрямительным диодом. Различие вольтамперных характеристик туннельного и выпрямительного диодов. Рабочий участок ВАХ ТД. Основные параметры ТД.

 

4. Биполярный транзистор. Изобразите возможные схемы включения биполярного транзистора. Схема соединения БТ с ОЭ. Привести входную и выходную ВАХ и h-параметры.

 

5. Биполярный транзистор. Принцип и режимы работы транзисторов. Токи транзистора.

 

6. Полевой транзистор. Разновидности полевых транзисторов. Отличие МОП-транзисторов от полевых транзисторов со встроенным и индуцированным каналом. Основные характеристики и параметры ПТ.

 

7. Фотоэлектронные приборы. Принцип работы, основные параметры и характеристики фотодиода.

 

8. Оптоэлектронные приборы. Оптроны, основные параметры и характеристики.

 

9. Основные характеристики и параметры усилителей. Их классификация по характеру усиливаемого сигнала и по назначению.

 

10. Обратные связи в усилителях. Их классификация по способу подключения и подачи напряжения.

 

11. Назначение предварительного, промежуточного и оконченного каскадов усилителя.

 

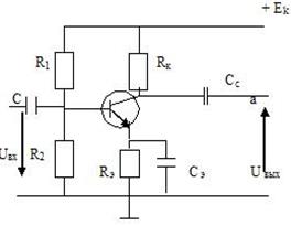
12. Усилители постоянного тока. Дрейф нуля, причины возникновения и методы устранения. Объяснить

принцип работы схемы.

 

 

13. Структурная схема какого логического элемента приведена на рисунке. Объясните

принцип работы и приведите обозначение, таблицу истинности, а также временную диаграмму схемы.

 

 

14. Структурная схема какого логического элемента приведена на рисунке. Объясните

принцип работы и приведите обозначение, таблицу истинности, а также временную диаграмму схемы.

 

 

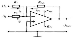
15. Операционный усилитель. Инвертирующий ОУ. Вывести формулу коэффициента усиления, привести структурную схему и передаточную характеристику инвертирующего ОУ.

 

16. Операционный усилитель. Неинвертирующий ОУ. Вывести формулу коэффициента усиления, привести структурную схему и передаточную характеристику неинвертирующего ОУ.

 

17. Какой ОК получим, если сопротивление R1 заменить конденсатором С. Какой операционный усилитель получим, если сопротивление R2 заменить конденсатором С. Как изменится выходной сигнал по форме и амплитуде.

 

 

18. Какая схема приведена на рисунке. Назначение элементов RЭ и СЭ. Написать уравнение линии нагрузки, если Rк =500 Ом, Ек =10 В, построить на выходной ВАХ линию нагрузки, определить точку покоя схемы. (Семейство выходных ВАХ берем произвольно).

 

 

19. Какая сх ема приведена на рисунке. + Епит

Для чего служат диоды на схеме. R1

Выведите коэффициент полезного T1

действия h этой схемы. D1

 

D2 T2 Rн

Uвх

R2 - Епит

20. Какую операцию выполняет данная

схема. Напишите для этой схемы

таблицу истинности и конечную

формулу.

 

 

21. Активные фильтры. Основные характеристики АФ. Классификация АФ по АЧХ.

 

22. Привести схему однотактного усилителя мощности и пояснить принцип работы.

 

23. Что представляют собой полупроводниковые, гибридные интегральные микросхемы? Приведите основные параметры ИМС.

 

24. Какая из схем включения транзистора (ОЭ, ОБ, ОК) позволяет включить наибольшее усиление по мощности? Схема соединения БТ с ОБ. Привести входную и выходную ВАХ и h-параметры.

 

25. Напряжение полевого транзистора сток-исток UСИ0 = 6В, затвор-исток UЗИ0 = 4 В. По его выходной характеристике построить передаточную характеристику при указанном напряжении стока. По этим характеристикам определить дифференциальное сопротивление и крутизну полевого транзистора.

 

 

26. По входной и выходной характеристикам биполярного транзистора включенного по схеме с общим эмиттером, напряжение питания которого ЕК = 15 В, сопротивление нагрузки RН = 500 Ом, постоянный ток смещения в цепи базы IБ0 = 350 мкА, амплитуда переменной составляющей тока базы IБМ = 150 мкА, рассчитать для линейного режима коэффициенты усиления по току KI, напряжению KU и мощности KP и входное сопротивление усилителя RВХ. Найти полезную мощность в нагрузке PПОЛ, мощность, рассеиваемую в коллекторе PK, потребляемую мощность РПОТР и коэффициент полезного действия параметры h графоаналитическим методом.

 

 

27. Какая схема обозначена на рисунке. Чему будет равно выходное напряжение схемы если R1 = R2 = 5 Ом, сопротив-ление обратной связи RОС = 20 Ом и входное напряжение составляет 5 В.

 


 

28. Какая схема обозначена на рисунке.

Как изменится выходной сигнал по фазе и

амплитуде. Чему будет равен коэффициент

усиления по напряжению если R1=2 Ом, с

сопротивление обратной связи RОС = 20 Ом.

 

 

RЭ Т 29. Определить режим работы транзистора

по постоянному току для схемы, в

UЭБ UКБ которой ЕЭ = - 5 В; UЭБ = 0, 7 В; RК = 6 кОм;

ЕЭ RК RЭ = 2кОм; ЕК = 15 В. Транзистор имеет

a = 0, 99. Обратным током транзистора

ЕК принебречь. Найти ток эмиттера, ток кол-

лектора и напряжение на коллектор-база.

 

 

30. Какую операцию выполняет данная

схема. Напишите для этой схемы

таблицу истинности и конечную

формулу.

 

4.2.2 По дисциплине «Цифровые устройства и микропроцессоры»

1. D - Триггер. Схема. Обозначения входов и выходов. Работа четырехразрядного ассинхронного триггера.

 

2. Синтезировать в базисе И, ИЛИ, НЕ устройства, сигнал на выходе которого равен 1 только в том случае, когда на его двух входах (х1, х2) действуют различные сигналы (узел неравнозначности, сумматор по модулю два)

 

3. Применение сумматора для вычитания.

 

4. 55ИЕ5 универсальный счетчик. Обозначение входов. Принцип работы

 

5. Работа трехразрядного сумматора. Схема.

 

6. Самоостонавливающий счетчик по модулю 10.

 

7. Составить фрагменты программ в мнемокодах и машинных кодах для следующих операций:

а) записать константу А0 в ячейку памяти с адресом В02С

б) записать содержимое ячейки с адресом 020F в регистр D

в) записать содержимое регистра Е в ячейку с адресом 1456

г) поменять местами содержимое ячеек с адресами 0102 и F1F2

д) поменять местами содержимое регистра В и ячейки с адресом, хранящимся в регистровой паре DE

е) записать содержимое регистровой пары ВС в ячейки с адресами FF00, FF01

ж) записать содержимое ячеек в адресами ЕЕ00, ЕЕ01 в регистровую пару DE

 

8. Применение ИС К155ИР11 в качестве последовательного регистра сдвига влево.

 

9. Определить какие логические функции реализуют схемы замещения. Составить таблицу истинности, раскрыть принцип работы.

 

 

 

10. Ассинхронный счетчик по модулю 10

 

11. Принцип действия самоостанавливающегося счетчика. Пример.

 

12. Определить содержимое указанных регистров после выполнения следующих фрагментов программ:

MVI A MVI B MVI A LXI B
2D     B0
ADI MOV A, B SUI FF
OF SUI 2D MOV A, B
Регистр А   Регистр А ADD C
  Регистр А   Регистр А и триггер переполнения CY

 

13. Управление двухступенчатыми триггерами. Обозначение. Работа. Временная диаграмма.

 

14. JK-триггер. УГО. К555ТВ9 режим работы. Временная диаграмма.

 

15. Сумматор. Таблица истинности. Обозначение.

 

16. Динамическое управление триггерами. Обозначение динамических входов на принципиальных схемах.

 

17 А=1 В=1 С=1

- Постройте таблицу истинности, перейти от таблицы исстинности к булеву выражению

- Постройте функциональную схему в базисе И ИЛИ НЕ

- Укажите на схеме значение выходного сигнала для заданной комбинации входных сигналов.

 

18 Самоостонавливающий счетчик по модулю 5.

 

19 Асинхроный RS-триггер. входы, УГО, Работа. Синхронный RS-триггер. УГО. Таблица исстинности

 

20 Применение ИС К155ИР11 в качестве паралельного регистра сдвига влево.

 

21 Шифратор К555ИВ3. УГО

 

22 Записать выражение соответствующее изображению на карте Карно

          С    
               
               
              В
               
А              
        D      
               

23.Код с избытком 3. Код Грейя. Семисегментный код.

 

24.Комбинационые и последовательные логические схемы. Способы управления триггерами. D-триггер.Схема. УГО. Работа.

 

25.Определение базиса.Перевод Бульева выражения в таблицу Истинности. Переход от базиса И ИЛИ НЕ к базису И-НЕ.

 

26.Система счисления. Вес разряда. Преобразование двоичного числа в десятичное Преобразование шестнадцатиричного числа в десятичное.

 

27 Построить схему синхронного одноступенческого RS-тригера на элементах И-НЕ. Составить таблицу переключений. Используя одноступенчатые синронные RS-триггеры, начертить схему двухступенчатого RS-триггера. Пояснить различие в работе.

 

28 Применение ИС К155ИР11 в качестве паралельного регистра сдвига вправо.

 

 

29 Регистры сдвига общие понятия. Пример цифровой схемы с использованием регистра сдвига.

 

30 Применение ИС К155ИР11 в качестве последовательного регистра сдвига вправо.

 

 

4.2.3 По дисциплине «Технология беспроводной связи»

1. Классификация систем беспроводной связи. Диапазоны частот, выделенные для систем БС. Индивидуальная подвижная радиосвязь в гражданском и в профессиональном диапазоне. Понятие о беспроводном телефоне.

 

2. Транкинговые системы связи. Транкинговые системы радиосвязи с децентрализованным и распределенным управлением, цифровые транкинговые системы. Диапазоны частот, выделенные для транкинговых систем БС.

 

3. Системы персонального радиовызова (пейджинговые системы). Репитеры. Диапазоны частот, выделенные для пейджинговых систем БС. Роль пейджинговых систем в современном мире.

 

4. Радиальные и сотовые сети, их особенности и сопоставление. Понятие о сетях с макросотовой и микросотовой структурой. Виды станций сети: центральная, базовая, абонентская, их назначение и особенности комплектации. Диапазоны частот, выделенные для сотовых систем БС.

 

5. Аспекты планирования сотовой связи. Планы частот в сотовых системах связи. Понятие о территориальном планировании и кластере.

 

6. Центры коммутации подвижной связи. Центры управления и обслуживания. Подключение абонента к сети телекоммуникаций общего пользования (на примере сотовой связи).

 

7. Особенности работы сотовых сетях подвижной радиосвязи: аутентификация абонента, передача абонента базовыми станциями при движении, обеспечение секретности абонента и секретности связи. Виды услуг, предоставляемых в сотовых сетях подвижной радиосвязи.

 

8. Особенности структуры персональных систем и сетей. Организация услуг. Диапазоны частот, выделенные для персональных систем БС.

 

9. Оптические беспроводные системы БС. Особенности. Сравнение другими видами беспроводной связи. Виды оптических беспроводных систем. Диапазоны частот, выделенные для оптических систем БС.

 

10. Лазерные и инфракрасные системы БС. Двумерный оптический сигнал, его информационная структура. Преобразование световых полей элементами оптических систем (линза, зеркало, призма). Отличие оптической и радио связи. Устройства обработки и формирования сигналов в оптической и радиосвязи.

 

11. Методы организации ветвей разнесения и сигнальных путей: пространственное, угловое, поляризационное, частотное, временное. Методы комбинирования и коммутации при разнесенном приеме. Улучшение характеристик несущая/шум, несущая/помеха. Улучшение характеристик помехоустойчивости.

 

12. Системы с расширением спектра. Основные концепции систем с расширенным спектром. Системы с прямым расширением спектра на основе псевдослучайных последовательностей. Системы с медленной и быстрой перестройкой рабочий частоты. Синхронизация систем с расширением спектра.

 

13.Беспроводные локальные сети. Перспективы систем БС. Cемейство стандартов для широкополосного доступа HIPERLAN и IEEE802.11. Функции сети радиопередачи и поддержка качества услуг. Методы передачи в инфракрасном диапазоне, методы частотных скачков, методы перекрывающихся каналов. Подключение к локальной сети. Диапазоны частот, выделенные для локальных систем БС.

 

13. Принципы разделения каналов в методах многостанционного доступа с частотным и временным разделением (МДЧР и МДВР), их особенности и области применения. Понятия по построению кадров для БС и АС при МДВР.

 

15.Принцип кодового разделения каналов, их особенности и области применения. Виды стандартов БС, где применяется принцип кодового разделения каналов. Диапазоны частот, выделенные для систем БС с CDMA.

 

16. Использование широкополосных сигналов, сопоставление методов МД по эффективности.

 

17. Понятия о технической концепции построения систем БС. Организация линий связи между абонентной станцией и базовой станцией и между базовыми станциями. Особенности распространения сигнала в городских, а также других условиях.

 

18. Понятия о технической концепции построения систем БС. Быстрые и медленные замирания сигнала. Алгоритм расчёта медианного значения мощности принимаемого сигнала с учётом характера среды распространения (на примере сотовой связи).

 

19. Понятия о технической концепции построения систем БС. Статистическое распределение медианного значения мощности сигнала. Определение радиуса зоны уверенного приёма (на примере сотовой связи).

 

20. Понятия о технической концепции построения систем БС. Эмпирическая формула для определения медианной мощности в зависимости от протяжённости трассы. Модели радиосигналов с замираниями, обусловленными многолучевым распространением.

 

21. Аналоговые сотовые системы связи (стандарты AMPS, NMT-450); организация каналов. Сравнение с цифровыми системами сотовой связи.

 

22. Систем беспроводной связи, стандарт DECT. Диапазоны частот, выделенные для системы БС стандарта DECT. Особенности и область применения.

 

23. Системы сотовой связи (ССС), структура, принципы функционирования, стандарты. Пути повышения абонентской емкости сотовых систем связи. Обслуживание вызовов, эстафетная передача, роуминг.

 

24.Мобильные системы связи разных поколении. Сравнение по основным характеристикам. Перспективное развитие мобильных систем связи. Технические предложения различных фирм-производителей и исследовательских институтов мира в области мобильных систем связи.

 

25. Разработать функциональную организации связи системы сотовой связи стандарта GSM с указанием всех элементов (SS, BSS, MMC, OMC) используя следующие данные:

1) количество ТФОП-2

2) количество сетей сотовой связи (сторонних)-3

Объяснить принцип установления связи между двумя абонентами (внутри сети, исходящая к ТФОП, исходящая к стороннему абоненту другой сотовой сети).

 

26. Определить первичных параметров коаксиального кабеля (РК) антенно-фидерного тракта BTS системы мобильной радиосвязи в направлении Uplink стандарта PGSM-900 используя следующие данные:

тип проводника-медь

изоляция- сплошная полиэтиленовая

 

27. Определить возможное количество радиостанции в сети, если известные следующие данные:

1)

2)

3) интервал частот при АМ-20%

 

28.Определить вторичные параметры коаксиального кабеля антенно-фидерного тракте BTS системы мобильной радиосвязи в направлении Down Link стандарта GSM-1800, если известные следующие данные:

тип изоляции-сплошная полиэтиленовая

тип проводника-медь

 

 

29.Соты с одинаковыми частотами должны быть разнесены в пространстве на расстояние не меньше чем 3R, а второе требование гласит, что должен быть не меньше 12 дБ, при наличие в сети 6 сот одинаковыми частотами. Определить если известны следующие параметры:

(для открытой местности)

 

30. Определить возможное количество радиостанции, если известные следующие данные:

1)

2)

3) интервал частот при АМ 30%

 

 

4.2.4 По дисциплине «Технология цифровой связи»

1. Амплитудная, частотная и фазовая модуляции

 

2. Коды Хэмминга. Принцип построения кодов Хэмминга для коррекции одиночных и обнаружения двоичных ошибок. Реализация кодирующего и декодирующего устройства. Корректирующие свойства.

Построить код Хемминга (7.4).

a. Нарисовать структурную схему кодера и декодера, исправляющего ошибку.

b. Определить проверочный код для передаваемой кодовой комбинации 1011.

c. Исправить ошибку, допущенную в четвертом элементе принятой кодовой комбинации

 

3. Датчик температуры через дискретные интервалы времени Dt=1мин выдает значения температуры в пределах 160 … 360. Сколькими уровнями К можно отобразить (квантовать) шкалу температур, чтобы погрешность квантования не превысила по модулю 0, 5? Сколькими различных сообщений может выдать такой дискретный во времени и квантованный по уровням источник, если длительность каждого сообщения Т=4 мин.

 

4. Многопозиционная модуляция: nФМ, квадратурная амплитудная модуляция (КАМ) и амплитудно – фазовая модуляция (АФМ).

 

5. Определение понятий: синхронизация поэлементная, групповая и цикловая синхронизация. Устройства и принципы работы поэлементной синхронизации. Принципы работы замкнутых устройств синхронизации по элементам. Основные параметры системы синхронизации.

 

6. Разрешенные и запрещенные комбинации. Классификация кодов. Основные характеристики кодов. Корректирующая способность. Избыточность. Понятие минимального кодового расстояния. Границы Хэмминга.

 

7. Нарисуйте структурную схему кодера циклического кода заданного порождающим полиномом Р(х) = x3+х+1. Пояснить процесс кодирования. Найти проверочный код для кодовой комбинации 1011.

 

8. Методы цифровой модуляции. Амплитудная, частотная и фазовая манипуляции

 

9. Циклические коды. Принцип обнаружения ошибок. Выбор порождающего полинома.

 

10. Методы построения циклических кодов. Структурная схема кодирующего и декодирующего устройства.

 

11. Канальное кодирование. Сверточные коды. Алгоритм Витерби. Мягкое и жесткое декодирование.

 

12. Нарисуйте структурную схему декодера, обеспечивающего обнаружение ошибок для кода (7, 4) при производящем полиноме Р(х) = x3+х+1. Поясните принцип его работы. Принятая кодовая комбинация записывается в виде G(x)=x6+x5+x3.

13. Характеристики системы с обратной связью и их особенности. Структурная схема система с информационной обратной связью /ИОС/, характеристики и алгоритм работы.

 

14. Структурная схема система решающей обратной связью /РОС/. Виды системы с РОС: системы с ожиданием служебных сигналов, системы с непрерывной передачей и блокировкой, системы с адресным переспросом.

 

15. Применение эффективного (статистического) кодирования для сжатия данных. Основные положения теоремы Шеннона. Характеристики дискретных сообщений. Эффективность применения оптимальных неравномерных кодов. Префексные коды.

 

16. Алгоритмы сжатия без потерь: RLE, LZW (Лемпелла-Зива-Уэлча), Хаффмана. Особенности применения алгоритма Хаффмана в факсимильной связи

 

17. Нарисуйте структурную схему декодера, обеспечивающего исправление однократной ошибки для кода (7, 4) при производящем полиноме Р(х) = x3+х+1. Поясните принцип его работы. Принятая кодовая комбинация записывается в виде G(x)=x6+x5+x3.

 

18. Сжатие аудиосигналов. Алгоритмы сжатия MPEG, уровни 1, 2, 3. Сжатие изображений. Алгоритм сжатия JPEG. Методы кодирования видеоизображений.

 

19. Понятие итеративных кодов. Блочный итеративный код с проверкой на четность строк и столбцов. Основные недостатки кода. Каскадные коды.

 

20. Спектральные характеристики модулированных колебаний. Прием сигнала в гауссовом шуме. Оптимальный приемник. Когерентный и некогерентный прием. Цифровой согласованный фильтр.

 

21. Функциональная схема и основные элементы системы цифровой связи. Назначение функциональных узлов, основные понятия.

 

22. Нарисуйте кодер сверточного кода по полиномам Р1(х) = х2+х+1, Р2(х) = х2+1. Пояснить процесс кодирования, для кодовой комбинации 1001. Нарисуйте решетчатую диаграмму. Поясните принцип декодирования по алгоритму Витерби.

 

23. Цифровые сигналы и их основные параметры. Классификация сигналов, случайные и детерминированные, основные характеристики и параметры: спектральная плотность, автокорреляция, взаимокорреляция, ортогональность.

 

24. Определения понятий непрерывный, дискретного канала (ДК) и расширенный дискретный канал (РДК) и их основные характеристики. Определение понятия синхронного и асинхронного ДК. Математические модели каналов связи.

 

 

25. ДК каналы без памяти, с памятью, дискретный симметричный канал. Марковские модели ДК, модель Гильберта. Симметричный канал со стиранием.

 

26. Помехи в каналах связи. Классификация помех. Аддитивные и мультипликативные помехи и их воздействие на полезные сигналы. Краевые искажения и дробления. Регистрация сигнала.

 

27. Построить код Хаффмана для сообщений, имеющих вероятности: Р1=0, 35; Р2=0, 1; Р3=0, 2; Р4=0, 15; Р5=0, 2. Определить среднюю длину кодовой комбинации.

 

28. Соотношение между скоростью передачи и шириной полосы канала, формула Шеннона. Критерий качества, отношение сигнал-шум. Найти пропускную способность гауссовского канала, имеющего полосу F=3, 1кГц, если на вход канала поступает сигнал, мощность которого Рс=1мВт, а в канале действует белый шум со спектральной плотностью мощности N0=10-7 Вт/Гц.

 

29. Межсимвольная интерференция. Теорема Найквиста, импульс Найквиста.

 

30. Алгоритмы цифрового кодирования: алфавитные коды (mBnB, mBnT, mBnQ), простейшие коды линейного сигнала NRZ, RZ, ЧПИ (AMI), PST, BNZS, HDBn, PE (фазовое кодирование, манчестерское кодирование), CDP, CMI и их спектры.

 

4.3 Элементы оценочного листа

 

Оценочный лист включает следующие элементы:

Средний балл.

Оценка ответов на вопросы билета.

Ответы на дополнительные вопросы.

Итоговая оценка.

Рекомендации в отчет председателя ГЭК.


Критерии оценки результатов ответов на государственном экзамене

Оценка знаний студентов производится по пятибалльной шкале: Оценка «отлично» (А, А-) — выставляется за полный безошибочный, ответ при усло­вии правильного ответа на вопрос членов экзаменацион­ной комиссии. Студент должен правильно определять понятия и категории, выявлять основные тенденции и противоречия, свободно ориентироваться в теоретиче­ском и практическом материале.

Оценка «хорошо» (В+, В, В-) — выставляется за правильные и достаточно полные, не со­держащие ошибок и в случае затруднений студента при ответе на вопросы членов экзаменационной комиссии. При выполнении практической работы и решении про­фессиональных задач допущены отдельные ошибки.

Оценка «удовлетворительно»(С+, С, С-, Д+, Д) — выставляется при недостаточно полном объе­ме, при наличии ошибок и некоторых пробелов в знаниях студента. В практической работе содержатся, серьезны ошибки, профессиональные задачи решены не до конца.

Оценка «неудовлетворительно» (F) — выставляется в случае отсутствия необхо­димых теоретических знаний по дисциплинам, не выпол­нена практическая работа и не решены профессиональ­ные задачи.

 

 

Таблица 1 - Шкала оценки знаний студентов

Оценка по буквенной системе Цифровой эквивалент баллов Процентное содержание баллов Оценка по традиционной системе
А 4, 0 95-100 отлично
А- 3, 67 90-94
В+ 3, 33 85-89   хорошо
В 3, 0 80-84
В- 2, 67 75-79
С+ 2, 33 70-74     удовлетворительно
С 2, 0 65-69
С- 1, 67 60-64
Д+ 1, 33 55-59
Д 1, 0 50-54
F   0-49 неудовлетворительно

6 Методические рекомендации по подготовке к государственному экзамену

 

Рекомендуется изучить:

- содержание требований к теоретическим и практическим знаниям выпу­скника;

- перечень вопросов, вынесенных на междисциплинарный экзамен;

- требования к ответу на экзамене, определяющих уровень подготовленно­сти выпускника к профессиональной деятельности;

- критерии оценки результатов ответов на государственном экзамене;

- перечень рекомендованной учебно-методической литературы, в том чис­ле и электронные ресурсы;

- график консультаций преподавателей;

- типовые примеры решения практических задач;

- состав технических или программных средств для решения практических задач.


7 Список рекомендуемой литературы

1 Степаненко И.П. Основы микроэлектроники: Учебное пособие для ву­зов. - 2-е изд., перераб. и доп. - М.: Лаборатория Базовых Знаний, 2004. -488 с.

2 Пасынков В.В., Чиркин Л.К. Полупроводниковые приборы. Учебник для вузов. 5-е издание. - СПб: «Лань», 2001. - 480с.

3 М.В.Гальперин Электронная техника. М., Форум-ИНФРА-М. 2005 – 352 с.

4 Бериков А.Б., Ордабаев Б.О. Полупроводниковые приборы. - Алматы: АЭИ, 1992.-136 с.

5 Прянишников В.А. Электроника: Полный курс лекций. - СПб.: КОРОНА принт, Бином Пресс, 2006. - 416 с.

6 Щука А.А. Электроника. Учебное пособие. Изд-во: BHV-СПб. 2005.-800 с.

7 Бойко В.И. Схемотехника электронных систем. Аналоговые и им­пульсные устройства. Учебник. - Изд-во: BHV-СПб, 2004. - 488 с.

8 Булычев А.Л., Лямин П.М., Тулинов В.Т. Электронные приборы. Учебник для вузов. - М: Лайт ЛТД, 2000. - 416 с.

9 Гусев В. Г., Гусев Ю. М. Электроника и микропроцессорная техника: Учебник для вузов - М.: Высш. шк., 2005. - 799 с.

10 Алексенко А.Г. Основы микросхемотехники. - 3-е изд. - М.: Лаборатория Базовых Знаний, 2002. - 448 с.

11 Игнатов А.Н. Оптоэлектронные приборы и устройства. Изд-во: Эко-Трендз, 2006. - 272 с.

12 Игумнов Д.В., Костюнина Г.П. Основы полупроводниковой электро­ники. Учебное пособие. Изд-во: Горячая линия-Телеком, 2005.

13 Лачин В.И., Савелов Н.С. Электроника: Учеб. пособие - Ростов н/Д: Феникс, 2005.-704 с.

14 Павлов В.Н., Ногин В.Н. Схемотехника аналоговых электронных уст­ройств: Учебник для вузов.3-е издание. - М.: Горячая линия-Телеком, 2005. -320

15 Кузовкин В. А. Электроника: учебник для вузов. - М.: Логос, 2005. -328 с.

16 Бобровников А.В. Электроника. Учебник для ВУЗов. - Издательство: Питер, 2004 г. - 560 с.

17 Опадчий Ю.Ф., Глудкин О.П., Гуров А.И. Аналоговая и цифровая электроника: Учебник для вузов. Под ред. О.П.Глудкина. - М.: Горячая линия -Телеком. 2005.-768 с.

18 Бойко В.И., Гуржий А.Н., Жуйков В.Я. и др. Схемотехника электронных устройств. Цифровые устройства. — СП6.: БХВ — Петербург, 2004.

19 Угрюмов Е.П. Цифровая схемотехника.— СПб.: БХВ — Санкт Петербург, 2000. — 528 с.

20 4 Гольденберг Л.М. и др. Цифровые устройства и микропроцессорные системы. Задачи и упражнения. Учебное пособие. — М.: Радио и связь, 1992.

21 Бирюков С.А. Применение цифровых микросхем серий ТТЛ и КМОП.2-е изд. М.: ДМК, 2000. 240 с.

22 Калабеков Б.А. Цифровые устройства и микропроцессорные системы. 2-изд. — Горячая линия — Телеком, 2005. — 336 с.

23 Пухальский Г.И., Новосельцева ТЯ. Цифровые устройства. Учебное пособие для втузов. — СП6.: Политехника, 1996. 885 с.

24 Пухальский Г.И. Проектирование микропроцессорыых систем. Учебное пособие для вузов. — СП6.: Политехника, 2001. — 544 с.

25 Цифровая и вычислительная техника. Учебник под ред. Э.В.Евреинова. — М.: Радио и связь, 1991. — 464 с.

26 Сташин В.В. и др. Проектирование цифровых устройств на одкокристальных микроконтроллерах. — М.: Энергоатомиздат, 1990.—224 с.

27 Гусев В. Г., Гусев Ю. М. Электроника и микропроцессорная техника: Учеб.для вузов - М.: Высш. шк., 2006. - 799 с.

28 Титце У., Шенк К. Полупроводниковая схемотехника: Справочное ру­ководство - М.: Мир, 1982. -'512 с.

29 Гершунский Б.С. Основы электроники и микроэлектроники: Учебник для вузов. - Киев: Высш. шк, 1989. - 424 с.

30 Коломбет Е.А. Микроэлектронные средства обработки аналоговых сигналов. -М.: Радио и связь, 1991. -376 с.

31 Пейтон А.Дж, Волш.В. Аналоговая электроника на операционных усилителях. - М..: Бином, 1994. - 352 с.

32 Лачин В.И., Савелов Н.С. Электроника: Учеб. Пособие. 3-е издание. -Ростов н/Д: Феникс, 2005. - 704 с.

33 Павлов В.Н., Ногин В.Н. Схемотехника аналоговых электронных уст­ройств: Учебник для вузов. 3-е издание.-М.: Горячая линия-Телеком, 2005.-320с.

34 Фолкенберри Л. Применение операционных усилителей и линейных ИС.-М.: Мир, 1985.-572 с.

35 П.Алексенко А.Г. Основы микросхемотехники. - 3-е издание -М.: ЮНИМЕДИАСТАЙД, 2002. - 340 с.

36 12.Прянишников В.А. Электроника: Полный курс лекций. - СПб.: КОРОНА принт, Бином Пресс, 2006. - 416 с.

37 Полупроводниковые приборы и основы схемотехники электронных устройств. -М.: Додэка-ХХ1, 2001.-368 с.

38 Н.Галкин В.И. Промышленная электроника и микроэлектроника: Учеб­ное пособие. - М.: Высш. шк, 2006. - 352 с.

39 Радиосвязь/ Под ред. О.В.Головина. – М: Горячая линия - Телеком, 2001

40 Функциональные устройства обработки сигналов (Основы теории и алгоритмы)/ Под ред. Ю.В.Егорова. – М: Радио и связь, 1997.

41 Карташевский В.Г. и др. Сети подвижной связи/ Карташевский В.Г., Семенгов С.Н., Фирстова Т.В. – М: Экотрендз, 2001

42 Ратынский М.В. Основы сотовой связи/ Под ред. Д.Е.Зимина. – 2-е изд., перераб и доп. – М: Радио и связь, 2000

43 Системы радиосвязи: Учебник для вузов/ Под ред Н.И.Калашникова.- М: Радио и связь, 1998

44 Андрианов В.И, Соколов А.В. Сотовые, пейджинговые и спутниковые средства связи. – СПб.: БХВ Петербург Арлит, 2001

45 Гринфилд Дэвид. Оптические сети. The Essential Guide to Optical Networks. – М: БХВ – Петербург, 2002

46 Гусев Д. Технологии беспроводного доступа: Справочник. Спб.: БХВ Петербург, 2002

47 Гук М. Аппаратные средства локальных сетей: Энциклопедия Спб.: Питер, 2000

48 Телекоммуникационные системы и сети: Учебное пособие. Том 2. – Радиосвязь, радиовещание, телевидение/ Катунин Г.П., Мамчев Г.В., Попантонопуло В.Н., Шувалов В.П.; под ред. Шувалова В.П. – Изд.2-е, испр. И доп. – М: Горячая линия – Телеком, 2005

49 Попов В.И. Основы сотовой связи стандарта GSM.- М: Эко-Трендз, 2005

50 Скляр Б. Цифровая связь. - М., Санкт-П, Киев: Изд. дом «Вильямс», 2003.

51 Передача дискретных сообщений: Учебник для ВУЗов / В. П. Шувалов, Н. В. Захарченко, В. О. Шварцман и др.; Под ред. В. П. Шувалова. – М.: Радио и связь, 1990 - 464 с.

52 Телекоммуникационные системы и сети: Учебное пособие. В 3-х томах. Том 1 – Современные технологии/ под ред. Шувалова В.П. – М.Телеком: 2005 – 647с.: ил.

53 Теория электрической связи: Учебник для ВУЗов./ Зюко А.Г., Кловский Д.Д. – М: Радио и связь, 1999

54 Кловский Д.Д., Шилкин В.А. Теория электрической связи: Сб.задач и упражнений.- М: Радио и связь, 1990

55 Цифровая телефония: Беллами Дж., Пер. с англ./ Под ред. А.Н.Берлина, Ю.Н.Ченышева.- М.: Эко-Трендз, 2004. – 640с.: илл.

56 Гаранин М.В., Журавлев, Кунегин С.В. Системы и сети передачи информации. - М.: Радио и связь, 2001.

57 Основы кодирования: Учебник для Вузов./М.Вернер. – М.Техносфера, 2004

58 Макаров А.А., Прибылов В.П. Помехоустойчивое кодирование: Монография/СибГУТИ - Новосибирск, 2005

59 Лагутенко О.И. Современные модемы. - Эко-Тредз, 2002.

60 Купинов Ю.П. и др. Основы передачи дискретных сообщений -М.: Радио и связь, 1992.

61 Захарченко И.Б. и др. Основы передачи дискретных сообщений. -М.: Радио и связь, 1990.

62 Сергиенко А.Б. Цифровая обработка сигналов. - СПб.: Питер, 2002.

63 Шелухин О.И., Лукьянцев Н.Ф. Цифровая обработка и передача речи.- М.: Радио и связь, 2000.

64 Ватолин Д.С. Алгоритмы сжатия изображений. - М.: МГУ, 1999.

65 Абдуллаев Д.А., Арипов М.Н. Передача дискретных сообщений в задачах и упражнениях. - М.; Радио и связь, 1985.

66 Передача дискретной информации: Учебник для ВУЗов / Г. А. Емельянов, В. О. Шварцман - М.: Радио и связь, 1982-240 с.

67 Аджемов А.С. и др. Многоканальная электросвязь и каналообразующая телеграфная аппаратура. - М.: Радио и связь, 1981.

68 Коржик В.И. и др. Расчет помехоустойчивости систем передачи дискретных сообщений. Справочник, - М.: Радио и связь, 1981

69 Питерсон У., Уэлдон Э. Коды, исправляющие ошибки. - М.: Мир, 1976.

70 Прокис Дж. Цифровая связь. - М.: Радио и связь, 2000.

71 Цифровая связь. - М., Санк-П, Киев: Изд. дом «Вильяме», 2003.

72 Кудряшов В.А., Глушко В.П. Системы передачи дискретной информации: Учебник – М: УМК МПС, 2002. – 384с.

 

 

<== предыдущая лекция | следующая лекция ==>
Выполнение работы. 1.Ознакомиться с приборами и оборудованием, предназначенными для исследования вольтметров электромеханической группы; | Стехіометричні розрахунки. Ступінь перетворення
Поделиться с друзьями:

mylektsii.su - Мои Лекции - 2015-2026 год. (1.482 сек.)Все материалы представленные на сайте исключительно с целью ознакомления читателями и не преследуют коммерческих целей или нарушение авторских прав Пожаловаться на материал