Студопедия

Главная страница Случайная страница

КАТЕГОРИИ:

АвтомобилиАстрономияБиологияГеографияДом и садДругие языкиДругоеИнформатикаИсторияКультураЛитератураЛогикаМатематикаМедицинаМеталлургияМеханикаОбразованиеОхрана трудаПедагогикаПолитикаПравоПсихологияРелигияРиторикаСоциологияСпортСтроительствоТехнологияТуризмФизикаФилософияФинансыХимияЧерчениеЭкологияЭкономикаЭлектроника






Описание технологического процесса и принцип работы оператора






 

При описании технологической установки используются некоторые термины, являющиеся специфическими для данного типа установок:

· Насос - гидравлическая машина, создающая напорное перемещение жидкости при сообщении ей энергии.

· Насосный агрегат (НА) - совокупность насоса, электропривода и передаточного механизма (муфта, редуктор, шкив).

· Насосная установка (НУ) - комплекс оборудования обеспечивающий требуемый режим работы насосов одного или нескольких насосных агрегатов. НУ состоит из одного или нескольких насосных агрегатов, трубопроводов, запорной и регулирующей арматуры, контрольно-измерительной аппаратуры, а также аппаратуры управления и защиты.

· Насосная станция (НС) - сооружение, включающее в себя одну или несколько насосных установок, а также вспомогательные системы и оборудование.

Насосные установки подразделяются на водопроводные, канализационные, мелиоративные, теплофикационные и др.

Теплофикационные насосные станции (тепловые пункты) предназначены для подачи потребителям горячей воды требуемых параметров.

Насосные установки ежегодно расходуют около 20% электроэнергии, вырабатываемой энергосистемами республики. В настоящее время большая часть насосных установок работают неэкономично. Потери электроэнергии составляют 10.15%, а иногда достигают 20.25% потребляемой электроэнергии.

Применение экономичных способов регулирования, основанных на изменении частоты вращения рабочих колес насоса, позволяет значительно сократить потери электроэнергии в насосных установках. В современных насосных установках изменение частоты вращения насосов осуществляется с помощью автоматизированного электропривода (АЭП).

Поступление горячей воды в систему хозяйственно-бытового потребления и характер распределения ее суточных расходов, неравномерны и зависят от степени благоустройства зданий и от числа жителей населенного пункта.

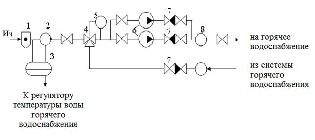
В открытых системах теплоснабжения жилых районов между центральным тепловым пунктом и тепловыми пунктами зданий прокладывается четырехтрубная тепловая сеть: два трубопровода - подающий и обратный - для подачи теплоты в системы отопления зданий и два трубопровода - подающий и циркуляционный - для подачи воды в системы горячего водоснабжения. Схема такого теплового пункта представлена на рисунке 1.1.

Режим работы насосной установки подачи горячей воды определяется режимом водопотребления и наличием напорно-регулирующих сооружений системы водоснабжения. В таблице 1.1 приведено примерное распределение среднесуточного расхода горячей воды по часам суток при среднем секундном их расходе 20 л/с и общем коэффициенте неравномерности водоотведения Кобщ=1, 3 [1]. Если в сети водопотребителя нет регулирующей емкости, то для обеспечения потребителя водой в час максимального водопотребления (по таблице от 9 до 10 ч) часовую подачу установки необходимо принимать по максимуму, т.е. равной 5, 6% объема суточного водопотребления.

1 - грязевик; 2 - датчик расхода; 3 - теплосчетчик с измерением расхода в подающем и обратном трубопроводах; 4 - трехходовой смесительный клапан регулятора температуры воды; 5 - регулятор температуры воды;

6 - циркуляционные насосы; 7 - обратные затворы; 8 - водомеры.

 

Рисунок 1.1 - Схема теплового пункта с непосредственным водозабором на горячее водоснабжение

 

Общую подачу и мощность насосной станции можно уменьшить, если ввести в сеть потребителей водонапорную башню с регулирующей емкостью, но, в отдельных случаях, регулирующая емкость напорной башни может получиться непомерно большой, а ее строительство окажется экономически нецелесообразным.

Оборудование насосных установок центробежными насосами, обладающими возможностью саморегулирования, позволяет использовать системы горячего водоснабжения без регулирующих емкостей.

Насосная станция системы горячего водоснабжения состоит из входного коллектора, к которому через щитовой затвор подведены всасывающие линии двух насосов (тип К90/20). Напорные линии насосов объединены напорным коллектором. Один из насосов является основным, второй - аварийным. Функции насосов периодически меняются. Насосную станцию с потребителями соединяют напорные водоводы.

 

Таблица 1.1- Примерное распределение среднесуточного расхода горячей воды по часам суток при среднем секундном расходе 20 л/с и коэффициенте неравномерности водоотведения Кобщ=1, 3

 

Часы суток Часовой расход, % Часы суток Часовой расход, %
0.1   12.13 4, 7
1.2 2, 5 13.14 4, 1
2.3 2, 5 14.15 4, 1
3.4 2, 6 15.16 4, 4
4.5 3, 5 16.17 4, 7
5.6 4.1 17.18 4, 1
6.7 4, 5 18.19 4, 5
7…8 4, 9 19.20 4, 5
8.9 4, 9 20.21 4, 5
9.10 5, 6 21.22 4, 8
10.11 4, 9 22.23 4, 6
11…12 4, 7 23…24 3, 3

 

По заданию на данной насосной установке теплового пункта системы горячего водоснабжения используем насос типа К (горизонтальный центробежный консольный насос). Насосы типа К предназначены для подачи чистой воды и других чистых жидких сред температурой до 105°С. Приводятся в движение асинхронным двигателем типа 4А. Технические характеристики насоса приведены в таблице 1.2.

 

Таблица 1.2- Технические характеристики насоса типа К90/20

 

Подача м3/ч л/с      
16, 7 22, 2 27, 8
Напор, м 25, 7 22, 8 18, 9
Частота обращения рабочего колеса, об/мин  
Мощность насоса, кВт 5, 6 6, 3 6, 7
КПД насоса, %   79, 5  
Допустимая вакуумметрическая высота всасывания, м 5, 4 5, 3 4, 2
Диаметр рабочего колеса, мм  

 

Система автоматического управления может работать как в ручном, так и в автоматическом режиме. При работе системы в ручном режиме функция оператора заключается в ручной коммутации насосов в зависимости от напора жидкости в сети. Напор жидкости в сети в этом режиме может контролироваться по датчикам. Считаем, что температура жидкости контролируется автоматически на центральном тепловом пункте.

При работе системы в автоматическом режиме функция оператора заключается в визуальном контроле исправности системы управления.

 


Поделиться с друзьями:

mylektsii.su - Мои Лекции - 2015-2026 год. (0.869 сек.)Все материалы представленные на сайте исключительно с целью ознакомления читателями и не преследуют коммерческих целей или нарушение авторских прав Пожаловаться на материал