Студопедия

Главная страница Случайная страница

КАТЕГОРИИ:

АвтомобилиАстрономияБиологияГеографияДом и садДругие языкиДругоеИнформатикаИсторияКультураЛитератураЛогикаМатематикаМедицинаМеталлургияМеханикаОбразованиеОхрана трудаПедагогикаПолитикаПравоПсихологияРелигияРиторикаСоциологияСпортСтроительствоТехнологияТуризмФизикаФилософияФинансыХимияЧерчениеЭкологияЭкономикаЭлектроника






Моделювання LC-фільтрів






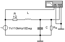
3. 1. 1 Зберіть на робочому столі " Electronics Workbench" схему LC-фільтра нижніх частот згідно з рис. 3. 1 та встановіть необхідні параметри елементів згідно з розрахунком (табл. 2. 1).

 

Рисунок 3. 1 – Схема LC-фільтра нижніх частот

 

3. 1. 2 Встановити на ліцьовій панелі вимірювача АЧХ параметри, що наведені на рис. 3. 2. Отримайте на екрані вимірювача зображення АЧХ LC-фільтра. Проведіть вимірювання частоти звізу (fп) на рывны –3 дБ. Результати вимірювань занесіть до табл. 2. 2.

 

 

Рисунок 3. 2 – Лицьова панель вимірювача АЧХ та ФЧХ

3. 1. 3 Зберіть на робочому столі " Electronics Workbench" схему LC-фільтра верхніх частот згідно з рис. 3. 3 та встановіть необхідні параметри елементів згідно з розрахунком (табл. 2. 1).

3. 1. 4 Встановити на ліцьовій панелі вимірювача АЧХ параметри, що наведені на рис. 3. 4. Отримайте на екрані вимірювача зображення АЧХ LC-фільтра. Проведіть вимірювання частоти зрізу fп на рівні –3 дБ. Результати вимірювань занесіть до табл. 2. 2.

 

 

Рисунок 3. 3 – Схема LC-фільтра високих частот

 

 

Рисунок 3. 4 – Лицьова панель вимірювача АЧХ та ФЧХ

 


Поделиться с друзьями:

mylektsii.su - Мои Лекции - 2015-2026 год. (1.345 сек.)Все материалы представленные на сайте исключительно с целью ознакомления читателями и не преследуют коммерческих целей или нарушение авторских прав Пожаловаться на материал