Студопедия

Главная страница Случайная страница

КАТЕГОРИИ:

АвтомобилиАстрономияБиологияГеографияДом и садДругие языкиДругоеИнформатикаИсторияКультураЛитератураЛогикаМатематикаМедицинаМеталлургияМеханикаОбразованиеОхрана трудаПедагогикаПолитикаПравоПсихологияРелигияРиторикаСоциологияСпортСтроительствоТехнологияТуризмФизикаФилософияФинансыХимияЧерчениеЭкологияЭкономикаЭлектроника






Инструкционная карта по выполнению лабораторной работы № 4

 

1. Тема учебной программы «Однофазные цепи переменного тока»

2. Тема работы: Исследование электрической цепи переменного тока с последовательным соединением активного и индуктивного сопротивлений

3. Цель работы: Ознакомиться с процессами, возникающих в неразветвлённых электрических цепях переменного тока c активным и индуктивным сопротивлениями. Научиться, вычислять коэффициент мощности, строить векторные диаграммы.

4. Материально-техническое оснащение: Лабораторный стол с комплектом оборудования, электроизмерительные приборы и соединительные провода.

 

5. Теоретическая часть:

Переменным называется электрический ток, величина и направление которого изменяются во времени. Обычно в технике под переменным током понимают периодический ток, Для переменного тока среднее значение силы тока и напряжения за период равно нулю. Периодом Т называют наименьший промежуток времени (выраженный в секундах), через который изменения силы тока (и напряжения) повторяются. Синусоидальный переменный ток – самый простой переменный ток.

Синусоидальный переменный ток часто изображают вращающимися векторами. Совокупность нескольких векторов, изображающих синусоидальные величины одной частоты, называют векторной диаграммой. При последовательном соединении элементов строится векторная диаграмма напряжений U, за основной вектор, на котором строится диаграмма, принимается вектор силы тока I. С помощью векторных диаграмм можно упростить расчеты цепей переменного тока.

Для построения векторной диаграммы выберите масштаб для силы тока и напряжений.

Построение векторной диаграммы начните с вектора тока , длину которого нужно отложить по горизонтали, в соответствии с выбранным масштабом.

Известно, что в цепи с активным сопротивлением ток и напряжение совпадают по фазе, поэтому вектор падения напряжения на активном сопротивлении откладываем по вектору тока, (т.е. вдоль вектора тока отложить длины векторов напряжений на активных сопротивлениях и , в соответствии с масштабом). (См. эквивалентную схему цепи).

В цепи с индуктивностью ток отстает от напряжения на угол j=90°. (Вектор напряжения опережает вектор тока I на ).

Поэтому вектор падения напряжения на индуктивном сопротивлении откладываем на диаграмме под углом 90° к вектору тока, (т.е. от конца вектора перпендикулярно вверх). Соединив начало вектора и конец вектора , получаем вектор общего напряжения, приложенного к зажимам цепи . Необходимые соотношения между напряжениями цепи отдельных участков можно определить из эквивалентной электрической схемы опыта.

Т.о. или , или , или

На построенной векторной диаграмме измерьте транспортиром угол φ. Убедитесь, что расчетные значения угла φ в таблице вычислений совпадают с диаграммой.

 

 

Примерный вид векторной диаграммы.

 

6. Практическая часть:

6.1. Техника безопасности при выполнении работы: Перед выполнением сборки цепей убедитесь, что лабораторный стол обесточен, ЛАТР установлен в положение «0 переменный ток». При выполнении работы запрещается прикасаться к неизолированным проводам, соединительным зажимам и другим частям цепей, которые могут оказаться под напряжением. При возникновении во время выполнения работы неисправностей оборудования или приборов следует немедленно выключить напряжение питания (красная кнопка на лабораторном столе) и сообщить о неисправности преподавателю. После сборки электрическую цепьпоказать преподавателю для проверки.Любые изменения в схеме производить после отключения питания.

 

6.2. Описание выполнения задания:

Ознакомьтесь с измерительными приборами; определите предел измерения и цену деления приборов, их технические характеристики

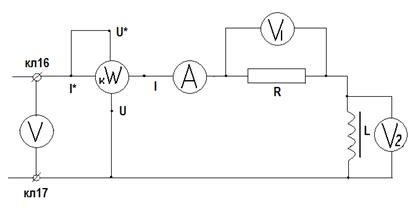
1. Собрать электрическую цепь по схеме. Показать собранную электрическую цепь преподавателю для проверки.

2. Убедитесь, что рычажный переключатель ЛАТР в положении «0 переменный ток» и «0-250В». С помощью ЛАТР установите в цепи значение переменного тока, указанное преподавателем (1, 0А-1, 3А). Определите показания всех измерительных приборов. Результаты измерений и вычислений записать в таблицу 1.

Схема электрической цепи.

Эквивалентная электрическая схема

3. Не изменяя напряжение и силу тока в цепи при помощи ЛАТР, приподнимите сердечник катушки, при этом изменится режим работы цепи и полное сопротивление катушки Zк. Удерживая сердечник катушки в некотором определённом положении, определите новые показания измерительных приборов и запишите их в таблицу1

Таблица 1.

№ п./п. Измерено Вычислено
U I P1 U1 U2 Z R R1 Zк XL L S Q cosφ φ Ua Up
В А Вт В В Ом Ом Ом Ом Ом Ом Гн ВА ВАр     В В
                                     
                                     

 

Расчетные формулы. Частота тока f= 50 Гц.

- полное сопротивление электрической цепи. - активное сопротивление цепи.

- активное сопротивление резистора. (U1=Ua1)

Rк = R - R1 –активное сопротивление катушки. - полное сопротивление катушки

= 2π fL= ω L -индуктивное сопротивление катушки

. Индуктивность катушки.

- полная мощность цепи.

- реактивная мощность цепи.

- коэффициент мощности. φ -угол сдвига фаз между колебаниями напряжения и тока цепи. По расчетным значениям cosφ определить градусную меру угла φ.

-активная составляющая напряжения сети.

-реактивная (индуктивная) составляющая напряжения цепи.

 

6.3. Требования к оформлению отчета: Лабораторная работа выполняется в тетради для лабораторных работ или на листах формата А4. Схемы электрических цепей вычерчиваются в соответствии с ГОСТами.

1). Перечертить в отчет схемы электрических цепей и таблицу.

2). Выполнить необходимые расчеты и записать их в таблицу 1.

3) Построить на миллиметровой бумаге векторную диаграмму напряжений для каждого опыта.

4). Ответить на контрольные вопросы.

5). Проанализировать результаты и сделать выводы.

 

6.4. Контрольные вопросы:

1. Что значит «неразветвленная» электрическая цепь?

2. Чему равны действующее значение синусоидального тока и напряжения, если известны их амплитудные значения? Как определить действующее значение этих величин?

3. Дать определение индуктивного сопротивления. От чего оно зависит? В каких единицах измеряется?

4. Приведите формулу реактивного сопротивления электрической цепи.

5. Запишите формулу полного сопротивления однофазной цепи переменного тока. Каковы особенности сопротивлений цепи при резонансе напряжений?

6. Чему равна активная и реактивная мощности в однофазной цепи переменного тока, и в каких единицах их измеряют?

7. Чему равна полная мощность в однофазной цепи переменного тока, и в каких единицах её измеряют?

8. Какое явление называют резонансом напряжений? Что такое коэффициент мощности? Чему равен коэффициент мощности при резонансе напряжений?

 

 

6.5. Используемая литература:

1) «Основы электротехники и электроснабжение». Э. Свириденко, Ф. Китунович «Техноперспектива», Минск, 2008

2) «Общая электротехника с основами электроники». И.А. Данилов, П.М. Иванов М., 1999г.

3) «Общая электротехника с основами электроники» В.С. Попов, С.А. Николаев М., 1980


Отчет о выполнении задания:

 

<== предыдущая лекция | следующая лекция ==>
Инструкционная карта по выполнению лабораторной работы № 3 | Тема учебной программы: Трехфазные цепи переменного тока
Поделиться с друзьями:

mylektsii.su - Мои Лекции - 2015-2026 год. (0.382 сек.)Все материалы представленные на сайте исключительно с целью ознакомления читателями и не преследуют коммерческих целей или нарушение авторских прав Пожаловаться на материал