Студопедия

Главная страница Случайная страница

КАТЕГОРИИ:

АвтомобилиАстрономияБиологияГеографияДом и садДругие языкиДругоеИнформатикаИсторияКультураЛитератураЛогикаМатематикаМедицинаМеталлургияМеханикаОбразованиеОхрана трудаПедагогикаПолитикаПравоПсихологияРелигияРиторикаСоциологияСпортСтроительствоТехнологияТуризмФизикаФилософияФинансыХимияЧерчениеЭкологияЭкономикаЭлектроника






Инструкционная карта по выполнению лабораторной работы № 8.

 

1. Тема учебной программы: Трансформаторы.

 

2. Тема работы: Исследование работы однофазного силового трансформатора

 

3. Цель работы: Изучить экспериментальные способы определения параметров трансформатора.

4. Материально-техническое оснащение: Лабораторный стол с комплектом оборудования, однофазный силовой трансформатор, реостат (нагрузка), электроизмерительные приборы и соединительные провода.

5. Теоретическая часть:

Трансформатор - это электромагнитный аппарат, предназначенный для преобразования напряжения переменного тока одного значения, в напряжение переменного тока другого значения, при неизменной частоте. Первые трансформаторы были изготовлены знаменитыми русскими электротехниками П. Н. Яблочковым и И.Ф. Усыгиным в 1876 г.
По виду преобразуемого переменного тока различают однофазные и трёхфазные трансформаторы. В соответствии с назначением различают: силовые трансформаторы; специальные (сварочные) трансформаторы; измерительные трансформаторы (для подключения измерительных приборов). В зависимости от конфигураций магнитной системы трансформаторы подразделяют на стержневые, броневые и тороидальные(кольцевые)

Основной частью устройства трансформатора является магнитопровод с двумя независимыми между собой обмотками, которые имеют названия первичная и вторичная. Сердечник (магнитопровод)трансформатора для уменьшения в нем вихревых токов изготовляется из тонких листов (0, 35-0, 5 мм) с пециальной трансформаторной стали. Первичная обмотка имеет большое сечение и меньшее количество витков. Вторичная обмотка подключается к нагрузке.

Действие трансформатора основано на явлении взаимной электромагнитной индукции. При подключении первичной обмотки трансформатора к сети, по обмотке проходит переменный ток, который создаёт в магнитопроводе переменное магнитное поле. Магнитное поле пронизывает витки второй обмотки и вызывает в ней ЭДС индукции. Напряжения на первой (U1) и второй обмотках (U2) трансформатора разные, т.к. зависят от количества витков в обмотках. Трансформатор повышающий, если U1‹U2; трансформатор понижающий, если U1›U2.

Если разомкнуть цепь вторичной обмотки, а на первичную подать номинальное напряжение (U1ном), то такой режим работы называется холостым ходом трансформатора. В этом режиме в обеих обмотках наводится ЭДС: Е 1 = 4, 44∙ f∙ N1∙ Ф, Е 2= 4, 44∙ f∙ N2∙ Ф, где f- частота переменного тока в сети (Гц), Ф- магнитный поток(Вб), N- количество витков в обмотках.
Отношение ЭДС или чисел витков обмоток называют коэффициентом трансформации трансформатора (k):

k = Е 1/ Е 2= N1/N2.

Пренебрегая падением напряжения в обмотках, коэффициент трансформации трансформатора(k) определяют отношением напряжений на обмотках в режиме холостого хода: k=U1х/U2х.

Если подать напряжение на первичную обмотку и подключить нагрузку к вторичной обмотке, то под воздействием ЭДС (Е 2) пойдёт ток через нагрузку (I2). Такой режим работы трансформатора называют рабочим (или работа трансформатора под нагрузкой).

Если сопротивление нагрузки сравнимо с сопротивлением вторичной обмотки, то трансформатор войдёт в аварийный режим короткого замыкания. Этот режим может быть использован для определения потерь энергии в обмотках. Экспериментально этот режим можно достигнуть, если вторичную обмотку замкнуть накоротко, но обязательно при пониженном напряжении в первичной обмотке (примерно 10% U1ном).

6. Практическая часть:

6.1. Техника безопасности при выполнении работы: Перед выполнением сборки цепей убедитесь, что лабораторный стол обесточен, ЛАТР установлен в положение «0 переменный ток». При выполнении работы запрещается прикасаться к неизолированным проводам, соединительным зажимам и другим частям цепей, которые могут оказаться под напряжением. При возникновении во время выполнения работы неисправностей оборудования или приборов следует немедленно выключить напряжение питания (красная кнопка на лабораторном столе) и сообщить о неисправности преподавателю. После сборки электрическую цепьпоказать преподавателю для проверки.Любые изменения в схеме производить после отключения питания.

6.2. Описание выполнения задания:

Изучить измерительные приборы, записать их технические характеристики, определить предел измерения и цену деления приборов.

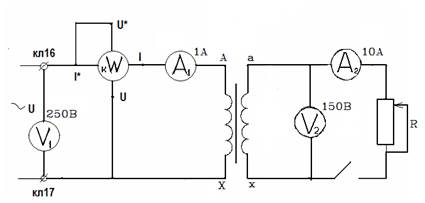
1. Установить переключатель ЛАТР в положение «0 переменный ток», «~0-250». Собрать электрическую цепь. Реостат является нагрузкой трансформатора. Ползунок реостата должен находиться в среднем положении. Показать собранную электрическую цепь преподавателю для проверки. Без разрешения преподавателя напряжение в цепь не подавать!

Схема электрической цепи опыта.

2. Отключить нагрузку, разомкнув цепь вторичной обмотки при помощи ключа. Исследовать режим холостого хода трансформатора. Включить питание лабораторного стола (нажать черную кнопку). Ручкой ЛАТР установить напряжение U1= 220В. Определить показания всех измерительных приборов и записать результаты измерений в таблицу.

3. Исследовать работу в номинальном режиме. Замкнуть цепь вторичной обмотки трансформатора при помощи ключа. При U1= 220В, передвигая ползунок реостата, установить номинальный ток I1 = 0, 6А. Показания всех измерительных приборов занести в таблицу.

4. Опыт работы трансформатора в режиме короткого замыкания проводить в присутствии преподавателя! Для исследования режима короткого замыкания установить напряжение ручкой ЛАТР U1к.з. = 20В. Включить нагрузку, замкнув цепь при помощи ключа. Перемещением ползунка реостата достичь его минимального сопротивления (Rнагр=0) и наибольшего тока в цепи. (Следить за показаниями амперметров!). Определить показания всех измерительных приборов, записать результаты измерений в таблицу.

5. По опытным данным работы трансформатора в номинальном режиме и режиме холостого хода построить внешнюю характеристику трансформатора.

 

Указания к построению внешней характеристики трансформатора:

Сначала определите изменения вторичного напряжения трансформатора по формуле:

, где и - напряжения на вторичной обмотке трансформатора в режиме холостого хода и в номинальном режиме.
Постройте график зависимости U2=ƒ (I2) ( при U1 =const=U, cosφ =1 ). По вертикальной оси отложить значения напряжения, по горизонтальной оси отложить значения силы тока.

Примерный вид внешней характеристики трансформатора.

 

Таблица 1

№п/п Измерено Вычислено Режим работы трансформатора
U1 I1 P1 U2 I2 К Pст η
В А Вт В А   Вт Вт А В  
                        Номинальный U1ном=220В, I1н=0, 7А
                        Холостого хода
                        Короткого замыканияU1=10% от U1ном

6. По результатам опытов выполнить необходимые вычисления

Расчётные формулы:

- коэффициент трансформации.

, - напряжение на первичной обмотке(U1) трансформатора в режиме холостого хода.

- напряжение на вторичной обмотке (U2) трансформатора в режиме холостого хода.

Рм – (потери в меди), потери мощности в обмотках трансформатора.

, (где Р1, мощность, потребляемая в режиме короткого замыкания).

Рст - (потери в стали), потери мощности в магнитопроводе трансформатора.

, (где Р1 в режиме холостого хода).

- относительная величина тока холостого хода трансформатора (в%)

- относительная величина напряжения короткого замыкания (в%)

η - коэффициент полезного действия (КПД) трансформатора при номинальной нагрузке:

,

 

6.3. Требования к оформлению отчета:

Лабораторная работа выполняется в тетради для лабораторных работ или на листах формата А4. Схемы электрических цепей вычерчиваются в соответствии с ГОСТами.

1). Перечертить в схему электрической цепи и таблицу.

2). Рассчитать, и записать значение всех величин, указанных в таблице.

3). П остроитьграфики внешней характеристики трансформатора, т.е. зависимости U2=ƒ (I2).

4). Проанализировать результаты измерений и вычислений и сделать выводы.

5). Ответить на контрольные вопросы.

 

 

6.4. Контрольные вопросы:

1). Какое назначение трансформаторов?

2). Какое физическое явление положено в основу работы трансформатора?

3). Что называют коэффициентом трансформации?

4). Как рассчитать потери энергии (мощности) в обмотках трансформатора?

5). Можно ли с помощью трансформатора увеличить напряжение в цепях постоянного тока?

6) От чего зависит значение КПД трансформатора?

 

 

6.5. Используемая литература:

1) «Общая электротехника с основами электроники». И.А. Данилов, П.М. Иванов М. «Высшая школа», 2000г.

2) «Общая электротехника с основами электроники» В.С. Попов, С.А. Николаев М. 1980

3) «Основы электротехники и электроснабжение». Э. Свириденко, Ф. Китунович, «Техноперспектива», Минск, 2008

 

 


Отчет о выполнении задания:

<== предыдущая лекция | следующая лекция ==>
Указания к построению векторной диаграммы. | Тема работы: Исследование устройства и режимов работы трехфазного асинхронного двигателя с короткозамкнутым ротором.
Поделиться с друзьями:

mylektsii.su - Мои Лекции - 2015-2026 год. (2.702 сек.)Все материалы представленные на сайте исключительно с целью ознакомления читателями и не преследуют коммерческих целей или нарушение авторских прав Пожаловаться на материал