Студопедия

Главная страница Случайная страница

КАТЕГОРИИ:

АвтомобилиАстрономияБиологияГеографияДом и садДругие языкиДругоеИнформатикаИсторияКультураЛитератураЛогикаМатематикаМедицинаМеталлургияМеханикаОбразованиеОхрана трудаПедагогикаПолитикаПравоПсихологияРелигияРиторикаСоциологияСпортСтроительствоТехнологияТуризмФизикаФилософияФинансыХимияЧерчениеЭкологияЭкономикаЭлектроника






Программа работы, результаты измерений и расчетов

 

1. B rC- цепи, изображенной на рис. 14.1, снять зависимости

i(t), uc(t), измеряя мгновенные значения ur1 и uc для следующих режимов:

а) включение цепи на постоянное напряжение;

б) отключение цепи от источника постоянного напряжения с последующим закорачиванием ее входных зажимов.

 
 

Данные занести в таблицы 1 и 2. Построить графики зависимостей i(t), uc(t).

Рис.14.1

Таблица 1

Включение цепи rC на постоянное напряжение

 

t, c                              
uc , B                              
ur1 , B                              
i, мкА                              

 

Таблица 2

Отключение цепи rC от источника постоянного напряжения

 

t, c                              
uc , B                              

 
 

Рис.14.2. Включение цепи rC на постоянное напряжение

Рис.14.3. Отключение цепи rC от источника

2.

 
 

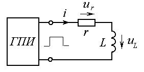
В rL -цепи (рис. 14.4) снять осциллограммы i(t), uL(t) при питании цепи от генератора прямоугольных импульсов (ГПИ).

 
 

Рис.14.4

а) б)


Рис.14.5 Осциллограммы i(t), uL(t).

3. В rLC -цепи (рис. 14.6) снять осциллограмму i(t), uc(t) при питании цепи от ГПИ следующих режимов:

а) апериодического;

 
 

б) колебательного.

Рис.14.5

 
 

а) б)

 
 

в) г)

Рис.14.6. Осциллограммы i(t), uc(t) в цепи rLC для апериодического (а, б) и колебательного (в, г) режимов

4. В схеме на 14.5 исключить резистор r и заосциллографировать uc(t). Объяснить, чем вызвано различие между характером кривой uc(t) в интервалах времени 0-Ти и Ти .

 
 

Рис.14.7. Осциллограмма uc(t) при r = 0.

 

5. По результатам опытов, выполненных в п.1, определить постоянные времени (при включении) и (при отклю-чении).Объяснить, почему

 

 

6. По результатам опытов, выполненных в п.2, определить постоянные времени (передний фронт прямоугольного импульса) и (задний фронт прямоугольного импульса). Вычислить и по параметрам цепи, указанным на стенде. Сравнить и объяснить результат.

 

 

7. По осциллограмме тока при колебательном процессе (п.3б) определить частоту собственных колебаний. Вычислить эти же величины по параметрам цепи, указанным на стенде.

 

 

Выводы:

 

 

Выполнил студент _____________ (Фак-т, курс, группа)   _____________________ (Ф. И. О.) Принял Преподаватель______________ (должность)   ______________________ (Ф. И. О.)   Д а т а   ___________ 200 г.

 

<== предыдущая лекция | следующая лекция ==>
Требование к оформлению работы | Классификация технологического и диагностического оборудования
Поделиться с друзьями:

mylektsii.su - Мои Лекции - 2015-2026 год. (0.885 сек.)Все материалы представленные на сайте исключительно с целью ознакомления читателями и не преследуют коммерческих целей или нарушение авторских прав Пожаловаться на материал