Студопедия

Главная страница Случайная страница

КАТЕГОРИИ:

АвтомобилиАстрономияБиологияГеографияДом и садДругие языкиДругоеИнформатикаИсторияКультураЛитератураЛогикаМатематикаМедицинаМеталлургияМеханикаОбразованиеОхрана трудаПедагогикаПолитикаПравоПсихологияРелигияРиторикаСоциологияСпортСтроительствоТехнологияТуризмФизикаФилософияФинансыХимияЧерчениеЭкологияЭкономикаЭлектроника






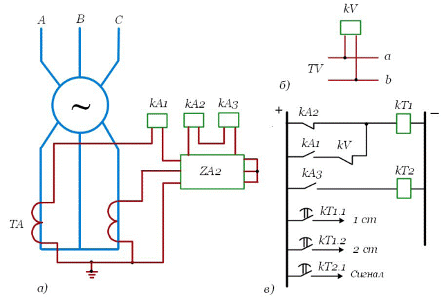
Максимальная токовая защита с блокировкой по напряжению






Защита выполняется на трех реле тока, включенных на фазные токи.

Токовые реле подключаются к трансформаторам тока, установленным со стороны нулевых выводов обмотки статора. Для исключения срабатывания защиты при перегрузках пусковой орган дополнен блокировкой по напряжению из двух реле напряжения, реле напряжения обратной последовательности KV2и реле минимального напряжения KV1 (рис. 5.3)

 

При перегрузках реле KV1 держит свой контакт разомкнутым, блокируя действие защиты. При несимметричных коротких замыканиях из-за появления напряжения обратной последовательности сработает реле KV2 и разорвет цепь питания реле напряжения KV1. Реле KV1, сработав, своим контактом подаст питание на промежуточное реле KL, и блокировка защиты снимется. При трехфазных коротких замыканиях работает KV1 и разрешает работу защиты.

Ток срабатывания токовых реле отстраивается от номинального тока генератора.

Напряжение срабатывания минимального реле напряжения отстраивается от минимального значения рабочего напряжения. Для предотвращения неправильного срабатывания защиты при самозапуске электродвигателей собственных нужд допускается в случае необходимости уменьшать напряжение срабатывания до 0, 5 Uном.

Напряжение срабатывания реле напряжения обратной последовательности выбирается из условия отстройки от напряжения небаланса на выходе фильтра.

Защита выполняется с двумя выдержками времени: с первой через контакт реле времени подается сигнал на отключение секционных и шиносоединительных выключателей, а со второй - на отключение генератора.

Реле KA2, включенное на фазный ток генератора, выполняет функции защиты от перегрузки.

 

 

 
 


Рис. 5.3.Схема максимальной токовой защиты с блокировкой по напряжению:

а) цепи переменного тока;

б) цепи напряжения;

в) цепи постоянного тока

 

 

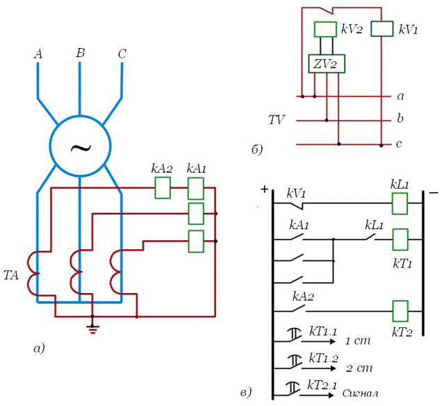
Токовая защита обратной последовательности

Для генераторов средней и большой мощности токовая защита с блокировкой по напряжению не обеспечивает требуемой чувствительности, в особенности при дальнем резервировании. Поэтому для защиты таких генераторов от внешних замыканий применяется токовая защита обратной последовательности.

 

Как указывалось выше, для защиты генераторов мощностью (30–60 ) МВт от внешних несимметричных замыканий используется двухступенчатая токовая защита обратной последовательности. Защита выполнена на двух реле тока KA2 и KA3, подключенных к фильтру токов обратной последовательности (рис. 5.4).

 

 
 

 


Рис. 5.4. Двухступенчатая токовая защита обратной последовательности:

а) цепи переменного тока;

б) цепи напряжения;

в) цепи оперативного постоянного тока.

 

 

Токовое реле первой ступени КА2 должно обеспечивать требования ближнего и дальнего резервирования:

I сз1ст = (0, 3 – 0, 7) Iном.

Реле второй ступени КАЗ предназначено для сигнализации возникновения несимметричной нагрузки в сети:

I сз2ст = (0, 08 – 0, 1) Iном.

Реле КА1 и КV обеспечивают действие защиты при симметричных замыканиях.

На турбогенераторах мощностью 60 МВт и более для защиты от внешних несимметричных коротких замыканий применяется четырехстпенчатая токовая защита обратной последовательности.

 
 

 


Рис. 5.5.Структурная схема четырехступенчатой токовой защиты обратной последовательности

 

Четырехступенчатая токовая защита обратной последовательности включает в себя две отсечки, сигнальный, пусковой и интегральные органы (Рис. 5.5).

Информация о токе с выхода фильтра токов обратной последовательности ФТОП через входные преобразователи ВП подается в схему. Чувствительная отсечка I предназначена для дальнего резервирования, грубая отсечка II – для ближнего резервирования, интегральный орган ИО – для защиты генератора от перегрузки токами обратной последовательности, сигнальный орган СО – для сигнализации о возникновении несимметричной перегрузки.

 

 

Ток срабатывания отсечки II выбирается по выражению:

,

где kч = 1, 5 – требуемый коэффициент чувствительности,

- сверхпереходный ток обратной последовательности при КЗ на выводах генератора.

Применять более высокий коэффициент чувствительности не рекомендуется во избежание излишних срабатываний при КЗ за трансформатором. Выдержка времени отсечки II принимается равной 0, 3 с.

Применение отсечки II необходимо на энергоблоках с выключателем в цепи генератора, где она обеспечивает сохранение в работе трансформатора блока и питание собственных нужд при повреждении генератора и отказе основной защиты. На энергоблоках без выключателей в цепи генератора установка отсечки II необязательна.

 

Ток отсечки I выбирается из условий обеспечения необходимой чувствительности при двухфазном КЗ в конце зоны резервирования и согласования с резервными защитами от междуфазных КЗ. Отсечка I с первой выдержкой времени, отстроенной от выдержки времени резервных защит присоединений, действует на деление шин, а со второй, принимаемой на ступень селективности больше первой, - на отключение генераторного выключателя или выключателя блока.

 

Интегральный орган защиты имеет характеристику срабатывания, соответствующую перегрузочной способности генератора к токам обратной последовательности, и запускается пусковым органом ПО.

I 2 сраб. ПО = (0, 08 – 0, 24) Iном.

 

Ток срабатывания сигнального органа принимается равным

I 2 сраб. СО = 0, 09 Iном,

выдержка времени должна быть больше времени действия резервных защит блока.

 

 


Поделиться с друзьями:

mylektsii.su - Мои Лекции - 2015-2026 год. (0.245 сек.)Все материалы представленные на сайте исключительно с целью ознакомления читателями и не преследуют коммерческих целей или нарушение авторских прав Пожаловаться на материал