Студопедия

Главная страница Случайная страница

КАТЕГОРИИ:

АвтомобилиАстрономияБиологияГеографияДом и садДругие языкиДругоеИнформатикаИсторияКультураЛитератураЛогикаМатематикаМедицинаМеталлургияМеханикаОбразованиеОхрана трудаПедагогикаПолитикаПравоПсихологияРелигияРиторикаСоциологияСпортСтроительствоТехнологияТуризмФизикаФилософияФинансыХимияЧерчениеЭкологияЭкономикаЭлектроника






Лекция 2-8.






Основные понятия и простейшие приборы плазменной электроники

 

Плазменная электроника — раздел электроники, в котором изучаются процессы коллективного взаимодействия потоков заряженных частиц с плазмой и ионизированным газом, приводящие к возбуждению в системе волн и колебаний, а также использование эффектов такого взаимодействия для создания приборов и устройств электронной техники.

Плазма (от греческого plasma — выявленное, оформленное) представляет собой частично или полностью ионизированный газ, в котором плотности положительных (ионов) и отрицательных зарядов (электронов) практически одинаковы. Это название было предложено американским физиком Ленгмюром в 1923 году.

Под ионизированным газом понимается газ, в котором значительная часть атомов потеряли или приобрели по одному или несколько электронов и превратились в ионы. В зависимости от количества потерянных или приобретенных ионов различают различные степени ионизации газа.

Существуют различные механизмы ионизации газа, основные из которых: термическая ионизация при нагреве газа, ионизация светом — фотоионизация, бомбардировка газа заряженными частицами. Ионизированный газ превращается в четвертое агрегатное состояние вещества. Другими словами, пространственные заряды электронов и положительных ионов должны компенсировать друг друга и тогда плазма считается квазинейтральной. Самый простой способ получения плазмы —зажигание газового разряда.

 

1. Общие сведения об электрический разряд в газах

 

Электрический разряд в газах возникает при прохождении электрического тока через ионизированные газы.

В зависимости от характера приложенного поля, от давления газа, формы и расположения электродов различают различные типы разрядов. При небольшом напряжении (≈ 100 В) через газ наблюдается прохождение тока (≈ 10-15 А). Видимо, этот ток обусловлен слабой ионизацией газа космическими лучами. Разряды в постоянном поле возникают при прохождении тока в газе и могут быть представлены в виде вольтамперной характеристики (рис. 1). На этой ВАХ выделяются участки: ОА – несамостоятельный разряд, АВ – развитие процесса пробоя (в точке В происходит пробой газового промежутка), участок ВГ соответствует темному таунсендовскому разряду, от точки Г до точки Ж происходит тлеющий разряд, причем падающая часть участка (ГД) называется поднормальным тлеющим разрядом, а часть ЕЖ – аномальным тлеющим разрядом. ЖЗ – переход к дуговому разряду.

 

 

 

Рис. 1. Вольтамперная характеристика газовых разрядов

 

Двигаясь под действием электрического поля в газовой среде, электроны производят на своем пути ионизацию молекул газа. Мерой такой ионизации является степень ионизации α, определяемая как

(1)

где А [м-1], В [В/м∙ мм рт. ст.], Е/р [кВ∙ м-1∙ мм рт. ст.] — константы, имеющие определенные табличные значения для различных газовых сред.

Вторичные электроны, появившиеся в результате ионизации газа, также движутся в электрическом поле и ионизируют газ. Лавинообразное размножение электронов приводит к тому, что поток в конце разрядного промежутка значительно больше потока электронов в его начале. Коэффициент k такого газового усиления в однородном поле определяется как

(2)

где d — ширина разрядного промежутка.

Положительные ионы, возникшие в результате ионизации, выбивают на отрицательном электроде дополнительное количество электронов. Вклад вторичной ионно-электронной эмиссии увеличивает значение k:

(3)

где γ — коэффициент вторичной ионно-электронной эмиссии материала катода, значения которого для различных газов и материалов можно найти в справочниках.

Обращение в нуль знаменателя в формуле (3) означает, что небольшой поток первичных электронов способен возбудить значительный разрядный ток и зажечь самостоятельный разряд.

В зависимости от типа газа, конфигурации электродов и расстояния между ними при дальнейшем небольшом увеличении напряжения наблюдается возникновение самостоятельного разряда. Этот тип разряда не зависит уже от внешних факторов и не нуждается во внешнем источнике ионизации (участок 3—4). При этом резко падает напряжение разряда. В этом случае говорят об электрическом пробое газового промежутка. При этом возникают новые электроны, которые под действием поля набирают энергию и ионизируют газ (участок 4—5).

Критерием возникновения самостоятельного разряда является условие

(4)

Пробойным потенциалом или потенциалом зажигания является разность потенциалов, при котором выполняется условие (4), и определяется он из соотношения

(5)

где константы А и В уже упоминались, а константа .

При небольшом внешнем сопротивлении R возникает тлеющий разряд (участок 3—6) при токе ≈ 10-6—10-1 А и напряжении до 103 В. Характерный поперечный размер разрядной трубки составляет ≈ 1 см. При этом образуется однородный светящийся столб. Это так называемый положительный столб разряда, который представляет собой плазму тлеющего разряда. Она является неравновесной с невысокой степенью ионизации, и ее электронная температура составляет Тe ≈ 104 К.

Если повышать напряжение дальше, то после газового пробоя зажигается дуговой разряд. Для него характерно высокое значение тока и достаточно низкое напряжение (участок 7—8). Дуговой разряд визуально представляет собой ярко светящийся газовый столб.

В дуговом разряде плазма равновесия такая, что температура электронов примерно равна температуре ионной составляющей ТeТi ≈ 104 К при достаточно высокой степени ионизации.

При резко неоднородном поле возникает коронный разряд. Ионизация и возбуждение молекул газа в коронном разряде наблюдается только в области, где поверхность электродов искривлена и возникает наибольшая напряженность электрического поля.

Для цилиндрической системы электродов возникновение коронного разряда происходит при напряженности поля, определяемой эмпирической формулой

(6)

где Екр — напряженность электрического поля, кВ/см; р — давление газа, атм.; r0 — радиус коронирующего электрода.

На рис. 1 изображена нагрузочная прямая Е— Е/R, с помощью которой путем подбора сопротивления нагрузки R в нагрузочной прямой можно получить определенный тип газового разряда.

Разряды можно классифицировать по состоянию плазмы разряда и частоте электрического поля.

По характеру ионизационного состояния газа можно различать:

· пробой газа;

· поддержание электрическим полем неравновесной плазмы;

· поддержание равновесной плазмы.

В свою очередь электрические поля делятся по частотам:

· постоянные, включая низкочастотные;

· высокочастотные (ВЧ) с f ≈ 105—108 Гц;

· сверхвысокочастотные (СВЧ) с f ≈ 109—1011 Гц;

· оптические (от ультрафиолета до инфракрасного диапазона),

Все эти комбинации электрического поля применяются в плазменной электронике.

Если разрядный промежуток достаточно велик, то основную его часть занимает плазменный столб. Это относится как к тлеющему, так и к дуговому разряду. Параметры тлеющего столба зависят от условия стационарности, которое заключается в том, что должно соблюдаться равенство средней частоты ионизации и обратного времени жизни заряженных частиц.

Ионизация происходит под действием электронных ударов, а распределение электронов по энергии экспоненциально спадает. Средняя энергия электронов в столбе составляет порядка нескольких эВ.

При малых давлениях и токах величина температуры ионов порядка комнатной. В таком случае плазма неравновесная. Для такой плазмы характерны неустойчивости, которые выражаются в формировании страт — чередующихся светлых и темных полос в разряде, а также в шнуровании тока, что приводит к отрыву плазмы от стенок. Неустойчивости можно избежать, варьируя напряженность электрического поля и его частоту. Для создания электронных плазменных приборов важным моментом является получение стационарного газового разряда с равновесной плазмой.

Плазму можно получить также при разогреве вещества, находящегося в газообразном или твердом состоянии. Плазму называют четвертым состоянием вещества. Состояние равновесной плазмы, как и всякого газа, определяется ее составом, концентрацией компонент и температурой. Обозначим парциальные концентрации компонент плазмы nα , придавая индексу α значения а (нейтральные частицы), i (ионы), q (электроны). Вообще говоря, плазма может содержать различные виды (сорта) атомов и ионов. В большинстве случаев будем рассматривать так называемую простую плазму, состоящую из нейтральных частиц одного сорта, однозарядных ионов того же сорта и электронов. Тогда степень ионизации η можно определить как отношение концентрации ионов и нейтральных атомов:

(7)

Температуру плазмы T будем выражать в энергетических единицах. Она связана с обычно используемым определением температуры соотношением:

(8)

где ТК — температура, К; k — постоянная Больцмана.

Равновесной плазме параметры концентрации и температуры полностью характеризуют состояние. Температура такой плазмы определяет не только среднюю энергию, но и распределение частиц по скоростям (максвелловское распределение). По концентрации и температуре плазмы можно найти степень ионизации, концентрацию ионов, возбужденных атомов, фотонов и т. п. Однако далеко не всегда плазму можно считать равновесной.

В частности, газоразрядная плазма, получаемая обычно в лаборатории, далека от равновесия. В некоторых случаях встречается так называемое частичное равновесие, при котором распределение скоростей заряженных и нейтральных частиц является максвелловским.

Температуры, определяющие это распределение для электронов и тяжелых частиц, различны. Для такой неизотермической плазмы можно ввести отдельно электронную и ионную температуры — Те, Ti. В общем случае распределение скоростей заряженных частиц в неравновесной плазме может существенно отличаться от максвелловского. Однако здесь мы будем также говорить о температуре компонент плазмы, определяя ее как меру средней энергии хаотического движения частиц. Разумеется, для получения полной информации о поведении неравновесной плазмы сведений о средних энергиях (температуре) компонент недостаточно, т. к. необходимо еще знать функцию распределения частиц по скоростям.

Характерной особенностью плазмы является ее макроскопическая нейтральность, поддерживающаяся вследствие взаимной компенсации пространственного заряда положительных ионов и электронов. Однако такая компенсация имеет место лишь в достаточно больших объемах и на протяжении больших интервалов времени. Поэтому говорят, что плазма— квазинейтральная среда. Размеры областей и промежутки времени, в пределах которых может нарушаться компенсация объемного заряда, называют пространственным и временным масштабами разделения зарядов.

При нарушении квазинейтральности плазмы в объеме возникают пространственные электрические поля и пространственные заряды. Как правило, возникают процессы, приводящие к восстановлению квазинейтральности плазмы.

Степенью ионизации плазмы называется число α, определяемое в условиях термодинамического равновесия формулой Саха:

где величина К определяется следующим образом

(9)

где I — энергия ионизации, эВ; — число всех частиц в кубе с ребром

где k — постоянная Больцмана, h — постоянная Планка, Т — температура плазмы.

В зависимости от величины α говорят о слабо, сильно или полностью ионизированной плазме. Различают высокотемпературную плазму с Т ≥ 106—108 К и низкотемпературную плазму с Т≤ 105 К.

Существует два важнейших показателя, согласно которым свойства плазмы отличаются от свойств нейтрального газа:

1. Взаимодействие частиц в плазме определяется кулоновскими силами притяжения или отталкивания, а не только температурными процессами. Такое взаимодействие электрически заряженных частиц является коллективным.

2. Электрические и магнитные поля сильно действуют на плазму, формируя в ней электрические заряды и токи.

Квазинейтральиостъ плазмы соблюдается в том случае, если линейные размеры области плазмы много больше дебаевского радиуса экранирования.

Физический смысл дебаевского радиуса экранирования заключается в том, что он является пространственным масштабом в плазме (или полупроводниках), на котором экранируется поле заряженной частицы. Причиной экранирования какого-либо заряда является процесс преимущественного группирования заряженных частиц противоположного знака.

Если заряженная частица с зарядом Zq создает электрический потенциал Фq, то дебаевский радиус экранирования rD определяется из выражения

При этом происходит нейтрализация заряда системы на расстоянии ~ rD. В этом случае плазму можно рассматривать как квазинейтральный коллектив, содержащий большое число заряженных частиц и занимающий область с линейными размерами L > > rD.

(10)

где qe и qi — заряды электронов и ионов, ne и ni — электронная и ионная плотности, Te и Ti — температура электронной и ионной составляющей плазмы, соответственно.

Плазма называется идеальной, если потенциальная энергия взаимодействия частиц мала по сравнению с тепловой энергией.

В плазме возникают продольные колебания пространственного заряда—ленгмюровские волны, угловая частота которых определяется соотношением:

(11)

где — плазменная частота, qe, m — заряд и масса электрона.

Наличие собственных колебаний и волн — характерное свойство плазмы. Электроны и ионы в плазме движутся по спиралям: электроны вращаются по часовой стрелке, а ионы против часовой стрелки.

Магнитные моменты μ круговых токов равны

(12)

где m — масса, v — скорость частиц, В — вектор индукции магнитного поля.

Как и всякое диамагнитное вещество, плазма выталкивается из области сильного магнитного поля в область слабого поля.

Важной характеристикой плазмы является длина свободного пробега частицы L:

где величина , v — частота столкновений, n — число частиц со скоростью V. Частота столкновений определяется по формуле

где τ - время между столкновениями.

Следует особо отметить, что длина свободного пробега в плазме существенно отличается от длины свободного пробега в газах.

В плазме различают три времени взаимодействия при столкновении:

1. — максвелловское распределение для электронов.

2. — максвелловское распределение для ионов:

3. — максвелловское распределение для плазмы:

Различие этих времен обязывает ввести понятие температуры для ионной Ti и электронной Тe составляющей плазмы. Если процессы в плазме не завершены, то ТeТi.

Столкновения частиц определяют диссипативные свойства квазинейтральной плазмы.

Электропроводность σ полностью ионизированной плазмы не зависит от плотности плазмы и пропорциональна Т3/2.

При Т ≈ 1, 5× 107 К электропроводность плазмы превосходит электропроводность серебра. При увеличении температуры свойства плазмы приближаются к свойствам сверхпроводника.

Одним из методов описания плазмы является движение частиц. В плазме заряженная частица летит со скоростью Vn вдоль магнитной силовой линии, вращаясь по спирали с плазменной частотой

где q и m — масса и заряд частицы, n — плотность частиц (рис. 2).

В общем случае на частицу зарядом q и массой m, дрейфующую в плазме, действует сила F, которая определяется выражением:

В этом выражении первое слагаемое является составляющим гравитационного поля, где g — ускорение свободного падения. Второе слагаемое характеризует дрейф в электрическом поле Е. Третье слагаемое — диамагнитная составляющая в поле с индукцией и градиентом по координатам и магнитной проницаемостью μ. Четвертое слагаемое обусловлено центробежной силой в искривленном поле по нормали . Пятое слагаемое связано с изменением электрического дрейфа и называется поляризационной силой.

Если Е = 0, g = О, то на частицу действуют только диамагнитные и центробежные силы, g этом случае частица дрейфует по бинормали, а траектории медленных частиц представляют собой поверхности, сечения которых имеют форму бананов.

 

Рис. 2. Схема вращения электрона qe и положительного иона qi по ларморовской спирали

 

2. Тлеющий разряд

Рассмотрим тлеющий разряд между плоскими электродами (рис. 3). При отсутствии разряда, когда объемного заряда нет, поле однородно и потенциал между электродами распределен по линейному закону (кривая 1). В электронном (вакуумном) приборе при наличии эмиссии существует отрицательный объемный заряд, создающий вблизи катода потенциальный барьер (кривая 2). Этот барьер препятствует получению большого анодного тока. В газоразрядном приборе, с тлеющим разрядом за счет большого числа положительных ионов создается положительный объемный заряд. Он вызывает изменение потенциала в пространстве анод — катод в положительную в сторону. Потенциальная диаграмма «выгибается» вниз (кривая 3).

 

Рис. 3. Распределение потенциала между электродами при отсутствии разряда (1), в электронном приборе (2) и в газоразрядном приборе с тлеющим разрядом (3)

 

Как видно, в газоразрядном приборе распределение потенциала таково, что почти все анодное напряжение приложено к тонкому слою газа около катода. Эта область, (I) называется областью катодного падения потенциала. Около катода создается сильное ускоряющее поле. Анод как бы приближается к катоду. Роль анода выполняет «нависшее» над катодом ионное облако с положительным зарядом. В результате этого действие отрицательного объемного заряда компенсируется, поэтому потенциального барьера около катода нет.

Другая часть разрядного промежутка (II) характеризуется небольшим изменением напряжения. Напряженность поля в ней мала. Ее называют областью электронно-ионной плазмы. Плазма — это сильно ионизированный газ, в котором число электронов и ионов практически одинаково. В плазме беспорядочное (тепловое) движение частиц преобладает над их направленным движением. Но все же электроны движутся к аноду, а ионы — к катоду.

Силы поля, действующие на электроны и ионы, одинаковы и лишь противоположны по направлению, так как заряды этих частиц равны, но обратны по знаку (напомним, что сила, действующая на заряд, F = еЕ, где Е — напряженность поля, е — заряд). Но масса иона в тысячи раз больше массы электрона. Даже у самого легкого газа — водорода масса положительного иона в 1840 раз превышает массу электрона. Соответственно этому ионы получают меньшие ускорения и приобретают относительно малые скорости. Следовательно, ток в ионных приборах практически создается перемещением электронов. Доля ионного тока весьма мала, и ее можно не принимать во внимание. Ионы выполняют свою задачу: они создают положительный объемный заряд, который значительно превышает отрицательный объемный заряд и уничтожает потенциальный барьер около катода.

Область катодного падения напряжения играет важную роль. Проникшие из плазмы в эту область ионы получают здесь ускорение. Ударяя в катод с большой скоростью, ионы выбивают из него электроны. Этот процесс необходим для поддержания разряда. Если скорость ионов недостаточна, то электронной эмиссии не получится и разряд прекратится. Вылетевшие из катода электроны в области катодного падения также ускоряются и могут ионизировать атомы газа. Электроны сталкиваются с атомами газа в различных частях плазмы. Поэтому ионизация происходит во всем ее объеме. В плазме совершается также и рекомбинация.

Следует иметь в виду, что только малая часть ионов, возникших в плазме, вызывает электронную эмиссию катода. Большинство ионов рекомбинирует с электронами и не доходит до катода. Если тлеющий разряд возник, то число ионов, ударяющих в катод в течение одной секунды, таково, что они выбивают столько электронов, сколько их было выбито за предыдущую секунду. Эти вновь выбитые электроны создают в плазме столько же ионов, сколько получалось там в течение предшествующей секунды, и тогда снова определенная часть этих ионов дойдет до катода и выбьет за 1 с прежнее число электронов. Подобный процесс повторяется каждую секунду и обеспечивает существование тлеющего разряда при определенном значении тока.

При возникновении тлеющего разряда появляется свечение газа около катода. С увеличением тока оно усиливается, расширяется и распространяется на всю плазму.

Тлеющий разряд существует при напряжении между электродами не ниже определенного значения. Если напряжение недостаточно, то ионы, ударяя в катод, не выбивают из него электронов. Несамостоятельный темный разряд переходит в самостоятельный тлеющий при напряжении возникновения тлеющего разряда U B, или напряжении зажигания. Последнее название наиболее распространено, хотя и не рекомендуется.

Напряжение возникновения разряда U Bзависит от рода газа, его давления, материала электродов и расстояния между ними. При активированном катоде значение U Bуменьшается. На рис. 4 изображена зависимость напряжения U Bот произведения давления газа р на расстояние между электродами d, называемая характеристикой возникновения разряда. Минимальное значение U Bminсоответствует произведению pd, которое условно можно назвать оптимальным (наивыгоднейшим). Однако во многих приборах более выгоден иной режим.

Кривую на рис. 4 можно объяснить следующим образом. Пусть расстояние d неизменно. Тогда при очень низком давлении возникновение разряда затруднено тем, что происходит мало столкновений электронов с атомами. Возникает мало ионов, и они не выбивают из катода достаточного числа электронов. Приходится увеличивать напряжение, чтобы ионы набирали значительную скорость и выбивали из катода больше электронов. При более высоком давлении электроны слишком часто сталкиваются с атомами и не набирают энергии, необходимой для ионизации. Образуется мало ионов. Повышение напряжения увеличивает энергию электронов, усиливает ионизацию и приводит к возникновению тлеющего разряда. Как видно, и при малом и при большом давлении напряжение U Bнужно повышать, а при некотором среднем давлении достаточно минимального значения U B.

 

Рис. 4. Характеристика возникновения разряда

 

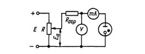
Рис. 5. Схема для снятия вольт-амперной характеристики газоразрядного прибора

 

Если давление газа постоянно, то при очень малом расстоянии между электродами большинство электронов долетает до анода, не сталкиваясь с атомами. Ионов образуется мало, и, чтобы они выбивали достаточно электронов из катода, нужно приложить более высокое напряжение. А при большом расстоянии d снижается напряженность поля. Электроны сталкиваются с атомами на своем пути не один раз, но не набирают энергии, нужной для ионизации. Приходится повысить напряжение, чтобы электроны от одного столкновения до другого проходили разность потенциалов не меньшую, чем напряжение ионизации. Таким образом, при слишком малом и слишком большом расстоянии между электродами напряжение U Bнужно увеличивать. При некотором среднем значении d достаточно наименьшего напряжения U B. Каждый газ имеет свою характеристику возникновения разряда, подобную кривой на рис. 4.

Вольт-амперную характеристику тлеющего разряда снимают с помощью схемы на рис. 5. В условном графическом обозначении газоразрядных приборов жирная точка показывает наличие газа. Раньше вместо точки делали штриховку. Ионные приборы надо включать последовательно с ограничительным резистором (R огр). Если его сопротивление очень большое (десятки или сотни мегаом), то при напряжении источника в сотни вольт разряд будет темным, поскольку ток не превысит нескольких микроампер. При значительно меньшем сопротивлении R огр возникает тлеющий разряд, если напряжение источника не меньше U B.

Дальнейшее уменьшение сопротивления R огр может перевести разряд в дуговой. Это недопустимо для приборов тлеющего разряда, рассчитанных обычно на ток не выше десятков миллиампер. При возникновении дугового разряда ток возрастает во много раз и прибор выходит из строя. Подключение газоразрядного прибора без резистора R огр к источнику, обладающему достаточным напряжением и малым внутренним сопротивлением, также приведет к возникновению дугового разряда. Ток будет ограничиваться главным образом только внутренним сопротивлением источника, так как сопротивление газоразрядного прибора при дуговом разряде весьма невелико. Произойдет короткое замыкание источника, ток возрастет очень быстро до недопустимо большого значения, и может произойти разрушение газоразрядного прибора.

В схеме на рис. 5 роль ограничительного резистора в известной степени выполняет верхний участок переменного резистора R. Но, чтобы в крайнем положении движка прибор не оказался подключенным непосредственно к источнику, необходимо включить еще резистор R огр.

Поскольку газоразрядный прибор и резистор R orp соединяются последовательно, то напряжение Е аравно сумме напряжений на приборе и резисторе:

Е а = U a + U R. (13)

Вольтамперная характеристика прибора с тлеющим разрядом показана на рис. 6. По горизонтальной оси отложен ток, а по вертикальной — напряжение, что дает более наглядное представление об изменении напряжения. Конечно, можно поменять оси, расположив их так, как принято для характеристик электронных ламп.

При увеличении напряжения от нуля возникает очень слабый ток. Это область темного разряда I. Ток темного разряда очень мал, и масштаб для него иной, нежели для остального графика.

Точка А — это точка возникновения тлеющего разряда (точка зажигания). Ей соответствует напряжение U B. Тлеющий разряд возникает, скачком. Минимальный ток, при котором возможен тлеющий разряд, гораздо больше тока темного разряда. Напряжение на приборе также скачком понижается на несколько вольт или даже больше, что объясняется перераспределением напряжения E а между внутренним сопротивлением прибора постоянному току R 0и сопротивлением R огр.

Рис. 6. Вольтамперная характеристика темного (область I) и тлеющего (области II, III) разряда

 

При темном разряде сопротивление R 0гораздо больше сопротивления R огр, которое выбрано таким, чтобы мог возникнуть тлеющий разряд. Практически все напряжение U а при темном разряде приложено к прибору. На резисторе R огрнапряжение близко к нулю. С возникновением тлеющего разряда ток резко возрастает и создает на резисторе R огрзаметное падение напряжения. За счет этого напряжение U а на приборе понижается. Иначе говоря, после возникновения тлеющего разряда сопротивление R 0резко уменьшается и становится соизмеримым с R огр. Напряжение U а перераспределяется, и заметная его часть будет падать на R огр, а U а соответственно уменьшится. До возникновения разряда U a ≈ E а, а после возникновения разряда U a = E аi a R огр. При этом напряжение E а непосредственно до и после возникновения разряда практически одинаково, так как если E а почти равно U B, то достаточно самого незначительного увеличения E а, чтобы возник разряд.

Таким образом, возникновение тлеющего разряда обнаруживается по измерительным приборам характерными скачками тока вверх и напряжения вниз. Возникает также свечение газа около катода. На графике возникновению разряда соответствует участок АБ, который нельзя снять по точкам, а можно только наблюдать с помощью осциллографа.

Иногда при снятии вольт-амперной характеристики за напряжение U Bошибочно принимают напряжение в точке Б, которое является рабочим напряжением тлеющего разряда. Величина U Bесть наибольшее напряжение, которое удается наблюдать при увеличении напряжения, перед тем как оно скачком уменьшится. А положение точки Б зависит от сопротивления ограничительного резистора. Чем оно меньше, тем больше ток и тем правее расположена точка Б.

После возникновения тлеющего разряда повышение подводимого напряжения E а сопровождается интересным явлением. Ток растет, а напряжение на приборе увеличивается незначительно, пока ток не превысит значения I max (точка В). Этот режим называется режимом нормального катодного падения (область II). Для него характерно прохождение тока через часть поверхности катода и свечение газа лишь у этой части. При малом токе только небольшая часть поверхности катода является рабочей. С возрастанием тока площадь рабочей поверхности катода увеличивается пропорционально току, а плотность тока катода остается неизменной. При токе I max вся поверхность катода становится рабочей и охватывается свечением.

 


Поделиться с друзьями:

mylektsii.su - Мои Лекции - 2015-2026 год. (1.511 сек.)Все материалы представленные на сайте исключительно с целью ознакомления читателями и не преследуют коммерческих целей или нарушение авторских прав Пожаловаться на материал