Студопедия

Главная страница Случайная страница

КАТЕГОРИИ:

АвтомобилиАстрономияБиологияГеографияДом и садДругие языкиДругоеИнформатикаИсторияКультураЛитератураЛогикаМатематикаМедицинаМеталлургияМеханикаОбразованиеОхрана трудаПедагогикаПолитикаПравоПсихологияРелигияРиторикаСоциологияСпортСтроительствоТехнологияТуризмФизикаФилософияФинансыХимияЧерчениеЭкологияЭкономикаЭлектроника






Расчет электрических осветительных сетей.






Установленная мощность осветительной нагрузки общественных зданий и предприятий определяется на основании светотехнических расчетов и представляет собой сумму мощностей всех ламп данной установки. Установленная мощность всегда бывает больше расчетной максимальной, т.е. действительно затрачиваемой, так как в зависимости от характера производства и наличия помещений часть ламп по разным причинам обычно не включена. Поэтому для получения расчетной максимальной мощности вводят поправочный коэффициент спрос а (Кс).

Для осветительных установок с лампами накаливания расчетная максимальная мощность (кВт)

Рр = Кс ∑ Рном

где Кс - коэффициент спроса; ∑ Рном – суммарная установленная номинальная мощность всех подключенных ламп, кВт.

В установках с газоразрядными лампами расчетная максимальная мощность включает потери мощности в пускорегулирующей аппаратуре (ПРА). Расчетная мощность определяется из выражений:

для люминесцентных ламп

Рр = 1, 2 Кс ∑ Рном;

для ртутных ламп ДРЛ, ДРИ, натриевых ламп ДНаТ

Рр = 1, 1 Кс ∑ Рном;

Коэффициенты спроса для расчета нагрузок осветительных сетей приводятся в справочных таблицах.

Расчетная нагрузка от трансформаторов пониженного напряжения 12-42 В складывается из мощности светильников, установленных стационарно на станках, верстаках для общего и местного освещения, и нагрузки переносного освещения с коэффициентом спроса 0, 5 -1, 0 принимаемым в зависимости от степени использовании переносного освещения.

Для выбора сечений проводов и кабелей из условий допустимого нагрева необходимо определить расчетные максимальные токовые нагрузки линий, которые определяются по формулам:

для однофазной (двухпроводной 1ф + 0) сети

Iр = Рр / (Uф cosφ);

для двухфазной (трехпроводной 2ф + 0) сети

Iр = Рр /(2Uф cosφ);

для трехфазной (четырехпроводной 3ф + 0) сети

Iр = Рр / (√ 3Uном cosφ).

Для сетей, питающих люминесцентные лампы, коэффициент мощности cosφ следует принимать: 0, 95 – для светильников с компенсированными ПРА; 0, 5 – для светильников с некомпенсированными ПРА; 0, 57 - для ламп ДРЛ; 1, 0 - для ламп накаливания.

По расчетным токовым нагрузкам (по таблицам допустимых токовых нагрузок на провода и кабели) в зависимости от способа прокладки определяют их сечения.

46. Системы заземления электрических сетей на напряжении до 1 кВ.

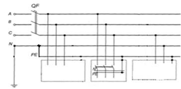
В соответствии с ПУЭ Эл. сети до 1 кВ могут выполнятся с заземленной или изолированной нейтралью. В большинстве случаев с заземлённой. Что позволяет использовать схемы питания совместно силовых и осветительных Эл. приёмников. Сети с изолированной нейтралью 25-30 % в тех случаях кода требуется повышенная надёжность имеют место повышенным требования к электробезопастности. В соответствии с МЭК 364 и имеющихся на основании его отечественного стандарта электрические сети могут выполнятся со следующим заземлением: 1) TN-S, 2) TN-C, 3) TN-C-S 4) TT, 5) IT

TN-S (рабочий и защитный ноль)

+: снижается напряжение прикосновения к металлическим корпусам оборудования; упорядочиваются цепи протекания токов в рабочих и аварийных режимах.

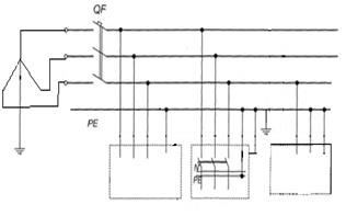
TN-C

PEN-совмещенный рабочий и защитный проводники.

Недостаток:

Не снижается напряжение прикосновения к металлическим корпусам оборудования; не упорядочиваются цепи протекания токов в рабочих и аварийных режимах.

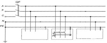
TN-C-S

В любом случаи ответвление к Эл. приёмникам должно выполнятся с разделением рабочего и защитного нуля.

+: возможность применения УЗО,

Снижение напряжения прикосновения.

Система ТТ противоречит ПУЭ, т.к. металлические части оборудования заземляются и должны зануляться.

IT- система для сетей, работающих с изолированной нейтралью.

В соответствии с 7 ПУЭ для вновь строищихся и реконструирующимся систем электроснабженя до 1 кВ должно применятся только системы TN-S или TN-C-S.

47.Схемы цеховых трансформаторных подстанций 6-10/0, 4 кВ.

ЦТП, как и др.ПС, выполняются по упрощенным схемам, отн-но дешевым и облад-т достаточной над-тью Эл.Сн. Перспективным явл.применение схем «блок-тр-р-магистраль», при кот.отс-т РУ на НН. Возможные схемы присоединения силовых трансформаторов к распределительной сети 6—10 кВ при отсутствии РУ 6—10 кВ ТП приведены на рис. 3.12.

Ввод высокого напряжения в ТП осуществляется от радиальных и магистральных линий в цепь трансформатора (рис. 3.12, а, б, в); для удобства проведения ремонтных работ, профилактических испытаний кабельных линий — через ремонтные накладки (рис. 3.12, в) или через разъединители с двух сторон магистрали (рис. 3.12, б). Схема наиболее простого решения — глухое присоединение трансформатора к электрической сети (г). Такая схема в основном применяется при радиальных кабельных линиях небольшой протяженности, питающих ТП, выполн.КЛ. При расстоянии от200м и > от ТП до ИП станов-ся экономич-ки нецелесообразно передавать сигнал защиты по контрольным кабелям, сл-но, устанавливают перед тр-ром выключатель нагр-ки, кот.действ.на откл-е от газовой защиты.

Установка на вводе подстанции коммутационных аппаратов (рис. 3.12, д, е, ж, з, и, к) необходима: а) практически во всех случаях при магистральных схемах соединения ТП; б) при питании ТП от ВЛЭП; в) по условиям защиты; г) при питании от пункта, находящегося в ведении другой эксплуатирующей организации; д) если пункт питания от ТП удален на значительное расстояние (3...5 км).

На рис. 3.12, д приведена схема присоединения трансформатора к питающей его линии через разъединитель. Разъединитель позволяет отключать на напряжении 10 кВ холостой ход трансформатора мощностью до 630 кВА, на 20 кВ — до 6300 кВА, а также обеспечивает видимый разрыв в электрической сети.

Наиболее простым и дешевым вариантом, при котором осуществляется индивидуальная защита трансформатора от токов короткого замыкания, является применение в цепи трансформатора разъединителя с плавкими предохранителями (рис. 3.12, е).

При необходимости отключения трансформатора под нагрузкой со стороны высшего напряжения в ТП устанавливается выключатель нагрузки (рис. 3.12, ж, з, и). Если требуется защита трансформатора от токов короткого замыкания, то выключатель нагрузки устанавливается с предохранителями, которые обеспечивают селективное отключение поврежденного трансформатора ТП (рис. з, и). Выключатель нагрузки с предохранителями может устанавливаться в цепи трансформатора мощностью до 1000 кВА включительно с верхним (рис. з) или нижним (рис и) расположением предохранителей. Расположенные выше выключателя нагрузки предохранители (рис. з) локализуют в пределах данной камеры повреждения, которые могут возникнуть при оперативных переключениях, например. Такое расположение предохранителей обеспечивает безопасность осмотра и ревизии выключателя нагрузки при вынутых предохранителях. Недостатком схемы с верхним расположением предохранителей является необходимость выемки предохранителей под напряжением.

При необходимости частых коммутаций в цепи трансформатора и в ответственных случаях применяется схема с выключателем высокого напряжения (рис. к). Совместно с выключателями на стороне высокого напряжения устанавливаются в двух крайних фазах измерительные трансформаторы тока и трансформаторы напряжения (как правило, два трансформатора типа НОМ, соединенные по схеме открытого треугольника, что дает возможность иметь все три напряжения). Измерительные трансформаторы используются как для питания цепей релейной защиты, так и для подключения контрольно-измерительных приборов.

В двухтрансформаторной ТП для питания каждого трансформатора может применяться любая из приведенных на рис. 3.12 схем.

Если в ТП предусматривается распределительное устройство высокого напряжения, то оно выполняется на базе ячеек КСО или КРУ по одинарной секционированной системе шин.

Соединение трансформаторов со сборными шинами распределительного устройства низшего напряжения может выполняться по схемам, приведенным на рис. 3.13.

Схемы отходящих линий низшего напряжения ТП приведены на рис. 3.14.

Комбинированием вышеприведенных схемных элементов можно получить разнообразные схемы подстанций 6—10/0, 4—0, 23 кВ.

Распределительное устройство низшего напряжения некомплектных трансформаторных подстанций, например, подстанций городской электрической сети, представляет собой распределительный щит из панелей типа ЩО, ПРС, ПАР или др.


Поделиться с друзьями:

mylektsii.su - Мои Лекции - 2015-2026 год. (1.512 сек.)Все материалы представленные на сайте исключительно с целью ознакомления читателями и не преследуют коммерческих целей или нарушение авторских прав Пожаловаться на материал