Студопедия

Главная страница Случайная страница

КАТЕГОРИИ:

АвтомобилиАстрономияБиологияГеографияДом и садДругие языкиДругоеИнформатикаИсторияКультураЛитератураЛогикаМатематикаМедицинаМеталлургияМеханикаОбразованиеОхрана трудаПедагогикаПолитикаПравоПсихологияРелигияРиторикаСоциологияСпортСтроительствоТехнологияТуризмФизикаФилософияФинансыХимияЧерчениеЭкологияЭкономикаЭлектроника






Конструирование балок.






 

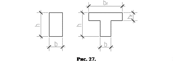
Поперечное сечение балки может иметь формы: прямоугольное, тавровое, двутавровое, трапециевидное.

 

Арматура балок объединяется в сварные каркасы.

Рабочую арматуру ставят по расчету, диаметр рабочих стержней назначается по сортаменту (рекомендуется 12-32мм). Поперечную арматуру также ставят по расчету, соблюдая необходимые конструктивные (по сварке стержней) требования.

Диаметр монтажных стержней рекомендуется назначать на 2-4мм больше диаметра поперечных стержней.

Наиболее распространенными сечениями балок являются прямоугольные и тавровые.

Рекомендуется придерживаться следующих соотношений размеров:

- высоту балок (h) рекомендуется назначать в диапазоне 1/8…1/20 l кратно 5 см при h ≤ 60см, кратно 10 см – при h > 60см;

- ширину сечения балки (b) рекомендуется назначать кратно 5 см в диапазоне b =0, 25…0, 5 h.

При ширине сечения b ≤ 15см устанавливается один или два каркаса, при b > 15см – два и более каркасов.

 


Поделиться с друзьями:

mylektsii.su - Мои Лекции - 2015-2026 год. (1.895 сек.)Все материалы представленные на сайте исключительно с целью ознакомления читателями и не преследуют коммерческих целей или нарушение авторских прав Пожаловаться на материал