Студопедия

Главная страница Случайная страница

КАТЕГОРИИ:

АвтомобилиАстрономияБиологияГеографияДом и садДругие языкиДругоеИнформатикаИсторияКультураЛитератураЛогикаМатематикаМедицинаМеталлургияМеханикаОбразованиеОхрана трудаПедагогикаПолитикаПравоПсихологияРелигияРиторикаСоциологияСпортСтроительствоТехнологияТуризмФизикаФилософияФинансыХимияЧерчениеЭкологияЭкономикаЭлектроника






Мета роботи та робоче завдання






Лабораторна робота № 7

ДИФЕРЕНЦІЙНИЙ ДИЛАТОМЕТРИЧНИЙ АНАЛІЗ.

Частина 1. ГРАДУЮВАННЯ ДИФЕРЕНЦІЙНОГО ОПТИЧНОГО ДИЛАТОМЕТРА ТИПУ ШЕВЕНАРА

Мета роботи та робоче завдання

Мета роботи: Ознайомитися з конструкцією диференційного оптичного дилатометра типу Шевенара. Набути практичного досвіду побудови градуювальної сітки для подальших досліджень.

 

Для досягнення мети роботи необхідно виконати наступні завдання:

- Опрацювати літературу для опанування фізичних принципів, що лежать в основі диференційного дилатометричного аналізу;

- Ознайомитися з конструкцією та принципом роботи диференційного оптичного дилатометра типу Шевенара;

- Опанувати методику побудови градуювальної сітки;

- Побудувати градуювальну сітку;

- Зробити висновки щодо отриманих результатів.

7.2. Теоретичні відомості

У відповідності до основних законів термодинаміки, нагрів матеріалу завжди супроводжується термічним розширенням, внаслідок збільшення міжатомної відстані в кристалічній гратці металів і сплавів. Зміна питомих об'ємів фаз і структур, при певних зовнішніх впливах, також супроводжується розширенням або стисканням. Розвиток фазових перетворень в процесі термічного впливу зазвичай супроводжується значними об’ємними ефектами розширення або стиску, величина яких може перевищувати об’ємні зміни, пов’язані із звичайним монотонним термічним розширенням. В зв'язку з цим при температурах фазових перетворень спостерігається стрибкоподібна зміна об'єму, лінійних розмірів і коефіцієнта розширення. Це дозволяє встановити температури фазових перетворень (критичні точки), величину об'ємних ефектів, які при цьому спостерігаються, розрахувати коефіцієнти термічного розширення.

Як зазначалося в попередній лабораторній роботі, видовження зразка при нагріванні описується виразом:

(7.1)

де l – довжина тіла, t 1 – його температура, - істинний коефіцієнт лінійного розширення матеріалу. Експериментальне визначення коефіцієнтів розширення виконується в певномі інтервалі температур Δ t = t 2t 1, де t 1 – початкова, а t 2 – кінцева температура. Цим температурам відповідають об’єми зразків V 1 та V 2 або їх довжини l 1 и l 2. Тоді можна записати:

(7.2)

(7.3)

В цих виразах та - середній об’ємний та середній лінійний коефіцієнти термічного розширення, відповідно. Вони визначені в достатньо вузькому температурному інтервалі. На рис. 7.1 схематично зображено можливі варіанти зміни об’ємного коефіціенту термічного розширення. Значення середніх коефіціентів співпадають з істинними, якщо коефіціенти розширення постійні, або лінійно залежать від температури (див. рис. 7.1, а).

Якщо залежність від температури має від’ємну кривизну (див. рис. 7.1, б), тобто , то . В протилежному випадку, коли буде (див. рис. 7.1, в).

а б в

Рисунок 7.1 – Співвідношення між середнім () та істинним (β) коефіцієнтами об’ємного теплового розширення матеріалу в залежності від загального виду кривої β = f(t).

 

Для отримання достовірних результатів, необхідно, щоб похибки визначення коефіцієнтів термічного розширення матеріалів були невеликі. Для цього потрібно правильно обирати температурні інтервали Δ t. Для вимірювань при температурах до 10 К обирають Δ t ≤ 1 К, при температурах в інтервалі 0, 1θ < T < θ (θ – температура Дебая[1]) - Δ t ≤ 10 К. При θ < T < 2θ всі параметри, що визначають рівень коефіцієнтів термічного розширення практично не залежать від температури, й інтервад можна розширити до Δ t ≈ 50°. Нарешті, в області T > 2θ, де температурна залежність коефіцієнту розширення підсилюється, інтервал знову має бути зменшений. Конкретні значення обираються для кожного випадку окремо.

При температурах, віддалених від кімнатної, точно визначити об’ємні перетворення досить складно, тому зазвичай використовують лінійний коефіцієнт термічного розширення. Для кращого виявлення навіть незначних лінійних ефектів фазових перетворень використовують дилатометри, які працюють за диференційною схемою в якій вимірюється різниця видовжень зразка та еталона.

До матеріалу з якого виготовляють еталони висувається ряд вимог:

- підвищена жаростійкість;

- задовільна жароміцність;

- відсутність фазових перетворень в інтервалі температур дослідження;

- коефіцієнти його термічного розширення повинні бути відомі, не сильно відрізнятись від коефіцієнтів матеріалу;

- оборотність термічних властивостей (форма та розміри зразка та його коефіцієнт термічного розширення мають не змінюватися при багаторазових нагріваннях і охолодженнях).

Для сталей найчастіше як еталон використовують сплав на основі нікелю під назвою “пірос”. Хімічний склад цього сплаву: нікель – 82 %, хром – 7 %, вольфрам – 5 %, залізо – 3 %, марганець – 3 %. Цей сплав не окислюється при високих температурах, не зазнає фазових перетворень до температури 1100 0С, а його коефіцієнт лінійного розширення виміряний точно і за величиною він менший від γ -Fe і більший від α -Fe (див. табл. 7.1).

 

7.3 Устаткування, прилади та матеріали

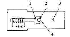
Одним з найбільш поширених приладів для визначення критичних точок в матеріалах і лінійного коефіцієнта термічного розширення є дилатометр типу Шевенара. На рис. 7.2 зображено принципову схему диференційного дилатометра типу Шевенара та зовнішній вигляд основних вузлів. Прилад має три основні частини: дилатометричний датчик, освітлювальний вузол і реєструючий апарат.

Дилатометричний датчик складається з двох кварцових трубок 3 (Т1 та Т2). В трубку Т1 вміщується еталон 2, а в трубку Т2 зразок, що досліджується 1. Розмір еталону і зразка однаковий: діаметр 3, 5 мм, довжина 50 мм. Зразок і еталон одним кінцем спираються в закриті кінці кварцових трубок, а іншим - в кварцові стрижні 4. Для нагрівання зразка і еталона дилатометр має стрижневу електричну пічку 6, яка може насуватися на кварцові трубки. Термічне розширення зразка і еталона при нагріванні передається кварцовим стрижням, а від них стрижням-виштовхувачам С1 і С2 із сплаву типу «інвар», і далі рухомим опорам Р1 і

б в

г д

Рисунок 7.2 – Диференційний оптичний дилатометр типу Шевенара (а – принципова схема, б – кварцові трубки в муфті, в – головка дилатометра, г – піднятий оптичний трикутник, д – правильно встановлений оптичний важіль): 1 – зразок; 2 – еталон; 3 – кварцові трубки; 4 – кварцові штовхачі; 5 – муфта; 6 – електрична піч; 7 – припискаючі обмежувачі; 8 – 9 – 10 – мікрогвинти; 11 – притискаюча пружина; 12 – лампочка; 13 – блок діафрагм; 14 – конденсор; 15 – матове скло (фотопластина).

Р2 оптичного важеля L, на якому укріплено увігнуте дзеркальце М з фокусною відстанню біля 1, 0 м. Стрижні С1 і С2 за допомогою обмежувачів 7 притискаються до кварцових штовкачів для усунення зазорів між зразками і оптичним важелем. Застосування сплаву типу «інвар» (Fe + 36 % Ni) обумовлено тим, що він в широкому інтервалі температур має незначний (0, 5÷ 1, 5·10-6 град-1) та постійний коефіцієнт термічного розширення.

Оптичний важіль L являє собою прямокутний трикутник, виготовлений із сплаву типу «інвар» і має в кожному куті по мікроскопічному гвинту 8-10 з вістрями. Вістрям Р1 важіль спирається на плоску поверхню стрижня С1, вістрям Р2 – в заглиблення на стрижні С2 і вістрям Р3 – в опору з горизонтальною канавкою нерухомого блоку С. Оптичний трикутник притискається до опор С1, С2, С за допомогою пружини 11. При розширенні зразка або еталона оптичний важіль L під їх тиском відходить від свого початкового положення, а при їх скороченні - рухається в зворотному напрямку під дією пружини.

Освітлювальний вузол складається з електричної лампочки 12, яка живиться від знижуючого трансформатора, конденсора 14, блока діафрагм 13, схема якого показана на рис. 7.3. Блок діафрагм 13 являє собою плоску пластину, в якій є діафрагма 3 діаметром 3 мм для юстування дилатометру, робоча діафрагма 4 діаметром 0, 15 мм і щільова діафрагма 2 шириною 0, 15 мм для нанесення позначок на дилатометричну криву (див. рис. 7.3, б). Остання откривається при включенні електромагнітного затвора 1.

а

б в

Рисунок 7.3 - Блок діафрагм освітлювального вузла (а – схема, б – відкрита щільова діафрагма, в – робоче положення): 1 – електромагнітний затвор, 2 – щільова діафрагма, 3 – юстувальна діафрагма, 4 – робоча діафрагма.

 

Освітлювальний вузол з електромагнітним затвором 1 може пересуватись вверх і вниз по напрямним планкам, закріпленим на фронтальній стінці фотокамери 15. Хід променів від освітлювача до реєструючої частини показано на рис. 7.2.

Реєструюча частина складається із камери з фотопластинкою або фотоплівкою 15 (замість фотозапису можна використовувати тонке скло (або кальку), на якому олівцем відмічають положення “світлового зайчика” в процесі нагрівання чи ізотермічної витримки) та хромель-алюмелевої термопари ХА, що підключена до автоматичного потенціометра П.

Під час дослідження світло від електричної лампочки 12 проходить через діафрагму 4 та фокусується лінзою 14 на увігнутому дзеркальці М. Відбившись від нього промінь утворює на матовому склі (чи фотопластинці) 15 світлову точку. При нагріванні зразок і еталон розширюються і через всю рухому систему повертають дзеркальце. Світлова точка при цьому зміщується.

Температура в електропечі регулюється за допомогою терморегулятора. ЛАТРом можна плавно змінювати напруження, яке подається на обмотку електропечі (рукоятку ЛАТРа треба переміщувати за годинниковою стрілкою в межах 0...160 В).

Всі основні частини дилатометра розміщені на одній станині і можуть переміщатися по напрямним призмам.

7.4 Методика вирішення експериментального завдання

7.4.1. Правила переміщення світлової точки при диференційному дилатометричному аналізі

Досліджуваний зразок і еталон розширюються в більшості випадків по-різному, і в зв'язку з цим, світловий «зайчик» (світлова точка) від впливу кожного з них буде рухатися в різні боки (див. рис. 7.4). Тому крива, яку описує світлова точка при спільному розширенні еталона і зразка буде мати складний характер, котрий визначається різницею їх коефіцієнтів розширення. Розглянемо переміщення світлової точки на матовому склі при дилатометричному дослідженні матеріалу.

За умови розширення тільки еталону (зразок замінюється на кварцовий стрижень такого ж розміру) буде рухатися лише опора Р1 та оптичний важіль з дзеркальцем М буде обертатися навколо нерухомої нахиленої осі z-z, що проходить через опори Р2 та Р3 (див. рис.7.4, а)і світлова точка О на фотопластинці буде рухатися прямо по пунктирній лінії 2 (див. рис. 7.4, б) – напрямок «Еталон» на рис.7.4, а.

Якщо припустити, що розширюється тільки зразок при нерухомому еталоні (аналогічним чином еталон замінюють на кварцовий стрижень), то оптичний важіль із дзеркальцем М внаслідок руху лише опори Р2 буде обертатись навколо горизонтальної осі х-х, що проходить через опори Р1 та Р3, і світлова точка на фотопластинці буде переміщуватись по вертикалі вверх (напрямок «Зразок» на рис.7.4, а).

а б

Рисунок 7.4 – Диференційний дилатометричний аналіз: а - схема руху оптичного важеля (Р1, Р2, Р3 – опори; М – дзеркало; L – оптичний важель); б – вид дилатометричної кривої (1 – дилатометрична крива, 2 – напрямок розширення еталону).

 

При одночасному нагріванні зразка і еталона, за умови їх однакового розширення, оптичний важіль з дзеркальцем буде повертатися навколо вертикальної осі у-у (див. рис.7.4, а), та світлова точка рухатиметься по горизонтальній траєкторії (напрямок «Зразок та еталон» на рис. 7.4, а).

Оскільки насправді еталон та зразок розширюються по-різному, то дилатометрична крива буде знаходитися між горизонтальною віссю та прямою 2 (див. рис. 7.4, б, крива 1).

7.4.2. Юстування диференційного дилатометра

Для можливості отримання достовірних результатів та правильного аналізу дилатометричної кривої, перед початком проведення досліджень, необхідно провести налаштування дилатометра. Цей процес включає в себе такі операції:

1) перевірку координатних осей;

2) визначення коефіцієнтів збільшення по осям;

 

 

7.4.2.1. Перевірка координатних осей (виконується за допомогою лаборанта)

Перевірка осі

Для цього між стрижнями-виштовхувачами С1 та С2 й притискаючими обмежувачами 7 (див. рис.7.2) вставляється плитка Йогансона (див. рис. 7.5) товщиною 1 мм.

Рисунок 7.5 – Набір плиток Йогансона різної товщини.

 

Обертанням гвинтів 9 та 10 і переміщенням планок світлового вузла “світловий зайчик” приводиться в крайнє ліве нижнє положення на одну із вертикальних ліній матового скла в початок координат.

Потім, обережно видаливши із-під стрижня С2 плитку Йогансона товщиною 1 мм, вставляють на її місце плитку товщиною 1, 3 мм. В результаті збільшення товщини плитки “світловий зайчик” із крайнього нижнього положення повинен зміститись вверх, весь час перебуваючи на початковій вертикалі, і повернутись в вихідне положення при підкладанні плитки товщиною 1 мм під обидва стрижня (за технічними умовами зміщення допускається в межах мм).

Перевірка осі

Для цього так само, як й в попередньому випадку, між стрижнями С1 та С2 й притискаючими обмежувачами 7 (див. рис.7.2) вставляється плитка Йогансона товщиною 1 мм, а “світловий зайчик” приводиться в крайнє ліве верхне положення на одну із горизонтальних ліній матового скла в початку координат. Після обережного видалення плитки товщиною 1 мм під обидва стрижня С1 та С2 закладається плитка товщиною 1, 3 мм. В результаті збільшення товщини плитки “світловий зайчик” із крайнього лівого положення повинен зміститись вправо, знаходячись весь час на початковій горизонталі, і повернутись в вихідне положення при закладанні плитки товщиною 1 мм (за технічними умовами зміщення допускається в межах мм). Якщо при перевірці вказаного результату не отримали, звертаються до регулювання осі ОХ за допомогою обертання ексцентрикового гвинта 8.

 

7.4.2.2. Визначення коефіцієнтів збільшення по осям

Для визначення коефіцієнтів збільшення по осям диференційного оптичного дилатометра необхідно виконати низку вимірювань.

Відносне розширення зразка позначимо через , для еталона і кварца відповідно матимемо і .

Нехай початкові довжини зразка, еталона і кварца однакові: .

Збільшення по осі ОХ позначимо через К1, по осі OY через К2 і по осі OA через К3. Тоді переміщення світлової точки по осі ОХ, що відповідає однаковому розширенню зразка і еталона можна записати так:

(7.4)

Аналогічно визначаються переміщення, що відповідають розширенню:

тільки еталона (вісь OA) , (7.5)

тільки зразка (вісь OY) (7.6)

Знайдемо співвідношення між К1 і К2. Для цього розглянемо довільну точку b на дилатометричній кривій (див. рис.7.4, б). На цьому рисунку у відповідності до (7.4) і (7.6) буде:

(7.7)

Отже, знайдемо тангенс кута нахилу осі ОА (нехтуючи знаками):

(7.8)

Таким чином, якщо відомі К1 і tg φ, то можна легко дізнатися коефіцієнт К2:

. (7.9)

Для визначення К1, тобто для градуювання осі ОХ, треба використати два однакових еталона із сплаву “пiрос”. Еталони поміщають в обидві трубки дилатометра, між ними закріплюють добре калібровану термопару і нагрівають. При нагріванні роблять температурні позначки через кожні 50 і 100 0С і таким чином отримують різницю розширень при нагріві до 50, 100, 150 0С і т.д. Для обчислення К1 за формулою (7.4) треба знати різницю відносних розширень еталона із піроса і кварцевої трубки такої ж довжини, яку можна визначати за формулою

. (7.10)

або за допомогою даних із табл. 7.1.

 

Таблиця 7.1 - Параметри розширення сплаву «пірос»

Температура, Істинне відносне розширення “піроса” (), Істинний коефіцієнт розширення “піроса”,
  0.65 0.62 13.14
  1, 32 1.27 13, 53
  2, 01 1, 92 13.93
  2, 71 2, 60 14, 38
  3, 43 3.29 14, 91
  4, 18 4, 02 15.46
  4, 97 4.77 15.97
  5, 78 5, 56 16.46
  6, 61 6.37 16, 93
  7, 47 7.20 17.37
  8, 35 8.05 17.81
  9.25 8, 92 18, 24
  10, 17 9, 82 18, 65
  11, 11 10, 73 19.01
  12, 07 11, 66 19, 37
  13, 05 12.61 19, 73
  14.05 13.58 20, 09
  15, 06 14.57 20, 45
  16, 09 15, 57 20, 81
  17, 4 16, 59 21.17

 

Із (7.4) і (7.10) легко обчислити К1 для будь-якої температури:

(7.11)

Ці величини К1 використовують для обчислення середнього значення , яке приймають за коефіцієнт збільшення по осі ОХ.

Значення К2 можна знайти, використовуючи еталон із “піроса”, поміщений в трубку Т2, і здійснити нагрівання, запис и обчислення, аналогічні тим, що робились для К1, або скористатися формулою (7.9).

 

7.4.3. Побудова градуювальної сітки

Градуювальну сітку, яка використовується для розшифровки дилатометричних кривих, будують так.

Спочатку визначають масштаб по осі температур через кожні 100 0С, знаючи коефіціент збільшення К1, мм:

(7.12)

де Т – значення температури в 100, 200, 300 0С і т.д., відповідно.

Масштаб по осі OY вибирають таким, що дорівнює 0, 1%, видовження, тобто, 0, 001 мм на 1 мм довжини зразка. Геометричну величину цієї одиниці на дилатограмі можна обчислити за формулою, мм

. (7.13)

Для зручності роботи градуювальну сітку креслять на прозорому матеріалі – кальці або тонкому оргсклі.

Сітку накладають на дилатограмму і визначають температуру, при якій відбуваються фазові перетворення в сплаві. Або можна попередньо зробити сітку, встановити її на екран 15 (див. рис. 7.2) та знімати дилатограму безпосередньо на градуювальну сітку.

 


Поделиться с друзьями:

mylektsii.su - Мои Лекции - 2015-2026 год. (1.452 сек.)Все материалы представленные на сайте исключительно с целью ознакомления читателями и не преследуют коммерческих целей или нарушение авторских прав Пожаловаться на материал