Студопедия

Главная страница Случайная страница

КАТЕГОРИИ:

АвтомобилиАстрономияБиологияГеографияДом и садДругие языкиДругоеИнформатикаИсторияКультураЛитератураЛогикаМатематикаМедицинаМеталлургияМеханикаОбразованиеОхрана трудаПедагогикаПолитикаПравоПсихологияРелигияРиторикаСоциологияСпортСтроительствоТехнологияТуризмФизикаФилософияФинансыХимияЧерчениеЭкологияЭкономикаЭлектроника






электромеханическими устройствами






2.1 Управляемые выпрямители и инверторы

 

В замкнутых, а иногда разомкнутых структурах автоматизированного электропривода применяются главным образом полупроводниковые силовые преобразователи для управления двигателями постоянного и переменного тока. Достоинствами полупроводниковых преобразователей являются широкие функциональные возможности управления процессом электроэнергии, высокие быстродействие и коэффициент полезного действия, большие сроки службы, удобство и простота обслуживания при эксплуатации, широкие возможности по реализации защит, сигнализации, диагностирования и тестирования как самого ЭП, так и технологического оборудования, возможность программирования и перепрограммирования работы микропроцессорных средств управления в случае их использовании.

Вместе с тем для этих преобразователей характерны и определенные недостатки. К ним относятся высокая чувствительность полупроводниковых приборов к перегрузкам по току и напряжению и скорости их изменения; низкая помехозащищенность, искажение синусоидальной формы тока и напряжения и скорости их изменения; низкая помехозащищенность, искажение синусоидальной формы тока и напряжения сети.

Неуправляемые выпрямители не обеспечивают регулирование напряжения на нагрузке и выполняются на полупроводниковых неуправляемых приборах и односторонней проводимости – диодах, а управляемые выпрямители выполняются на управляемых диодах – тиристорах – и позволяют регулировать выходное напряжение за счет соответствующего управления тиристорами.

 

Выпрямители могут быть нереверсивными и реверсивными. Реверсивные выпрямители позволяют изменять полярность выпрямленного напряжения на своей нагрузке, а нереверсивные – нет. По числу фаз питающего входного напряжения переменного тока выпрямители делятся на однофазные и трехфазные, а по схеме силовой части – на мостовые и с нулевым выводом.

Рисунок 15.8 – Схемы выпрямителей: а – однофазного с нулевым выводом трансформатора; б – трехфазного мостового

 

На рисунке 15.8, а в качестве примера приведена схема однофазного тиристорного управляемого нереверсивного выпрямителя с нулевым выводом. В состав выпрямителя два тиристора VS 1 и VS 2, подключенные ко вторичным обмоткам трансформатора Т и обеспечивающие на нагрузке R двухполупериодное выпрямленное и регулируемое по величине напряжение. Управление тиристорами осуществляется с помощью подаваемых на их управляющие электроды от системы импульсно-фазового управления (СИФУ) импульсов управления Uα . Изменяя с помощью сигнала управления Uy момент подачи импульсов на тиристоры, можно осуществлять регулирование напряжения на нагрузке. На схеме показан редактор L, который включается в цепь выпрямленного тока I для сглаживания его пульсаций.

На рисунке 15.8, б, приведена схема трехфазного мостового нереверсивного выпрямителя на шести тиристорах VS 1 – VS 6, нагрузкой которого является якорь двигателя постоянного тока М. На схеме показаны редактор L, который включается в цепь выпрямленного тока для сглаживания его пульсаций, трансформатор Т и обмотка возбуждения ОВМ.

В таблице 15.1 приведены соотношения, которые связывают параметры цепей переменного и постоянного тока для разных схем выпрямления при активной нагрузке выпрямителя. В ней приняты обозначения: U 2, I 2 – действующие значения соответственно напряжения сети (вторичной обмотки трансформатора) и переменного тока; U ср, I ср – выпрямленных напряжения и тока; Uобр maх – максимальное обратное напряжение, прикладываемое к вентилю (диоду или тиристору); S 1 – расчетная мощность переменного тока (типовая мощность трансформатора); Рср – мощность нагрузки на стороне постоянного тока.

 

Таблица 15.1 – Соотношения между токами и напряжениями

в выпрямителях

 

Схема выпрямления Ucp/U2 Uобр max/Ucp I2/Iср S1/Pср Коэффициент пульсаций, %
Однополупериодная 0, 45 3, 14 0, 785 1, 48  
Однофазная нулевая 0, 9 3, 14 0, 785 1, 48  
Однофазная мостовая 0, 9 1, 57 1, 11 1, 23  
Трехфазная нулевая 1, 17 2, 09 0, 585 1, 37  
Трехфазная мостовая 2, 34 1, 05 0, 817 1, 05  

 

Реверсивные выпрямители состоят из двух нереверсивных выпрямителей, при управлении которыми используются совместное и раздельное управления. При раздельном управлении импульсы неуправляемого выпрямителя, а на тиристоры другого выпрямителя импульсы не подаются и он не работает, «закрыт». При необходимости изменения полярности напряжения на нагрузке на противоположную выпрямители меняются ролями.

При совместном управлении импульсы управления подаются одновременно на оба выпрямителя, при этом за счет сдвига между импульсами управления один выпрямитель работает в выпрямительном режиме, а другой – в инверторном.

Инверторы используются в составе преобразователей частоты в случае питания ЭП от сети переменного тока или в виде самостоятельного преобразователя при питании ЭП от источника постоянного напряжения. В составе ЭП они обеспечивают, как правило, получение переменного напряжения регулируемой частоты, что требуется для регулирования скорости двигателей переменного тока.

Существует большое количество инверторов, различающихся своими схемами, характеристиками и областями применения. В схемах ЭП наибольшее применение нашли автономные инверторы напряжения и тока.

Автономные инверторы напряжения (АИН) имеют жесткую внешнюю характеристику, представляющую собой зависимость выходного напряжения от тока нагрузки, вследствие чего при изменении тока нагрузки их выходное напряжение практически не изменяется. Тем самым управляющим воздействием на двигатель переменного тока является напряжение регулируемой частоты.

Автономные регуляторы тока имеют «мягкую» внешнюю характеристики обладают тем самым свойствами источника тока, в связи с чем при их использовании управляющими воздействиями на двигатель является ток регулируемой частоты. В схемах инверторов применяются управляемые полупроводниковые приборы – тиристоры и транзисторы. Схемы автономных инверторов приведены ниже при рассмотрении преобразователей частоты.

 

2.2 Преобразователи частоты

Преобразователем частоты называется преобразователь напряжения переменного тока стандартных частоты и напряжения в напряжение переменного тока регулируемой частоты. Применительно к схемам ЭП одновременно с частотой в определенном соотношении регулируется и выходное напряжение преобразователя.

Полупроводниковые преобразователи частоты (ПЧ) делятся на две группы: преобразователи с непосредственной связью и преобразователи с промежуточным звеном постоянного тока.

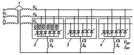
Силовая часть схемы трехфазного преобразователя частоты с непосредственной связью показана на рисунке 15.9. Он образован тремя группами 2, 3 и 4-х тиристоров VS 1 – VS 6 включенных между вторичными обмотками трансформатора 1 и нагрузкой Za, Zb и Zc. Регулируемое по частоте f рег на нагрузке формируется из напряжения источника питания (трансформатора) Ua, Ub и Uc, что и определило название этого типа преобразователя частоты. Частота напряжения на нагрузке может регулироваться только вниз от сетевой f1, и ее максимальное значение обычно не превосходит 20 Гц, что определяет ограниченные возможности применения этого типа преобразователя частоты.

Рисунок 15.9 – Силовая часть схемы преобразователя частоты

с непосредственной связью

 

Преобразователи частоты с промежуточным звеном постоянного тока в составе ЭП могут выполняться по двум основным схемам. На рисунке 15.10 показана силовая часть схемы трехфазного преобразователя частоты с инвертором напряжения. Она состоит из нерегулируемого выпрямителя В 5 собранного на шести диодах VD 1 – VD 6, и автономного инвертора напряжения АИН на шести управляемых ключах, в качестве которых на схеме показаны модули, содержащие биполярные транзисторы с изолированным затвором VS 1 – VS 6 и диоды VD 7 – VD 12. Выпрямитель преобразует напряжение в сети U 1 стандартной частоты f 1 в выпрямленное напряжение, а инвертор – выпрямленное напряжение в напряжение U 2 регулируемой частоты f 2. Регулирование напряжения U 2 на нагрузке осуществляется широтно-импульсной модуляцией выпрямленного напряжения. Конденсаторы С выполняют роль фильтра и элемента, осуществляющего обмен реактивной мощности с нагрузкой.

 

Рисунок 15.10 – Силовая часть схемы преобразователя частоты

с инвертором напряжения

 

На рисунке 15.11 – Показана силовая часть схемы преобразователя частоты с инвертором тока. Она включает управляемый выпрямитель В на тиристорах VS 1 – VS 6 и инвертор тока И на запираемых тиристорах VS 7 – VS12. Конденсаторы С являются источником реактивной мощности для нагрузки, реактор L обеспечивает работу инвертора тока. Приведенная схема позволяет осуществлять рекуперацию (отдачу) энергии в сеть.


Рисунок 15.11 – Силовая часть преобразователя частоты с инвертором тока

Регуляторы напряжения переменного тока. Регулятором напряжения переменного тока называется преобразователь напряжения переменного тока стандартных частоты и напряжения в регулируемое напряжение переменного тока той же частоты. Они могут быть одно- и трехфазными и используют в своей силовой части, как правило, тиристоры.

Схема однофазного тиристорного регулятора напряжения ТРН показана на рисунке 15.12, а. Его силовая часть состоит из двух тиристоров VS 1 – VS 2, включенных по встречно-параллельной схеме между источником питания с напряжением U 1 и нагрузкой Z н. Изменение с помощью входного сигнала U y момента подачи импульсов управления U α на тиристоры позволяет регулировать напряжение на нагрузке U н от нуля до сетевого U 1 при той же частоте сети.

На рисунке 15.12, б показана схема включения трехфазного тиристорного регулятора напряжения, нагрузкой которого являются обмотки статора двигателя переменного тока АД. Добавление в эту схему еще двух пар тиристоров позволяет изменить чередование фаз напряжения на статоре двигателя и тем самым изменять на противоположное направление его частоты вращения.

Рисунок 15.12 – Схема регулятора напряжения переменного тока:

а – однофазного; б – трехфазного

 

Регуляторы напряжения используются в качестве мягких пускателей переменного тока, ограничивающих их пусковые токи и моменты, а также регуляторов экономичности ЭП с асинхронными двигателями, обеспечивающих наилучшие энергетические параметры при их работе. На основе регуляторов напряжения может быть реализовано так называемое квазичастотное управление асинхронными двигателями и их динамическое торможение. Регуляторы напряжения постоянного тока. Регуляторы этого типа преобразуют напряжение постоянного тока источника питания в регулируемое напряжение на нагрузке. В таких преобразователях используются силовые полупроводниковые управляемые ключи - тиристоры и транзисторы, а регулирование напряжения в них происходит за счет модуляции напряжения источника питания.

Принцип работы импульсного преобразователя напряжения иллюстрирует схема на рисунке 15.13, где Zн, Uн – соответственно сопротивление и напряжение нагрузки; Е – напряжение источника питания; УПК – управляемый полупроводниковый ключ; VD – обратный диод. Регулирование напряжения в нагрузке осуществляется за счет периодического замыкания и размыкания УПК, при которых происходит подключение нагрузки к источнику питания и ее отключение. Изменяя длительность импульсов при неизменной частоте их исследования (широтно-импульсный способ) или их частоту при неизменной длительности (частотно-импульсный способ), можно регулировать напряжение на нагрузке от нуля до напряжения источника питания.

Рисунок 15.13 – Регулятор напряжения постоянного тока

 

Наибольшее распространение получил широтно-импульсный способ, при котором среднее напряжение на нагрузке Uн связано с напряжением источника питания Е, длительностью импульса tи и периодом их следования Т следующим соотношением:

,

где – относительная длительность (скважность) импульсов.

Текст составил доцент кафедры «Радиоэлектроника»

________Н.В. Руденко


Поделиться с друзьями:

mylektsii.su - Мои Лекции - 2015-2026 год. (0.906 сек.)Все материалы представленные на сайте исключительно с целью ознакомления читателями и не преследуют коммерческих целей или нарушение авторских прав Пожаловаться на материал