Студопедия

Главная страница Случайная страница

КАТЕГОРИИ:

АвтомобилиАстрономияБиологияГеографияДом и садДругие языкиДругоеИнформатикаИсторияКультураЛитератураЛогикаМатематикаМедицинаМеталлургияМеханикаОбразованиеОхрана трудаПедагогикаПолитикаПравоПсихологияРелигияРиторикаСоциологияСпортСтроительствоТехнологияТуризмФизикаФилософияФинансыХимияЧерчениеЭкологияЭкономикаЭлектроника






Описание эксперимента






Лабораторная работа

Исследование длинной линии с потерями в установившемся гармоническом режиме при активной нагрузке

Цель работы

Исследование при различных активных нагрузках распределения дейст- вующего значения напряжения вдоль линии при ее длине, равной половине длины волны (полуволновая линия).

Описание эксперимента

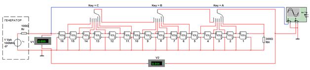
Используется метод компьютерного моделирования на основе програм- мы Multisim11, содержащей встроенную модель длинной линии с потерями (LOSSY_TRANSMITTION_LINE, группа Misc). Схема показана на рисун- ке 2.1

Рисунок 2.1- Схема модели экспериментальной установки: измерение напря- жения на конце линии вольтметром V2

Первичные параметры линии имеют следующие значения:

R0 = 0, 1 Ом/м; L0 = 1 мкГн/м; G0 = 0 См/м; С0 = 1 пФ/м.

Гармонический сигнал генератора амплитудой 1 В подается в начало (вход) линии длиной 1 м. На конце линии (выходе) включена активная на- грузка . Высокочастотный вольтметр V1 измеряет действующее значение входного сигнала, а мгновенное значение отображается по каналу " А" осцил- лографа синим цветом.

Выходной сигнал можно снимать через каждые 62, 5 мм, т.е. линия раз- бита на 16 одинаковых участков, пронумерованных от конца. Подключение к исследуемой точке реализуется с помощью трех 6-позиционных переключа- телей A, B, C, соединенных последовательно. В крайнем левом положении


ключа A происходит его соединение с ключом B, а затем в крайнем левом положении ключа B происходит его соединение с ключом C. Таким образом, высокочастотный вольтметр V2 измеряет действующее значение напряжения в точке линии, соответствующей положению ключей, а мгновенное значение отображается по каналу " B" осциллографа красным цветом.

Например, на рисунке 2.1 ключи находятся в положениях, соответст- вующих измерению напряжения на нагрузке (т.е. в конце линии). На рисунке

2.2 положение ключей соответствует измерению напряжения в начале 13-го участка.

Рисунок 2.2 - Схема модели экспериментальной установки: измерение напря- жения в начале 13-го участка вольтметром V2


Поделиться с друзьями:

mylektsii.su - Мои Лекции - 2015-2026 год. (2.243 сек.)Все материалы представленные на сайте исключительно с целью ознакомления читателями и не преследуют коммерческих целей или нарушение авторских прав Пожаловаться на материал