Студопедия

Главная страница Случайная страница

КАТЕГОРИИ:

АвтомобилиАстрономияБиологияГеографияДом и садДругие языкиДругоеИнформатикаИсторияКультураЛитератураЛогикаМатематикаМедицинаМеталлургияМеханикаОбразованиеОхрана трудаПедагогикаПолитикаПравоПсихологияРелигияРиторикаСоциологияСпортСтроительствоТехнологияТуризмФизикаФилософияФинансыХимияЧерчениеЭкологияЭкономикаЭлектроника






В.2. ПН - 40, принцип действия, устройство, ТТХ. Выдвижная трехколенная лестница, устройство, порядок применения, испытание.






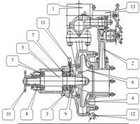
Пожарный насос ПН-40УВ (НПЦ-40/100) в сборе состоит из насоса, коллектора 1, пеносмесителя 2 и трёх напорных задвижек 13.

 

 

Собственно насос состоит из следующих основных частей: корпуса 3, крышки 4, вала 5, рабочего колеса 6, подшипников 7, уплотнительного стакана с комплектом манжет 9, червячного привода тахометра 8, муфты-фланца 10. Муфта-фланец соединяется с карданным валом привода насоса.

Корпус насоса и его крышка изготовлены из алюминиевого сплава. Рабочее колесо закреплено на валу с помощью конического соединения и шпонки, а в осевом направлении удерживается гайкой. Рабочее колесо ПН-40УВ, наружный диаметр которого 289 мм, имеет семь лопаток и семь разгрузочных (перепускных) отверстий. Щелевые уплотнения между рабочим колесом и корпусом насоса выполнены в виде уплотнительных колец из серого чугуна.

Для эффективной работы насоса важно разделение напорной и всасывающей полостей насоса. Чем больше зазоры между рабочим колесом и корпусом, тем большее количество жидкости будет циркулировать в насосе. Это приведет к уменьшению подачи воды насосом и снижению его коэффициента полезного действия, поэтому в насосе устанавливаются щелевые уплотнения с очень малыми зазорами. Так, номинальный зазор между уплотнительными кольцами корпуса и рабочего колеса насоса 0, 13 мм, а допустимый – 0, 8 мм.

Вал насоса изготовлен из закаленной легированной стали, и установлен на двух шарикоподшипниках. Направление вращения вала по часовой стрелке, если смотреть со стороны привода насоса. Уплотнение вала насоса достигается применением трех каркасных резиновых манжет 1.1-45× 65-1, расположенных в съемном стакане (см. рис. 3.17), причем две манжеты работают на давление, а одна (первая от рабочего колеса) на разряжение, т.е. манжеты располагаются таким образом, что препятствуют утечке воды из насоса и подсосу воздуха в него. С целью повышения надежности манжет на корпусе насоса установлена колпачковая масленка, с помощью которой через шланг производится

 

подпрессовка солидола Ж ГОСТ 1033-79 в съёмный стакан. Для распределения смазки в съёмном стакане предусмотрено маслораспределительное кольцо 2 (см. рис. 3.17), которое соединено каналами со шлангом колпачковой масленкой и дренажным отверстием. Обильная утечка воды из этого отверстия при работе насоса указывает на износ уплотнительных манжет. Для смазки подшипников и червячной пары привода тахометра полость в корпусе насоса между уплотнительным стаканом и манжетой муфты фланца, служащая масляной ванной, заполняется трансмиссионным маслом ТАп-15В ГОСТ 23652-79 в количестве 0, 5 л. Масло заливают через специальное отверстие в масляной ванне, закрываемое пробкой со щупом. Уровень масла должен быть между верхней и нижней метками на щупе. Удаление масла из масляной ванны производится через сливное отверстие с пробкой в нижней части корпуса масляной ванны.

Рабочее колесо насоса в корпусе закрывается крышкой, к которой крепится всасывающий патрубок. В крышке предусмотрено отверстие с резьбой для установки мановакуумметра и специальный прилив для присоединения диффузора пеносмесителя. Воду из насоса сливают путем открытия крана, расположенного в нижней части корпуса насоса.

Улиткообразный отвод корпуса насоса выполнен в виде диффузора и заканчивается фланцем, к которому крепится коллектор (см. рис. 3.18). Коллектор предназначен для распределения воды, подаваемой насосом, и, в какой-то мере, выполняет роль направляющего аппарата. К фланцам торцевых поверхностей коллектора крепятся две напорные задвижки и пробковый кран пеносмесителя. Внутри коллектора смонтирована напорная задвижка 1 для подачи воды от насоса в цистерну пожарного автомобиля или лафетный ствол. На корпусе 2 коллектора предусмотрены отверстия для подсоединения вакуумного клапана, трубопровода к змеевику системы дополнительного охлаждения двигателя и отверстие 3 с резьбой для установки манометра. Напорные задвижки насоса (см. рис. 3.19) снабжены шарнирными клапанами

1, удерживаемыми в закрытом положении с помощью шпинделя 4 с резьбой. Проходное отверстие закрывается клапаном под действием его собственной массы или под давлением жидкости извне, а открывается напором воды из пожарного насоса; при этом шпиндель ограничивает ход клапана.

Применение данной конструкции позволяет при подаче воды на высоты использовать шарнирный клапан в качестве обратного и обезопасить основные элементы насоса от возможного гидравлического удара.

Лестница пожарная трехколенная выдвижная.

Лестница пожарная трехколенная выдвижная предназначена для подъема в окно второго и третьего этажей или на крышу двухэтажного здания, а также для спасательных работ и учебно-тренировочный занятий.

Лестница состоит из трех телескопически сдвигающихся колен, из однотипных профилей и деталей.

Принцип выдвигания колен - ручной с помощью канатов и блоков. У лестницы имеется подвижной блок 1, установленный на втором колене 2. Первое колено 3 подвешено на стальном канате 4 диаметром 4, 8 мм, второе -- выдвигается с помощью пенькового каната 5 диаметром 12 мм. Верхний конец пенькового каната закреплен на верхней ступени 6 третьего колена 7, который проходит через подвижной блок 1 второго колена и далее - на неподвижный блок 8 третьего колена, связанный тягой 9, с вилкой 10 останова, закрепленном на третьем колене. Далее канат идет к нижней ступени 11 третьего колена, на ней и закрепляется его второй конец. Конец пеньковой веревки должен быть заплетен и надежно закреплен на длине не менее 50 мм.

1-подвижной блок, 2-второе колено; 3-первое колено; 4-стальной канат; 5-пеньковый канат; 6-верхняя ступень; 7-третье колено; 8-неподвижный блок; 9-тяга; 10-вилка останова; 11-нижняя ступень; 12-стенной упор; 13-стальной кронштейн; 14-блок; 15-ролик; 16-кронштейн; 17-башмак; 18-стальная труба; 19-крюк; 20-пружина

Колено первое. Состоит из двух балок (тетив) таврового сечения, соединенных между собой рифлеными трубами (ступенями). Тавровая балка в средней части имеет полое прямоугольное утолщение для заделки ступеней.

На верхних концах тетив установлены стенные упоры 12, которые состоят из вилки, оси и ролика.

На нижних концах тетив с внешней стороны на нижней полке установлены упоры, которые удерживают колено от выпадения при выдвигании лестницы на полную длину и придают направление колену, скользя по выемке тетив второго колена.

К нижней ступени прикреплен стальной кронштейн 13 для крепления стального троса выдвигания колена. Колено имеет 12 ступеней с шагом 350 мм. Ступени укреплены в тетивах методом завальцовки и образуют неразъемное соединение.

Колено второе. Конструкция аналогична первому колену по всем основным элементам (тетивы, ступени).

К верхней ступени колена прикреплен кронштейн с блоком 14, через который проходит стальной трос выдвигания первого колена, на нижней ступени установлен кронштейн с блоком 1 для пенькового каната.

Над верхней и третьей ступенями с внутренней стороны, на верхней полке тетив установлены на заклепках упоры, придающие направление первому колену при выдвигании и сдвигании, а также удерживающие его от выпадения при выдвигании лестницы на полную длину, при этом нижние упоры первого колена упираются в верхние упоры второго колена.

На некоторых ступенях установлены по два ролика 15, по которым скользят при выдвигании и сдвигании опорные плоскости тетив вышележащего колена.

Колено имеет 12 ступеней с шагом 350 мм. Крепление ступеней такое же как и в первом колене. На нижних концах тетив установлены упоры, имеющие то же назначение, что и нижние упоры первого колена.

Колено третье. конструктивно мало чем отличается от первого и второго колена. К верхней ступени прикреплен кронштейн 16, к которому крепятся концы стального и пенькового канатов.

Над верхней и второй ступенями, как и во втором колене, распложены упоры, удерживающие и направляющие второе колено. На трех ступенях колена установлены по два ролика 15, по которым скользит второе колено при выдвигании и сдвигании лестницы. На нижние концы тетив крепятся башмаки 17. Колено имеет 11 ступеней с шагом 350 мм и с креплением, аналогичным первому и второму коленам. Между верхней и второй ступенями крепится останов, предназначенный для удержания колена и всей лестницы в выдвинутом положении.

Останов выполнен из стальной трубы 18, к которой приварены два крюка 19, а в средней части трубы приварена вилка для соединения с тягой неподвижного блока системы выдвигания лестницы.

Техническая характеристика:

Длина лестницы, сложенной  
полностью раздвинутой  
Габаритная ширина лестницы, мм  
Высота комплекта колен в сложенном виде, мм  
Расстояние между ступенями, мм  
Усилие каната при выдвигании лестницы, кгс, не более  
Масса, кг, не более  

 

Перед заступлением на боевое дежурство под личным руководством командира отделения выдвижные пожарные лестницы снимаются с пожарного автомобиля, устанавливаются и выдвигаются на полную длину для проверки механизма фиксации.

Л - 3 К подвергают испытаниям в следующем порядке:

а) внешний осмотр;

- состояние тетивы и ступеней;

- прочность заделки ступеней в тетивы;

- наличие стенных упоров;

- затяжку гаек болтовых соединений;

- состояние блоков и осей;

- состояние канатов и заделку их концов;

- отсутствие заедания при выдвигании и сдвигании колен лестницы;

- исправное состояние и работа у механизма выдвигания и сдвигания колен и механизма останова.

б) проверка на прочность тетив и ступенек;

Установить лестницу на твердом грунте, прислонив к стене с уклоном в 75° к горизонтали 2, 8 м от стены до башмаков лестницы. Каждое колено нагрузить посредине на обе тетивы грузом 100 кг на 2 мин. Все ступени лестницы подвергаются механическому испытанию крутящим моментом 1, 6 кгс. Время испытания 10 секунд. Проворачивание ступеней не допускается.

Веревка должна выдержать натяжение в 200 кг без деформации. После испытания выдвижная лестница не должна иметь повреждений, колена должны выдвигаться и опускаться без заедания.

Техническое обслуживание:

После каждого применения на пожаре или учении лестница должна быть очищена от пыли и грязи, стальной канат и оси блоков смазаны. Для исправного содержания необходимы регулярные осмотры, испытания, а в случае неисправности ремонт лестницы.

При профилактическом осмотре не реже одного раза в месяц проверять:

- состояние тетив и ступеней;

- прочность заделки ступеней в тетивы;

- наличие стенных упоров;

- затяжку гаек болтовых соединений;

- состояние блоков и осей;

- состояние канатов и заделку их концов;

- отсутствие заедания при выдвигании и сдвигании колен лестницы;

- исправное состояние и работа у механизма выдвигания и сдвигания колен и механизма останова.


Поделиться с друзьями:

mylektsii.su - Мои Лекции - 2015-2026 год. (1.194 сек.)Все материалы представленные на сайте исключительно с целью ознакомления читателями и не преследуют коммерческих целей или нарушение авторских прав Пожаловаться на материал