Студопедия

Главная страница Случайная страница

КАТЕГОРИИ:

АвтомобилиАстрономияБиологияГеографияДом и садДругие языкиДругоеИнформатикаИсторияКультураЛитератураЛогикаМатематикаМедицинаМеталлургияМеханикаОбразованиеОхрана трудаПедагогикаПолитикаПравоПсихологияРелигияРиторикаСоциологияСпортСтроительствоТехнологияТуризмФизикаФилософияФинансыХимияЧерчениеЭкологияЭкономикаЭлектроника






Тема: Рулевое управление № 16

Цель работы:

Ознакомление с устройством и работой рулевого управления

 

Задание:

  1. Изучить устройство и работу рулевых механизмов (червячный, реечный).
  2. Изучить устройство рулевых приводов.
  3. Изучить устройство и работу гидроусилителя руля.
  4. Изучить порядок регулировки рулевых механизмов и приводов.
  5. Составить отчёт о работе и ответить на контрольные вопросы.

 

Оборудование:

  1. Стенд с элементами рулевого управления ВАЗ-2101.
  2. Рулевые механизмы (червячный и шестерёно-реечный).
  3. Модель гидроусилителя руля ЗИЛ-130
  4. Плакаты по устройству рулевого управления.

 

Ход работы:

Рулевое управление служит для обеспечения движения автомобиля по заданному водителем направлению. Рулевое управление состоит из рулевого колеса, соединённого валом с рулевым механизмом, и рулевого привода. Иногда в рулевое управление включен усилитель.

Рулевым механизмом называют замедляющую передачу, преобразующую вращение вала рулевого колеса во вращение вала сошки. Этот механизм увеличивает прикладываемое к рулевому колесу усилие водителя и облегчает его работу.

Рулевым приводом называют систему тяг и рычагов, осуществляющую в совокупности с рулевым механизмом поворот автомобиля. В результате работы рулевого механизма продольная тяга перемещается сошкой вперед или назад, вызывая этим поворот одного колеса влево или вправо, а рулевая трапеция передаёт поворачивающий момент на другое колесо. Рулевая трапеция представляет собой шарнирный четырёхзвенник, образуемый балкой переднего моста, поперечной рулевой тягой 1, левым 2 и правым 10 рычагами рулевой трапеции. Последние соединены с поворотными кулаками, на которых насажены управляемые колёса.

Благодаря наличию рулевой трапеции управляемые колёса поворачиваются на разные углы: внутреннее колесо на больший угол, чем внешнее, что обеспечивает качение колёс при повороте без существенного скольжения.

 

Рулевые механизмы:

Большее распространение получил рулевой механизм с глобоидальным червяком. К этому типу относятся рулевые механизмы легковых и многих грузовых автомобилей семейства ГАЗ. Рулевые механизмы с двухгребневым роликом на шарикоподшипниках имеют автомобили ВАЗ-2101- 07. Рулевые механизмы с трёхгребневым роликом устанавливаются на грузовых автомобилях ГАЗ.

Осевой зазор подшипников 12 и 21 регулируют изменением числа прокладок 24 под крышкой картера. зацепление червяка и ролика регулируют, не разбирая рулевой механизм, винтом 3, в паз которого входит хвостовик 2 вала сошки. Оси ролика и червяка лежат в разных плоскостях, поэтому для уменьшения зазора в зацеплении достаточно переместить вал сошки в сторону червяка, ввёртывая винт 3. Для фиксирования регулировочного винта служат стопорная шайба 1, штифт 5 и навёрнутая на винт гайка 4.

Другим распространённым типом рулевого механизма является винтовая передача сциркулирующими шариками и зубчатым зацеплением.

Рулевое управление автомобиля ЗИЛ-130 включает рулевой механизм 10 с гидроусилителем привода, масло к которому подаётся насосом 1. У этого механизма поршень-рейка 5 одновремённо является поршнем гидроусилителя и рейкой рулевого механизма, которая находится в зацеплении с зубчатым сектором 29 вала 37 рулевой сошки. Водитель с помощью рулевого колеса через вал и карданную передачу вращает винт 7, по которому на циркулирующих шариках 10 перемещается шариковая гайка 8. Вместе с гайкой вдоль винта перемещается поршень-рейка 5, поворачивающая зубчатый сектор 29 вала сошки. Зазор в зацеплении зубьев рейки и сектора можно регулировать, смещая в осевом направлении вал сошки, так как зубья имеют переменную по длине толщину.

Рулевой механизм автомобиля КамАЗ-5320 включает угловой редуктор, ведущее 3 и ведомое 4 конические зубчатые колёса которого передают вращение на винт 15, перемещающий гайку 16 и скреплённую с ней поршень-рейку 13, зубья которой входят в зацепление с зубчатым сектором 19 вала рулевой сошки. К корпусу 23 углового редуктора прикреплён корпус 2 клапана управления. Картер рулевого механизма одновремённо является корпусом гидроусилителя.

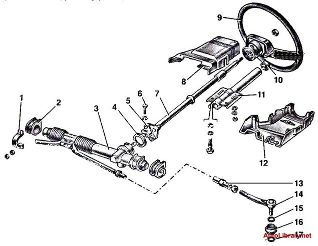
На переднеприводных легковых автомобилях рулевое управление травмобезопасное, с регулируемой по высоте рулевой колонкой, с реечным рулевым механизмом. Рулевой механизм в сборе с рулевыми тягами крепится в моторном отсеке к щитку передка кузова на двух его кронштейнах при помощи скоб 8. В картере 17 рулевого механизма на роликовом 20 и шариковом 22 подшипниках установлена приводная шестерня 21, которая находится в зацеплении с рейкой 16. На пыльнике и на картере рулевого механизма выполнены метки А и В для обеспечения установки рейки РМ в среднее положение. Рейка 16 поджимается к зубьям приводной шестерни пружиной 32 через металлокерамический упор 31. На картер РМ с левой стороны надевается защитный колпак 29, с правой-напресовывается труба, имеющая продольный паз. Через паз трубы и отверстия в защитном чехле 10 проходят распорные втулки резинометаллических шарниров 13 внутренних наконечников 5 и 7 рулевых тяг.

 

Рулевой привод:

Рулевой привод включает сошку 2, продольную тягу 3, поворотный рычаг 7, левый и правый поворотные кулаки 6 и детали рулевой трапеции. Рулевая трапеция может быть задней или передней, т. е. с поперечной рулевой тягой, расположенной сзади переднего моста или перед ним. Различают цельную трапецию, применяемую при зависимой подвеске колёс, и расчленённую, используемую при независимой подвеске.

При движении автомобиля по неровной дороге на детали рулевого привода действуют большие нагрузки. В связи с этим в рулевой привод вводят пружины для смягчения толчков и устройства для автоматического устранения зазоров, возникающих при изнашивании деталей. Поперечная рулевая тяга представляет собой трубку с левой резьбой на одном конце и правой на другом для навинчивания наконечников крепления шаровых шарниров. В следствие этого можно изменять расстояние между шарнирами при регулировании схождения управляемых колёс.

При независимой подвеске управляемых колёс поперечная рулевая тяга выполнена из двух или трёх шарнирно связанных частей, позволяющих колёсам перемещаться независимо одно от другого. Размеры боковых тяг регулируют при помощи регулировочных трубок.

Ввиду большой нагрузки на детали рулевого механизма и рулевого привода они подвергаются значительному изнашиванию, что может повлечь за собой появление зазоров в шарнирах соединениях и увеличение свободного хода рулевого колеса, который не должен превышать для грузовых 25о.

Встроенный гидроусилитель ЗИЛ-130: При прямолинейном движении автомобиля, масло свободно перекачивается насосом 6 в бачок, поскольку нагнетательный и сливной каналы соединены между собой (нейтральное положение золотника 14). При повороте колёс автомобиля в право золотник перемещается также в право, поскольку сила, действующая на поршень-рейку со стороны сектора и пропорциональная усилию, прикладываемому водителем к рулевому колесу, больше силы пружин реактивных плунжеров 13. При этом линия высокого давления соединяется с полостью справа от поршня, а полость слева от поршня соединяется со сливным каналом. Поворот колёс автомобиля облегчается благодаря дополнительной силе, создаваемой давлением масла на поршень. В случае поворота колёс влево золотник перемещается также влево вследствие соединения полости с лева от поршня с линией высокого давления, а полости справа от поршня со сливным каналом.

Давление масла в системе гидроусилителя создаётся насосом лопастного типа двухстороннего действия с приводом через клиноремённую передачу от шкива на переднем конце коленчатого вала. При вращении ротора лопасти перемещаясь в его пазах постоянно, плотно прижимаются к криволинейной поверхности статора под действием центробежных сил и давления масла. Масло из корпуса попадает в пространство между лопастями и вытесняется ими в полость нагнетания. За один оборот ротора дважды происходит забор и нагнетание масла.

 

Неисправности рулевого управления:

Основными признаками неисправностей РУ являются: увеличенный свободный ход рулевого колеса, тугое вращение рулевого вала, осевой люфт этого вала и рулевого колеса, течь масла из картера рулевого механизма, стук в рулевом управлении.

У в е л и ч е н и е с в о б о д н о г о х о д а р у л е в о г о к о л е с а может быть вызвано ослаблением креплений или износом шарнирных соединений рулевых тяг, ослаблением крепления картера РМ и рулевой сошки, износом ролика и червяка и их подшипников, нарушением регулировки рулевого механизма. Люфт рулевого колеса у легковых авто должен быть не более 10о, а у грузовых не более 25о.

Для определения неисправности нужно проверить осмотром крепления деталей рулевого привода и наличие люфта в шарнирных соединениях. При этом необходимо одному человеку делать резкие движения рулевым колесом вправо и влево, а другому снизу осматривать все крепления и соединения. Устранение этой неисправности осуществляется подтягиванием креплений и заменой изношенных шарниров.

Т у г о е в р а щ е н и е р у л е в о г о в а л а может быть вызвано заеданием поворотных стоек, отсутствием масла в картере РМ, неправильной регулировкой зацепления или износом подшипников червяка и ролика. Остальные неисправности устраняются регулировкой и заменой изношенных деталей.

О с е в о й л ю ф т р у л е в о г о в а л а ВАЗ устраняется регулировкой подшипников червяка путём удаления части регулировочных прокладок между крышкой и картером рулевого механизма.

 

Неисправности реечного РМ:

У в е л и ч е н н ы й с в о б о д н ы й х о д р у л е в о г о к о л е с а износ резинометаллических шарниров тяг, увеличенный зазор между упором рейки и гайкой.

Ш у м (с т у к) в р у л е в о м у п р а в л е н и и увеличенный зазор между упором рейки и гайкой, ослабление болта крепления нижнего фланца эластичной муфты на валу шестерни.

Т у г о е в р а щ е н и е р у л е в о г о к о л е с а повреждение подшипника верхней опоры стойки подвески, повреждение опорной втулки или упора рейки, повреждение деталей телескопической стойки подвески, повреждены подшипники верхнего вала рулевой колонки.

Неисправности гидроусилителя руля:

Н е д о с т а т о ч н о е и л и н е р а в н о м е р н о е у с и л е н и е п р и п о в о р о т а х может быть вследствие слабого натяжения ремня привода насоса, малого уровня масла в бачке, наличия воздуха в системе гидроусилителя, зависания перепускного клапана насоса из-за загрязнения масла.

Для удаления воздуха из системы гидроусилителя следует открыть крышку бачка, пустить двигатель, долить свежее масло до появления его под сеткой, а затем при работе двигателя на холостом ходу повернуть рулевое колесо от упора до упора, удерживая его в течении 2-3 с. в крайних положениях и доливая по мере необходимости масло до прекращения выхода из него пузырьков воздуха.

П р и ч и н ы п о л н о г о о т с у т с т в и я у с и л е н и я обрыв ремня привода насоса, заедание перепускного клапана насоса или отворачивание седла предохранительного клапана.

З а е д а н и е р у л е в о г о у п р а в л е н и я может быть вследствие повреждения подшипников РМ, погнутости тяг или отсутствия смазки в их шарнирах.

П о в ы ш е н н ы й ш у м при работе насоса свидетельствует о недостаточном уровне масла в бачке, слабом натяжении ремня привода, попадания воздуха в систему, засорении фильтров.

Для усилителей применяется масло марки Р может работать без замены до капитального ремонта. Заменителями этого масла могут быть, летом- турбинное 22, индустриальное 20, зимой- веретённое АУ.

 

Контрольные вопросы:

  1. Каково назначение рулевого управления?
  2. Какие рулевые механизмы вы знаете?
  3. Устройство и работа Р.М.
  4. Назовите детали рулевого привода, виды приводов.
  5. Назначение рулевой трапеции и её устройство.
  6. Какие причины увеличения люфта рулевого колеса, способы его определения?
  7. Назначение, устройство и принцип работы гидроусилителя руля.
  8. Назовите основные неисправности рулевого управления.

<== предыдущая лекция | следующая лекция ==>
Тема: Кузова и кабины автомобилей | Тема: Тормозная система автомобиля.
Поделиться с друзьями:

mylektsii.su - Мои Лекции - 2015-2026 год. (1.225 сек.)Все материалы представленные на сайте исключительно с целью ознакомления читателями и не преследуют коммерческих целей или нарушение авторских прав Пожаловаться на материал