Студопедия

Главная страница Случайная страница

КАТЕГОРИИ:

АвтомобилиАстрономияБиологияГеографияДом и садДругие языкиДругоеИнформатикаИсторияКультураЛитератураЛогикаМатематикаМедицинаМеталлургияМеханикаОбразованиеОхрана трудаПедагогикаПолитикаПравоПсихологияРелигияРиторикаСоциологияСпортСтроительствоТехнологияТуризмФизикаФилософияФинансыХимияЧерчениеЭкологияЭкономикаЭлектроника






Коректування передаточних чисел коробки передач






Одержані передаточні числа коробки передач коректуються з метою покращення тягово-швидкісних і економічних якостей автомобіля, відповідного підбора зубців шестерень і раціональної компоновки коробки передач.

Для тривальних коробок передач меж осьову відстань (мм) приблизно можна визначити по формулі, одержаної по статистичним даним існуючих коробок передач [2]

 

, (1.28)

 

де - максимальний крутний момент двигуна, Н · м

- для легкових автомобілів;

- для вантажних автомобілів (велике значення відноситься до коробок з прискорюваними передачами, а також до коробок автомобілів з дизелем).

 

Для коробок передач вантажних автомобілів нижче приведений раціональний ряд між осьових відстаней, що рекомендується:

 

, Н · м     340 - 420 700 - 850 900 - 1150
, мм          
Число передач          

 

Міжосьові відстані коробок передач легкових автомобілів знаходяться в межах 65-80 мм. Модуль визначається з умов гнучкої міцності на стомленість або статичної міцності при дії максимального моменту.

Значення нормального модуля в (мм) коробок передач механічних трансмісій різних автомобілів приведені нижче.

 

 

Легковий автомобіль класу:

 

особливо малого і малого 2, 25 – 2, 75
середнього 2, 75 – 3, 0

 

Вантажні автомобілі вантажопідйомністю:

 

малої і середньої 3, 5 – 4, 25
великої 4, 25 – 5, 0

 

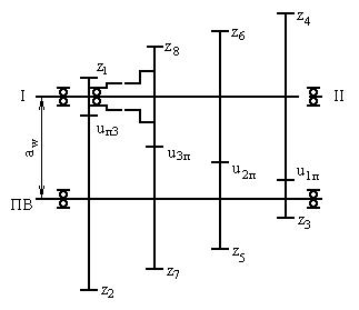
Рисунок 1.1 - Кінематична схема тривальної чотириступінчастої коробки передач

 

Розмірний ряд застосованих модулів і вихідних контур для зубчастих коліс трансмісії повинні задовольняти вимогам ОСТ.

Діаметр шестерні першої передачі, розташованої на проміжному валу, вибирають мінімальний, що обумовлюється застосуванням шестерні первинного валу з достатньо великим діаметром (для розміщення в ньому підшипника вторинного валу).

Мінімальне число зубців без підрізання біля основи ; . При виборі числа зубців необхідно враховувати, непарне число суми зубців передачі краще, так як зменшується можливість одержання суми чисел зубців з загальним множником, що обумовлює нерівномірність зношення контакту зуба.

Для тривалих коробок передач (рис. 1.1) орієнтовні значення передаточних чисел привода проміжного валу (зубчастої пари постійного зчеплення) і першої передачі :

 

легкових автомобілів визначаються: - малого класу    
- середнього класу
вантажних автомобілів з карбюраторним двигуном: - чотириступінчастою коробки передач  
п’ятиступінчастою коробкою передач, п’ятою прямою
вантажних автомобілів з дизельним двигуном: - чотириступінчастою коробкою передач - третьою прямою і четвертою прискореною  
п’ятиступінчастою коробкою передач, четвертою прямою і п’ятою прискореною
п’ятиступінчастої коробкою передач, п’ятою прямою

 

Слідує враховувати, що і установлюється при коректорці і підрахунку кількості зубців.

Виходячи з умов міжцентрової відстані

 

(1.29)

 

і однаковому модулі зубців всіх зубчастих пар на всіх передачах визначаються числа зубців на всіх ведучих шестернях

 

, , ,

 

де , , - передаточні числа відповідно на першій, другій і інших передачах проміжного і вторинного валу коробки передач.

β – кут нахилу зуба косозубих передач для легкових автомобілів 30 - 45º, вантажних – 20 - 30º.

На ряді автомобілів використовується один і той же кут нахилу зуба, що обумовлює деякі технологічні переваги.

Отримані значення чисел зубців шестерень … округляють до ближчих значень цілих чисел.

Число зубців всіх відомих зубчатих коліс різних передач знаходяться

, , ,

 

округляються до цілих чисел з урахуванням, що передаточні числа вищих передач зближені на 5÷ 15% в порівнянні з значеннями отриманими по геометричній прогресії. З метою покращення тягово-швидкісних і економічних показників автомобіля, наприклад, для п’ятиступінчастої коробки передач „зближені” четверта і п’ята передачі і „розвинуті” перша та друга, друга та третя передачі. На першій передачі передаточне число повинно залишатися без змін, або незначно збільшуватися. Таким чином передаточні числа на кожній передачі після корекції будуть рівні

,

і повинні задовольняти умові

 

;

 

при однаковому модулі на всіх передачах

 

.

 

Отримані передаточні числа зрівнюють з передаточними числами автомобіля-аналога.

Передаточне число для заднього руху автомобіля встановлюється по умовам компоновки коробки передач.

 


Поделиться с друзьями:

mylektsii.su - Мои Лекции - 2015-2026 год. (2.703 сек.)Все материалы представленные на сайте исключительно с целью ознакомления читателями и не преследуют коммерческих целей или нарушение авторских прав Пожаловаться на материал