Студопедия

Главная страница Случайная страница

КАТЕГОРИИ:

АвтомобилиАстрономияБиологияГеографияДом и садДругие языкиДругоеИнформатикаИсторияКультураЛитератураЛогикаМатематикаМедицинаМеталлургияМеханикаОбразованиеОхрана трудаПедагогикаПолитикаПравоПсихологияРелигияРиторикаСоциологияСпортСтроительствоТехнологияТуризмФизикаФилософияФинансыХимияЧерчениеЭкологияЭкономикаЭлектроника






Краткие теоретические сведения. Изучение конструкции, принципа действия двигателей постоянного тока

ИССЛЕДОВАНИЕ ДВИГАТЕЛЯ ПОСТОЯННОГО ТОКА

Цель занятия

Изучение конструкции, принципа действия двигателей постоянного тока. Построение механической и рабочих характеристик двигателя постоянного тока последовательного возбуждения.

Краткие теоретические сведения

2.1. Конструкция и принцип действия машин постоянного тока

Двигатели постоянного тока (ДПТ), несмотря на некоторые недостатки, обусловленные наличием коллектора и щеток, применяются достаточно широко. Это связано с тем, что они позволяют плавно и в широком диапазоне регулировать скорость вращения, имеют сравнительно малые габариты и вес, и высокий коэффициент полезного действия.

 

Устройство ДПТ представлено на рис. 2.1.

 

1 – корпус; 2 – главный полюс; 3 – обмотка возбуждения; 4 – якорь; 5 – коллектор; 6 – вал; 7 –

щеткодержатели со щетками; 8 – передний подшипниковый щит; 9 – задний подшипниковый щит; 10 –вентилятор; 11 – лапы; 12 – подшипник

Рис.2.1

 

На рис. 2.2 изображена упрощенная модель ДПТ.

Электрическая машина постоянного тока состоит из двух основных частей: неподвижного статора и вращающегося якоря.

Статор - это стальной цилиндр 1, внутри которого крепятся

главные полюса 2 с полюсными наконечниками 3, образуя вместе с

корпусом магнитопровод машины (рис. 2.2). Полюсные наконечники служат для равномерного распределения магнитной индукции в зазоре между полюсами статора-индуктора и якоря. На главных полюсах расположены последовательно соединённые катушки обмотки возбуждения (ОВ) 4, предназначенные для создания неподвижного магнитного потока Фв машины. Концы обмотки возбуждения выводят на клеммный щиток, расположенный на корпусе машины. Для ДПТ с последовательным возбуждением - С1, С2, для ДПТ с параллельным возбуждением - Ш1, Ш2.

Якорь (подвижная часть машины) - это цилиндр 5, набранный из листов электротехнической стали, на внешней поверхности которого имеются пазы и в них уложена якорная обмотка 9. Отводы обмотки якоря (ОЯ) припаивают к пластинам коллектора 6, расположенного на вращающемся в подшипниках валу 7. Коллектор представляет собой цилиндр, набранный из медных пластин, изолированных друг от друга и от вала и закреплённых (по технологии " ласточкина хвоста") на стальной втулке.

К коллектору с помощью пружин прижимаются неподвижные

щётки 8, соединённые с клеммами Я1 и Я2 щитка. Образовавшиеся

скользящие контакты дают возможность соединить вращающуюсяскользящие контакты дают возможность соединить вращающуюся ОЯ с внешней электрической цепью (снять выпрямленное напряжение с коллектора (генераторный режим) или соединить якорную обмотку с источником постоянного напряжения и распределить токи в ОЯ таким образом, чтобы их направления под разноименными полюсами были бы противоположными (двигательный режим).

С помощью коллектора и щеток вращающаяся обмотка якоря

соединяется с внешней электрической цепью. Обмотка возбуждения выполняется последовательно или параллельно якорной цепи или подключается к первичному источнику питания.

Принцип действия двигателей постоянного тока основан на взаимодействии тока в проводниках обмотки якоря I я с магнитным полем, создаваемым током обмотки возбуждения. ЭДС обмотки якоря возникает при его вращении и определяется выражением

 

Е я С Ф СЕn Ф = W =, (2.1)

 

где W - угловая частота вращения, рад/с;

Ф- магнитный поток одного полюса, Вб;

СE - конструктивная электрическая постоянная машины;

С = pN / 2p a - конструктивная постоянная машины;

р - число пар полюсов машины;

N - число активных проводников обмотки якоря;

a - число пар параллельных ветвей обмотки якоря.

 

Электромагнитный вращающий момент, который приводит якорь двигателя во вращение, определяется выражением

M = CI яФ [Н× м]. (2.2)

 

Этот момент уравновешивает тормозной момент, приложенный к валу двигателя.

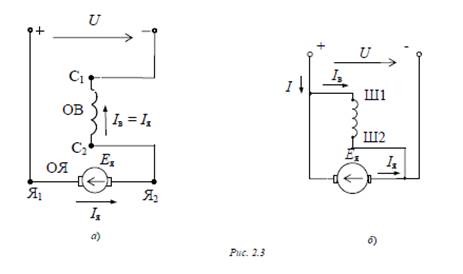
На рис. 2.3 приведены схемы двигателей постоянного тока

последовательного (а) и параллельного (б) возбуждений.

 

 

 

Напряжение U, подведенное к цепи якоря двигателя, уравновешивается противо-ЭДС Е я и падением напряжения на

сопротивлении цепи якоря R я. Сопротивление цепи якоря включает в себя сопротивление обмотки якоря R оя и сопротивление обмотки

возбуждения R ов для двигателя последовательного возбуждения

U = E я + R я I я. (2.3)

 

Для ДПТ с параллельным возбуждением I = I я + I в, а для ДПТ с последовательным возбуждением I = I я = I в.

Подставив в уравнение (2.3) выражение для противо-ЭДС можно получить выражение для угловой частоты вращения (электромеханическая характеристика)

 

Из уравнения (2.4) видно, что регулировать частоту вращения электродвигателя постоянного тока можно тремя способами:

- изменением подводимого напряжения;

- изменением сопротивления цепи якоря;

- изменением магнитного потока.

 

2.2. Механическая характеристика двигателя постоянного тока

 

На основании (2.2) и (2.4) можно определить выражение для механической характеристики двигателя постоянного тока n = f (M),

которая является основной характеристикой двигателя

где n – частоты вращения, об/мин;

 

 

На рис. 2.4 приведены механические характеристики ДПТ с

параллельным возбуждением – 1, ДПТ с последовательным

возбуждением – 2.

 

Недопустима работа и пуск ДПТ с последовательным возбуждением с нагрузкой менее 25% от номинальной, так как при этом магнитный поток Ф слишком мал и скорость вращения достигает чрезмерно больших значений, что ведет к " разносу" двигателя. Исключение составляют двигатели малых мощностей (до 100 Вт), которые могут работать в режиме холостого хода. Это

объясняется тем, что механические потери этих двигателей при больших скоростях вращения соизмеримы с их номинальной мощностью.

При небольших нагрузках I я < I ном, когда магнитная цепь машины ненасыщенна, поток Ф пропорционален току якоря I я, электромагнитный момент пропорционален квадрату тока якоря

M = К I я2. С увеличением нагрузки магнитная цепь машины насыщается и пропорциональность между потоком Ф и током I я нарушается.

 

2.3. Рабочие характеристики ДПТ

Рабочими характеристиками двигателя называют зависимость

частоты вращения n, полезного момента M 2, тока якоря I я,

потребляемой мощности P 1 и КПД от полезной мощности P 2 при

U = const. Зависимость n = f (I в) при U = const и M = const

называют регулировочной характеристикой.

 

2.4. Пуск двигателя

В момент включения в сеть якорь неподвижен и противо-ЭДС

равна нулю (Е я = 0). Поэтому в соответствии с формулой (2.3)

величина начального пускового тока определяется сопротивлением

R я, которое обычно невелико. Пусковой ток может многократно

превышать номинальный ток двигателя.

Такое большое увеличение тока в цепи якоря недопустимо, так как оно может вызвать механический ² удар² вследствие большого пускового момента, " круговой огонь" на коллекторе и резкое падение напряжения в питающей сети (в случае, если мощность двигателя соизмерима с мощностью сети), что плохо отразится на работе других потребителей энергии, включенных в сеть. Для ограничения пускового тока и обеспечения плавности пуска двигателей применяют пусковые реостаты, включаемые последовательно с обмоткой якоря и которые постепенно выводят по мере увеличения числа оборотов якоря.

Сопротивление реостата R п выбирают таким, чтобы пусковой ток превышал номинальный ток двигателя не более чем в 2¸ 4 раза:

 

Помимо электромагнитного вращающего момента на вал двигателя действуют тормозящий момент, обусловленный механическими и магнитными потерями, и полезный противодействующий момент, созданный нагрузкой на валу двигателя.

Полезный момент на валу двигателя связан с его полезной мощностью P 2 формулой

где n - частота вращения двигателя, об/мин; P 2 - полезная мощность, номинальная мощность двигателя, указываемая в паспортных данных, Вт.

 

<== предыдущая лекция | следующая лекция ==>
Автор написал этот текст, чтобы все поняли, что. 1) вода «цветёт» при размножении водорослей | Понятие государственного кредита. Виды государственных заимствований
Поделиться с друзьями:

mylektsii.su - Мои Лекции - 2015-2026 год. (4.717 сек.)Все материалы представленные на сайте исключительно с целью ознакомления читателями и не преследуют коммерческих целей или нарушение авторских прав Пожаловаться на материал