Студопедия

Главная страница Случайная страница

КАТЕГОРИИ:

АвтомобилиАстрономияБиологияГеографияДом и садДругие языкиДругоеИнформатикаИсторияКультураЛитератураЛогикаМатематикаМедицинаМеталлургияМеханикаОбразованиеОхрана трудаПедагогикаПолитикаПравоПсихологияРелигияРиторикаСоциологияСпортСтроительствоТехнологияТуризмФизикаФилософияФинансыХимияЧерчениеЭкологияЭкономикаЭлектроника






Теоретичні відомості. Мета роботи - ознайомитися з методом компенсації та застосувати його для вимірювання ЕРС гальванічного елемента.






Лабораторна робота № 204

ВИМІРЮВАННЯ ЕЛЕКТРОРУШІЙНОЇ СИЛИ

ЕЛЕМЕНТА МЕТОДОМ КОМПЕНСАЦІЇ

 

Мета роботи - ознайомитися з методом компенсації та застосувати його для вимірювання ЕРС гальванічного елемента.

Прилади та приладдя: джерела струму з відомою і невідомою ЕРС EЕРС і EЕРСх; джерело постійного струму з EРC більшою за EЕРС та EЕРСх реохорд; гальванометр; ключ і перемикач; з'єднувальні провідники.

 

Теоретичні відомості

Компенсаційний метод вимірювання - це такий метод, в якому ефект вимірюваної величини врівноважується ефектом однорідної з нею відомої величини так, щоб у результаті вони не впливали на вимірювальні прилади. Компенсаційний метод застосовується для вимірювання ЕРС, напруги, струмів, температури і т.п. У цій лабораторній роботі застосуємо його для вимірювання EРC джерела струму.

ЕРС джерела струму називається фізична величина, що чисельно дорівнює роботі, яку може виконати джерело струму з перенесення одиничного позитивного заряду в замкнутому колі:

Із закону Ома для повного кола

,

де І - сила струму в колі; R і r - зовнішній та внутрішній опори кола; U та U0 - спад напруги відповідно на зовнішній і внутрішній дільницях кола. Якщо сила струму в колі дорівнює нулю, ЕРС буде чисельно дорівнювати різниці потенціалів на кінцях зовнішньої дільниці:

.

Таким чином, щоб точно виміряти ЕРС джерела, слід застосувати такий метод, при якому загальний струм, що проходить через досліджуване джерело, дорівнював би нулю.

Таким методом є компенсаційний. ЕРС досліджуваного джерела струму порівнюють з ЕРС джерела, в якому вона вже виміряна досить точно з допомогою " нормального" елемента (елемента Вестона). Таке порівняння проводиться з допомогою компенсаційної системи, принципова схема якої зображена на рис. 204.1.

Рис. 204.1

Головна частина цієї схеми - потенціометр (подільник напруги), а допомогою якого можна отримати будь-яку напругу в границях від нуля до напруги, підключеної до потенціометра.

Потенціометром у цій роботі є реохорд АВ, до кінців якого підведена напруга від джерела постійного струму EЕРС, а з рухомого контакту С і кінця А реохорда знімають потрібну напругу U. При переміщенні контакту реохорда С від клеми А до клеми В напруга між клемами А і С лінійно зростатиме від 0 до U.

Якщо U > EЕРС0 і U > EЕРСх (EЕРС0 і EЕРСх - ЕРС еталонного і досліджуваного джерела струму), переміщенням контакту С можна підібрати на дільниці АС таку напругу U, яка зможе компенсувати ЕРС EЕРС0, і на основі рівняння Кірхгофа

, (204.1)

де І - сила струму, що протікає по реохорду АВ; R0 - опір дільниці реохорда AС.

Аналогічне рівняння справедливе і для досліджуваного джерела:

. (204.2)

Поділивши рівність (204.2) на (204.1), отримаємо

,

звідки

. (204.3)

Оскільки опори дільниць однорідного каліброваного дроту реохорда пропорційні їх довжинам (l 1 і l 2), невідома ЕРС

(204.4)

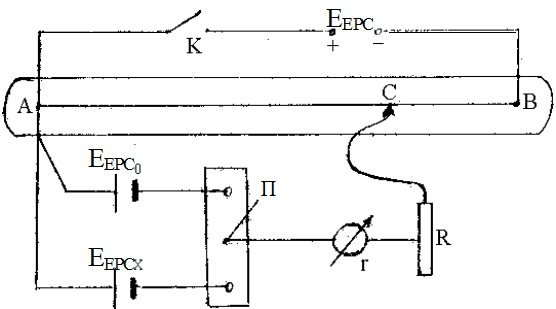
Електричне коло для виконання цієї роботи складається за схемою, показаною на рис. 204.2.

Рис. 204.2

Реостат R підключається для обмеження струму в колі гальванометра.

 


Поделиться с друзьями:

mylektsii.su - Мои Лекции - 2015-2026 год. (3.684 сек.)Все материалы представленные на сайте исключительно с целью ознакомления читателями и не преследуют коммерческих целей или нарушение авторских прав Пожаловаться на материал