Студопедия

Главная страница Случайная страница

КАТЕГОРИИ:

АвтомобилиАстрономияБиологияГеографияДом и садДругие языкиДругоеИнформатикаИсторияКультураЛитератураЛогикаМатематикаМедицинаМеталлургияМеханикаОбразованиеОхрана трудаПедагогикаПолитикаПравоПсихологияРелигияРиторикаСоциологияСпортСтроительствоТехнологияТуризмФизикаФилософияФинансыХимияЧерчениеЭкологияЭкономикаЭлектроника






Двухзвенные преобразователи постоянного напряжения






 

Для устранения недостатков, присущих непосредственным преобразователям постоянного напряжения и отмеченных выше, в более сложных по структуре силовой части преобразователях подобного назначения производится последовательное преобразование постоянного тока в переменный с напряжением прямоугольной или непрямоугольной формы, а последний затем вновь преобразуется в постоянный ток. Для выполнения такого двукратного преобразования электроэнергии силовая часть рассматриваемых преобразовательных устройств должна содержать два последовательно соединенных силовых элемента - высокочастотный транзисторный инвертор (регулируемый или нерегулируемый) и высокочастотный выпрямитель со сглаживающим фильтром. При этом электрическая изоляция выходных цепей преобразователя друг от друга и от источника электроэнергии, а также обеспечение требуемых номинальных значений выходных напряжений осуществляются с помощью высокочастотного силового трансформатора. Многоканальные преобразователи постоянного напряжения имеют две или более (на практике 15...20) электрически изолированных цепей постоянного тока с разными уровнями выходных напряжений, одноканальные - одну выходную цепь постоянного тока, электрически изолированную от источника электроэнергии.

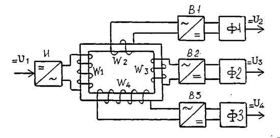
Функциональная схема трехканального ДППН показана на рис. 9.7. Для получения трех гальванически не связанных между собой и с входом каналов преобразователя в состав последнего включен (между инвертором и выпрямителем каждого канала) четырехобмоточный трансформатор Т. Выходное напряжение инвертора И подается на первичную обмотку w 1. Требуемая величина напряжения на выходе каждого канала (U 2; U 3; U 4) обеспечивается за счет определенного количества витков в обмотках w 2, w 3 и w 4 трансформатора T. На практике, как правило, в состав такого преобразователя включают входной и выходной фильтры. Входной фильтр обеспечивает развязку между высокочастотным инвертором и источником питания преобразователя. Выходные фильтры обеспечивают сглаживание пульсаций напряжения каждого канала.

Применение ДППН в источниках вторичного электропитания РЭС позволяет получить не только ряд необходимых вторичных напряжений из одного первичного, но и повысить стабильность вторичных напряжений по сравнению с первичным.

Выходное напряжение существующих первичных источников электропитания в процессе эксплуатации меняется. У большинства из них колебания напряжения лежат в пределах + (10...20)%. Допустимые колебания напряжения питания большинства ответственных приемников систем автономного электроснабжения РЭС на порядок меньше и составляют ±(3...5%), а отдельных (выходные каскады в аппаратуре связи) еще более чувствительны к изменению напряжения питания, и того меньше - всего ±(0, 1...0, 5)% [1].

 
 

Рис. 9.7. Функциональная схема двухзвенного трехканального преобразователя постоянного напряжения

 

Отсюда вытекает необходимость стабилизации выходных напряжений преобразователя. Все многообразие встречающихся на практике стабилизированных двухзвенных высокочастотных преобразователей постоянного напряжения можно свести к относительно небольшому числу типовых многоканальных унифицированных функциональных схем, одна из которых изображена на рис.9.8.

Наиболее простая функциональная схема (рис.9.8) содержит регулируемый высокочастотный транзисторный инвертор Ир, с выхода которого переменное напряжение подается на выпрямители В 1... В 3, обычно содержащие, помимо блоков вентилей, высокочастотные трансформаторы. Указанные выпрямители с выходными фильтрами LC -типа Ф1, Ф2, Ф3 преобразуют переменное напряжение в постоянное, одновременно сглаживая пульсации. Централизованная стабилизация одновременно всех выходных напряжений преобразователя достигается изменением относительной длительности импульсов переменного напряжения на выходе регулируемого инвертора Ир под действием сигнала обратной связи, снимаемого со схемы обратной связи (СОС). Последняя может быть подключена принципиально к любому одному (обычно наиболее мощному) выходу стабилизированного преобразователя.

 
 

Рис. 9.8. Структурная схема ДППН с централизованной

стабилизацией на основе регулируемого инвертора

 

Совмещение функций преобразования напряжений и стабилизации их значений в одном мощном функциональном узле – регулируемом высокочастотном инверторе – позволяет исключить лишние преобразования электрической энергии, существенно упростить силовую схему стабилизирующего многоканального преобразователя и повысить его КПД. Это является несомненным достоинством рассмотренной схемы. Наиболее эффективным применение данной схемы оказывается при сравнительно малом количестве (не более двух-пяти) выходных каналов, когда нагрузка по каждому каналу в процессе работы преобразователя изменяется в сравнительно небольших пределах.

К недостаткам, снижающим эффективность вышерассмотренной функциональной схемы относятся перечисленные ниже.

1. Необходимость включения по многим выходным каналам дополнительных линейных стабилизаторов постоянного напряжения (на рис.9.8 обозначены СН 1, СН 2) из-за сильных изменений выходных напряжений преобразователя в моменты изменений одной или нескольких нагрузок, обусловленных, в свою очередь, сравнительно плохими динамическими свойствами сглаживающих фильтров LC -типа.

2. Невозможность удовлетворения по качеству вторичных питающих напряжений при увеличении (более пяти) каналов преобразователя.

3. Изменение спектрального состава пульсаций всех выходных напряжений в процессе автоматического регулирования. Для большого количества приемников электрической энергии, как бортовых, так и стационарных систем автономного электроснабжения РЭС, чувствительных к спектру высших гармоник питающего напряжения, это может оказаться неприемлемым, что ограничивает возможности данной функциональной схемы. Кроме того, для

нее характерно плохое использование мощных транзисторов в регулируемом инверторе по току и напряжению, так как они должны выбираться с учетом максимальных значений питающего напряжения и потребляемого тока, который, в свою очередь, будет соответствовать минимальным значениям напряжения питания.

Централизованную стабилизацию одновременно всех выходных напряжений в многоканальном высокочастотном преобразователе постоянного напряжения позволяет также реализовать функциональная схема, изображенная на рис.9.9. В этой схеме на вход нерегулируемого транзисторного высокочастотного инвертора И включен импульсный стабилизатор ИС постоянного напряжения со сглаживающими фильтрами LC -типа на входе и выходе. Этот стабилизатор обеспечивает постоянство напряжения питания инвертора во всех режимах работы. При относительно малых внутренних сопротивлениях инвертора и выходных выпрямителей B 1, B 2,... Bn с емкостными сглаживающими фильтрами Ф1, Ф2, …Ф n это условие является достаточным для оптимизации выходных напряжений преобразователя по каждому из его выходных каналов.

По сравнению с предыдущей функциональной схемой (см.рис. 9.8) данная обладает рядом следующих преимуществ. Существенно лучше используются мощные полупроводниковые приборы вследствие питания ин

вертора стабильным напряжением с выхода ИС. Выходные сглаживающие фильтры С-типа обеспечивают существенно лучший характер процессов быстрой коммутации мощных транзисторов, меньшие мгновенные перегрузки, меньшие потери энергии на коммутацию, большие рабочие частоты преобразования электроэнергии. К недостаткам следует отнести дополнительное преобразование электроэнергии в импульсном стабилизаторе, как следствие этого более сложную конфигурацию силовой схемы и дополнительные потери энергии в централизованном стабилизаторе ИС.

 

 

 
 

Рис. 9.9. Структурная схема ДППН с централизованной стабилизацией

на основе импульсного стабилизатора в общей силовой цепи

 

В современных средствах вторичного электропитания РЭС функциональная схема, изображенная на рис. 9.9, используется обычно при суммарной выходной мощности преобразователя от 5...10 до 100...300 Вт, числе выходных каналов от 3...5 до 15...30, частотах преобразования электроэнергии от единиц до 50-100 кГц и более.

 

Текст лекции составил

доцент Н. Руденко

 


Поделиться с друзьями:

mylektsii.su - Мои Лекции - 2015-2026 год. (0.338 сек.)Все материалы представленные на сайте исключительно с целью ознакомления читателями и не преследуют коммерческих целей или нарушение авторских прав Пожаловаться на материал