Студопедия

Главная страница Случайная страница

КАТЕГОРИИ:

АвтомобилиАстрономияБиологияГеографияДом и садДругие языкиДругоеИнформатикаИсторияКультураЛитератураЛогикаМатематикаМедицинаМеталлургияМеханикаОбразованиеОхрана трудаПедагогикаПолитикаПравоПсихологияРелигияРиторикаСоциологияСпортСтроительствоТехнологияТуризмФизикаФилософияФинансыХимияЧерчениеЭкологияЭкономикаЭлектроника






Расчет элементов подвески на прочность






 

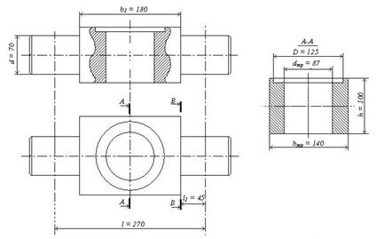
Расчет траверсы крюка

Траверса подвески (Рисунок 1.7) работает на изгиб. Расчет траверсы ведется по двум опасным сечениям: в середине (А-А) и в месте изменения сечения (В-В).

Рисунок 1.7 – Конструкция траверсы

 

Максимальный изгибающий момент в сечении А-А (Рисунок 1.8) определяется по формуле:

(1.11)

где: l –расчетная длина траверсы [см],

Поскольку величина l неизвестна, то для предварительного расчета ее можно принять по аналогичным типовым подвескам. Для двухблочной подвески l =27см.

 

Ширину траверсы можно принять:

(1.12)

где: - наружный диаметр упорного подшипника.

= 125 мм, (выбранный упорный однорядный подшипник легкой серии 8217).

 

 

Рисунок 1.8 – Расчетная схема

 

 

Принимаем = 140 мм.

Диаметр отверстия принимается на 2…5 мм больше диаметра хвостовика крюка. Так как диаметр шейки хвостовика d1 = 85 мм, то диаметр отверстия траверсы dтр = 87 мм.

Длину средней части траверсы для предварительного расчета можно принять [1. таблица 5].

Момент сечения В-В будет равен:

(1.13)

Траверса обычно изготавливается из стали 45 с пределом выносливости .

Параметры траверсы определяются проектным расчетом из условия прочности при изгибе

 

, (1.14)

где: М – момент, действующий в расчетном сечении [ ],

W – момент сопротивления расчетного сечения [ см3 ],

- допускаемое напряжение изгиба [ МПа ].

Поскольку траверса работает в пульсирующем цикле, то допускаемое напряжение для предварительного расчета может быть определено по упрощенной формуле:

(1.15)

где: - коэффициент, учитывающий конструкцию детали, = 2, 2,

- допускаемые коэффициент запаса прочности, = 1, 7,

Определим моменты сопротивления, действующие в расчетных сечениях:

Момент сопротивления среднего сечения траверсы А-А, ослабленном отверстием:

(1.16)

где: h – высота траверсы,

Принимаем h = 100 мм.

Момент сопротивления сечения траверсы В-В:

(1.17)

где: d – минимальный диаметр цапфы под подшипник,

Принимаем d = 70 мм

 

РАСЧЕТ МОЩНОСТИ ЭЛЕКТРОДВИГАТЕЛЯ И ЕГО ВЫБОР ПО

КАТАЛОГУ

При выборе режима работы электродвигателя и продолжительности включения (ПВ) для крюковых кранов общего назначения, принимаем ПВ = 40% (при тяжелом режиме работы электрооборудования) [3, таблица 5]

Статическая мощность двигателя механизма подъема при установившемся режиме вычисляется при подъеме номинального груза:

(1.44)

где: - КПД механизма подъема,

= 0, 85 [2, приложение 33],

В кранах общего назначения расчет двигателя можно с достаточной точности вести по эквивалентной нагрузке. В этом случае потребная мощность двигателя определяется по формуле:

(1.45)

По табл. [2, приложение 34], выбираем электродвигатель переменного тока с фазовым ротором типа МТВ412-8 мощностью N=17кВт, числом оборотов nдв=725об/мин, максимальным моментом Мп.max =824, 04Н . м,

 


Поделиться с друзьями:

mylektsii.su - Мои Лекции - 2015-2026 год. (1.122 сек.)Все материалы представленные на сайте исключительно с целью ознакомления читателями и не преследуют коммерческих целей или нарушение авторских прав Пожаловаться на материал