Студопедия

Главная страница Случайная страница

КАТЕГОРИИ:

АвтомобилиАстрономияБиологияГеографияДом и садДругие языкиДругоеИнформатикаИсторияКультураЛитератураЛогикаМатематикаМедицинаМеталлургияМеханикаОбразованиеОхрана трудаПедагогикаПолитикаПравоПсихологияРелигияРиторикаСоциологияСпортСтроительствоТехнологияТуризмФизикаФилософияФинансыХимияЧерчениеЭкологияЭкономикаЭлектроника






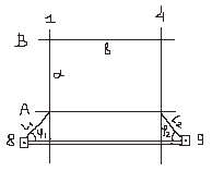
Главные и основные оси зданий






 

Главными осями являются две взаимно перпендикулярные оси симметрии сооружения I-I, II-II.

Основные оси: А-А, Д-Д, 1-1, 4-4 – являются контуром сооружения. В пределах этого контура проходят параллельные основным осям продольные и поперечные промежуточные оси Б-Б, Г-Г, 2-2, 3-3 определяющие внутреннее положение частей сооружения.

При геодезическом контроле установки оборудования пользуются монтажными осями смещенными параллельно основным осям на некоторое расстояние.

Геодезическая подготовка проекта:

1) вычисление координат пересечений осей сооружения в принятой системе координат

2) по вычисленным проектным координатам находят разбивочные элементы (дир. углы a и D. Определяем положение этих точек относительно пунктов геодезической разбивочной основы.

Вынос проекта в натуру выполняется в 3 стадии:

1) основные разбивочные работы – вынос главных и основных осей

2) от закрепленных на местности главных и основных осей разбиваются промежуточные оси сооружения

3) разбивка монтажных оси и геодезический контроль за установку технологического оборудования в проектное положение

 

 

#34 Перенесение осей полярным способом

 

Применяется когда сооружение находится вблизи геодезической разбивочной основы и местность удобна для выполнения линейных измерений. По заданным или определенным графически координатам точки С и известным координатам пунктов I и II вычисляют разбивочные элементы:

1) дирекционный угол

2) полярное расстояние

3) полярный угол

Положение точки С на местности определяют установив над пунктом I теодолит и отложив к направлению I-II угол j от пункта I расстояние L.

Схема разбивки здания полярным способом:

Оценка точности положения точек вынесенных в натуру способом полярных координат:

где mL и mj – СКО отложения расстояния и угла.

mф – СКО фиксации разбиваемой точки.

 


Поделиться с друзьями:

mylektsii.su - Мои Лекции - 2015-2026 год. (0.518 сек.)Все материалы представленные на сайте исключительно с целью ознакомления читателями и не преследуют коммерческих целей или нарушение авторских прав Пожаловаться на материал