Студопедия

Главная страница Случайная страница

КАТЕГОРИИ:

АвтомобилиАстрономияБиологияГеографияДом и садДругие языкиДругоеИнформатикаИсторияКультураЛитератураЛогикаМатематикаМедицинаМеталлургияМеханикаОбразованиеОхрана трудаПедагогикаПолитикаПравоПсихологияРелигияРиторикаСоциологияСпортСтроительствоТехнологияТуризмФизикаФилософияФинансыХимияЧерчениеЭкологияЭкономикаЭлектроника






Изменение сечения балки по длине






Поскольку составное сечение главной разрезной балки подбирается по максимальному изгибающему моменту М max (в середине пролета), то его можно уменьшить у опор. Изменение сечения производится за счет уменьшения ширины поясных листов, при этом их толщина остается неизменной.

Сопряжение поясных листов осуществляется посредством прямого стыкового шва, и уменьшенное сечение поясов принимается из условия прочности этого шва на растяжение:

Rwy = 0, 85 × Ry.

Место изменения сечения следует делать на расстоянии x = (L /6… L /7) от опоры.

Ширина измененного сечения пояса должна отвечать условиям:

 

Пример

 

Изменение сечения в соответствии с п. 5.19* [3] выполняется без учета пластических деформаций за счет уменьшения ширины поясных листов на расстоянии около 1/6 пролета от опоры:

х = L /6 = 15/6 = 2, 5 м.

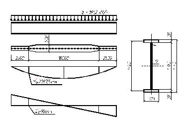
Определяются усилия в балке на расстоянии 2, 5 м от опоры (рис. 7):

 

Рис. 7. Изменение сечения балки по длине

 

Подбирается уменьшенное сечение балки, исходя из прочности стыкового шва нижнего пояса. Расчетное сопротивление сварного соединения встык на растяжение (ручная сварка) Rwy = 0, 85 Ry . = 0, 85× 240 = 204 МПа.

Требуемый момент сопротивления:

Для определения требуемой площади поперечного сечения поясов производятся следующие вычисления:

If 1.тр = Ix 1 - Iw = 1 274 115 – 491 300 = 782 815 см4.

 

Требуемая площадь поперечного сечения поясов в измененном сечении:

Ширина поясного листа:

Принимается поясной лист 280 ´ 20 мм из широкополосной универсальной стали по ГОСТ 82-70*: b 1 f = 280 > bf .min = 200 мм; b 1 f = 280 мм > bf / 2 = 500 / 2 = = 250 мм; bf 1 = 280 мм > h / 10 = 1740/ 10 = 174 мм.

 

 


Поделиться с друзьями:

mylektsii.su - Мои Лекции - 2015-2026 год. (1.561 сек.)Все материалы представленные на сайте исключительно с целью ознакомления читателями и не преследуют коммерческих целей или нарушение авторских прав Пожаловаться на материал