Студопедия

Главная страница Случайная страница

КАТЕГОРИИ:

АвтомобилиАстрономияБиологияГеографияДом и садДругие языкиДругоеИнформатикаИсторияКультураЛитератураЛогикаМатематикаМедицинаМеталлургияМеханикаОбразованиеОхрана трудаПедагогикаПолитикаПравоПсихологияРелигияРиторикаСоциологияСпортСтроительствоТехнологияТуризмФизикаФилософияФинансыХимияЧерчениеЭкологияЭкономикаЭлектроника






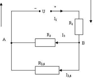
Решение. Осуществим преобразование исходной схемы. &






Осуществим преобразование исходной схемы.

                      R3, 4=R3 + R4= 8 + 4 =12Ом      

При расчетах электрических цепей необходимо учитывать, что реальный источник электрической энергии обладает не только ЭДС, но и внутренним сопротивлением. Электродвижущая сила источника компенсирует падение напряжения как на внешнем сопротивлении R, которым обладает приемник, так и на внутреннем сопротивлении r, которым обладает источник.

откуда .

Так как напряжение

то

График, выражающий зависимость напряжения от тока нагрузки, называется внешней характеристикой источника энергии и представляет прямую линию. Координаты двух точек для построения внешней характеристики источника можно рассчитать, задавшись двумя произвольными значениями тока.

Схема замещения источника энергии показана на рис. 2.

 

Рисунок 2

 

Такую же схему замещения (рис. 3) имеет активный приёмник энергии (заряжающийся аккумулятор, электродвигатель). В отличие от источника энергии, у активного приемника ЭДС меньше приложенного напряжения, а потребляемый ток направлен навстречу ЭДС:

.

 

Рисунок 3


Поделиться с друзьями:

mylektsii.su - Мои Лекции - 2015-2026 год. (1.383 сек.)Все материалы представленные на сайте исключительно с целью ознакомления читателями и не преследуют коммерческих целей или нарушение авторских прав Пожаловаться на материал