Студопедия

Главная страница Случайная страница

КАТЕГОРИИ:

АвтомобилиАстрономияБиологияГеографияДом и садДругие языкиДругоеИнформатикаИсторияКультураЛитератураЛогикаМатематикаМедицинаМеталлургияМеханикаОбразованиеОхрана трудаПедагогикаПолитикаПравоПсихологияРелигияРиторикаСоциологияСпортСтроительствоТехнологияТуризмФизикаФилософияФинансыХимияЧерчениеЭкологияЭкономикаЭлектроника






Ленточные и прерывистые фундаменты






Ленточные фундаменты устраивают под несущими стенами бескаркасных зданий. По способу устройства фундаменты бывают монолитные и сборные. Монолитные фундаменты выполняют:

· из бутового камня рваной формы или бутовой плиты; их укладывают на сложном или на цементном растворе с перевязкой (несовпадением) вертикальных швов. Ширина бутовых фундаментов должна быть не менее 0, 6 м для кладки из рваного бута, не менее 0, 5 м – из бутовой плиты. Наименьшая ширина фундаментов принята по условиям перевязки швов. Переход от уширенной части фундамента к узкой выполняют уступами шириной 150 – 250 мм и высотой не менее двух рядов кладки. Такие фундаменты требуют значительных затрат ручного труда, однако там, где природный камень является местным материалом, их возведение экономически целесообразно

· бутобетонными из бетона класса по прочности на сжатие В5 с включением в его толщу отдельных кусков бутового камня. Наименьшая ширина фундамента 350 мм. Уширение фундаментов ведут уступами шириной 150 – 250 мм и высотой 300 мм. Их возводят в щитовой опалубке или в траншеях (при плотных грунтах). По сравнению с фундаментами из бутового камня они менее трудоёмки;

бетонными в опалубке из монолитного бетона классов В7, 5 – В30. Устройство таких фундаментов требует повышенного расхода цемента.

В данном здании запроектирован сборный ленточный фундамент, в связи с тем, что более эффективными являются бетонные и железобетонные фундаменты из сборных элементов заводского изготовления, состоящие из блоков – подушек и фундаментных блоков.

Сборные ленточные фундаменты состоят из плит-подушек, укладываемых в основание фундаментов и стеновых блоков, которые являются стенами подземной части здания. Фундаментные подушки укладываются непосредственно на выровненное основание или на тщательно утрамбованную песчаную подготовку толщиной 100 – 150 мм. Под подошвой фундамента нельзя оставлять насыпной или разрыхленный грунт. Он удаляется и вместо него насыпается щебень или песок. Углубления в основании более 10 см заполняются бетонной смесью.

Блоки укладывают на растворе с обязательной перевязкой вертикальных швов, толщину которых принимают равной 20 мм. Вертикальные колодцы, образующиеся торцами блоков, заполняют раствором. Продольные и поперечные стены ленточных фундаментов в местах сопряжения должны иметь перевязку, в горизонтальные швы закладывают арматурные сетки из стали диаметром 6–10 мм.

Блоки – подушки изготавливают толщиной 300 и 400 мм, шириной от 800 – 2800 мм, а блоки – стенки шириной 300, 400, 500, 600 мм, высотой 300, 600 мм, длиной от 800 до 2400 мм Плиты-подушки под наружные стены имеют ширину 1400 мм, а под внутренние - 800 мм. При проектировании размеры фундаментных плит-подушек приняты согласно ГОСТ 13580-85. Плиты-подушки укладываются с разрывами. В местах сопряжения продольных и поперечных стен плиты подушки укладываются впритык и места сопряжения между ними заделываются бетонной смесью. Поверх уложенных плит-подушек устраивается горизонтальная гидроизоляция и по ней сверху цементно-песчаная стяжка толщиной 30 мм, в которую укладывают арматурную сетку, что ведет к более равномерному распределению нагрузки от вышележащих блоков и конструкций. Диаметр стержней сетки - 6 мм. Шаг - 30 см. По завершении устройства цементной стяжки котлован засыпается до верха смонтированных железобетонных фундаментных подушек.

Затем укладываются бетонные фундаментные блоки с перевязкой швов в три ряда, поверх которых устраивается горизонтальный гидроизоляционный слой из двух слоев рубероида на мастике. Назначение гидроизоляционного слоя - исключение миграции капиллярной грунтовой и атмосферной влаги вверх по стене. Ширина фундаментных блоков под наружные стены равна 600 мм, под внутренни-400мм.

При проектировании размеры фундаментных стеновых блоков приняты согласно ГОСТ 13579-78.

Ленточные фундаменты выполняются в виде непрерывных или прерывистых лент под несущими и самонесущими стенами бескаркасных зданий высотой до 12 этажей.

 

Конструкция ленточного фундамента позволяет наиболее равномерно передавать и распределять нагрузку на основание.

 

Фундаменты могут быть сборными или монолитными. Форма и размеры зависят от материала фундамента, нагрузок от здания, качества грунтов, наличия и расположения грунтовых вод, глубины промерзания, рельефа или планировки местности и т.д.

 

Теоретически формой поперечного сечения фундамента является трапеция, где угол боковых сторон с вертикалью определяет распространение давления и принимается для бутовой кладки и бутобетонов от 27 до 33°, а для бетона 45°. Практически такие фундаменты в зависимости от расчетной ширины подошвы выполняются прямоугольной или ступенчатой формы с соблюдением определенного правила - габариты фундамента не должны выходить за пределы его теоретической формы. Размеры ступеней по ширине принимаются не более 0, 2-0, 25м, а по высоте - соответственно не менее 0, 4-0, 5м.

Чаще всего ленточные фундаменты возводят из сборных бетонных или железобетонных элементов – стеновых фундаментных блоков (по [31]) и фундаментных плит-подушек (по [32]). Монтаж фундаментных блоков осуществляют на цементном растворе с обязательной перевязкой швов. В целях сокращения расхода бетона также можно использовать пустотелые блоки.

 

Основными параметрами ленточных фундаментов является их глубина заложения, толщина фундаментных стен и ширина подошвы фундамента. Толщину стен фундаментов можно принимать равной или меньше толщине наземных конструкций. При этом свес стен здания не должен превышать 130мм.

 

Ширину подошвы сборных ленточных фундаментов определяют расчетом в соответствии с [19] исходя из величины нагрузок, расчетных сопротивлений грунтов основания и типа фундамента. Конструктивно ширину железобетонных подушек и плит можно принимать для наружных стен в пределах 1, 0 - 1, 8м; для внутренних несущих стен 1, 8 - 2, 4м. Железобетонные блоки-подушки укладываются непосредственно на выровненную поверхность грунта основания или на песчаную подготовку толщиной 100-150мм.

Если по расчету ширина подошвы фундамента не превышает ширины бетонного блока, то фундаменты выполняются без подушек.

При слабых грунтах по фундаментным подушкам и по обрезу фундамента устраивают армированные распределительные пояса. При плотных грунтах, не насыщенных водой, и малых нагрузках фундаментные подушки могут быть уложены с промежутками 0, 2…0, 9 метров, которые следует засыпать грунтом.

 

Рис. 11 Ленточные фундаменты в разрезе

рис…. Кладка может быть различной формы: прямоугольной, трапецеидальной, ступенчатой, или с расширенной нижней частью, иначе называемую подушкой. Для оптимальной компенсации нагрузки от массивного здания является форма трапеции. При использовании в качестве материала для фундамента кирпича или бутового камня угол наклона боковой грани к вертикали не должен превышать 30°, а для бетона - 45°.

а - прямоугольный, б - трапецеидальный, в - ступенчатый, г- прямоугольный с подушкой, 1 - обрез, 2 - подушка

 

Достоинства ленточных монолитных фундаментов: прочность, надежность, могут быть использованы для зданий любой формы.

Достоинства ленточных фундаментов из железобетонных блоков: значительное сокращение сроков возведения, простота сооружения.

 

Недостатки монолитных ленточных фундаментов: увеличение срока строительства за счет производства земляных работ, высокая трудоемкость заполнения бетоном опалубки, массивность, не экономичность.

Недостаткиленточных фундаментов из железобетонных блоков: менее практичны, чем ленточные фундаменты (пропускают воду в местах своего соединения), пригодность преимущественно для зданий простых форм (при сложных архитектурных формах блоки, выпускаемые стандартных размеров, приходится обрезать).

 

При выборе типа ленточного фундамента рекомендуется учитывать следующее: применение сборных фундаментов позволяет снизить продолжительность возведения фундаментов на 20—30 % и уменьшить затраты труда на строительной площадке; суммарные затраты труда на возведение сборных и монолитных фундаментов примерно одинаковые; по стоимостным показателям, энергоемкости, расходу цемента и арматурной стали монолитные фундаменты экономичнее сборных. Поэтому для жилых зданий рекомендуется предпочтительно применять монолитные ленточные фундаменты.

 

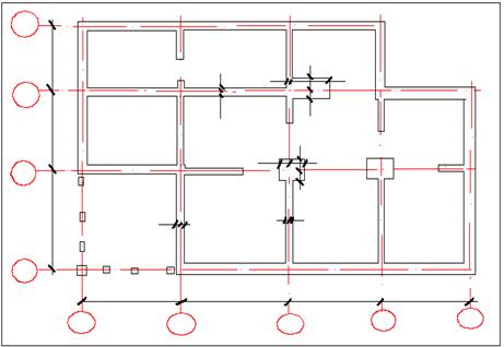
Рис.12 Пример плана фундамента

а. Схема расположения ленточного монолитного фундамента без подушки

 

б. Схема расположения ленточного монолитного фундамента с подушкой

 

в. Схема расположения ленточного фундамента из сборного ж/б без подушки

Усл. обозн. - - монолитный участок

 

В крупнопанельном домостроении применяются укрупненные элементы в виде сквозных безраскосных ферм (панелей) и блоков-подушек под внутренние стены и цокольные панели с подушками – под наружные.

 

Рис.13 Фрагмент плана сборного ленточного фундамента панельного здания

 

Рис. 14 Конструкции ленточных фундаментов для панельного домостроения

 


Поделиться с друзьями:

mylektsii.su - Мои Лекции - 2015-2026 год. (1.004 сек.)Все материалы представленные на сайте исключительно с целью ознакомления читателями и не преследуют коммерческих целей или нарушение авторских прав Пожаловаться на материал