Студопедия

Главная страница Случайная страница

КАТЕГОРИИ:

АвтомобилиАстрономияБиологияГеографияДом и садДругие языкиДругоеИнформатикаИсторияКультураЛитератураЛогикаМатематикаМедицинаМеталлургияМеханикаОбразованиеОхрана трудаПедагогикаПолитикаПравоПсихологияРелигияРиторикаСоциологияСпортСтроительствоТехнологияТуризмФизикаФилософияФинансыХимияЧерчениеЭкологияЭкономикаЭлектроника






Задача № 2. Анализ электрического состояния линейных электрических цепей постоянного и переменного тока






Анализ электрического состояния линейных электрических цепей постоянного и переменного тока

 

     

ЗАДАЧА 1

Дана разветвленная электрическая цепь, содержащая один источник энергии с ЭДС Е и приёмники R 1, R 2, R 3, R 4, R 5, R 6. Методом линейных преобразований найти токи во всех ветвях и напряжения на элементах цепи. Составить баланс мощности. Исходные данные приведены в таблице 1.

 

Таблица 1 - Варианты заданий для задачи №1

Номер варианта Номер рисунка E, B R 1, R 2, R 3, R 4, R 5, R 6,
Ом
                 
  2.10             -
  2.11             -
  2.12             -
  2.13             -
  2.14             -
  2.15             -
  2.16              
  2.17              
  2.18              
  2.19   -          

 

 

 

 

 


Задача № 2

I                
  Е1, В Е2, В R1 ооооОоООм R2 R3 R4 R5 R6
  21, 6 2, 83 0, 40 7, 65 4, 00 9, 12 6, 67 0.32
  21, 6 -4, 32 0, 40 3, 83 4, 00 9, 12 6, 67 0, 32
  21, 6 2, 83 0, 44 8, 34 4, 40 9, 98 7, 37 0, 35
  21, 6 -4, 75 0, 44 4, 17 4, 40 9, 98 7, 37 0, 35
  21, 6 2, 83 0, 48 9, 02 4, 80 10, 8 8, 07 0, 38
  21, 6 -5, 18 0, 48 4, 08 4, 80 10, 83 8, 07 0, 38
  21, 6 2, 83 0, 52 9, 68 .5, 20 11, 7 8, 78 0, 42
  21, 6 -5, 62 0, 52 4, 84 5, 20 11, 67 8, 78 0, 42
  21, 6 2, 83 0, 56 10, 3 5, 60 12, 50 9, 50 0, 45
  21, 6 -6.04 0, 56 5, 16 5.60 12, 50 9, 50 0, 45
  21.6 2, 83 0.60 10, 4 6.00 13, 32 10.7 0.48
  21, 6 -6.42 0.60 5, 48 6, 00 13, 32 10.2 0, 43
  21, 6 2, 83 0, 64 10, 6 6, 40 14, 13 10, 9 0, 51
  21, 6 -6, 91 0, 62 5, 89 6, 40 14, 13 10, 9 0, 51
  21, 6 2.83 0.68 12, 2 6, 80 14, 93 11.7 0.54
                   

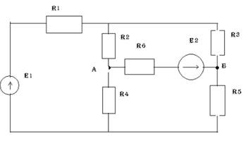
Дана электрическая цепь постоянного тока (рисунок 1) параметры которой приведены в таблице 1

Рисунок 1

Требуется:

1. Определить токи во всех ветвях методом узловых и контурных уравнений или методом контурных токов.

2. Построить график изменения потенциала по внешнему контуру.


Поделиться с друзьями:

mylektsii.su - Мои Лекции - 2015-2026 год. (1.065 сек.)Все материалы представленные на сайте исключительно с целью ознакомления читателями и не преследуют коммерческих целей или нарушение авторских прав Пожаловаться на материал